Fórum témák
» Több friss téma |
Fórum » Fényorgona
Hello
Szeretném a segítségeteket kérni, mert készítetem egy fényorgonát és a 12V-os fele teljesen jó de, a 230V-os rész-e nem és nem tudom, mitől van ez. A triakokat meg vizsgáltam és azok jók voltak semmi bajuk az optocsatolokat nem tudom, hogy jók-e. De a 4-es és az 5.-ös lábat helyettesítettem egy kapcsolóval, és úgy sem volt jó. Ha lenne valami ötlete valakinek, akkor azt megpróbálnám. Előre is köszönöm. A kapcsolás ugyan az mint az elöbb.
Szia Peti!
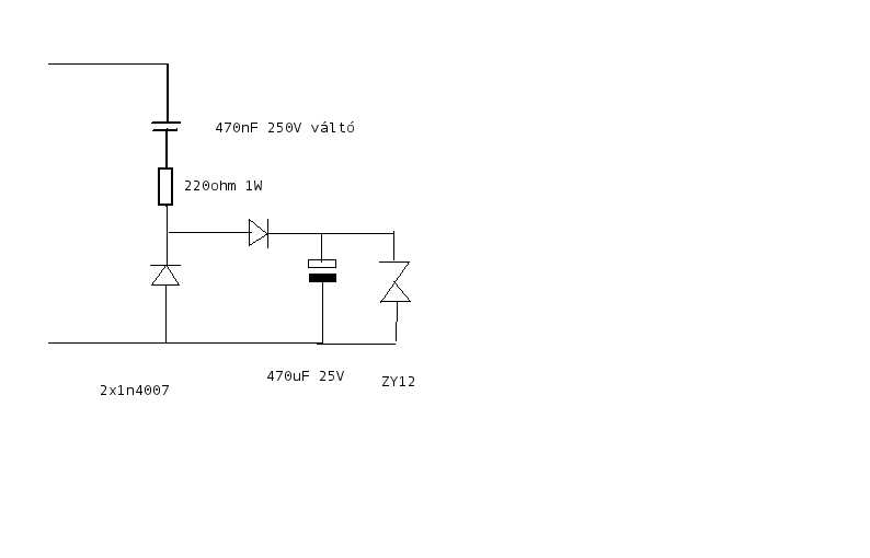
Ha a 4-es 5-ös láb rövidrezárása nem nyitotta ki a triakot, akkor először mérd meg egy voltmérővel, hogy a ZPD12-es zener diódán tényleg megvan a +12V. Vigyázz mert ott már "megrázhat" a 230V is. Tehát ne tapogasd a mérőzsinórokat, csak mérj rá a zenerre. Ha ott látod a +12V DC-t, akkor a kapcsolóval (amit bekötöttél) zárd rövidre az optó 4-es 5-ös lábát, és újra (így a kapcsolóval összezárva) mérj 12V-ot. Ha megvan akkor az izzóknak is működnie kell, hacsak nem rossz a triakod, vagy nem kötöttél el valamit. Ha ilyenkor elveszik a 12 V az lehet a 47k ellenállás megnyúlása, esetleg nagyon érzéketlen triakot sikerült beszerezned. Sok sikert!
Hello Laci
meg mértem a diodán a feszltséget a képen látható modon és nem volt semmi
Szia!
Akkor valószínű meg is van a hiba. 4 dolog lehet: 1 zárlatos a a zener dióda 2 szakadt a 47k ohmos ellenállás 3 zárlatos a 100µF-os kondi 4 valami "beterhel" az áramkörben. kb ez az előfurdulási sorrend is. A zenert úgy tudod ellenőrizni, hogy kiforrasztod, és rámérsz egy ohmmérővel. egyik irányba vezetnie kell (nem rövidzár) a másik irányba szakadás. Az ellenállást szintén egy ohmérővel ellenőrizheted. A 100µF kondid hány voltos? Én azért minimum 25V-osat tennék oda. A 4. dolgot kicsit bonyolultabb leellenőrizni. Valahogy le kellene választani az optók 5-ös lábait. (erre nem tudok konkrét tippet adni mert ez függ a nyáktervedtől) Azért mindenképpen ellenőrizd ezt a részt, hogy nincs-e valahol elkötés forrasztási hiba, stb...
Na szerintem meg is van a hiba. a Zener dióda mind 2 irányban 7Ohm-os tehet nincs szakadás benne.
és a zener hibáa miatt nem mehetett tönkre a kondenzátor, amúgy 25V-os van benne.
Szia!
Gratulálok megtaláltad a hibát! Az a zener rossz. Tegyél bele egy másikat, minél nagyobb teljesítményűt ha van. A kondinak ettől semmi baja nem lehet.
Hát nem egészen jó
már meg van a zeneren a 12V-os fesz csak ha a kapcsolot zárom akkor csak 1,56 és 1,91V között ugrál
Na ettől tartottam.
![]() A triakon lévő 230V-os lámpa nem gyullad ki? Milyen típusú triakot tettél bele? Érdemes lenne nem kapcsolóval vizsgálni, hanem élesben, mert az optó adó oldalán lévő elektronika figyeli a 0 átmeneteket, és olyankor kikapcsolja a gate áramot, így lehet, hogy kevesebb árammal is beéri. Ráadásul ha már egyszer begyújtott a triak, akkor a következő nullátmenetig nem kell neki gyújtóáram, mert "benntart" Próbáld ki teljesen összerakva, és ha nem működik, gondolkodunk tovább
Na a lámpa nem gyulad ki viszont amikor ki és be kapcsolom a 230-as tápot akkor kicsit parázslik.
a triak az BT137-es és elvileg jó mert ki szedtem és meg néztem egy tápfeszel meg egy izzóval, vissza forrasztotam az optocsazolokat és ugysem jó. meg egy dolgot észre vettem hogy a 47kOhm ellenállás 1perc járás után kb 30-40°C lesz.
Az normális, hogy az ellenállás kicsit melegszik. Sajna az a baj, hogy az a zener és ellenállás páros kevés áramot tud leadni, a triakok gyújtásához. A legkézenfekvőbb megoldás, a 12V-os zener nagyobb teljesítményűre cserélése, (pl ZY12, vagy ZL 12) és ezzel egyidőbe a 47kohmos ellenállás csökkentése.
Próbaképpen, ha a 47kohmot kiforrasztod és ahová először a voltmérőt tetted, oda ráforrasztaz polaritás helyesen egy 9V-os elemet, működni kell. (ha nincs benne más hiba) Tudom "fapados" megoldás, de legalább teljesen leszűkíted a hibalehetőségeket.
most is ZY12 zener van benne, de az ellenállás az szerintem olyan 3-5W körüli lehet ilyen rozsaszin szinű.
tehát azt ugy érted h kösek egy 9voltos táp feszültséget a zenere és kapcsoljam rá a 230V-ot is??
Hmm... közben számolgattam. Ha a 230V-ot egyoldalasan egyenirányítod, ott kb 170V lesz a csúcsfeszültség. (170-12)/47000=3,3mA
Ez tényleg kevés oda. Nem néztem a katalógus adatait, de zener 100mA-t biztos, hogy kibír. Nem lehet, hogy a 47Kohm sajtóhiba, és oda valójában 4,7Kohm kellene? Akkor már lenne 33mA-ed ami biztos, hogy kinyitná a triakokat.
Ha ZY-os zener van ott, akkor bátran cseréld ki a 47kohm-ot 4,7-re. Az (ha jól emlékszem) 1A-es zener
Hát sajnos nincs ithon 4,7kOhm -os ellenállá de van 1,5kOhm-os csak azok 0,6 Wattosak szoval ha 3mat párhuzamba összerakok teljesítményre az jó lesz úgy? mert ugye az már 4,5kOhm és az már szerintem jó.
Meg ne csináld
Ha párhuzamosan kötöd akkor 1/R1+1/R2+1/R3= 1/Re Inkább sorba kösd, de készülj fel, hogy melegedni fog
Beraktam a másik ellenállást és úgy sem volt jó. akkor ahogy montad az ellenállás nélkül a diódára kötötemegy 9V-os ellemet, mobjuk lehet az elemben már nem volt nagy áram.
nem lehet, hogy az a baj amit mondtál az a 4. pont a beterhelés ??
Az elemnek, is leesett a feszültsége amikor odakötötted?
hát azt nem tudom mert a fesz mérő elemével probáltam ki de ha rá kötök egy 12V-os táp fesz és rá márek ugy is jó ugye?
Igen jó, de arra vigyázz, higy az a tápegység galvanikusan leválasztott legyen a hálózattól, mert külömben nagy "bumm" lesz. Bocsi, most el kell mennem, később még rámézek, hogy mire jutottál
Én egyszer valami hasonló áramkörbe így csináltam 12V-ot. Bocsi a Maci-Laci rajzért. Nem vagyok egy dizajner
meg néztem vanak-e ilyen alkatrészeim itthon és az ellenállást azt meg tudnám csinálni 2db 100Ohm-osból de köondiból csak 330nF ban van 250V-os.
Már nem tudom mi lehet a baja, fel rakom a nyák és kapcs rajzot. Én nem találtam benne hibát de te majd lehet.
meg még valami, úgye az elvileg nem lehet baj hogy ha egy 230V-os spot lámára van rá kötve valami GU10 a lápa tokozás.
na még ezt a két rajzot fel rakom
most lett elemem 9V-os. rá kötötem és amikor be kapcsoltam nem esett vissza a feszültség vagyis csak minimálisat 10-20mV-ot
Nekem úgy tűnik,mintha a triak vezérlése forditott tápot kapna.Ha minden igaz,akkor a Gate-n kell a pozitív fesznek lennie.Mérd meg ezt.
Üdv:Travolta
Szia!
Bocsi csak most értem haza. Mindjárt megnézem a pdf-eket. Annyit azért írj meg légyszi, hogy az elemmel szépen működik is, vagy nem próbáltad ki, csak megmérted a feszültséget? Szerintem próbáld ki, én meg addig "megrágom" a pdf-eket. Húúú... nagyon szépen megtervezted! Gratula! Ezt kicsit tovább kell néznem.
Ahogy nézem, azért van egy érdekesség a nyákon. Nem értem miért a gate lába lett vastag fólia, és miért nem az a közös láb ami ősszeköti a triakok A1-es lábait. Ez azért lenne logikus, mert ott lesz nagyobb áram. Azt én nem látom, hogy az A1-hez képest a Gate - feszültséget kapna. Ha úhy tetted bele e Triakokat, hogy a hűtőzászló a az égők csatlakozója felé néz, akkor a bal oldali vastag fólia a Gate, a jobb oldali vékony pedig az A1 láb.
Na kíváncsi leszek elemmel működik-e |
Bejelentkezés
Hirdetés |












