Fórum témák
» Több friss téma |
Szia!
Igazad lehet, de kB egy éve nem jutottam el odáig, hogy be lépjek ide. De vissza keresem amit írtál. Köszönöm
Szia!
Elnézését, visszakeresem. Köszönöm.
Szia megint!
Most olvastam el a levelet. Kicsit még is lepett. Kár hogy ilyen a pali. Közben azt hiszem eldöntöttem, hogy gx260as Akait szeretnék.
Már én is rájöttem, hogy a WD40 gyakorlatilag nem jó semmire.. Olajként semmire nem jó, egy hét alatt kiszárad.. max pucolni jó valamit vele vagy furáshoz..
Csak ez volt kéznél a kontakspyim már nem spréznek.. veszek újat. Benzin nem kezdi meg a szíjat? Mondjuk az autogimi birja a sima benzint, de nem tudom a két gumi fajta mennyire egyforma. Szerintem jó lett összerakva, mert szolt rendesen a régi "szakadt" filces rányomóval. Csak megfujkodtam a potikat, de minek.. aztán délután kicseréltem a filcnyomot rajta és csak nyávogott, akkor vettem észre hogy nincs a helyén a szij. Tényleg nagyon primitiv ez a sebességváltó.. nem hiszem el hogy ha leesik akkor szét kell boritani az egész cuccot.. Egy buta kérdés, nincs hozzá manuálom, de a menet közben lehet sebességet váltani, nem? Moshogy nem is uszna fel a szíj a masik pályára. MEnet közben azt értem, hogy PLAY üzemmodban. Most hogy sikeresen ráragasztottam(Palma tex) a filcet, hogyan szedjem le. Gondolom letépem finoman aztán a maradványt kell leszedni a kis műanyag vékony szalagról. (Van egy vékony műanyag lapka amit egy rugó feszit az egyik oldalon és erre van felragasztva a filc)
Sajnos nem emlékszem már erre a magnora ( gyorsan leselejteztük öket). A sebességváltohoz mindig mozgás kell, mert annak a forgatónyomatéka viszi át a szijat az egyik fokozatrol a másikra. A capstan a magnok többségében állandoan forog, azaz nem kell PLAY üzemmodban lenni, amikor sebességet váltasz. Söt ilyenkor a csévélök hajtása általában nincs mechanikus kapcsolatban a hajtással , igy biztonságosabban mozoghat a szij ( de ezt nézd meg, hogy a te gépeden hogyan müködik). Jobb gépeken ha kell, akkor a sebességválto blokkolva van, ha valamelyik üzemmodban le van tiltva.
A filcet egy vékony pengével/szikével egyszerüen le lehet “gyalulni” a rugorol. A ragasztot oldoszer oldja, lehet, hogy benzin is, de a mechanikus lekaparás egyszerübb és biztonságosabb. Esetleg ha majd új réteget viszel fel az oldja a régit, igy frissen mind a kettöt kapard le, és utána ragaszd fel az ujat. A neten lehet, hogy megtalálhato a magno szervizkönyve. A hozzászólás módosítva: Jan 1, 2022
Igen, az enyém is amint bekapcsolom már forog a capsain. Arra gondoltam, hogy csak ekkor váltok rajta a majd sebességet, igy nincs a szalagnak/fejnek semmi köze hozzá.
Felrakok két képet amin látszik hogy is néz ki a filces szalagnyomo. Egyet szereztem használtan, azért van kettő, a másik csak átmenetileg van szig szalagozva. Nem tünt vészesen vastagnak a másik, azért is probálkoztam vele. Meg, amit használtan vettem nyomot arról nem volt rendesen leszedve a ragasztó, ill ott is volt ragasztó maradvány ahol a régin egyáltalán nem volt filc. A "borotválástol" kicsit tartok, nehogy belevágjak a hordozóba, de ovatosan megpróbálom. Arra gondoltam, hogy leszedem amennyire lejön, aztán egyszerűen forditok rajta és a másik oldalára ragasztom az újat. Első ránézésre szimmetrikusnak/fordithatónak tűnik, de majd nagyitóval megnézem. Service manualom van hozzá, de azon csak az elektronika van, jelen esetben nem sokat segit. Megpucolom az egészet rendesen és ujra összerakom.
Valoszinüleg körömmel vagy müanyag pengével - autos jégkaparo - is le fogod tudni venni a filcet.
Meleg szappanos vizben megmostam a gumikat. A capsaint meg foltbenzinnel, szépen összerakva remekül működik a vékonyabb filccel
![]() Megtaláltam a használati leirást, meg azt is benne hogy stop üzemmódba kell sebességet váltani(capsain persze forog közben) Köszönöm a segítséget!! Egy dolog még nem stimmel rajta, a felvételi automatika.. Berakom pauseba, adok neki értelmes jelszintet, aztán pár másodperc után visszaveszi a jelszintet kb 3dB-n tőllévés miatt ez rendben is lenne, de valahogy a jelszinttel együtt a mélytartomány egyben eltűnik.. mint egy felüláteresztő szűrő.. Igy szól: https://www.dropbox.com/s/ss4n2trqvoimv5p/VID_20220106_135241.mp4?dl=0
Gratula.
Az automatikához nem tudok szolni. Az ilyen magnokon nem igen szokott lenni, és annak a müködése sok mindentöl függhet. Nem is igen látom a képen hol kell azt kapcsolni. PS. Csak nyelvi komment. A hangtengely angol neve capstan ( t-vel és i nélkül).
Közben utánnanéztem, ez a gép csak automatikával tud felvenni. Ahhoz valoszinüleg jol illesztett jelforrás kell. A mai szerkezetek (meg a távolkeletiek) más szinttel dolgoznak/dolgoztak, mint a korabeli német technika (5 polusu DIN csatik) , ezért azt tisztázni kell milyen jel is jut a gépbe, mert az automatika ilyesmire elég érzékeny.
Ha van olyan jelforrásod ahol változtatni tudod a szintet, probálj alacsony szintröl lassan felfelé menni és a VU méteren figyeld meg mikor áll meg a mutato, és több jelre már nem reagál. Ez a szint, ahol az automatika el kezd beavatkozni. Egy kicsivel visszavéve a szintet hallgasd meg milyen lesz a felvétel. Lehet, hogy kompressor is van benne, azaz az alacsony szintet emeli, a magasat meg visszaveszi. Akkor meg duplán fontos megtalálni az optimális jelszintet. Lehet, hogy majd egy kábelt fog kelleni csinálni valamilyen osztoval, hogy jol illeszkedjen a jelforrásodhoz.
Most egy kinai DAC ról hajtom aminek RCA kimenete van és van RCA->Tuchel kábelem.
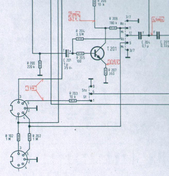
Sajnos nekem is az a félelmem, hogy saját magamnak kell "beállítani" a jelszintet neki. Csak nem nagyon értem, hogy akkor mire jó az automatika, mert ha dinamika kompresszort játszik akkor az nem a legjobb. Egyszerűbb ha lenne rajta normális poti amivel a jelszint állítható.. de hát nincs Becsatolom a rajzot (meg a leiras ezen részét), hátha valakinek segit. A hozzászólás módosítva: Jan 7, 2022
Az alulrol a második DINbe kösd a hangot, ha jol emlékszem az akkoriban 5mV volt az érzékenység, szoval kb ekkora jelet illik a bemenetre küldeni.
A hozzászólás módosítva: Jan 7, 2022
Igy van, oda kötöttem, a leirás "Radio" bementnek hivja.
Akkor ez lehet a gond, 5mV? Az nagyon kicsi érték.. a DAC line out szintű jelet ad ki, gondolom 1V, mondjuk akkor megmagyarázza, hogy mért volt hajlandó szolni csak úgy hogy a Win-ban a hangerő csúszkát 1% ill 2%-ra raktam.. már nincs hová visszavenni.. marad a poti Ilyen kicsi volt a vonalszintű bemenet?? Aha, ahogy most irom közben jövök rá, hogy ez lényegében ez nem vonalszintű bemenet, hanem átjátszás(Orion SE260 esetben) ha nem tévedek.. (sajna már kazettás decken szocializálódtam, annak meg vonalszint kell) Most hogy felütöttem a leirás ezen részét, rájöttem hogy az "end tape stop" funkció sem megy.. de mindegy, a felvétli szint fontosabb. Nem tudom fejből, hogy a DAC kimeneti impedanciája mennyi, de a lirás alapjan 50kOhm kellene legyen, kell valami illesztéssel bibelődnöm? A photo lehet hogy 100mV és 10V között vesz jelet? Egy pillanat leirás alapján a radio is 5mV és 0.5V között fogad jelet. -> Akkor kéne neki mennie vagy illesztési gond van? Most már totál összezavarodtam A hozzászólás módosítva: Jan 7, 2022
Az lesz biztos a gond, mert valamikor a német szokás ekkora szint volt. A mai computeres világban meg ilyen alacsony szint alig fordul elö. Valamikor a Panasonic olyan kábelt csomagolt a magnoihoz amiben már volt egy jo oszto. Most neked is az fog kelleni.
A phono magasabb szintü. ( valoszinüleg az akkor divatos piezo pickuphoz). Azt is probálhatod, de ott meg az lehet a gond, hogy a DAC kimenete nagyon kis belsö ellenállásu, igy oda lehet, hogy 1 MOhm fog kelleni sorba kötve a bemenettel Csinálj kezdetnek egy 1:10 osztot vagy rakj oda egy potit. Meglátod mi lesz. Ha majd eltalálod az optimális szintet, meglátod, hogy milyen ellenállások fognak kelleni ( probálkozz egy 1 MOhmos potival). Ha valamelyik tul nagy, akkor esetleg még kompenzálni is fog kelleni.
Rendben, megpróbálom az ellenállás / poti változatot.
Egy másik téma. Hogyan kell meghatározni, hogy mekkora magnószij kell? Mondjuk megmérem cérnéval ahogy tudom aztán mondjuk veszem a 90%-t vagy van valami ökölszabály rá?
Általában nincs. A cérna elég szokott lenni ha rugalmas a szij, ha nem akkor szokott gond lenni, mert az nem nyulik.
Van egy cég, aki gyárt mindenféle szíjat magnókhoz. Ha megadod a méretet meg is csinálják. Ha nem sikerül, akkor megcsinálják újra. Nekem is csináltak, a második lett jó. 2...3 ezer Ft volt. A linkjét is feltettem valamikor tavaly, tavasz környékén.
Ha a vékonyabb filcen a korábbi képen levő kettő közül a vékonyabbat érted, akkor az lesz a jó. Gyárilag ilyen, nem is igazán filc, inkább valami szőrmeszerű anyag van ezeken, elég vékony rétegben. És a mechanika igényli is, már az 1 mm körüli utólag rárakott filctől is elkezdhet nyávogni kevésbé jól tapadó szalagokkal. Még vastagabbnál meg el se indul rendesen. Ugyanezt végigjátszottam a szintén Grundig alapú ZK140-es Unitránál. Most kapható barkács filccel gyakorlatilag nem lehet jól összehozni.
A DIN csatlakozó illesztésénél nem is feltétlen kell teljes feszültségosztó, elég lehet egy 100k körüli soros ellenállás is a jelútba, ami a bemeneti impedanciával alkot osztót. A legtöbb japán erősítőben is így oldották meg az európai szériákban, hogy legyen egy ottani szabványú magnókimenet is rajtuk. Ezt akár a készülékbe is beépítheted, ha korabeli erősítővel nem tervezed összekötni. A hozzászólás módosítva: Jan 7, 2022
Buék mindenkinek!
Muszáj megosszam veletek a zombi Revox C36-osom legújabb fejleményét. A mellékelt képen látható állapotában kaptam, mindent zéróból építek vissza. Igaz még kitcsit nyávog, de ez a felvétel már rajta készült ![]() Bővebben: Link
Megcsináltam az osztót. 500kOhm és 100kOhm párositásal és tökéletesen működik.
![]() Lady Gaga gyönyörüen 0dB-ig megy ki, a többi számnál zenei tartalom függő, hogy mennyire megy ki a kivezérlés, de legrosszabb esetben is 3dB-be nyal bele épp néha néha egy egy olyan tartalomnál. Egyébként úgy néztem, hogy sima 100kOhmmal is megy, osztó nélkül, de ugy döntöttem, hogy inkább az osztós változatot hagyom meg. Még valami értelmezhető kábelezés-tuchel kombót csinálok neki, hogy ki is nézzen valahogy. Köszönöm a segítséget mindenkinek!! A hozzászólás módosítva: Jan 11, 2022
Esetleg még hallgasd mert ilyen nagy ellenállásokon már néha elveszik egy kis magas komponens. Ezt jo füllel gyakran összehasonlitva az eredetivel idövel észreveszed. Akkor egy kisebb ( <500 pF) kondival párhuzamosan kötve a 500k ellenállással lehet valamit javitani a hangzáson.
Arra gondolsz, hogy inkább induktivitásba megy már át nagyobb frekin?
Igazából berakhatok 100k / 100k -osztot is.. összehasonlitani jelenleg nehézes, mert ennek beépitett ovál hangszórói vannal.. azon szerintem nem hallani nagyon a különbséget. (Azt néztem a rajzon, hogy a lemezjátszóról 1M Ohm van sorba kötve)
Majd meghallod. Nem induktivitásrol van szo, hanem a bemeneti kapacitások alkothatnak a nagy osztoval egy aluláteresztő RC tagot, ami elnyelheti a magashangokat.
A gramo bemenet az más, mert az kristályos hangszedőre van méretezve.
Akkor összerakom a 100k / 100k változatot, vagy esetleg 100k / 50k (1:3).
Nagyjából mindegy nekem az osztás aránya csak legyen valami.. ugy gondoltam. 100k-nál is kell a kondi akkor?
Ha nem hallod a különbséget, akkor nincs semmi gond. Felejtsd el az egészet.
Ha nézem kapcsolási rajzot és a bemenetnél 1Vref van jelölve, meg pl. a specifikációban a bemeneti szinteknél pl 150mV-at meg pl. bizonyos bemetre akkor ezek effektiv értékek? (gondolom nem csúcs-csúcs)
Egy magnófejről kb 10-15mVpp jön le, ez kb lehetséges, nem? Azért kérdezem, mert most nézek egy táskarádiót aminek van kazettás része és abszolut nem szol. Megnéztem skoppal és semmi jelet nem mérek rajta (pl 1kHz tesztkazetta). Megpróbálok képet feltenni majd róla, de gondolom olyan szinten elkopott a fej, hogy nem működik már. A hozzászólás módosítva: Jan 20, 2022
De a 150 mV effektiv értékek, nyilván van megfelelö 3-6dB tartalék is. Az 1 Vref (p-p) az talán a csucsérték az elektronika beállitásához. Már nagyon régen veszödtem ilyen készülékekkel.
Az stimmelhet, hogy a fejböl 10-15 mVpp jön ki. A kazettás magnoban PLAY modban érintsd meg a fej kivezetéseit erös bugást kell hallanod ( ha minden müködik). Ha bug az erösitö, akkor a fej lehet beteg. Ha nem bug akkor a kapcsoloknál lesz a huba.
Én is a bugó teszttel kezdtem, azért is gondoltam, hogy megscopozom a fejet. Búgot..
Ez egy mono fej, gondolom ilyet már nagyon nehéz keresni, nem is ér annyit az egész. Lecserélhetem mondjuk egy stereo fejre ha a mechanikai rögzitését ill. sávpozicónálst meg tudom csinálni? Az elektronikájához nem akarok ezügyben nyulni. Vagy csak az adott tipusu fejjel fog menni, gondolok lejátszás és felvételi módra(felvétel annyira nem kritikus, elég ha lejátszik éppen). Felteszem az előmágnesezést is illene állitani az új fejhez, EQ gondolom relativ egy táskarádiónál annyira "nem lényeg"..ha nem DIN "out" -n keresztül hallgatom.
Ha szerencséd van, kb. a kazettások 95%-ában szabványszerű a fej felfogatása, jó a helyére mechanikusan bármi más. Sztereo fejet is rakhatsz be akár a két csatornát párhuzamosítva. Vagy a kovacselektronika.hu-n találhatsz mono fejet is, pár száz Ft-ért. De azért az ritka, hogy semmi ne hallatsszon a műsorból fejhiba miatt, legalább valami mély dübörgésnek meg kéne szólalnia.
Mérd meg a fejet ohmos ellenásának kellene lennie. Lehet hogy szakadt.
|
Bejelentkezés
Hirdetés |





















