Fórum témák
» Több friss téma |
Mielőtt kérdezel, a következő két dolgot ellenőrizd!
I. A helyes tápfeszültségek megléte.
II. A kimeneten van-e egyenfeszültség.
Élesztés.
Szia!
Azt már tapasztaltam hogy miként viselkedik a T szűrő , viszont építettem egy preampot ami kompenzálja a db csökkenést! Abban is igazad van , hogy nagyon vágja a középtartományt, és bizony így egy két zenénél keresni kell a hangokat amit a T szűrő "Ellop"! Tervezetben van egy csöves hangszínszabályzó kapcsolás , de sajna semmi konkrétumot nem tudok , melyik illene a vt60-hoz , egy olyat szeretnék ami erősítésben is megállja a helyét ! Neten nagyon sok kapcsolás fellelhető , de nem szeretnék zsákutcába futni, így érdekelne , van e konkrét kapcsolás amit ajánlanál , esetleg előfokkal együtt! Nagyon megköszönném! Egyébként a legjobban annak örülnék ,ha létezne egy olyan kapcsolás amivel elérem az expander hatást, és nem kell hozzá speciális itthon nem beszerezhető alkatrész.... Most jelenleg megépítettem hozzá egy LM1036 szabályzót ami annó, reloop fórumtársunk módosított, elég jónak mondható , ez kicsit ellentmondásos lehet ,mert ugye nekem a triódás csövesemmel nem tudott megbarátkozni amit meg is jegyeztem a fórumon ,ha jól emlékszem! A baj annyi vele , hogy eltűntek azok a meleg lágy hangok amit egy baxandall féle hallat, szóval megvan a dinamika , de nem olyan kellemes mint egy tranyós! "Lehhalkabb jelforrással meddig kell feltekerni a hangerő potiját, és az milyen karakterisztikájú" Sajnos nincs megfelelő műszerezettségem , mondhatni kontár vagyok , szeretnék felérni a nagyokhoz elméletben , és műszerezettségileg is ,de ez egyelőre kivitelezhetetlen...
Nem is annyira a FET-en van a lényeg. Ha most egy 8 Ω 400 W-os erősítőt kéne építenem (160 Vpp, 10 A csúcsáram) és nem lenne szempont sem a költség sem a hatásfok, akkor is a szóló erősítőt választanám az egyszerűsége és az ebből fakadó megbízhatósága miatt.
Ettől még nyugodtan hidalhatsz. Magam is építettem jó pár hidalt erősítőt, azt sem mondhatom, hogy rosszak a tapasztalataim, de a gyakorlat azt mutatja, ezek vannak a polcon a hagyományos kapcsolásúak muzsikálnak mellettem
Lehetetlen nincs , csak tehetetlen!
Nehéz műfaj ez!
Jó hangú, azt alá tudom támasztani, de nem bírja annyira a gatyalengetőt mint az M60-as.
Márpedig amit én hallgatok (deathcore) az eléggé súlyos. A Vt60 nem metal zenékre való, nagyobb hangerőnél már nem bírta ezt a tempót mosódás nélkül visszaadni. Könnyűzenére viszont tökéletes!
Az LM1036 szépen visszafogja a minőséget..
Subjektív vélemény, de 4-5 digitális hangerő szabályozót kipróbáltam, de mindig akkor szólt a legjobban amikor mezei potenciométer került be helyette..
Szoktam csinálni hangszín szabályzót hangszerekhez. Mivel nem tudjuk kinek mi tetszik, ezért egy 32 sávos ekvalizerrel beállítom a hangzást, rózsa zaj és spektrum analizátor segítségével lekoppintom az átvitel, majd a Karesztól kapott CM2000 segítségével leszimulálom, milyen kapcsolás tudja ezt az átvitel reprodukálni. Ez annyira bejött, hogy a kis pedálba nincs is csak egy poti a színt beállítására. A hangszín fixen ott van.
Vannak szoftveres eq alkalmazások, azokkal is le lehet lopni hogy milyen átvitel tetszik. Sajnos ez egyén, zene, meg hangsugárzó függő. Terveznék neked szívesen személyre szabott hangszín szabályzót, de kellene hozzá a füled.
Talán igaz, viszont az sem mind1 milyen csőkészlettel készítetted , vagyis nálam más a helyzet , lehet hogy éppen javulást eredményezett az ,hogy nem a kapcsolási rajzban szereplő csöveket alkalmaztam !
Kifejezetten jól szól rock zenével , sőt gond nélkül megbirkózik vele, az már mástészta , hogy még mindig hangszínszabályzós gondjaim vannak ! Amint időm lesz építek egy csöves szabályzót hozzá!
Sajnos én is azt vettem észre , hogy amint visszakerült a szimpla tranyós , merthogy már vissza is került
, azzal máris szebben cseng!
A fülemet postán elküldhetem ,de csak utánvéttel!
Na jó csak tréfálok ! Teljesen igazad van , ahogy más fórumokon is olvasgatok , az emberek legalább 80%-a megköveteli hifinél a hangszinezést! Amit leírtál ahhoz nekem sajnos nincs kompetenciám ,sem műszereim!
Egy PC hangkártyával is meg tudod csinálni. Egyébként, régi win XP._s PC, SB Live hangkártya, lejátszó szoftver és tud mindent, semmit nem kell eszkábálni mert van benne loudness, hangszín, hangerő de még eq is.
Nos, hogy miért emeltem ki a fetet? Egyszerűen azért, mert minél több fetet akarunk használni, és minél nagyobb sávszélességben, annál komolyabb meghajtás kell a bemeneti kapacitások miatt. A vf2 esetén tudtommal nem sikerült kiküszöbölni, pedig elég hosszas projekt volt itt a fórumon is. A másik, hogy ha 8Ohm 400Wattra épül az erősítő akkor bukom a 4Ohmos terhelhetőséget, ami a híd esetén nincs kizárva. Tudom, hogy 90Voltra is lehetne 4Ohmmal terhelhető erősítőt csinálni, de akkor az alkatrészek mennyisége, illetve a táp miatt már ott lennék mint a híd esetében. Illetve az már egy feleslegesen nagy teljesítményt jelentene a kimeneten is.
A Bajis projekttel hogy haladsz? Bővebben: Link
Régen láttam ilyesmi rendszert! Már csak a mindenkit megszomorító ALS4000 hangkártya hiányzik!
DSajnos nincsen a körzetemben olyan akinek lenne ilyesmi, egyébként egy laptopnak jobban örülnék , ha tudok rajta ilyesmit mérni! PL az sem lenne hátrány ha az arduino panelre lenne kifejezetten oszcilloszkóp progi, vagy esettleg még összetettebb , mondjuk oszci generátorral, analizátorral stb!
Megtisztelő, hogy emlékszel a múltbéli próbálkozásaimra. Nos, meg vannak. Meg van a szintén fetes kínai csoda is. Ha jól gondolom, a Baji esetében is a gyenge meghajtás lehet a magas hangokkal kapcsolatos problémák kulcsa, ugye? Nincs lehetőségem megnézni a kimeneti jelalakot, de kíváncsi lennék rá.
Csak azért írtam, mert az egy nagyon jó minőségű kártya volt a maga korában, de már win7 alatt sem ment. És ha van egy olyanod ahhoz tényleg nem kell semmi, mert minden benne van. Én egész addig azt hallgattam amíg xp-s gépem volt.
Egyrészt, másrészt ha megnézed annak a bajinak az eredeti rajzát akkor azon látszik hogy abban audió fetek vannak, nem irf meg irfp. Persze mivel ezek töredékébe kerülnek ezért ezt sokan így rakták össze maguknak, aztán csodálkoztak a végeredményen. Volt nekem is belőle egy 30W-os változat de kicsit sem hatott meg a hangja. Mondjuk van akinek így is tetszik.
Nekem volt Bajis fetesem,nekem tetszett a hangja,vagyis nem volt rosszabb mint a többi egyszerű épitésű végpaneloknak.
Volt Quad-om is annak meg nem tetszett a hangja és szerfölött idegesített hogy nagyon melegedett. Lehet maradi vagyok de nem szeretem a nagyon melegedő elektronikát. De ez csak az én véleményem.
Igen. Az olyan kapcsolások minőségétől nem is félnék, amik az erre kitalált fetekkel vannak kivitelezve. Csakhogy azok 4-5000 forintos áron mozognak. Itt merül fel a kérdés, hogy az olcsó fetek használata helyett nem lenne-e jobb egy bjt végű erősítő
A magas hangokkal kapcsolatban milyen problémák adódtak? Hirtelen nem is tudnék olyan kapcsolást megnevezni ami ne teljesítené a 20 kHz-et 1 dB-en belül teljesíteni.
Úgy rémlik, mintha 15-20kHz körül számottevően csökkent volna a kivezérelhetőség. Illetve az a bizonyos hang, ami a nem audio fetek használata miatt van.
Igen , nekem is volt! Amióta komolyabb a számítógépem , azóta nem is tudtam olyan "szép" hangot pc-ből kinyerni! Nekem abszolút király volt a sound blaster!
Az audió feteknek is van bajuk. Például igen magas RDS on értékkel rendelkeznek (1 Ohm), valamint nagyobb áramoknál akár 10V is lehet az UGS. Ez pedig azt jelenti, hogy lehet pakolni őket párhuzamosan. 4 Ohmos terhelés esetén két párt illik tenni még kisebb teljesítményén is.
Bár mindezekért kárpótol a nagyon stabil nyugalmi áram.
Eltérőek a tapasztalataink, de nem célom a FET-es erősítő Rád tukmálása
Azért nem reménytelen a helyzet. Kell egy minőségi USB panel, és egy jó minőségű DAC hozzá.
Tudom ajánlani az ES9038q2m-t, és mindjárt más a helyzet.
Egyáltalán nem érzem tukmálásnak a részedről. Én pedig, egyszerűen csak valami nyomósabb érvet várok, ami érthetővé teszi, hogy melyik is lehet a jobb választás. Mivel az egyiknek +-60V, a másiknak pedig+-90V kell, így aztán a későbbiekben nem igazán lehet variálni rajtuk. Kicsit visszatérve az előző témához, itt például felmerült a romló magas átvitel
Bővebben: Link
Lehet variálni a 4 vagy 8 Ω terhelést a végerősítő módosítása nélkül. Esetedben a 2x65 VAC trafó szekunderre kell 2x45 VAC-nál csapolás. Alacsonyabb feszültségre kapcsolva 4 Ω-ra adja le a 400 W-ot. Ez ugye nem 200 W mint a híd fele
![]() A VF2-nél az egyik megoldási lehetőséget az alábbi ábrán bekarikáztam, a meghajtók számának növelését pedig Te is ismered.
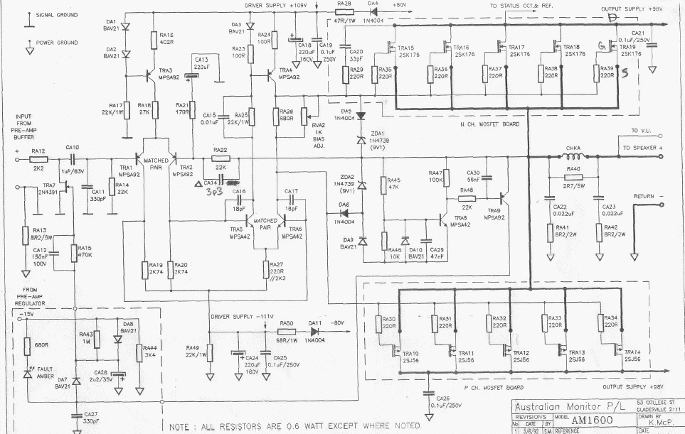
Látom nem lehet a kedvedre tenni, így mutatok újabb 3 gyári rajzot. Az AM1600 az a baji féle eredeti? gyári változata, audió fetekkel, tulajdonképpen erre a kapcsolásra épül az Apex200 is csak korrektebb kivitelben és a fetek helyett tranyós véggel. A másik kettő koppintásából meg épülhettek (születhettek) a PA300 és hozzá hasonló rajzok. Ezek valamelyikét vagy az apex-et választanám a helyedben.
Tehát lényegében egy ilyesmi kapcsolásra gondolsz végeredményben? Ez egyebár pont 70/90Voltra készült,4/8Ohmon.
Egy videó az apex-ről, szimulátorban mérve, megépítve egy jónak tűnő nyáktervvel.
Nem érzem úgy, hogy ne lehetne a kedvemre tenni. Csupán némi ellentmondásba ütköztem. Az én szemszögemből, azok alapján amiket eddig olvastam, stb, az Apex minőségben jobbnak tűnik az említett fetes kapcsolásoktól. Egyedül a hidalás kérdése az ami miatt dilemmázok, és erre viszont reloop azt írta, hogy ő a híd helyett egyértelműen szimpla erősítőt építene. Lehet-e annyira rossz, vagy felesleges a híd, hogy helyette egy fetes kapcsolást válasszak? Illetve rosszabbak-e annyival a fetes végek minőségben, hogy megérje az Apexen gondolkodni? Vagy esetleg tök felesleges ezen témázni, mivel mindkettőnek anyi a pozitívuma és a negatívuma a másikkal szemben, hogy nem lehet egyértelműen eldönteni?
A hozzászólás módosítva: Feb 1, 2022
|
Bejelentkezés
Hirdetés |





, azzal máris szebben cseng!




