Fórum témák
» Több friss téma |
Na igen, ez már a fáradság jele, nem jó helyre húztam a vezető sávot, ez fel sem tünt. Valamit a bemenetnél is jól belekavarodtam. Felcseréltem a 9 és 11 lábak funkcióját.
Köszönöm az észrevételeket!
Javítottam a hibákat.
A +Vcc vezető sáv rátéve a kondira, a puffereket elforgattam 90°-kal, így javult kicsit a huzalozás. Bemenet javítva, 9 láb gnd-re rakva és a 7 láb is kapott egy becsatoló kondit. Ennek ügyében érdeklődnék, hogy a rajzon a híd egyik becsatoló kondija testre van téve. Első nyáktervemnél felhívtad a figyelmem, hogy vállsszam szét a jel és táp gnd-jét. Most úgy fest a nyák, hogy az ic mind két bemenete egy-egy kondin keresztül megy egy 2 pólusú csatlakozóra. Gyakorlatilag magam döntöm el, mejik lesz a jel és a jel föld. Ez maradhat így, vagy az egyik bemeneti ágat húzzam testre egy néhány ohmos ellenállással? Remélem kihámozható mit írtam, nem akarok még egy NyÁK rajzot feltölteni.
A 7 és a 11 lábak közül szabadon választasz melyikre adsz testet és melyikre megy a jel. Amelyikre a jelet kötöd, annak az erősítő résznek a kimenete lesz a hangszóró +.
A mellékelt ábrára háromszög-alakú jelföldet rajzoltam. Ezt elég egyetlen ellenállással elválasztani a teljesítmény földtől, hiszen a jelforrásnál úgyis össze lesznek kötve. A jelföldek egy elkülönített rendszert alkothatnak. Amennyiben ezen végerősítő tápfeszültségét nem használod más jelfeldolgozóhoz, mondjuk előerősítőhöz, akkor elég a csillagpontos testkialakítás, a 10 Ω-ot nem kell beiktatnod. Nyugodtan tölts fel rajzot, jó ha más is átnézi. Az előbbin is a bal IC táplábai közé zárlatot rajzoltál, amit bizonyára orvosoltál azóta, de ha mégsem, akkor kellemetlen meglepetés ér. A hozzászólás módosítva: Dec 3, 2017
Köszönöm a segítséget, ismét hasznos volt! A C8-cat, a 9 lábat is teljesítmény testre kötöttem. Akkor ezeket még javítom.
Az erősítő önmagában lesz üzemeltetve, tehát a tápjára semmi más nem lesz rákötve. Azt a zárlatot észre sem vettem feltöltéskor, az egy csoportos átmozgatás miatt alakult úgy. Természetesen javítottam.
Nos, megfogadva a tanácsokat, ez született.
Jel és táp föld szétvéve, mindkét bemeneten csatoló kondi, az esetleges későbbi előerősítős bővítés lehetősége miatt a 10 ohmos ellenállás is betervezve. Mint írtam, a pufferkondikat elforgattam, és a táplálás ketté vettem. Remélem ezen a kis távolságon ez nem okoz szimmetria problémát!
A zárlatot a táp ágban észrevettem (most).
Apróság, megesik
![]() Tudnád úgy korrigálni, hogy az 1000 µF kondik lábáról külön induljon a táp az IC-khez? A test-vezetés szerintem hibátlan.
1-es lábak egyszerre +Vss-t és -Vss-t kapnak!!! 3-as lábak nem kapnak semmilyen tápfeszt!!!
A 0,1 µF-os kondik ELKO-k??? A hozzászólás módosítva: Dec 5, 2017
Úgy, hogy ne így "villában" menjem a tápfesz, hanem mint két IC kapjon saját táplmlást?
Ha a panelt megnyújtom és az elkókat lentebb teszem, szerintem megoldható az ami az előzőnél volt, csak két oldalra és nem teszek átkötést a két IC közé. Gadypapa: elsiklottál egy fontos momentum felett: jeleztem, hogy a zárlatot észre vettem! De köszönöm hogy szóltál! Iggen, a 0,1µF kondik nem 100n kerámia kondik, hanem elkók. Egy gyári hifi végfokját éppítem újra, de smd ellennállásos és elég rossz sáv vezetésű, hogy azt alakítsam át. Ezért új panelt kap. A gyári végfok is elkókat használ. Meglepő számomra is, de mivel bontásból építek, az megy vissza is. Rosszabb minőséget nem kap, sőt, a híd miatt még javul is a torzítási tényező. A hozzászólás módosítva: Dec 5, 2017
Szia! 2 dolgot látok:
1. a kondi lábai közt mintha vezetősáv lenne, így zárlatban van, 2. a vezetősáv túlhúzása.
Úgy van! Köszönöm, ezeket a hibákat észre sem vettem!
Ezek az alkatrész mozgatásából eredő hibák, mikor ki kapcsolom a vezető sáv alkatrész követését. Azt hiszem alaposabb önellenörzést kell végeznem!!! Gadypapa: Szivem szerint a táp puffereken kívül az összes elkót kihajigálnám belölle és jó minőségű fóliákat, vagy polipopilén kondikat raknék bele. De akinek készül, annak tökéletes ezzel a minőséggel is. Nem nagy munka átrajzolni, és teljes kompatibilis a 7269 és a 7265. Utóbbinak szebb hangja is van, van is belőlle, lehet megépítem 65-tel és jobb kondikkal...
Én hasonlóra gondoltam.
Köszönöm a javaslatot!
Még kicsit csinosítottam rajta, és reloop elgondolását tovább vittem. Gadypapa aggályát is fontolóra vettem, dobtam még fel pár forszemet, hogy lehetőség legyen fólia kondi használatára is.
A részleges tele főlddel remélem nemlőttem túl a célon... ?! Egyébként nekem most itthon, egy 7265 muzsikál egy Thonet & Vander Hok aktív dobozban. Kategóriáját tekintve és a doboz szoba érzékenységét leszámítva, szépen szól a kínai német (low cast) hangdoboz. Egy ledöglött Genius aktív 5.1-ből van hátramaradva még 7265, ha már ennyi munkát és időt fektettem bele, mostmár kíváncsi vagyok, hogy jobb kondikkal, alacsony tápfeszen hídban, mit produkálhat?
Sziasztok! Egy villámkáros 5.1 házimozi rendszer átépítésével foglalkozok. A végfokokon kívül minden halott benne. A tulaj kérése az lenne, hogy alakítsam át úgy, hogy három sztereó csatorna legyen és az egyes csatornák bemeneteit közösítve egyetlen sztereó jelforrásról lehessen meghajtani.
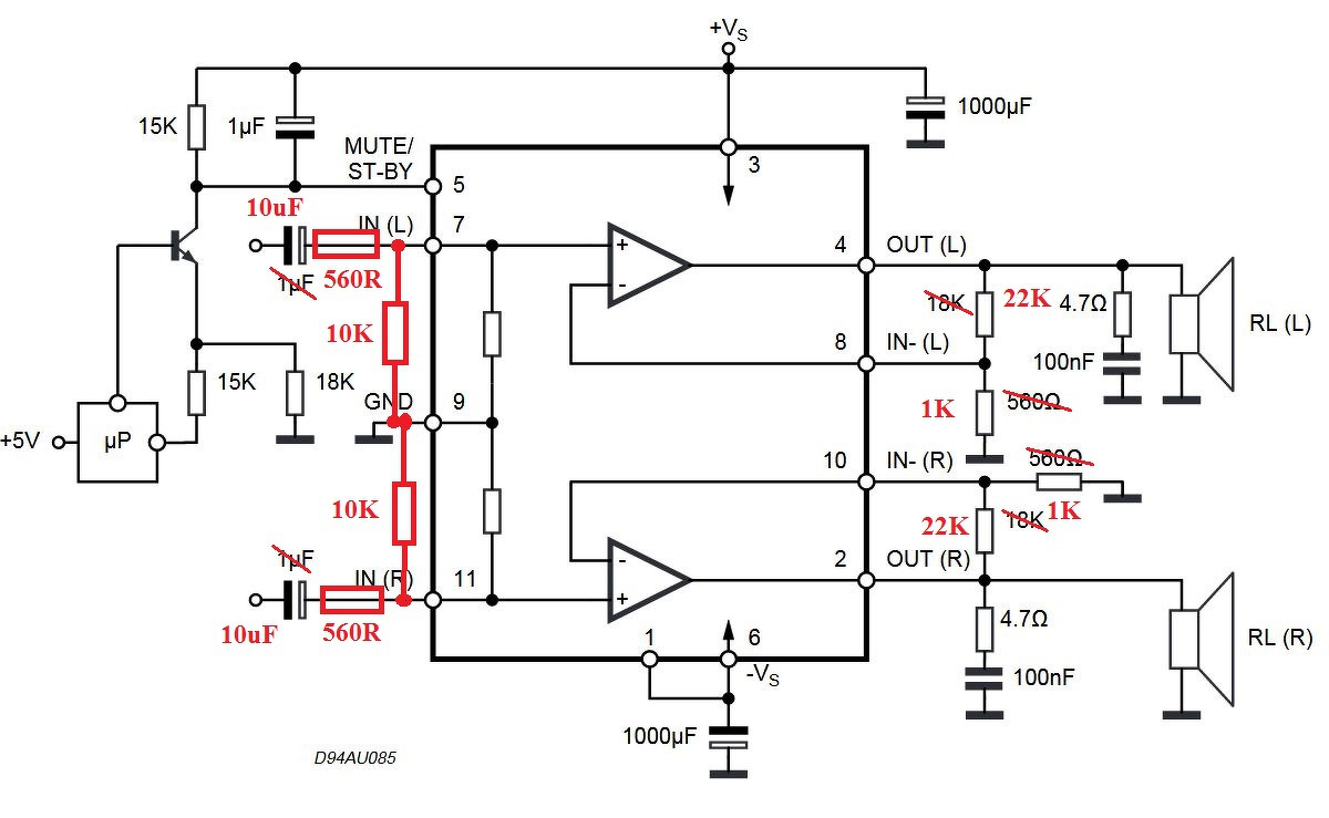
Két TDA7269A és egy TDA7265 IC van benne. Előbbiek a „Front” és a „Rear” hangszórókat hajtják meg az utóbbi a „Center” és „Sub” csatornák. Bemeneteiket már leválasztottam a készülék többi részétől és kikábeleztem, működik is minden csatorna külön-külön szépen. (Az adatlapból kiollózott rajzra rávezettem az erősítőben alkalmazott alkatrész értékeket. Az erősítést meghatározó alkatrészek értékei mindegyik csatornánál ugyanazok, csak a "Sub"-nál a 22K helyett 56K van!) Egyik kérdésem az lenne, hogy mit változtassak az egyes erősítők bemenetén lévő alkatrészek értékén, illetve milyen megoldással köthetem össze a bemeneteket, hogy az egyes csatornák ne hassanak egymásra, és ne terheljék le túlságosan a jelforrás kimenetét? (illesztő erősítő?). Másik kérdésem, hogy az erősítést beállító ellenállások értékein változtassak-e, legyen minden csatornán 22/1K érték, vagy mehetek feljebb a 22K értékével. A jelforrás valószínűleg egy ilyen modul lesz, vagy egy hangszín szabályzó kimenete. Köszönöm! A hozzászólás módosítva: Máj 23, 2018
A nagyon "hosszú" témában nehéz megtalálni az első ( ! ) oldalon a gyári ajánlást:
TDA7265, hídban
Üdv! Ha az egy IC-n belüli csatornák párhuzamosítására, majd abból híd kialakítására gondolsz, az elvileg kivitelezhető, de a gyakorlatban a fellépő veszteségek miatt alig észlelhető többlet teljesítmény és a párhuzamos csatornák nem igazán üzembiztosak.
Nem volt nehéz mert az első oldaltól néztem át a témát és az IC adatlapját is átnéztem.
De ahogyan reloop is válaszolt én konkrétan úgy gondoltam el. Az IC-n belüli párhuzamosítást majd azokból a hidat.
Hello. Igen konkrétan erre gondoltam.
A "gyári" IC adatlapján van az "alap" kapcsolás. Az a lényeg hogy megvalósítható. Mekkora az a veszteség amivel számolni lehet? Érdemes-e megtervezni, megépíteni?
A párhuzamosítástól nem lesz több a kimenő feszültség, csak alacsonyabb impedanciával is terhelhetővé válik az erősítő. Az elvileg elérhető teljesítmény kétszereződésből még lejön a keresztirányú áramot korlátozó ellenállások vesztesége Bővebben: Link.
Az eredmény hangnyomásban alig érzékelhető. A megépítése teljesen haszontalan kísérlet. A párhuzamos tagok csak idő kérdése mikor nyírják ki egymást. A rendszerben rejlő 80 W / 4 ohm diszkrét alkatrészekkel egyszerűbb, olcsóbb és lényegesen megbízhatóbb, lásd VF2.
Hali!
Látom alszik a téma. Létezhet az végfok IC nél az egyik fele jól szól, a másik fele recseg. (egy IC-n belül) Az az érdekes, hogy mind két oldalon ugyan az a hiba jelenség. (R/L) Ha a meghajtási oldalon lenne gond, akkor a másik fele is recsegne.? Szerintem.
Szia! Nem gyakori, de előfordulhat, hogy az IC egyik csatornája hibásodik meg. Forrasztással, passzív alkatrészekkel ugyan úgy lehet gond. Bemeneti csatoló szivárgó árama is okozhatja a recsegést.
Nem tudom, hogy elég érthetően írtam e.? Mellékelek egy képet. Az egyik IC nek L/R meghajtója, a bal oldali első hátsó hangszórót hajtja. A másik IC L/R meghajtója, a jobb oldali első hátsó hangszórót hajtja. Mind két IC ből a hátsó meghajtók recsegnek. Az első meghatók tisztán szólnak.
Várom a további ötleted.
Ismert a készülék típusa? Kereshetnénk hozzá dokumentációt.
Annyit sikerült kivenni a fotóból, hogy van benne Dolby áramkör, ami akár a hiba forrása is lehet. A TDA7265 tesztelése mindössze annyiból áll, hogy a bemeneti csatoló kondit kiforrasztod és a helyén viszel be jelet. A külső jel csatolására kisebb kapacitású kondenzátort is választhatsz és lehetőleg ne elkót.
Számomra érdekesség/furcsaság, hogy a két különálló IC nél, ugyan azaz oldal hibás(recseg). Az IC(k) másik oldala jól, tisztán szól/működik. Bemeneti jelnek, IC táp ellátásnak jónak kell(ene) lenni. Szerintem.
Az IC601 hangerőszabályzó a két csatorna közös pontja.
A rear, front szatellit hangszórók keresztcseréjét próbáltad már?
Természetesen, felcseréltem már őket. Biztos hogy a fényképen általam be jelölt ponton jön ki a recsegés. Az IC-k 2 lábán. Köszönöm a segítséget, és várom atovábbiakban is, de a késő du.táni órákban tudom folytatni.
Nem találok ilyen pozíció számú IC-t. IC601-es.
|
Bejelentkezés
Hirdetés |





















