Fórum témák
» Több friss téma |
Fórum » Labortápegység készítése
Bocs, hogy belekotyogok és ez csak a magánvéleményem. Ezekről az agyonbonyolított szerkezetekről nekem nincs jó véleményem és amatőr körülmények között nincs is szükség rájuk. Még a védelem védelmének is van figyelő-áramköre. Egy leggyengébb pontja mindig lesz a "láncnak" ami előbb-utóbb téveszteni fog valami miatt. És minden egyes plusz áramkör egy-egy új hiba lehetőségét is magában rejti.
Tudom, nálatok egészen másról van szó - Ti egy tökéletességre mindenben törekvő "műszert" alkottok, aminek biztosan meg lesz majd a saját felhasználási területe és ott nélkülözhetetlen lesz, mert az ennél kicsit rosszabb, az már használhatatlan lenne. De egy magamfajta amatőrnek (ahogy Alkotó is célozgatott ilyesmire) nincs szüksége erre. A saját +/- 28 V-os, Jaxley-vel tized Volt pontossággal állítható szintén legalább 30 éves "labortápom" eddig még minden célra tökéletesen megfelelt. Ezt használom mindenféle kísérleti panelek kipróbálásához, ezzel fúrok menetet, ezzel töltök akkumulátort, ezzel javítok erősítőt. Ezerszer rövidre zártam már, de ő csak teszi a dolgát. Szerintem túl fog élni még engem is. A hozzászólás módosítva: Máj 23, 2022
A labortáppal kapcsolatban az egyik cél az volt, hogy ne kelljen mellé egy pontos multiméter, hanem el lehessen hinni azt amit a rajta levő műszer mutat: tehát a feszültség, áram, teljesítmény, és ellenállás értéket is jól mutassa. Ha úgy teszik ez egy univerzális műszer.
A leggyengébb pont pedig ne a labortáp(ban) legyen, hanem nagyjából legyen bolondbiztos, ill. tönkretehetetlen. A kimeneti csatlakozások véletlen elkötése, vagy éppen a vezetékek sérülése reálisan előfordulhat, tehát erre célszerű védelmet kialakítani. Ha bármilyen készüléken hatásfokot akarunk mérni elfogadható pontossággal, akkor máris elkerülhetetlen a nagypontosságú mérés. Azt sem hiszem, hogy problémát okoz ha egy műszer pontosabb az éppen szükségesnél. Pl. valóban ritkán mérek 6,5 digites multiméterrel, de amikor mégis mérek vele, akkor nagyon jó, hogy meg tudom tenni, és nem csak saccolnom kell.
Hasonlatként még azt tudnám mondani, hogy van aki erősítőt (erősítőket) épít úgy, hogy a tökéletességre törekszik. Ha pedig nem hozza az elvárásokat, vagy akár csak kíváncsiságból, akkor épül a következő.
Egy labortáp esetében könnyebben definiálható, hogy mit kell tudnia az ideális labortápnak, amit aztán egy valóságos készülék csak megközelíteni tud valamilyen mértékben. Ha nagyobb pontosságot, sokkal üzembiztosabb működést, nagyon nagy hibatűrést, stb.. szeretnénk, akkor sejthetően nem egyszerűsödni fog az áramkör. Attól, hogy valakinek nincs szüksége és/vagy igénye ilyesmire, másnak még lehet, hogy igen. És mint látható ezzel kapcsolatban is merülnek fel (szerencsére már nem súlyos) hibák, megoldandó feladatok - ami az egészhez képest már csak csepp a tengerben - és a vége valóban egy jó drága "alkatrésztemető". Megvásárolni egy ilyen tápot elég nagy összeg lenne, így viszont rengeteget tanultunk is a sokféle problémából amivel szembesültünk a táp fejlesztésekor. A leírt problémára is lesz megoldás, és itt is sok kreatív ember fordul meg, sokan építettek labortápot. Ezért merült fel, hogy valakinek lesz jó ötlete ezzel kapcsolatban. Sehol nem írtam, hogy ami kevesebbet tud az használhatatlan lenne, azt írtam, hogy ezen akarok megoldani egy dolgot, és érdekelne, hogy használja-e valaki 4 vezetékes módban a tápját. Mint kiderült ez nem gyakori, de azért elhangzott pár ötlet.
Remélem nem érzed úgy, hogy a legkisebb mértékben is megakartalak volna bántani. Mindig is nagyra tartottam azokat a dolgokat amiket az idő folyamán "letettél az asztalra". Nyilván nálatok most ez jelenti a fejlesztésben "csúcsot" és amit eddig láttam belőle ahhoz tényleg csak szívből gratulálni tudok. Nálam jobban senki nem tudja értékelni azt a fejlesztésbe belefektetett energiát, munkát, időt, a rengeteg töprengést a megoldandó feladatokon - és hidd el, hogy én szívből tudok örülni mások sikerének is, mert tudom milyen érzés az ha hátradőlhet az ember a székében és gyönyörködhet abban amit alkotott.
Csak úgy leírtam, hogy nekem az is jó ami van - de ezt sem keserű szájízzel. De hát nem kell már neked bemutatkoznom...
Idézet: „Mivel a labortáp ellenállást is kijelez, jelen állapotában 5mΩ-ot mutat a két csipesz összezárásakor (tervbe van véve hogy lehessen nullázni) ... Ha nem négyvezetékes módban van akkor kb 35...40mΩ-ot mutat: ennyi a két vezeték együttes ellenállása” Erről jutott eszembe egy másfajta megközelítés 2 vezeték esetén, amit a meglévő tápoknál már nem lehet felhasználni, de elméletben működhetne. Ha nagy pontossággal le tudod mérni a mérővezetékek ellenállását akkor két vezetékes módban is felhasználható a vezetékeknek eső feszültség kompenzálására. A mért ellenállás és az aktuális terhelő áram szorzatával kellene megnövelni a kimeneti feszültséget és ezt kiadni a kapcsokra. A műszer által mért feszültségből pedig ugyanezt levonni és kijelezni. Előnye, hogy továbbra is csak két vezeték kell, ami bármilyen hosszú lehet, csak használat előtt egy rövidre zárással kalibrálni kellene. Nem szedne össze plusz zavarokat a sense vezetékeken. Nehéz elkötni. Hátrány a pontosság és hogy milyen gyorsan tudod követni a terhelő áram változását. Digitálisan valószínűleg nem elég gyorsan, analóg módon meg bonyolult lenne megvalósítani.
Fogalmam sincs mennyire komplikált ezt megoldani, de az alapötlet nekem nagyon tetszik.
Ha a tápegységet valamilyen programozható eszköz vezérli, akkor kézenfekvő ez a lehetőség. De ha alapból nem ilyen a tápegység, akkor is bele kerülhet utólag egy olyan programozható modul, ami a figyeli a vezeték ellenállását, az áramot, és elvégzi a kompenzálást.
Öreg meg rúg egyet az urna oldalába.
Meg árulnak is sok cuccot. De nem csak a mérővezeték ellenállását kell kilőni, hanem az átmeneti ellenállást is.
Én úgy képzelem, amikor a kalibráláshoz rövidre zárod a vezetékek végét, akkor abban minden benne van, a vezeték ellenállása és a csatlakozási pontok ellenállása is.
Hello!
Én a következőképp oldottam meg ezt a problémát: RCA csatlakozó aljzat van a táp kimenetén. RG58U vezetékre forrasztva az RCA dugó. Az árnyékolás a Powert viszi, a középső ér pedig a fesz figyelő. 10A rel teszteltem az árnyékoló harisnya, és az RCA k terhelhetőségét.... Jó minőségű, aranyozott RCA t használtam természetesen. Nagyjából ennyi.
Ha 4 vezetékes kell, akkor ez is egy ígéretes megoldás lehet.
Na de akkor nem tudod azt megmondani a tápnak hogy ha 1V-nál többet akar szabályozni akkor azt vegye úgy hogy nincs a sense vezeték csatlakoztatva (vagy meg van szakadva), ha pedig kevesebbet szabályozna akkor pedig minden rendben van?
Nekem amúgy a labortápom 4 vezetékes (csatoltam a kapcsolási rajzát, de az szerintem több modellt is lefed; az enyém 100V/250mA), igaz én sosem használtam négyvezetékesben mert minek. Viszont mire rájöttem hogy működik két vezetékkel (mikor még csak éppen kezdtem beletanulni az elektronikába) addigra szerintem mindent mindennel sikerült már összekötnöm és azt is kibírta, úgyhogy garantáltan "bolondbiztos" (legalábbis a táp szempontjából). Meg csatoltam egy szintén gyári megoldást bár te ezeket biztosan ismered. A hozzászólás módosítva: Máj 23, 2022
Valóban megvalósítható lenne negatív belső ellenállás, ami a vezeték ellenállását nullára kompenzálja. Más alkalmazásban próbálkoztam is ilyesmivel de gerjedés lett a vége. (50Hz-es, mini áramváltó trafó huzaljának, az ohmos ellenállását próbáltam negatív ellenállással kompenzálni)
A vezetéknek jelentős induktivitása is van, ezért az impedanciája frekvenciafüggő. Ezt is kezelni kellene valahogyan a jó működéshez. Ettől még persze lehet, hogy megvalósítható - de nem eben látom a megoldást.
A gyakorlatban az történik, hogyha a sense és a hozzá tartozó kimenet közötti feszültségkülönbség meghaladja az 1V-ot, akkor elkezdi leszabályozni a tápot, de csak annyira hogy ez az érték ne növekedjen nagyobbra.
Tehát ha a vezetékeken 2x 1V alatti feszültség esik, akkor kompenzál a táp, ha eléri az 1V-ot akkor esni kezd a feszültség (mondjuk mint áramkorlát esetén is, de 2V/15A az eleve 30W-ot jelentene a vezetéken, amitől már forró lenne) Ha pl. megszakad a tápvezeték, és emiatt a sense lábra kerül át a terhelés, akkor átmegy áramkorlátos üzemmódhoz hasonló módba, és csak olyan kis áramot enged át ami nem károsítja a tápot. Amit betettél rajzot ott nagyobb impedanciával dolgozik a táp, a sense lábakon 1,5kΩ van, ez a külső vezeték ellenállásához képest elég nagy, így ez már nem visz be számottevő hibát. A hozzászólás módosítva: Máj 23, 2022
Másik kézenfekvő megoldás az elkötés, szakadás lehetőségének minimalizálása. Ehhez kellene a tápra mondjuk egy hasonló csatlakozó, mint ami a forrasztóállomásra tettél, ebbe fixen forrasztva a 4 vezeték. Ha négy vezetéket használsz, akkor ezen a csatlakozón keresztül kötöd be a vezetékeket, ha kettőt akkor meg banán aljzaton. A kettő között meg egy kapcsolóval válthatsz, ami gyakorlatilag csak a sense és a kimenet-et rövidre zárja.
Tudom, nem erre gondoltál megoldásnak, hanem mit tegyél a tápon belül a sense és kimenet közzé.
Jó ötlet, hasonlót tervezünk is: dugaszolható sorkapocsból létezik, viszonylag kicsi, ami 20A áramot bír. Ilyenből több is elférne, ez előlapon, és a hátlapon is. Kisebb és olcsóbb mint a banánhüvely/dugó páros, és nem nagyon lehet elcserélni a vezetékeket.
A sense és a kimenet közötti ellenállások helyett FET-re épülő (kimeneti feszültségtől függő) áramgenerátort tervezek. Ilyenkor ha a sense lábon kisebb áram folyik mint ami az áramgenerátor árama lenne, akkor a FET teljesen kinyit és összeköti a kimenetet a sense lábbal (ha elég kicsi az Rdson, akkor a bevitt hiba is nagyon kicsi lesz). Ha a vezetéken feszültség esik és be van kötve a sense, akkor 0,1...2mA áram fog folyni a sense lábon ami a sense vezeték ellenállását nézve remélhetőleg már olyan kicsi hibát visz be ami elhanyagolható lesz (Így a FET ellenállása dinamikusan növekszik a vezetéken eső feszültséggel együtt.). Aztán majd meglátjuk, hogy a gyakorlatban is így lesz-e, kivéve ha addig jön egy jobb ötlet és inkább azt valósítjuk meg. A hozzászólás módosítva: Máj 24, 2022
Szerintem reálisan igen ritkán lehet szükség 4 vezetékes bekötésre egy labortápnál! Ugye jellemzően nagy áramoknál nem az szokott lenni, hogy mV pontosságra lenne szükség egy eszköz betáplálási pontján! Márpedig számottevő feszültség csak ekkor esik a vezetékeken...
Kis áramoknál már ritkán, de előfordulhat a pontos feszültség igénye is(nálam még ez is ritkán fordul elő, pedig szoktam mérni néha félvezetők paramétereit is), azonban ilyenkor meg pont alig esik feszültség a vezetékeken. Szerintem minden szempontból sokkal egyszerűbb ezzel nem foglalkozni, amikor pontos feszültség kell, akkor mérjünk ott, azon a helyen, ahol arra szükség van, és ne bonyolítsuk el azzal, hogy megnehezítjük a saját dolgunkat azáltal, hogy min 4 vezetéket használunk, vagy negatív kimenő karakterisztikával kompenzáljuk a feszültség esést! (Ez utóbbi is működik jól, pl precíziós távadók tervezésénél is használtam ilyet) Ha mindenáron 4 vezetékes, precíz tápellátás lenne minden vágyam, akkor én is a már valaki által említett koax konstrukciót választanám, annyira adja magát ez... Max jól ki kellene találni, elektro-mechanikai-kényelmi szempontok alapján, mely kábel típust lenne érdemes használni oda?! Régen készítettem egy ESR mérőt, ami 4 vezetékes elvű, és a kábelezésére RG174-et használtam... Nem volt rossz, de a kis műszerhez pl már szerintem túl sprőd volt az a kábel...
A 4 vezetékes mód valóban nem kell mindig, de azt szeretném, hogy amikor mégis kell, akkor jól működjön, amennyire csak lehetséges.
Idézet: Tudom ez így kiragadott dolog, de: ott a labortápban a pontos feszültség mérő, aminek gyakorlatilag a sense kivezetések a bemenetei, azaz pont azt valósíthatjuk meg vele, hogy ott mérünk ahol éppen kell, de ezt további különálló mérőeszköz nélkül. Korábban egy lehetséges felhasználásként említettem a kis értékű ellenállások pontos mérését (de akár FET Rdson mérés is előjöhet), mivel a labortáp kapásból Ω-ban, vagy mΩ-ban kiírja a terhelő ellenállást. A nagyobb (gyak. tetszés szerinti) mérőáram miatt pontosabban lehet mérni vele kis ellenállásokat, mint asztali multiméterrel.„...amikor pontos feszültség kell, akkor mérjünk ott, azon a helyen, ahol arra szükség van....,” A dolog fizikai megvalósítására (koax, különféle csatlakozók stb..) valóban jó ötletek merültek fel. A sense pontok elektronikai megoldásával kapcsolatban (hogy a durvább hibákat elkerüljük) gyakorlatilag az ellenálláson keresztüli összekötés (kimenet + sense között) készülékházon belül, illetve az PTC-s megoldás (multifuse) került elő. A jelenlegi megoldásban egy menüpontban kiválasztható, hogy a szoftver figyelembe vegye ezt a 10Ω-os összekötést, vagy 4 vezetékes módban ezt ne tekintse az osztó részének mert a mérővezeték söntöli. Amin gondolkozom, (FET áramgenerátor szerű megoldás) az automatikussá tehetné ezt, nem kellene semmit állítani, akár bekötöm a plusz két mérő vezetéket, akár nem, ugyanakkor a bevitt hiba is kisebb lenne. A hozzászólás módosítva: Máj 24, 2022
Szia Skori, a 4 vezetékes kérdéshez amit használva látok, azoknál vagy a hosszú és relatív vékony kábelezési lehetőség miatti fesz esés kompenzáció miatt használunk, vagy a pontos mérés miatt.
Amit még nem láttam említve, de lehet, hogy csak elkerülte figyelmem, pl a kalibrációról nem esett szó, illetve a beállítható kimenő fesz alapján egy hw-es interlock lehetősége szükséges lenne és akkor simán felvenné a versenyt nagyon sok 'iparibb' táppal (pl.:Keysight N6700 széria alapján). Illetve lehet, hogy ezzel a pontossággal már inkább az SMU kategóriába sorolnám (pl.: Keithley2410), ha a digitális része is megbízható és jó méréseket lehetne vele csinálni. És ezzel a hobbi/más célra kérdésnek is lehetne egy jó zárást adni, mert otthoni célra nem gondolom, hogy a legtöbbünknek szüksége is lenne, nem csak igénye a pontosságra. Akinek meg ez szükséges is, az nem hogy megvenni, de kalibráltatni is fogja.
Az igaz, ha van egy jó műszer is a tápban, vonzó lehet annak kihasználása..., viszont igen erősen korlátozza ezt a tény, hogy a táp és a műszer, mindig párban jár! Tehát hiába van mondjuk példa kedvéért egy 6 digites műszer benne, ha azt nem tudod másra használni, lényegében csak a kimeneti feszültség ilyen-olyan mérésére! Talán érdemes lenne átkapcsolhatóvá tenni, és a 2 plusz vezetéken akár táptól elvonatkoztatott, független mérésekre alkalmassá tenni. Mint egy tápba épített műszer, ami mindig kéznél van... )
Ezt az átkapcsolást annyira nem értem... Szerintem, ha nincs bekötve A +2 vezeték, akkor a 10R-es ellenálláson keresztül automatikusan a kimeneti kapcsokra kompenzálhat. Ha be van kötve, akkor pedig annak a szakasznak a belső ellenállása lazán söntöli az ellenállást, és a végpontra kompenzál! ehhez szerintem semmit sem kell átkapcsolni...
A kalibrálás megoldható, csak kellően pontos műszer kell amihez van értelme kalibrálni. Korábban írtam, hogy a tápban van egy wifi modul, amivel teljes körűen vezérelhető a táp. A webfelületen van egy kalibráló oldal, ahol a mérés, és a táp is kalibrálható.
4 vezetékes módot több itt publikált labortáp is tud, gondolom hasonló megfontolások alapján mint amiről itt szó volt az elmúlt hozzászólásokban. Viszont ezek közül a tápok közül elég sok esetben valószínűleg még csak ki sem volt próbálva, ennek a működése. Úgy vagyok ezzel, hogy ha már a egy labortápon ez a lehetőség ki van építve, akkor ne csak dísznek legyen ott, hanem egy ténylegesen használatba vehető lehetőség legyen (nyilván nem kötelező jelleggel, hanem mint lehetőség).
Az átkapcsolás: A tápegységben 2x 2db nagypontosságú 120kΩ-os ellenállás a mérő-osztó felső tagja. Ez azt jelenti, hogy 120V kimeneti feszültség esetén 2mA folyik az adott sense láb felé (ez úgy van megvalósítva, hogy az árammérést ne rontsa el). Viszont a 10Ω-os ellenálláson ez 20mV feszültséget jelenthet, ezt soknak tartottuk, viszont szoftveresen egyszerűen kezelhető, ezért lett a menüben ki/be kapcsolható, hogy ez a 10Ω be van-e iktatva.
A 10Ω-al az a másik gond, hogy amikor jelentős feszültség esik a vezetéken, akkor ezeken is folyik plusz áram, emiatt a kompenzálás nem tökéletes. Az is felmerült, hogy használjunk 100Ω-ot, így már igen kicsi lenne a hiba, viszont nagyobb mértékben kellene a szoftvernek kompenzálnia a 4 és a 2 vezetékes mód között. Ezért valamilyen automatikusan működő megoldást próbálok kitalálni.
Szerintem ezt automatikussá nem lehet tenni, max valamilyen spéci segéd jelek segítségével, de még az is kérdéses számomra....
Egy ekkora költségvetésű tápból én nem sajnálnék egy dual kapcsolós kis relét, amivel szépen, biztonságosan kiiktathatóak azok az ellenállások, amennyiben 4 vezetékes mód van kiválasztva...
Ebben a hozzászólásban Bővebben: Link felvázoltam egy lehetséges megoldást - ami elvileg működőképesnek tűnik. Ez elvileg ugyan nem szünteti meg a bevitt hibát, de nagy mértékben lecsökkenti, egy már elfogadható szintre.
Majd valamikor leteszteljük a gyakorlatban. Ezen kívül van egy másik ötlet is a tarsolyomban ami elvileg szintén működhet.
Ezt azért nem tartom annyira jó ötletnek, mert a felső oldali FET szabályozása problémás lesz...
A relésben sokkal nagyobb rációt látok... Esetleg úgy lehetne automatikussá tenni, hogy a szoftver időnként rámér a sense vonalakra. Ha ott nagy impedanciát lát(kvázi lebeg), akkor úgy ítéli meg, nincs bekötve a sense vonal, azt rákapcsolja az áthidaló ellenállásokra. Ha nem lebeg, akkor pedig be van kötve, így az ellenállásokat kiiktatja... Ezt elég gyorsan el lehet dönteni, így a fő szabályozásban nem okozna észrevehető fennakadást...
Szia!
A Gossen Metrawatt Konstanter sorozatnál is ehhez hasonló "sorkapocs" van a készülék hátlapján. (Valószínűleg másoknál is, én ezt ismerem.) Az előlapon csak a szokásos aljzatok vannak. Ezeknél 75 ohm-os ellenállás van. SSP A hozzászólás módosítva: Máj 24, 2022
Sziasztok!
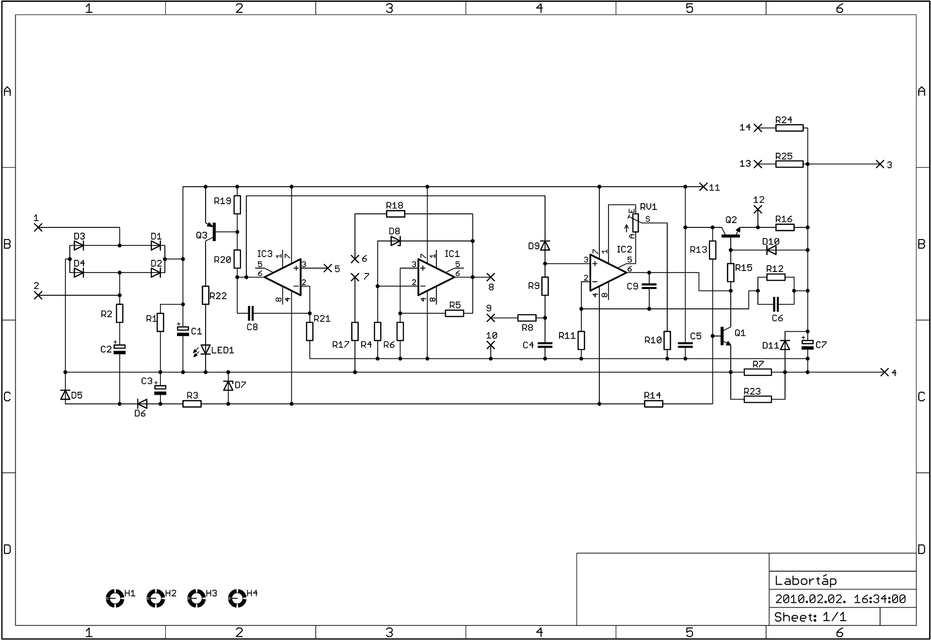
Labortáp építés v3.0: Szétkaptam darabokra a két dupla tápom és lesz belőle egy korrekt. A cikkek közt szereplő edison14. 2x30V/3A Full analóg, a venti szabályzás a proli007 féle egyszerű és jó megoldás. (PC tápból bontott Schottky és IRF3205) 45 foknál indul. Fel van készítve 5A-re. Csak egy toroid kell bele és pár módosítás, de lehet hagyom a hypersil-eket és marad a 3A. Hővédelem oldalanként. Egyszerű termosztát 10A-es. 90 foknál dobja a primert/trafó. Minden volt hozzá, csak munkámba van de nekem ez hobbi és a dupla táp árak elég jól elszaladtak és venni bárki tud. Na meg ehhez full doksi van és javítható bagóért. Vélemények vagy kérdés jöhet. Kép: A hozzászólás módosítva: Jún 18, 2022
Mivel rajzot nem csatoltál így nem igazán tudni mit is építesz, de így az emlékeim alapján ha a topikban fellelhető rajzok közül választanék akkor inkább az LPSU-t választottam volna, filléres alkatrészekből áll, ha minden kiegészítőt beleteszel akkor sokoldalú, és még kész nyákokat is árulnak néha hozzá amit csak be kell ültetned.
Analóg szabályozónál a teljesítményt kapcsolástól függetlenül a disszipáció kezelhető mértéke szabja meg (feltételezzük hogy nincs előszabályozó). Itt is inkább a fetek vannak előnyben, mert vagy alapból (ha sikerül azonos gyártási szériából egyformákat kapni) vagy némi trükkel több db (akár 8-10) is párhuzamosan kapcsolható. Strapabíróbbak és olcsóbbak is mint egy tranzisztor. Működi leírást is találsz hozzá, a javításához sem kell diploma. Vagy ott van még a szintén fetes EM-1-re keresztelt elektoros tápom ami ugyan nem olyan jó cserébe tetszőlegesen igényre szabható, akár 8-900V-os labortáp is építhető vele.
Ott van a cikkek közt a rajz.
Akkor legyen csatolva a rajz + link:
https://www.hobbielektronika.hu/cikkek/stabilizalt_labortapegyseg_0...l?pg=2 Belinkelem a ventilátor szabályzót is: https://www.hobbielektronika.hu/cikkek/ventillator_hofok-vezerlese.html Ehhez volt minden itthon, nulla, azaz zéró forintomba került ez, és azonnal itt a fiókban. ![]() Módosítás: Puffer elkó 10000uF, diódák 6A/100V sönt egyelőre 1 Ohm 10W (4-4,4A). Így már nem félreérthető a dolog. Végül is tényeket közöltem, de jöhetnek tanácsok. A hozzászólás módosítva: Jún 18, 2022
Ha jól emlékszem erre a rajzra szokták mondani, hogy inkább ne. Ehhez gyárt a kínai nyákokat is amiből többen vettek már, és úgy minden harmadik el szokott füstölni belőle.
|
Bejelentkezés
Hirdetés |






Akinek meg ez szükséges is, az nem hogy megvenni, de kalibráltatni is fogja. 







