Fórum témák
» Több friss téma |
Rézdróttal meg szoktam erősíteni a vezetősávokat, ami nagyobb aramterhelést kap.
Köszönöm a segítséged!
A hozzászólás módosítva: Máj 10, 2022
Szia! Azt szeretném kérdezni, hogy most hogy ezt a kapcsolást építettem meg a híd verzióbol amit ajánlottál, most akkor a koppanásgátló pozitív ágában lévő 47k-os ellenállást beépítsem vagy ennél a kapcsolásnál is ki kell hagyni?
Ennél a kapcsolásnál a pozitív kimenetet ne kösd rá a védelemre!
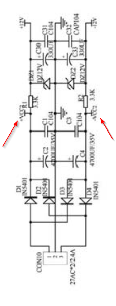
Melyik a piros LED a védelmen?
Szia! Képzeld ma egy csatornát élesztettem a hétből, és nagyon meglepett amikor műterhelésen meghajtottam. 188.44W-ig mertem elmenni, ott egy pár percet járattam és mikor mondom még emelek egy kis feszültséget a jelgenerátoron hát lemerült a szkopom. Stabilan adta sinus jellel ezt a teljesítményt, ugyan ezekkel az IC-kel a régi erősítőben 145W fölött már torzított, szó szerint ezekkel, mert úgy mentettem ki a régi panelből, ott egy 250W-os trafórol ment egy oldal. 2x25V-os szekunderekről. Most az 1.7kW-os trafom 7x2x28V van, terhelve ezzel a 188.44W-al 2.5V-ot esik csak a tápfeszültség a stand by állapothoz képest, többször is rámértem hogy jól látom e. Elképesztően elégedett vagyok vele, Köszönöm a segítségedet mégegyszer! Azért majd holnap ha feltölt a szkóp megnézem mi a plafon.
A hozzászólás módosítva: Jún 5, 2022
Szia! Gratulálok! A teljesítmény ugyan wattban mérve eltér, de ez hangnyomásban alig több 1 dB-nél, nem vesd az erősítő szemére, ha a növekményt nem érzékeled majd a gyakorlatban.
Igen tudom, hogy nem nagyon lesz ez érzékelhető, de a tudat, hogy elértem vele ezt a teljesítményt már elég
Amúgy Mozi üzemmódban a nagy dinamikát követelő effektekben ez azért csak számítani fog.
Szia! Na ma sikerült megmérni, 201,89W, e fölött kezdi levágni a Sinus alját és tetejét.
Azt szeretném kérdezni tőletek TDA7294 hídba kapcsolt erősítőtt kapcsoló üzemü táppal működtetnék kell e azt külön még pufferelni. 2x35v ról menne? Köszön előreis a válaszaitok!
Szia! Szerintem a kérdésed valamelyik kapcsolóüzemű topikban tedd fel.
Sziasztok!
Szeretnék építeni egy végfokot a tárgyban említett IC-vel, viszont elektronikához minimális értek és már meglévő, bontott dolgokat szeretnék újra felhasználni, így ezzel kapcsolatosan szeretnék Tőletek segítséget kérni. (inkább csak Arduino-s tapasztalatom van, valamint korábban rajz alapján készítettem már mart áramköröket) A történet: Hozzám került bontásra egy Genius sw hf 5000 típusú hangszóró szett, amelynek már több problémája is volt, pl. forrasztással felégetett vezetősávok a nyákon, uC hiba, torzítás. Arra gondoltam, hogy a mély hangszórót passzívra átalakítanám és a főbb alkatrészeket felhasználva építenék belőle egy erősítőt, Arduino-val i2c-n vezérelném a hangerőszabályzó IC-t, egy kijelzőt, feldolgoznám a távirányító jelét, rotary encodert és nyomógombokat, bemeneteket. Ezek már elkészültek, valamint az ezen a honlapon található Topi féle low pass filter is, a bontott 4558-as IC-vel. Sajna a mély végfok panelja már eléggé ramaty állapotban van és mivel a TDA7294-es IC még működőképes, ebből szeretnék építeni egy új végfokot, csak sajna elakadtam. Ahogy látom, ezen a panelen volt az egyenirányítás is, melynek kivezetésén meg is van +-41V-om, 2db 4700µF-os kondenzátor van rajta. Esetleg ezt és az adatlapban lévő kapcsolást érdemes lenne összeollóznom? Tudnátok segíteni ennek megítélésében, hogy ez mennyire lenne életképes? Vagy esetleg lenne más kapcsolás, amit inkább javasolnátok? Merre lenne érdemes elindulnom, vagy mit lenne érdemes megcsinálnom? Köszönettel, Laci A hozzászólás módosítva: Nov 17, 2022
Szerintem teljesen járható út. A táp rész eleve úgy lett méretezve, hogy a TDA7294-es végfokot ellássa.
Vagyis ha amúgy az alkatrészek jók, csak a nyák van szétbarmolódva, akkor akár az eredetinek az erősítő kapcsolás részét is után építheted a kibányászott alkatrészekre építve. Csak ugye nyákot kell majd hozzá tervezned, készítened, összeraknod, élesztened.
A TDA7294 adatlapjában levő kapcsolás természetesen életképes, nyugodtan megépítheted.
A tápod elvileg jó, azt meghagyhatod. Az IC kiforrasztásnál ügyelj az IC épségére, mind a nagy hő, mind mechanikai szempontból. Bár szerencsére ennek elég izmosak a lábai.
Köszönöm a válaszokat!
Akkor nekikezdek építeni, csak egy kis időt szeretnék nyerni, kiszemeltem egy kapcsolást, amihez már a nyákterv is megvan. (mellékeltem)Ezzel kapcsolatban szeretnék még kérdezni tőletek. Abban az esetben, ha ezt építeném meg, akkor a gyári panelről megtáplálhatnám az épített panelt? A kapcsolási rajzát mellékeltem és jelöltem, hogy hová kötném. Az egyenirányító diódák után lévő 4700 µF-os kondenzátorok után kötném be. Köszönettel, Laci
Szia! Tudok egyszerűbb panelt: Bővebben: Link
A táp bekötési pontok megfelelőek. A testet is rá kell kötnöd! Az TDA7294-et csak akkor csatlakoztasd a táphoz, ha puffer kondik feszültségmentesek. Ha kell, süsd ki őket!
Szia! Ma élesztettem a 7 csatornás erősítőm. Egy kis probléma viszont van, van egy alapzaj, vaami zúgás, de nem egy 50Hz-es brumm, mert mind a magas, mind a mély mind a közép adja. Viszont mikor nem volt a 7 csatornás DC védelem rákötve, csak légszerelve volt, nem volt semmi zaja. Esetleg okozhatja az, hogy a pozitív kimenet 47kohm-jai nincsenek beültetve? Kikapcsoláskor is egy pattanás hallható, és az se volt érzékelhető külön.
Szia! Az említett zajjal a puffertöltő áram szórhatja meg az erősítőt. A deszkamodellnél valószínűleg távolabb estek, vagy más pozícióban álltak a trafót a táppal összekötő vezetékek.
A pattanás a kapcsolóra szerelt ívoltó kondival szüntethető meg.
100nf-ot tegyek a kapcsolóra? Az nem baj, hogy két külön vezeték megy összetekerve a kapcsoló 2 csatlakozójára ugyan abból a pontpól? 15A-es a kapcsoló és 4 lába van. 2-2 kapcsolt, igy mind a kettőre ravittem a 230V-ot.
A deszka modellen direkt mozgatam is a vezetékeket, közel vittem a a trafó vezetékeihez a bemeneti kabelt is, mindezt ugy hogy hangfalra volt kötve, és semmit ilyet nem produkált. A képen látható a deszka modell. Az, hogy lehet hogy az összes csatorna zajos, miközben 3 erősítő fokozat nagyon messze van a trafó vezetékeitől? Azt érteném, ha az első 2-3 panel, ami kozel van hozzá meg lenne szórva, de az összes adja ugyan azt a zajt. A hozzászólás módosítva: Nov 27, 2022
Kisebb kondenzátor is elegendő, hogy mérséklődjön a kikapcsolt állapoti fogyasztás. Mindkét megszakításhoz be kell építsd és ügyelj, tűrje a hálózati váltakozó feszültséget. A huzalozás egyéb részét nem gondolom lényegesnek.
Kösd le a DC védelmet, hogy tisztázódjon a zavarforrás kérdése!
Elég az erősítő és a védelem közötti testet megszakítanod.
Az összes testet huzzam le a védelemről, és a pozitívak maradhatnak bedugva, majd a testeket a megfelelő hangfal aljzattal közössítem??
Azt az egy közös tespontot levalasztottam még este, és nem változott.
Ha a DC védelem nem kap az erősítő felől testet a 47k ellenállásokon folyó, kimenetet terhelő áram elhanyagolható mértékű. Nem innen származhat a zaj.
A táp szórásának vizsgálatához adj az egyik csatornának külső tápot. Akár ±16 V is elegendő. Ha az erősítő tápját bekapcsolod ebben a csatornában is megjelenik a zizegés? |
Bejelentkezés
Hirdetés |

















