Fórum témák
» Több friss téma |
Ennek a motornak nem 1000 a fordulata, inkább 10000 körül.
![]() Morzsolóra a forgótárcsás mosógép motorját szokták rakni. Szereltem már én is néhányat másoknak. Ahhoz nem kell szabályzó, 130W 1450 fordulatú. Csak áttétel kell és kapcsoló.
Attól, hogy mobil eszközről írod a hozzászólást, még egy picit figyelhetnél a helyesírásra! (Írásjelek, nagybetűk...)
Szia! Nem tudom, megoldódott-e a kérdés? Ha még nem, akkor hátha tudok segíteni! Azt nem tudom, mit jelent, hogy annyira felpörög? Lehet, hogy nem pörög "túl" a megengedett fordulaton, csak azért visít, mert a szénkefék nem fekszenek fel teljes felületen! Ez akkor fordul elő legtöbbször, amikor kefe csere történik, és nem megfelelő a kefe törésszöge! Ez idővel csendesedik, de inkább az a megoldás, hogy a megfelelő felfekvést kell kialakítani, csiszolással. Mert tönkre teheti a kommutátor szeleteket, és okozhat hibás működést! Esetleg kicsi a kefenyomás, viszont, akkor erősen szikrázik, és nem igazán visító hangot ad, hanem inkább erősen sercegő, ami talán egy kicsit a hegesztéshez hasonló hang! Ezt viszont azonnal javítani kell, mert ez már önmagában égeti a szeleteket! Amikor a kefe végképp nem érintkezik, vagy csak éppen, éppen, akkor pedig nem is fog működni egyáltalán, esetleg a mosást még csinálja, az említett jelenség kíséretében, de a centrit már nem viszi! A következő lehetséges ok, hogy a tengely végén lévő un.: tachogenerátor nem működik megfelelően! Mozog, törött, esetleg szakadt, ezért nem ad megfelelő jelet, illetve nem ad le akkora feszültséget, amennyit kellene, ezért nincs megfelelő szabályzás! Más gond is lehet, de először ezeket kell ellenőrizni.
Sziasztok!
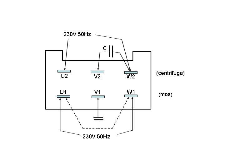
Segítséget szeretnék kérni, hogy hogyan kell bekötni a képeken látható mosógép motorját. Gondolom, hogy tengely végén egy fordulatszám érzékelő van, ennek pirosak a kivezetései, de ezzel egyenlőre nem szeretnék foglalkozni. A kékkel bekarikázott kábelek csatlakoznak a két szénkefére. A motor típusa is látszik a képeken. Köszönöm a segítséget előre is!
Szia!
Túl sok verzió nincs.. az alsó két kábelt kösd össze ( a forgórészt így sorbakötöd az állórésszel ), aztán a piros alattiakra rákötöd a 230-at. Első bekapcsoláskor pedig tegyél az egésszel sorban egy nagyobb hősugárzó félét vagy hasonló fogyasztót, akkor nem érhet meglepetés sem és nem pörgeted túl a motort. Játszadozni 24 volt is elég neki, hogy lásd, forog és nem fog elszállni. A hozzászólás módosítva: Dec 28, 2020
Köszönöm szépen a gyors választ. Holnap ki fogom próbálni és jelentkezek az eredménnyel.
Forgásirányváltás: kösd össze a zöldeket és a barnák a betáp.
Terhelés nélkül ne indítsd el.
Sziasztok!
Ismerős valakinek ez a motor? Hány W lehet? Mit tud? Szeretném (ha lehet forgásirány váltással) használni, indító kondival. (Tippem szerin 150W körüli, 110/220V egy fázisú) U1-V1 5 Ohm U2-V2 5 Ohm Z1-W1 36 Ohm Z2-W2 40 Ohm V1-U2 és Z1-W2 van lemezzel átkötve. U1-V2 a fő tekercs és Z2-W1 a segéd? Mekkora kondival kellene próbálkozni? 10mikro? Köszönöm.
Ez a motor nem kondis indítású. A fázistolást a segédfázis ellenállása hozza létre és relé indítja. Mert így kimértél mindent, már semmi másra nincs szükség, csak az indítórelére.
![]() Sokat olvashattál és látom, megértetted, mi hogyan működik benne.
Sziasztok! Kérlek segítsetek a képen szereplő motor bekötésében mert meghaladja a képességeimet. A mellékelt bekötési rajzzal sajnos nem indul és annyira nem értek hozzá, hogy kisérletezzek.
A hozzászólás módosítva: Aug 6, 2022
Az a bekötési rajz rossz. A mosó motornál 2 egyforma tekercs van, amiknek a közös pontja az U1. Ezért mindegy, hogy a 230V-ot az U1-V1 vagy az U1-W2 kapcsokra kötöd, a forgásirányban lesz különbség. A kondenzátort pedig a V1-W2-re kötöd. A centrifugánál más a helyzet, ott a főfázis az U2-V2, míg a segédfázis az U2-W2. Így annak a bekötése úgy alakul, hogy a kondenzátort, hasonlóan az előzőhöz, a V2-W2 csatlakozókra, míg a 230V-or az U2-V2 csatlakozókra kötöd. Ha így nem működik, akkor rossz a motor.
Először mérd meg a mosó üzem tekercseit: a motor cimkéje szerint ez a W1-V1-U1, waschen és ha megvan mindkét tekercs, akkor próbálkozz.
Nehogy a centrifuga oldallal kezdjél. Idézet: „Nehogy a centrifuga oldallal kezdjél.” Mert különben mi lesz?
Csak a lényegest írom le neked: ha eltalálja a jó bekötést és ha nincs jól lerögzítve a motor ( mert csak "kísérletez" ), a durva indulástól felborulhat, stb. a motor.
Egy lágyabb indulás ( mosó üzem ) bőven elég a kezdéshez. Az egyéb verziók a "nem indul" kategóriában vannak. Az F-1-es pilóták is gokarttal kezdenek.
Na végül kiderült, hogy a korábbi kapcsolással megy a motor csak rossz volt a kábel. (Szégyen, nem szégyen, a múltkor nem mértem ki, jónak gondoltam)
Megmértem a tekercseket és két egyformát találtam és egy nagyobbat a mosó körben. Lemertem az áramfelvételt is, 1,4A- t eszik ahogy az adattábla is írja. Ugyanakkor fura, hogy 5perc üresjárat után nekem túl meleg volt a motor. A mosógépben azért nem 5 percet megy és még terhelve is van. Korábban olvastam itt a fórumon, hogy nem mindegy a forgásirány, most majd megpróbálom fordítva ha kihűlt, hátha kevésbé melegszik. Amúgy biztos az 1-es és 2-es kör összekötözgethető? Ez nem két külön tekercs kör?
Amikor valaki szétborítja a berendezést, de a biztosítékot nem nézi meg.
![]() "...két egyformát találtam és egy nagyobbat a mosó körben..." - talán a "nagyobb" a két sorbakötött tekercs vége? Középre a 0, végek között a kondi és a forgásirány attól függ, melyik végre kapcsolod a fázist. Mivel nem kefés motor, mindegy a forgásirány. A "2"-es kör a centrifuga, azt ne kösd össze a mosóval.
Nincs 1-es meg 2-es kör. 2 pólusú és 16 pólusú tekercselés van (mosó és centrifuga)! És már leírtam a bekötését.
Idézet: „Megmértem a tekercseket és két egyformát találtam és egy nagyobbat a mosó körben.” Csak 2 tekercs van, amiknek az egyik kivezetésük közös, tehát 3 tekercset nem mérhettél. A nagyobb ellenállás a 2 tekercs együttes ellenállása lehet.
A 2-2 tekercs közös pontja az U1 és az U2, azok pedig a jobb szélén vannak a csatlakozónak, nem pedig a közepén.
Ha figyelmesen olvastál volna, én tekercsközépről írtam ( villamosan ), nem pedig csatlakozó szélről vagy középről, U vagy V akárhányról.
Téma zár részemről.
79ohm w1 v1 kozott
61ohm v1 u1 kozott 61ohm u1 w1 kozott Az zavar, hogy nagyon melegszik. Lehet az üresjarat a gond? Tényleg 5 perc után bem állja a kezem a készülékház oldalát.
Egy kúpos hasítógéphez használnám ezt a motort:
Napok óta keresem a bekötését eredménytelenül. Nem kefés motor, semmilyen adattábla nincs rajta. Öt vezetékes sok van de hatot nem találtam. Addig jutottam, hogy mivel a kék és fekete elmenő vezetékek vastagabbak a többinél ezek lesznek a fázis és a nulla. A fekete vastag össze van kötve a fehérrel ez lesz a kondi egyik kivezetése. Nekem a gyors fordulat kellene.
170W-os motor tuti kevés lesz ehhez...vagy nem ? Bővebben: Link
A hozzászólás módosítva: Dec 6, 2022
Szia! Ezt a dolgot felejtsd el ezzel a motorral. Ez egy mosógép motor ami szakaszos üzemre készült és rendkívül gyenge, cca. 450-550 watt lehet maximum, nem több inkább ettől kevesebb ebben a kivitelben. Rönkhasítónak lassú fordulatú és legalább 1.5kW teljesítmény körül kellene gondolkodni. Különben valahogy úgy van a bekötése, hogy jobbra-balra van a lassú (mosó) és a gyors (centri) fordulat és ehhez a kondenzátor cca. 16µF az "alsó sorban" szitén jobbra ill. balra de mindig csak az egyik lehet üzemben. Bővebben: Link
Te még nem láttál Orosz kúpos hasítókat, kb 300 mm átmérőjű lendkerék, mosógép motor, bordás szíj hajtás. Sokkal gyorsabb fordulat, és gyorsabb hasogatás mint a lassú a gépekkel.
Egyébként ebben a motorban két ventilátor is van. Meg néztem ez tényleg karcsú motor a 160 Watt teljesítményével. A hozzászólás módosítva: Dec 8, 2022
Sziasztok! Egy kis felvilágosítást szeretnék kérni a következő mosógép motorról. Nem látok rajta se szénkefét, se tekercselést a forgórészen ( hacsaknem vak vagyok ), viszont 17500at pörög. 4 kivezetés van a motoron, 2-2 párban, ~10 ohm körüli ellenállásal mindkettő. Bárhogy kötöm, max a forgásirány változik, a furdulat pedig villámgyorsan beáll, és nem akar túlpörögni se terheletlenül, és fixen 7 amper vesz fel mindíg
![]() Szóval akkor ez most egy 1,5 kw-os aszinkron ami 17000-ret forog vagy mi Tudtommal az nem lehetséges, illetve kérdésem még azon kívül, hogyan működik, hogy miként lehet esetleg több üzemmódra(?) kötni. Köszönöm előre is!
A címkén ott van, hogy 195 V és 310 Hz-es a motor, foroghat 17000-et.
Tegyük hozzá, hogy 3 fázison...ahogy az Ariston/Indesit mosógép service manuáléjában le van írva.
A hozzászólás módosítva: Jan 8, 2023
Még egy kicsit szórakozol vele és nem lesz több gondod.
Nagyon hamar le fog égni, mivel nem arra a frekvenciára és feszültségre készült, mint amivel üzemelteted. 50 Hz-en 230 V-ról sokkal nagyobb áramot vesz fel, mint a gyári méretezés szerinti 190 V 310 Hz-ről.Hasonlóan, mintha 110 V-os motort 230-ra kötnél. |
Bejelentkezés
Hirdetés |



















Tudtommal az nem lehetséges, illetve kérdésem még azon kívül, hogyan működik, hogy miként lehet esetleg több üzemmódra(?) kötni. Köszönöm előre is! 

