| Fórum témák 
 
 » Több friss téma | 
				A túllövés az rendben van, csak a szimmetrikus túllövésre gondoltam hogy jó e valamire. Most dolgom van, délután még játszok egy kicsit. Amúgy az irfp240-hez is jobban illik szimmetria miatt az irfp9140, de az csak 100V-os. Van nekem valahol régi félkész szimulációm rendes push-pull tranyós meghajtásról ilyen VF2 pro izéhez, ott rendesen "AB" osztályban jár a gate meghajtó. Majd megkeresem. 
				Olyanok a "szokatlan erősítők" között is bőven akadnak amelyekben diszkrét az eleje.  Akkor az már nem VF2 lesz, igaz ez sem... Ha jutunk valamire, majd kipróbálom a gyakorlatban - ha már ennyi időt eltöltünk vele. A hozzászólás módosítva: Ápr 22, 2023 
				Ezt a 10MHz-et, benne az aluláteresztő szűrővel hol lehet látni? Mert amit kitettél diagrammot, nem ez van.						 
				Egy ilyen kapcsolásból kijön 2 x 30V-on 2 x 27V, minimum. Tehát, ne 2, meg 20V-on mutasd, hanem 27V kimenetnél. Nem kell 50 kHz, elég a 20-is. És tedd hozzá a meghajtó opamp kimenetét is, úgy , hogy ne 100nF-dal legyen pluszba megterhelve a kimenet, hanem 1 µF-dal. Egyébként is 2 µF-dal szoktad...						 
				A mai módosítás, de még mindig nem elég jó. Ezt a keresztezési torzítást valahogy ki kellene szedni.... és még számtalan gond van vele.						 
				"mielőtt így ki lettem okosítva" Másnak nem okoz gondot ez, még a publikációjában is kitért rá: 
				Pontatlanul fogalmaztam, elnézést. A "kiokosítást" úgy értettem - ha nem tömörítem volna le ennyire ezt a bugyuta mondatot -, hogy minél többet olvasok, annál több olyan dologgal találkozom ami kisebb-nagyobb zavart kelt bennem. Hasznos volt ez a link is, köszönöm! Végig bogarásztam ezt is. A két(három)pólusú kompenzációt eddig is értettem valamilyen szinten... de ez egy külön fejezet lenne. Nekem már az első öt oldalnál sikerült fennforgást okoznom magamnak. Gyorsan lezavarja a dolgokat, mielőtt Bob Cordell egy mélyet sóhajtana és unott arccal kimenne a büfébe, de én csak egy Karesz 50 vagyok és nekem kérdésem van ezzel kapcsolatban. Erősen töröm az angolt, a google pedig a magyart, így leginkább párhuzamosan olvasok, hogy kirakjam a puzzle-t. A "shany1,2,3" idézet világosan mutatja, hogy az invertáló és a neminvertáló kapcsolás blokkvázlata és függvényei eltérőek. Ezt eddig is tudtuk. Röviden kitér arra (amit pirossal aláhúztam), hogy nem olyan egyszerű ám, hogy felvágjuk a visszacsatoló hurkot, oszt már látjuk is a hurokerősítést, mivel a vizsgált erősítőnek van egy többé-kevésbé nehezen megközelíthető kimeneti impedanciája, amit meg kell keresnünk vagy egy újabb függvénnyel, vagy más szimulációs módszerrel (pl. nyílthurkú erősítés vizsgálattal, ha jól gondolom) és ezt hozzá kell adnunk a (nulla) generátor impedanciához. Ez egy dolog. A másik, ami szöget ütött a fejembe és nem pontosan értem. Ha a "shany4" idézeten látható - és már előttem is ismert - hurokerősítés vizsgálati módszert nézegetem... azt kérdezném valakitől (nem compozitra gondolok), hogy ugye leválasztjuk a kimenetet egy induktorral és beadjuk a vizsgálójelet a visszacsatoló hálózatba - ez eddig tiszta. A kimenetem megjelenik a hurokerősítés átviteli függvénye - ez is tiszta. DE! A neminvertáló bemenet a GND-n van és Z1 impedancia is a GND-n van. Honnan tudja ez módszer azt kideríteni/megállapítani, hogy zárthurokban, hogy fogom majd visszacsatolni... invertálva, vagy neminvertálva? Mert ugye a kettő között zárthurokban különbség lesz, de ezt ő még nem tudja, mert honnan tudná? 
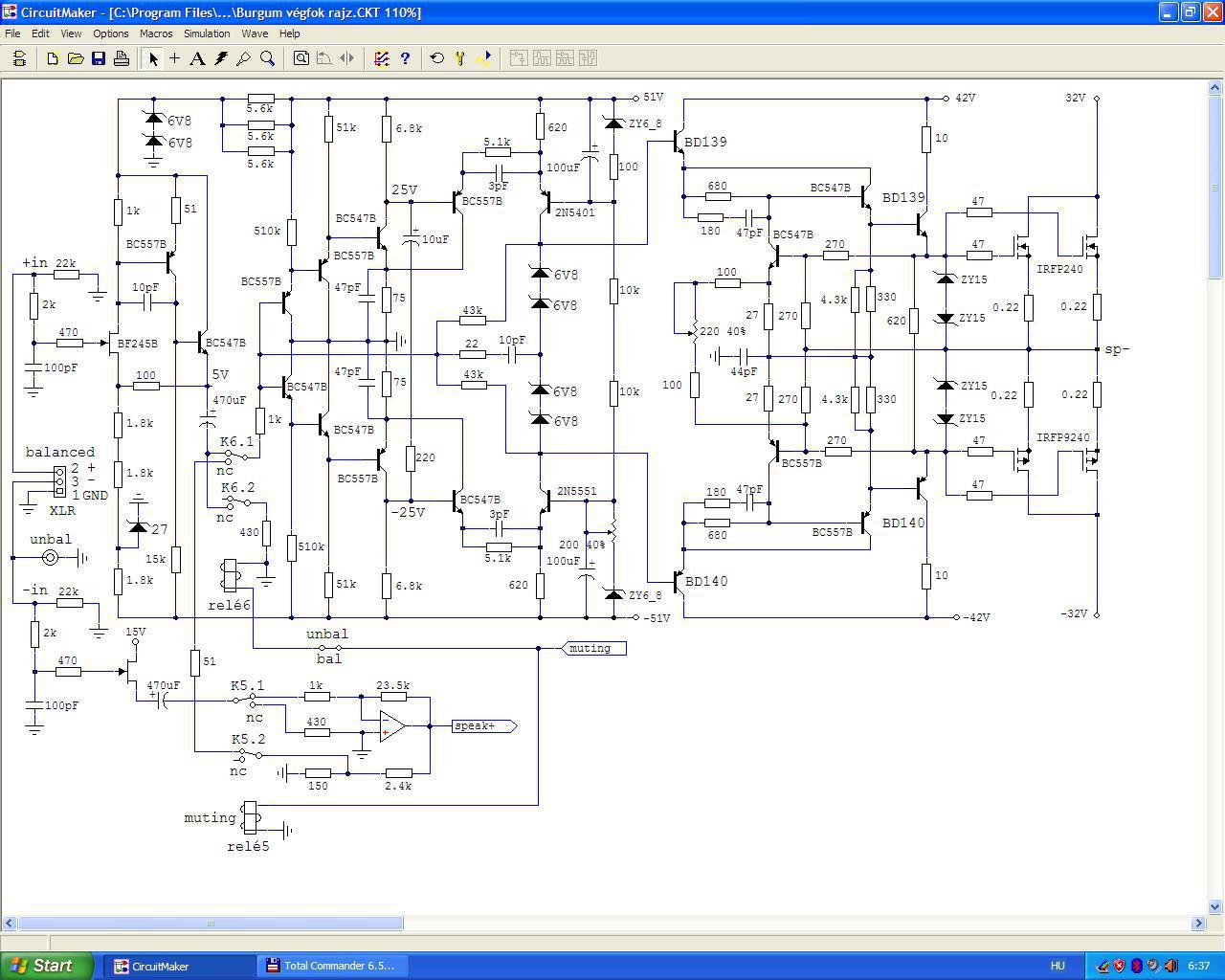
				Írtam, hogy néhány éve kíváncsiságból és szigorúan kísérleti jelleggel megépítettem a Hawskford/Cordell hibajavítós végfokot, ami "Burgum" fantázia névvel szerepel a szimulátoromban. Készült hozzá "Irgum" is, ami szimmetrikus kimenetű előerősítő volt. Rövid ideig hallgattam az Irgum-Burgumot és akkoriban nem nyerte el tetszésemet. Olyan "dirr-durr-csitt-csatt" hangképe volt emlékeim szerint és "minőségi" zenehallgatásra alkalmatlannak találtam. A Burgumot meghatározatlan időre kölcsön adtam Géza haveromnak, aki általában a képen látható keresztváltók behangolásra használja, időnként némi rövidzárral fűszerezve a dolgot. Három napig javítottam. Ízekre szedtem, összeraktam, mindent átmértem és következő megállapításra jutottam. (Azzal került vissza, hogy csak búg.) Több rövidzárat is kibírt az elmúlt években. A crowbar simán  "kiveri" az 5A-es "biztit" a tápegységben, a +/- 42V-ot ilyenkor azonnal letiltja a relés védelem. A biztosíték cseréket megunva, átméretezte T10A-re és most a 0.22R tirisztort védő ellenállás "olvadt" ki. Semmi más baja nem lett. A végfetek és a meghajtás simán túlélték a módosítást. Ezért szeretem a teljesítmény MOSFET-eket. Behoztam meghallgatni, hogy vajon ennyi év után, most mit hallok. A hangdobozom ugyanaz, mint évvel ezelőtt volt. Jobb előerősítőm van (de ennek csak aszimmetrikus kimenete van), jobbak a kábeleim, van állványom és van tápregerátorom, ami stabil 230V szinuszt állít elő és erre szüksége van ennek a végfoknak, a kapacitív szorzók miatt. Ami miatt mindezt leírom. A múltkor feltettem a nem költőinek szánt - de annak sikeredett kérdést, mert senki nem válaszolt rá - ami úgy hangzott, hogy vajon hány Wattra van szükség az otthoni halk, vagy mondjuk úgy normális hangerővel történő zene hallgatásához? Legtöbbünknek elég egy Watt, ha 10, az már nagyon hangos. Sokaknak elég a JHL, vagy a Hiraga 10 W-ja, nekem is bőven sok az "A" osztályú ezeknél alig nagyobb teljesítménye. Viszont voltak már a "láncomban" több 100 W-os végfokok - és amik jó minőségűek voltak - azok mindig egy olyan katartikus élményt nyújtottak, hogy EZAZ! Ez a hatalmas dinamika, a könnyed erőlködés nélküli, hihetetlen mélyre lenyúló basszus, a nyílt hangkép, a felbontás, a határozottság. Nos, ez a "Burgum" így szól. Úgy leverte az "A" osztályút, mint vak a poharat. És nem kell hozzá nagy hangerő, 0.1 W-on is megmarad ugyanez a monumentalitás. Valami miatt kell, szükséges, a nagy teljesítmény. Nem tudom ezt megmagyarázni, de el kell fogadnom tényként, amíg valaki be nem bizonyítja az ellenkezőjét. Még talán annyit: az összes ilyen nagy teljesítményű végfok teljes hidas volt. 
				Folytatom a monológomat, mint mek-elek... majd nem olvassa akit nem érdekel. Ez Krill jobban birizgálja a fantáziám, mint a VF2. Ha objektív szeretnék lenni, hidegvérrel, elfogultság nélkül kellene szemlélnem mindazt amit az erősítők szubjektív hangminőségéről olvasok, vagy tapasztalok. Kicsit magyarítva: mindenki a saját lovát dicséri. Ez rendben is van. Az ember egója így van kitalálva. Mindent elhiszek és semmit nem hiszek el, még azt sem (azt is) amit saját fülemmel hallok. Pl. a Krill-ről is leírják, hogy ennél jobb hangú erősítő nincs és aki ezt rendesen utánépítette, nem vágyik majd többé másra. Ugyanezt olvasom a GEM-ről, a Hiragáról, a JLH-ről, a Wiederhold-ról, a VF2-ről, a csövesekről, a Blomley-ről és sorolhatnám... Aztán vannak a "nagyok", amikből tényleg az jön ki, ami bemegy - de ezek sem szólnak egyformán. Melyik a jó erősítő? A Burgumról például most derült ki, hogy ez is erősen rendszerfüggő, régen rosszul szólt, most meg jól szól (négy napja hallgatom). És biztosan nem ez csúcs, mert a kapcsolása elég gagyi. Hogy kell jó hangú erősítőt csinálni ami bármilyen láncban jól fog szólni? A nézetek és az elméletek ellentmondnak egymással. Mindenki esküszik valamire és foggal-körömmel ragaszkodik a saját elképzeléseihez. Számtalan példa van erre ezen a fórumon és természetesen máshol is. De kell, hogy létezzen valami alapszabály amit be kell tartani. Ezt keresem. Már nem akarom kitalálni milyen összefüggés lehet a mérés és a hallgatás között, mert ez nekem sem fog sikerülni. Lejjebb tettem lécet. Nagyon-nagyon sok kapcsolást meg kellene építeni és ezeket nagyon sok helyen meghallgatni, de ez lehetetlen. Aki "hifizik" ("hájendezik"), annak mindig a sajátja fog a legjobban tetszeni és minden mással szemben előítéletei lesznek. Aki nem hifizik, annak meg mindegy mi szól éppen - nem fog különbséget hallani. Nekem pl. sok idő kell ahhoz, hogy határozott véleményem alakuljon valaminek a hangjáról. Nálam mindig a legújabb a legjobb, aztán elkezd idegesíteni valami a hangjában, majd egyre több valami és akkor elkezdek törpölni. Ha lenne pénzem egy balatoni nyaralóra, akkor ebből pénzből inkább műszereket vennék. Ha lennének jó műszereim, akkor sem értenék jobban semmihez, tehát jó ez így is, ahogy van : ) De nem is erről akartam írni. Megcsináltam "gubancban" ennek a Krill-nek a végét (az OPS fokozatát). Kíváncsi voltam rá, hogy egyáltalán működik-e ha csak úgy "összedobom" fiók alkatrészekből. Működik. Megint pontosan úgy viselkedik ahogy a szimulátor mutatja. Olyan (viszonylag) jó a négyszög átvitele és pontosan olyan hatalmas a torzítása, vagyis a nemlinearitása. Viszont nincs benne szemmel látható keresztezési torzítás. Vajon emiatt tetszik sokaknak a hangja, mert lágyan szól és szépen színez? És az eredeti verziónak nincs globális visszacsatolása, mindenki enélkül hallgatja és elégedett vele. Biztosan kipróbálták visszacsatolva is, kizárt, hogy ez csak nekem jutott eszembe. Nyilván így szól "szebben". Gyorsan megnéztem még egyszer szimulátorban, hogy mi is történik ha visszacsatolom. A THD a tizedére csökken, de elkezd magasabbrendű felharmonikusokat termelni. Megjelenik a keresztezési torzítás jellegű tüske. Bélának is volt olyan olyan elmélete, hogy buffer hibáit nem kell visszavezetni az erősítő bemenetére, mert akkor ez az torzítás végighalad az összes fokozaton és az egész erősítő még torzabb lesz, mint előtte volt, bár a mérési eredmények látványosabbnak mutatkoznak. És ez a Burgum/Cordell is ezt az elméletet láttatja be velem. Hiába gagyi az összes feszültség erősítője, mégis tisztábban szól minden ízében. mint az "A" osztályú. A hozzászólás módosítva: Ápr 30, 2023 
				Van aki a visszacsatolatlan erősítőt szereti, mert annak jobb a tranziens viselkedése. Olyan is van, aki a visszacsatoltat, mert annak meg a harmonikus torzítása kisebb. Itt van egy elmélkedés, miszerint a végfok nagyobb sebességnél visszacsatolatlan, kis sebességnél pedig visszacsatolt. A tekercs ne zavarjon meg, semmi köze a quados izéhez, csak így volt egyszerűbb a fázismenetet egyenesen tartani. Természetesen ezt RC tagokal kellene majd kiváltani. Nem kell sokat agyalni rajta, ez csak játék. 
				Ebbe nincs tekercs. Lehet hogy az egész csak hülyeség. A hozzászólás módosítva: Ápr 30, 2023 
				Már bocs, de ha mindenki azt írja, hogy 2x2=4 az egyértelmű és valószínűleg mindenkinek igaza van, ha mindenki mást ír a 2x2-re, akkor jó eséllyel mindenki baromságot ír. A szubjektív véleményekkel foglalkozni nem sok értelme van, mert szubjektívek és ahogy írod, mindenki a sajátjához ragaszkodik. Szóval nem értem, hogy mi értelme ezt szóba hozni újra és újra.						 
				Mert nem tudja, hogy a saját, józan eszére hallgasson, vagy mások hülyeségeire. ( bocsika: szubjetivitására ) Mondom, hogy alkotói válságban van...    
				Például erről erről a Krill-ről mindenki azt írja, hogy nagyon szépen szól. Tehát 2x2=4. De én megmértem és van 50% nemlinearitása. Ha jó alkatrészekből építeném meg, nem lenne csak, mondjuk 10%. A szimulátor könnyen kiakad ha visszacsatolom, de nem hittem neki. Kipróbáltam TL071-el és visszacsatolva 4Vpp-nél begerjed - letilt a tápom túláram védelme. Innen kezdve nem érdekel kinek mennyire tetszik, nem hiszem el nekik, hogy 2x2=4. De nem sajnálom azt az egy napot amit ezzel eltöltöttem, mert így legalább kiráztam ezt a bogarat a fülemből. Van egy csomó olyan kapcsolás amiről mindenki jókat ír, de mégsem érzek késztetést arra, hogy ezeket kipróbáljam, mert tudom, hogy nem fognak jól szólni. Sem nálam, sem másnál. Egyelőre selejtezek, hogy mik azok amikre érdemes figyelni és mik azok amiket csak felesleges idő/pénz pocsékolás lenne megépíteni. Lehet ezt "alkotói válságnak" is nevezni, ahogy compozit nagyon szellemesen megjegyzi   
				Megnéztem. Te nem szoktál hülyeségeket írni. Rémlik, hogy ezt is valami szkópban láttad még régebben és említetted is, meg is mutattad, ki is próbáltam. Nekem nem működött jól, mert túl sokat akartam. De így - "rendesen" méretezve - teljesen jó. 57 fok fázis nyereség 10MHz-en és ez teljesen ingyen van.... mások ennyiért ölni tudnának.						 
				Mindenre van ésszerű, logikus magyarázat, csak rá kell jönni, meg kell keresni.						 
				Ebben az írásban van valami ésszerű, vagy logikus? Tudálékos süketelés.  De valaki ezt már kitette egyszer. Akkor is felállt tőle a szőr a hátamon 
				Ugyan már… Ezt ki írta? Mert azt sajnos nem találom… De részigazságok sokaságát tartalmazza, még műszaki ferdítés és hiányosság is bőven akad benne. Amíg nem értjük teljesen a hallás, a hangérzékelés működését, addig csak erről az oldalról kapargatjuk a dolgokat. Villamos mérések… Sajnos biztosan kevés! És mit is mérünk? És mivel? Deklarált jelekkel… A működés, a főbb paraméterek megállapítására alkalmas, mégis két azonos paraméterekkel rendelkező erősítő képes máshogy szólni… Szóval ezek a mérések ezen különbségek megállapítására alkalmatlanok, de a technicisták imádnak beléjük kapaszkodni… 
				Szépen összeszedett iromány. Nagyon logikus. Tetszett. Különösen, hogy nem a szubjektív élményekre támaszkodik. Nemrég olvastam valakitől egy jellegében hasonló irást. Ott a CD lemezekről volt szó. Csak nem találom... nincs meg neked valahol? 
				Szintednek megfelelő, de van benne szubjektivitás is (USB kábel teszt, ABX teszt, kavics meghallgatás... és még). Vannak csak páratlan harmonikusokat tartalmazó hangszer hangok, pl. hegedű és oktávos felharmonikusú hangszerek, pl. zongora (nálad van az erről szóló könyv). Egyik harmonikust sem tartalmazhatja a megfelelően kis torzítású erősítő. És legalább 8-10 féle módon mérnek manapság erősítőket állandósult jelekkel is. Ezért nem szól semmiről ez a "cikk". Úgy rémlik, a  szerzője valami félművelt "hifi guru" a Youtube-ról.  Vannak jobbak: Audioworld 2021 február, 2020 március, 2019 április... ha már ilyenekről szeretnél olvasni. 
				Még az a szerencse, hogy nem a te véleményed a mérvadó a megítélésemben. Én persze elismerem a nagyságodat. És ennek eredményeként eszembe jut egy bölcs ember szlogenje: nem jó ott fűszálnak lenni, ahol az elefántok szeretkeznek... Tehát további kellemes tipródást kívánok! 
				Nem jutubos idióta írta, hanem olyan ember, aki több hangszert ismer, mint a fórum összes tagja együtvéve, mert hát árulja őket egy ideje.   Forrás Gondoltam, hogy neked fájni fog, mert több ezotérikus dologban is belédrúg, amikben te nagyon hiszel. Az a baj, hogy téged szakmai alapon nem lehet észhez téríteni, mert egyszerűen nem érted, pláne a digitális átvitelt, ezért sosem fogod már felfogni, hogy az USB kábeles történet még a tápkábeles őrületnél is nagyobb képtelenség. Tudom, hogy neked is vannak speciális tápkábeleid, meg szinusz generátorod és ez az, ami teljesen hiteltelenné tesz, mert ki vesz komolyan olyasvalakit, aki akár még tudhat is valamit, de lejáratja magát ezotérikus marhaságokkal. Ez van, nálam akkor váltál hiteltelenné először, amikor megmagyaráztad, hogy inkább használsz kicsatolókondenzátort, mint kimenetet kapcsoló relét, mert utóbbiből már láttál hibásat. A hozzászólás módosítva: Máj 1, 2023 Idézet: „...sosem fogod már felfogni, hogy az USB kábeles történet még a tápkábeles őrületnél is nagyobb képtelenség” Nekem a CD demagnetizálása tetszett a legjobban... A hozzászólás módosítva: Máj 1, 2023 
				Amúgy az a legszebb, hogy anno csináltam egy hangfile-t, amibe generáltam bithibákat, de azt egyik audiohallású sem hallotta, de a speciális kézzel gyártott kábelt bezzeg meghallják.    
				Szép dolog ez a drótokon nyalakodás, de valami építő jellegű  hozzászólását is olvasnék.						 
				Na de a bithibákra van valami hibajavítás, a kábelekre meg nincs negatív visszacsatolás.   Emiatt nagyon lényeges a szinuszos hálózati feszültség, max 0,1% THD-val, mert különben nem szól elég transzparensen. Egyszer kipróbáltam, hogy a CD lemezt sugárirányban leragasztottam egy 0,5 mm-es chartpack csikkal. Még csak nem is reccsent a lemez lejátszáskor. Az ezotéria azoknak az embereknek a hülyítésére szolgál, akik alapjaiban véve nem értenek ahhoz, amit vásárolni akarnak. Így a legkönnyebb, a megfoghatatlan dolgokkal meggyőzni őket. Minden a pénzről szól... 
				Szerinted, mennyire építőjellegű a cimborád véleménye rólam, amit itt közzétesz? Idézzem? Vagy ez a Krill szerencsétlenség? Vagy amiket te közzéteszel? Majd ha választ kapok azokra a kérdésekre, amiket az alkotásotokkal kapcsolatban felteszek, akkor számon kérheted az építő jellegű hozzászólásokat. Ezek tükrében, mi értelme lenne bármiféle építőjellegű hozzászólásnak? Holnap teszek fel egy kis gondolkoznivalót. A hozzászólás módosítva: Máj 1, 2023 Idézet: „Tudom, hogy neked is vannak speciális tápkábeleid, meg szinusz generátorod és ez az, ami teljesen hiteltelenné tesz, mert ki vesz komolyan olyasvalakit, aki akár még tudhat is valamit, de lejáratja magát ezotérikus marhaságokkal.” A kábelvitát tényleg ne folytassuk. Maradjunk annyiban, hogy azért használok jó kábeleket mert magamba beszélem, hogy javítanak a hangképen. Akad a hifis világban még néhány százezer elvakult hülye aki szintén nem hall semmit, de úgy tesz mintha hallana és őket sem tudnád meggyőzni az ellenkezőjéről. A "szinuszjel generátorom" viszont műszaki jellegű. Elég sokat eladtam belőle és 100%-os arányban mindenkinél bevált ez az ezoterikus marhaság. Te biztosan meg tudsz győzni minket arról, hogy milyen hátrányokkal jár az ha a hálózati feszültség stabil 230V és DC komponensektől mentes, tiszta szinuszjel. Nálam általában elég kicsi a hálózat torzítása, mert a sarkon van egy 25 kW-os leválasztó trafó ami megszűri, de mégis meghallatszik, hogy be van kötve a tápregenerátor, vagy sem. (Magamba beszélem ezt is.) Viszont mutatok egy pesti bérházas mérést Gery78 jóvoltából, ami még neked is meghökkentő lesz... és egy olyan ember véleményét Miskolcról, akit egyszer láttam életemben öt percig és semmilyen kapcsolatom nincs vele. A csatolókondiról lehet, hogy megváltozott a véleményem az utóbbi napok tapasztalatai alapján, de a reléről soha nem fog, mert már többször hallottam a torzítását a saját ezoterikus, öreg, süket fülemmel. Rólad meg nem gondolok semmit, mert értelmetlen lenne veled foglalkoznom. 
				Ez megint tipikusan az, ami a linkelt cikkben is tökéletesen le van írva. Nem műszaki paraméterekkel érvelsz, hanem azzal, hogy valaki más is hallja.  A színusz jelet mutatod, nem azt, hogy a hálózati feszültség mellett XY paramétert mérsz az erősítőn, a színusz generátorral pedig mást, hanem magát a jelet, ami persze szebb, csak nem releváns. Persze elképzelhető, hogy jobban szól az erősítőd az alacsony torzítású színuszról, de akkor nagyon rossz a konstrukció. A relé torzítását hallod? Küldtem neked már impedanciamérést 5Hz-től 40KHz-ig egy reléről, tökéletes rövidzárat sikerült mérnmi rajta, de te hallod. Ugyanmár... Az ilyenekkel a valódi szakmai hozzászólásaidat erőszakolod meg. Idézet: „Akad a hifis világban még néhány százezer elvakult hülye aki szintén nem hall semmit, de úgy tesz mintha hallana és őket sem tudnád meggyőzni az ellenkezőjéről.” Igen, jó sok a tudatlan hülye ez nem újdonság! A hozzászólás módosítva: Máj 2, 2023 
				Hallottál már a tápelnyomás fogalmáról? Tőled nagyon sokat lehet tanulni úgy veszem észre. Felteszem neked is a világ legegyszerűbb kérdését: melyik az a paramétere egy erősítőnek amelyik szoros összefüggésben van a hallott hangminőséggel? Vagy minden erősítő egyformán szól? Egyáltalán hallottál már valaha bármilyen különbséget két erősítő hangja között? Mennyire számít ezoterikus marhaságnak az ha egy erősítővel zenét hallgatunk? Mennyire lehet jó minőségű a Pirit Endre féle végfokod ha két különböző kábel között semmilyen különbséget nem hallasz? Egyáltalán volt már a kezeid között jó minőségű hangszóró vezeték, vagy csak olvastál róla, hogy van ilyen állat is? Megmutassam neked mekkora feszültség esik 8R terheléssel egy 2x30 cm-es másfeles sodrott rézvezetéken 500 Hz-en és 10 kHz-en szinuszjellel mérve? Ha egy relé érintkezőin te nulla ellenállást mérsz az mérési hiba és a hozzá nem értésedet tükrözi. Keressek neked méréseket a relék érintkezőinek torzításairól, vagy van google barátod neked is? Idézet: „Igen, jó sok a tudatlan hülye ez nem újdonság” Mindenki szembe jön veled, vagy csak te haladsz rossz sávban? Befejeztem, mert ennek nincs semmi értelme! Ami más fórumokon teljesen természetesnek számít, itt még óvodás szinten van. Olyan, mintha a sapkámmal vitatkoznék. | Bejelentkezés Hirdetés | 

































