Fórum témák
» Több friss téma |
Itt a rajz, csak a relé kontaktusainak a számazása nem stimmel. Azt javitsd ki és igy menni fog
A keresett kapcsolásod egyezik a teleszkópos antennaforgatóéval. A végálláskapcsolók diódát nyitnak, hogy a motor csak a visszirányba tudjon elindulni.
Ha ezek megvannak, a végállás kapcsoló "NC" - "NO" - "C" hova kell? Meg az ellenállást?
Már irtam, légyszives olvasd el figyelmesen. NC - normally closed, azaz alaphelyzetben zárt. (De ezt egy ohmmérövel, csengovel is kimérheted). C a közös - common.
Ellenállásrol meg nem tudok. A hozzászólás módosítva: Jan 17, 2020
Köszönöm a segítséget!
Nem fárasztani akartalak, csak én teljesen Hülye vagyok ezekhez a dolgokhoz.
Akkor csináltasd meg valakivel a közelben. Egyszerübb és müködni is fog.
Sziasztok!
Adott egy 1 dc motor (12v) 2 végálláskapcsolóval és egy kapcsolóval! Ha fixen kapcsolom a feszültséget a motor elteker az egyik végpontba és megáll utánna lekapcsolom! Ha újra kapcsolom, elteker a másik végpontba és megáll.....! Tudna nekem valaki kapcsolást rajzolni hozzá? Előre is köszönöm!
Kicsit segítek: A két végálláskapcsolóval párhuzamosan kell kötni 1-1 (a motor áramát elbíró) diódát (megfelelő polaritással) . A kapcsolókat meg sorbakötni a motorral. De, a visszirányú forgáshoz fordított polaritású feszültséget kell rákapcsolnod.
Ennél egyszerűbbet nem ismerek... A hozzászólás módosítva: Okt 2, 2020
Sziasztok, olyan világítást tervezek a garázsba, ami akkor kapcsol fel, mikor a garázskapu kinyílik (teljesen) és akkor kapcsol le, mikor a kapu elkezd becsukódni. Ezt egy rugószáras végállás kapcsolóval gondoltam megvalósítani. Viszont nem találok sehol infót, hogy egy ilyen kapcsoló csak megszakítani tud-e egy áramkört, vagy beköthető úgy is, ahogy nekem kellene: nyugalmi állapotban nyitott és kapcsolásra zár. Előre is köszi!
Ezek a "végálláskapcsolók" általában kétállásúak tehát mindkét opciót tudják , itt inkább az a kérdés hogy mekkora teljesítményt kell kapcsolnia ? Én a biztonság kedvéért tennék rá egy mágneskapcsolót ami nagyobb áramot tud kapcsolni mint a lámpák számított árama .
1 db, max. 72W-os sima fénycsöves lámpa. Arra gondoltam, hogy teszek be egy normál billenő kapcsolót is, ha tartósan nyitva akarom hagyni a garázst, vagy egyáltalán nem akarom, hogy működjön (pl. nyáron), akkor azzal lekapcsolom az egészet. Vagy mi más célt szolgálna a mágneskapcsoló?
Úgy csináld meg, hogy a kapcsolóval három funkciót lehessen elérni: automata, fix, kikapcsolva. Hidd el, kelleni fog mindegyik.
A 72W nak nem kell a mágneskapcsoló , nem írtad menyi milyen teljesítményű lámpa lesz azért írtam hogy
Idézet: „Én a biztonság kedvéért tennék rá egy mágneskapcsolót ami nagyobb áramot tud kapcsolni mint a lámpák számított árama .”
Köszi mindenkinek! Beszereztem a kapcsolót, ha lesz időm összerakom a cuccot.
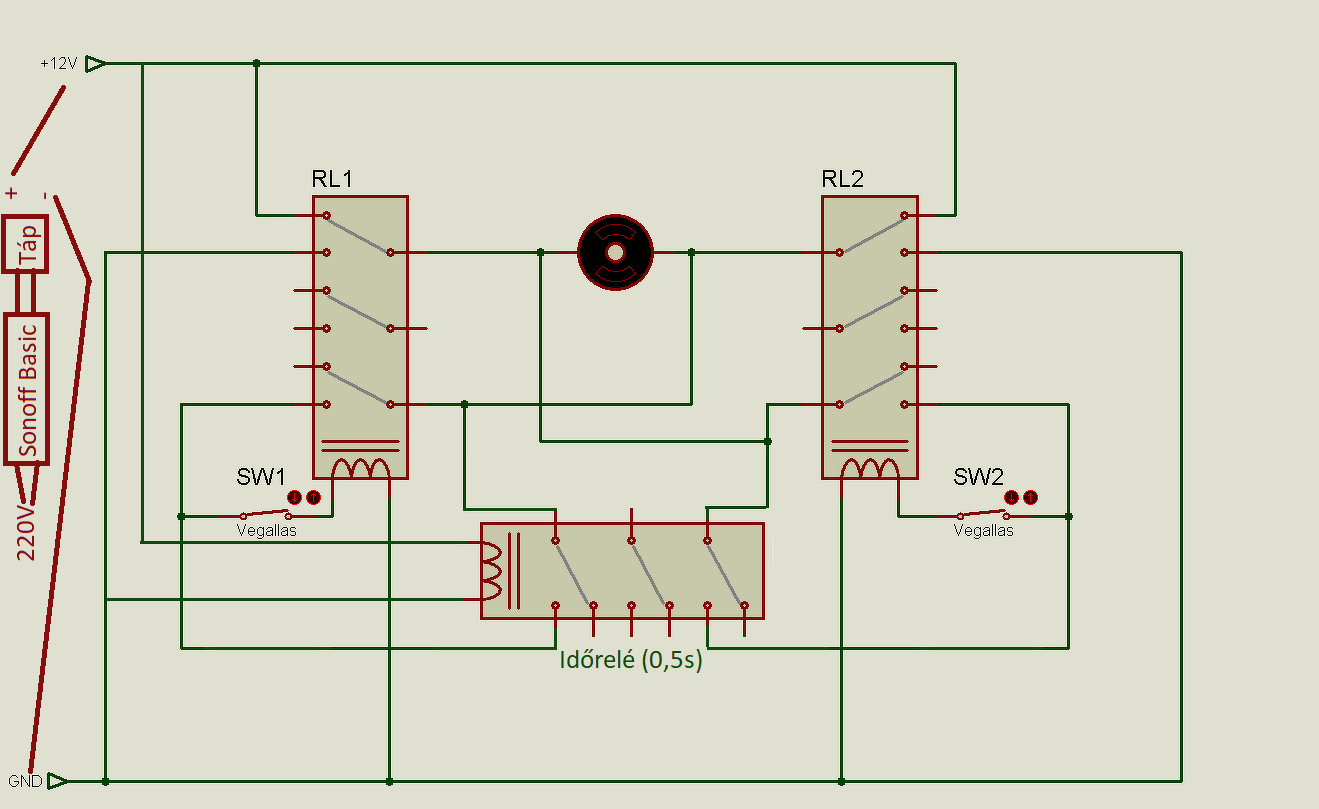
Sziasztok! Ebben topicban találálható kapcsolást kicsit átalakítva megépítettem!
Annyi a gondom vele, hogy ha nem jut el az egyik végállásba a motor, például közpen van, akkor nem indul el, mert a jobb és a bal oldali relé egyszerre húz be! Hogyan lehetne egyszerűen késletetni az egyik relé behuzását! Az nem lényeges hogy merre indul el a motor, csak induljon el valamerre!
Ha a végállás kapcsolók végállásban szakítanak, az egyik relé üres érintőjének alapban záró részét a másik végállás kapcsolójával sorba kötöd, mit csinál ?
Nem egészen erre gondoltam. A reléknél van egy szabad érintő középen, azt sorba a másik végállásával. ( ha csak két váltó érintőd van, akkor tárgytalan.)
Rakj bele még egy relét és ki tudod próbálni...a behúzója párhuzamosan és máris van még 2 váltóérintkeződ.
Még egy relével meg tudom oldani, de úgy már túl nagy lenne!
Ez így működne? Bővebben: Link
Mondjuk fogalmam sincs milyen ellenállás, kondi és tranzisztor kellen hozzá!
Logikailag, mikor meghúzott a jelfogó, és az érintője zár, azt rövidre zárni egy tranzisztorral feleslegesnek gondolnám. Bár lehet valamire jó. Inkább az egyik tekercsével kötnék sorba egy ellenállást, amivel még biztonságosan meghúz, párhuzamosan meg egy kondenzátort. Aztán ha szerencséd van, a másik jelfogó gyorsabb lesz.
Bár most hogy nézegetem, nem értem a két jelfogó hogyan tud egyszerre húzni. Ha együtt húznak, egymás tekercseit kölcsönösen rövidre zárják.
Sziasztok!
Egy 12V-os DC motort szeretnék üzemeltetni 2 végálláskapcsolóval. Ablakemelő kapcsolóval működtetném. Szóval addig forogjon a motor egyik irányba, amíg nyomom a kapcsolót az adott irányba vagy amíg el nem éri a végállás kapcsolót, aztán álljon meg. A másik irányba ugyanígy. Kérhetnék egy kapcsolási rajzot hozzá? Előre is köszönöm!
Sorba kötöd a két végálláskapcsolót a motorral, párhuzamosan kötsz mindkettővel egy egy diódát egyik végállásba egyik irányba a másikba a másik irányba. Ha jól választottad meg a dióda irányokat akkor a bemenetre adott váltott polaritásra a motorod a végálláskapcsolóig megy, aztán leáll. ( figyelem az egyik irányú végálláshoz, a másik végállás kapcsolóval párhuzamos dióda nyitott iránya kell)
Hello! Proba erről beszél. De nem írtad a kapcsolód típusát és a motor áramfelvételét. Mert nem biztos hogy a kapcsoló és a végállás azt elbírja. A képen nincs a kapcsolónak középállása (mert a Tina-ban nincs ilyen) kétáramkörös háromállású On-off-On típusú kell.
Köszönöm a segítséget!
A működtető kapcsoló biztos, hogy elbírja, mert eddig is működött vele. Amúgy ez egy lakóautó lépcsőjét működtetni, csak valamikor megszorulhatott és az előző tulaj teljesen szétbarmolta, most próbálnám valami kultúráltabb módon megoldani a működtetést. Esetleg tudnál tippet adni, hogy milyen végállás kapcsolót használjak? |
Bejelentkezés
Hirdetés |








