Fórum témák
» Több friss téma |
A 4046 két komparátora közül az egyik fáziskomparátor, ez gyakorlatilag egy kizáró-vagy kapu, kb. 90° fáziskülönbségre szabályoz. A másik egy frekvencia és fáziskomparátor, ez egy több tárolóból álló áramkör, aminek 3 állapotú a kimenete, elvileg 0° fázisra szabályoz. Ennek a befogási/behúzási tartománya nagyon széles, viszont a fázist kevésbé tarja stabilan.
Játékból egyszer egy billentyűs hangszert kapcsoltam a bemenetre, és variáltam, a PLL szűrőt, hogy milyen gyorsan kövesse a bemeneti frekvenciát. Nagyon jópofa hangokat lehetett előállítani vele A fáziskomparátort pedig Tesla tekercs frekvenciakövetésére használtam (sikeresen). A hozzászólás módosítva: Jan 3, 2023
Rendeltem pár darab 4046 ost hogy tudjam tanulmányozni. Általában megértem egy ilyen áramkör lényegét de ez egyenlőre elég összetett nekem.
Másik téma. Összeraktam a smitt triggeres műveleti erősítőt és összekötöttem a jeladóval. A jeladóról 2 vezeték jön amiből az egyiket a komparátorra kötöttem a másikat gnd re. Oszcilloszkópon mérve így a negatív félhullám teljesen eltűnik aminek az oka sejtésem szerint hogy a két polaritás felcserélődik és a gnd hez rögzített vezetéken jelenne meg a negatív periódus de mivel rögzítve van így nem fog. Hogyan kellene ezt szakszerűbben és kevésbé gyarló módon összekötni?
Próbáltam visszakeresni, de nekem nem egyértelmű melyik kapcsolást próbáltad most.
Ha egy egy tápos komparátort használtál, mondjuk az LM339-t vagy az LM393-t, és a jeladót közvetlenül a komparátor bemenetére kötötted, akkor a negatív feszültség hatására a komparátor bemenetén lévő tranzisztor "kifordul", és a bázis kollektor diódája annak tűrőképességéig megakadályozza, hogy a bemenet negatívabb feszültségre menjen, mint a dióda nyitófeszültsége. Ha ez így van, akkor ezt az üzemmódot el kell kerülni, mert tönkre mehet az IC, és a kimenetén se megfelelő jel lesz. Elkerülhető ez, ha egy soros áramkorlátozó ellenállással csatlakoztatod rá a jeladó jelét a bemenetre, és egy schottky diódával véded (pl.: 1N5817), amivel -0,3V alá nem szabad engedni a bemenetet.
Nemrég találtam erre én is. Mondjuk a matekhoz sajnos hülye vagyok ilyen szinten de attól még nagyon hasznos volt, érdemes megnézni az összest. Jók ezek az interaktív húzogatós rajzok. A dir jelet könnyű kinyerni, 2.5V felett vagy alatt van a szűrő. De a step? Milyen gyorsan lépteted a motort? Arányosnak kéne legyen a beállított és megvalósult fordulatszám eltérésével. Mondjuk van a 4046ban vco is, de elég trükkös lehet ezt megvalósítani analóg módon.
A hozzászólás módosítva: Jan 6, 2023
A step jelhez egy külön pwm jelet generálok 5us széles impulzusokra van szüksége a vezérlőnek. Ezt a jelet aztán potméterrel kedvemre állíthatom és hozzá tudom idomítani a vezérlés fürgeségét a motor lomhaságához. Amikor megérkezik a dir jel egyszerűen bekapuzom méllé a step jelet.
A hozzászólás módosítva: Jan 6, 2023
Végül is ha a frekvenciaváĺtó nem szól érte lehet nem fog nagy problémát okozni a hosszú beállási idő ebben az alkalmazásban.
Az LM358 bemenete hasonló, ebből a szempontból ugyan olyan.
Nem kell kettős táp, vagy más IC, csak tedd rá a védelmet, amit javasoltam.
Sziasztok. Kérdésem lenne a hozzáértöbb szakiknak az analóg világból
. MCU -val figyelnék és mérnék egy érzékelő adatait (jelerősség (pozitív félperiódus csúcsfeszültség), rezgés frekvencia)Adott egy állandómágnes + tekercs érzékelő (rezgésre feszültség indukálódik) ami kb. 2 től 400 mV színusz jelet ad ki a ráható mechanikai rezgéssel arányosan. Az elképzelésem hogy a bejövő jelet egy preciziós egyenirányítóval (OPA) egyenirányítom, erősítem innen nullátmenetet figyelem és továbbá figyelném a csúcsfeszültséget. Kérdésem hogy ez megfelelő sorrend lenne vagy előbb kellene hogy erősítsem a kis jelet és később egyenirányítsam, ha igen miért? LM358 megfelelő a célra? Akkor már rendelek alkatrészeket esetleg melyek azok a müv. erősítők amelyek mindig jó ha vannak a ház körül? Köszönöm és elnézést a láma kérdésekért.
Mindenképpen előbb erősítsd, aztán irányítsd egyen! AC erősítést hiba nélkül meg lehet oldani, míg a DC erősítéseknél már offset gondok lesznek!
Ráadásul a prec egyenirányító is akkor lineáris(és bírja jobban a frekvenciát is), ha nem kell feleslegesen kis jeleket erősítenie!
Előbb mindenképpen a váltó jelet kell felerősíteni a kívánt szintre, így elkerülhetők az egyenáramú erősítők nyűgjei különösen kis jelszinten (offset, drift) (pl.némely precíziós műveleti erősítőkben alkalmazzák azt a megoldást ahol is a bemenő jelet gyakorlatilag váltóvá alakítják (chopper stabilizált műveleti erősítők)).
Az lm358 nagyon jó kis opamp, persze nem a legprecízebb, de az olcsósága miatt egy próbát megér (ha nem válik be precízebbre cseréled). Nyilván az ár nem mindegy (legalábbis nálam) ezért a következőket javaslom: lm358,324 mindig jó ha van, aztán pár rail-to-rail opamp (meg kell nézni, hogy a bemenet és a kimenet is az legyen) pl. mc33201, legyen fet bemenetű is pl.tl06x, tl08x, hangfrekis: pl ne5532-4, 5 voltos (pl. microchip kínálatából), aztán precíziós (itt csak a pénztárca szab határt) (Remélem mások még kiegészítik)
Köszönöm mindkettőtöknek. Volt egy érzésem hogy nem a legjobb az első ötletem, még ha szimulátorban jól is müködött, persze gondoltam hogy más lehet a valós életben. Köszi a javaslatokat, LM358 van itthon ezt használtam mikor szükségem volt feszültség követő kapcsolásra analóg jelnél és eddig nem volt gondom vele viszont kis jel erösítésénél nem voltam biztos benne hogy a megfelelő számomra, megpróbálom. Többször találkoztam már a 741 es erősítőkkel de gondolom ezek már igen elavult jószágok, többek között itt a topicban is mondogatják hogy inkább kerüljük őket, vannak jobbak ettől.
Sziasztok
Van egy mérő áramköröm ami alaphelyzetbe DC2,5V feszültséget ad ki magából, ha elkezd dolgozni a szenzor akkor 150mV-tal emelkedik meg a kimenő feszültsége, vagyis a kimeneten lesz 2,65V. Ezt a változást kellene nekem detektálnom egy leddel. Vagyis ha 2,5V van akkor a led nem világit, ha eléri a 2,65V-ot a led elkezd világítani. Ezt milyen kapcsolással tudnám megoldani? Segítséget előre is köszönöm! Üdvözlettel: Zoltán
Köszönöm, ugye mikor azt sem tudom, hogy mit keresek
Sziasztok.
A sok melo mellett azért foglalkoztam az agregátorral és gyakorlatilag már szinte minden összeállt és elkezdhettem tesztelni a vezérlést amit álmodtam (tunk) neki. A prototípust össze is állítottam és tulajdonképp működik is de gyalázatosan nehéz beállítani. Emlékeztetőül: a jeladóm négyszögjelet szolgáltat, amit egy XOR kapu segítségével PWM jellegűvé alakítok, majd ezt integrálva az átlagértékét kapom egyenfeszültségben. Ez eddig működőképesnek tűnik viszont itt 2db komparátorba fut be a jel amit két külön trimmer potméterrel állítok amik ráadásul nem sokfordulatosak ami szintén nehézséget okoz. A probléma hogy jobb lenne inkább ablakkomparátort használni és 1 db potméterrel állítani a fordulatszámot, egy másikkal pedig az ablak szélességét. Esetleg némi hiszterézis lehetősége is megfontolandó mert miután kínkeservesen beállítom oda vissza szabályozgat. Persze nagyon piciket de szabályoz. Ez gondolom állítható hiszterézissel kiküszöbölhető lenne. Tud erre valaki egy nem túl bonyolult kapcsolást prezentálni nekem?
Szerintem menjél át az aggregátorosba, ott jobb helye lenne.
Amúgy érdekel a kimentele az egésznek.
Jogos az észrevétel csak gondoltam mivel műveleti erősítős kapcsolásról van szó és annak gyakorlati alkalmazásáról így talán annyira itt sincs rossz helyen
Hello! "A probléma hogy jobb lenne inkább ablakkomparátort használni.."
Én megrajzoltam, hogy lehet ezt analóg módon elkövetni, bár én nem vagyok biztos benne, hogy Te tényleg ablakkomparátort szeretnél használni. De mindegy, tanulságnak biztos jó. - A P1-el lehet az ablakkomparátor középpontját beállítani. Hogy ez szimmetrikus legyen az SP pontra, arról az R3-R4 gondoskodik. - A P2 állítja az ablak szélességét, amit egy áramgenerátor táplál. Így az ablak szélessége változatlan az SP értékétől. (Persze a működési tartományán belül, mert az ablak alsó pont feszültsége nem lehet kisebb, mint az áramgenerátor R5 figyelő ellenállásának feszültsége.) - Az áramgenerátor árama kb. 1mA, tehát az ablak szélessége, nem lehet 1V-nál nagyobb és kisebb mint a hiszterézis kétszerese. A hiszterézis értékét az áramgenerátor áramának módosításával állítjuk elő. Így a visszabillenési érték, mindig kisebb mint ablak beállított szélessége.
Igazad van az ablakkomparátorral kapcsolatban. Jól belehet állítani de így csak az dől el hogy kell szabályozni vagy nem és arról nem nyújt információt hogy merre induljon a szabályzás.
Gondoltam. Amúgy külön lehet választani a két kimenetet, hogy legyen "fel-le" irány.
De ettől még ez egy kétfokozatú kétállású szabályzó lesz egy holt zónával, ami maga az ablak. De minden kétállású szabályzás leng a szabályozási pont körül. Ezért használnak arányos P, vagy PI, vagy PID szabályzókat a szabályozási eltérések/lengések csökkentésére. Feltéve hogy maga a beavatkozó, nem egy kétállású eszköz.
Léptetőmotor avatkozik be egy orsón keresztül húzza tolja a gázt ameddig a jeladó jelei be nem viszik a vezérlést a holt zónába.
Sziasztok!
Már többször felmerült problémaként, hogy a keleti régióból érkező félvezetők gyakorta hamisak. Sajnos nem mindig egyértelmű, hogy valóban azok, vagy csak az alkalmazott kapcsolás miatt nem hozza az elvárt paramétereket. Korábban közöltem egy mérési módszert, amivel az átcimkkézett TDA2030 megkülönböztethető az eredeti LM1875-től. Most vásároltam egy Tpa3255 erősítő modult, amin található a bemenetek előtt egy-egy NE5532 kettős műveleti erősítő. A Tpa3255 eredetiségében nem kételkedtem, mivel annyira összetett IC, hogy nem fogják legyártani újra, átcimkézni meg nincs mit ilyenre. Viszont egy kettős műveleti erősítő az annyira lábkompatibilis a többivel, hogy ebben a kapcsolásban gyakorlatilag bármelyiket lehet használni bármelyik helyett. Legfeljebb érzékenyebb fülű egyének veszik észre, hogy valami nem az igazi. MP3-as tucc-tucc izén felnőtt emberek észre sem vennék a csalást. Szóval kipróbáltam a modult, de hirtelen semmi hibát nem vettem észre. Persze romlik a fülem, meg nem is volt tisztességes a hallgatás teszt, de nem hagytam annyiban. Kíváncsi voltam eredeti e az NE5532. Itt is egyszerú az ellenőrzés a TDA2030-hoz hasonlóan, mert az NE5532 invertáló és neminvertáló bemeneti között mindkét irányban egy PN átmenetet kell mérnünk. Gyakorlatilag egy antiparalel dióda van ott. Rámértem, nincs. Szerencsére foglalatban van, nekem pedig van itthon eredeti. Gyorsan tisztességes zeneanyag, tisztességes hangsugárzó, és újabb meghallgatás. Most ár figyeltem a részletekre. Oda-vissza csere, és valóban hallatszik az eltérés. Viszont mégegy próba Mc33078-al. Ebből is van egy marékkal, és garantáltan eredeti. Ez egy fokkal még szebben szól. Nem is bántom tovább, ez marad. A lényeg, hogy csak az eredeti NE5532 bemeneti között mérhető antiparalel dióda. Pontosabban diódaként bekötött két tranzisztor, de ez a mérés szempontjából most lényegtelen. Volt más tapasztalatom is hamis félvezetőkkel, majd ha meglelem a helyét, írok ezekről is.
Igen, ott vannak a diódá-nak kötött tranyók.
Érdekes lenne tudni, hogy melyik típusú duál műveleti erősítőt látták érdemesnek átcímkézni.
Ha időm engedi megpróbálom szűkíteni a kört. A bemenetek PN átmenet viszonya a táp okhoz képest, a kimeneté ugyanígy, valamint tesz áramkörben meg lehet nézni, hogy a be és kimenetek meddig üzemelnek a negatív táp közelében. A kimenet meddig megy fel a pozitív tápig terhelve és terheletlenül. Ilyen teszteket lehet csinálni.
Sziasztok!
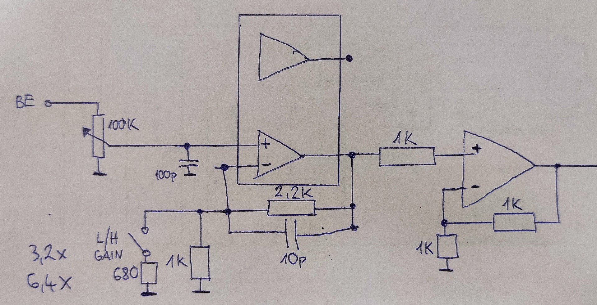
A nemrég vásárolt fejhallgató erősítőm kapcsolását tegnap lerajzoltam, legalábbis egy részét. A bemenő fokozatban egy OPA2604 található. Az erősítése egy kapcsolóval változtatható, ha jól értelmezem akkor az invertáló bemeneten egy második (680 ohm) ellenállást is rákapcsol a fix 1k ellenállással párhuzamosan a föld felé. Két kérdésem is lenne. 1. Mivel még Low-gain állásban is túl hangos az erősítő még a poti középállásában is, lejjeb szeretném venni az erősítés mértékét. Szerintetek milyen értékű ellenállásokkal kéne helyettesíteni a jelenlegieket ehhez? 2. Az erősítő bemenő impedanciája vajon mekkora? Ezt a csatolt rajz alapján meg lehet saccolni?
Saccolni lehet. Kb a potméterrel egyenlő. De egyszerűbb lenne a 680Ω-ost 2,2kΩ-ra cserélni. Akkor viszont elég a második fokozat, mert nem kell erősíteni.
Hello!
1. Az erősítést a felére csökkentheted, ha a második műveleti erősítő invertáló bemenet (-) és a GND közötti 1k ellenállást kiemeled. Vagy csökkented az első erősítőnél a 2,2k értékét. 2 A bemeneti impedancia megegyezik a potméter ellenállásával.
Annyit még hozzátennék, hogy nekem egy picit magasnak tűnik az erősítő alapzaja, pedig elvileg a második fokozatban lévő TPA6120A2 kb. zajtalan kéne, hogy legyen. Ahogy tekerem a potit, úgy növekszik a zaj. Szerintem az első fokozat körül keletkezhet a zaj. Ennek ismeretében esetleg az ellenállás értékekkel nem lehet baj?
Szia!
1. Az egyik lehetőség: 2. fokozat föld felé menő ellenállását kiforrasztod, Akkor az erősítés x2 helyett x1 lesz. 2. Ha még akkor is sok a hangerő, akkor az 1. fokozatban az 1k Helyett 2,2k vagy amíg nem lesz elég halk. Meg kell hogy mondjam, érdekes, amit írsz. A hangerő szabályzó potival, mindig be lehet állítani a megfeleő hangerőt. Nem váletlenül csinálták olyanra, amilyenre. 3. A műveleti erősítő FET bementű, tehát a bemenő impedanciát gyakorlatilag a potméter határozza meg. 100kOhm. |
Bejelentkezés
Hirdetés |





. MCU -val figyelnék és mérnék egy érzékelő adatait (jelerősség (pozitív félperiódus csúcsfeszültség), rezgés frekvencia)Adott egy állandómágnes + tekercs érzékelő (rezgésre feszültség indukálódik) ami kb. 2 től 400 mV színusz jelet ad ki a ráható mechanikai rezgéssel arányosan. Az elképzelésem hogy a bejövő jelet egy preciziós egyenirányítóval (OPA) egyenirányítom, erősítem innen nullátmenetet figyelem és továbbá figyelném a csúcsfeszültséget. Kérdésem hogy ez megfelelő sorrend lenne vagy előbb kellene hogy erősítsem a kis jelet és később egyenirányítsam, ha igen miért?




