Fórum témák
» Több friss téma |
Hy all!
Kérdésem az lenne, hogy hogyan lehetne megoldani azt, hogy a matáv telefon-hálózat nélkül összekötni egymással két telefont? Mekkora táp kell neki és kell e valamilyen elektronika hozzá? Saját telefonközpontot pedig nincs kedvem venni. :no: Javaslat?
A mellékelt scannelt rajzon szerintem csak régi típusu készülékekkel megy inkábbb, ujakkal nem.Próba cseresznye.
Szerintem működik ezzel is! A működési elv nem vátozott sokat a feltalálás óta.......
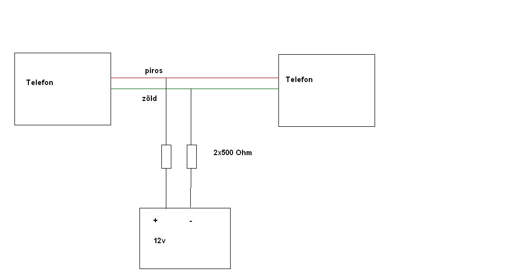
Legegyszerűbb megoldás a mellékelt fájlban:
Öcsém!!!! Hát ez kész! ![]() Na most kiment a hülyeség biztosíték az agyamban......
Az tény hogy a cimben szereplő kérdésre adtad meg a választ! Ezt nem is tagadom....
De spárgával összekötni........ Ááááááááááááááá
mivell mással kötötte volna össze?Esetleg kondenz csíkkal?
Hú!!
Tulaj adta jogaimnál fogva megtehetem , és szerintem azért nem haragszik senki ha Norbertonak is adunk pontot... Ez nagyon ott van
Kösz
![]() (olyan jó poénnak tűnt ez a dolog, mikor olvastam, hogy 2 telefon összekötése)
Azt a korsó sört szerintem átkellen neki fax-olni.
Törekedjünk az egyszerűségre!
:yes: Na de ennyire!!!???
Óvást nyujtok be,ugyanis a címben matáv telefonról van szó. Az viszont sokkal bonyolultabb mint egy egyszerü mobil. Ugyanis a matávot a kagyló spirál zsinorjánál fogva kell összekötni,és nem csomóra "az csak a mobilnál működik" hanem masnira,és azt is balról jobra.
Így jó lesz?[pic]http://www.bayerischer-brauerbund.de/contentserv/bayerisches-bier.d...um.jpg[/pic]
Idézet: „nem csomóra "az csak a mobilnál működik" hanem masnira,és azt is balról jobra” Először én is úgy akartam, de az túl snassz lett volna ![]() Egyébként meg a topik címében sehol nincs, hogy milyen telefon...csak hogy: "telefon"
Hello
Tetszett Norberto otletes megoldása ![]() Egyébként méllékelem azt ahogy az uj telefonokkal mukodik ez biztos ezerszer csinaltam. ![]() Kicsit moricka rajz de tutira mukodik
Sziasztok.Olyan kérdésem lenne hogy a szembe szomszéddal hogyan tudnánk egymással beszélgetni és valami hívóhangot adni egymásnak.Jó lenne hogyha vezeték nélküli lenne.
(de az is jó ha valaki vezetékesbe tudna segíteni) Előre is köszönöm !!!!
Vegyetek 10ezerér-t PMR-t Tescoba is van, és 2 darab jár érte.Annál egyszerübb nincs.És vezetéknélküli.Max 2 tápegységet kell csinálni hozzá.
A madzagossal? Megrázza a miskulanciát, és lesz olyan csörömpölés, hogy namég!
Amúgy komoly(abb)ra fordítva a szót: Ezzel, amit Creative feltett rajzot, ezzel sehogyan. A csengetéshez ennél jóval nagyobb, 50-60 V-os ~ fesz kell.
Hello
Így van ezzel nem tudsz csörögni csak beszélgetni csináltuk egy időben hogy 3-4 9voltos elemet sorba kotottunk foldet eggyesitettuk es mikor csorogni akartunk akkor egy mikrokapcsoloval ranyomtuk a pozitivra es vinnyogot mint atom de en is azt javaslom hogy a madzagon osszekotott telokat razd meg mert ugy tuti hangos lesz a dolog egyébként az elso rajz is ezen alapul marmint amit mondtam szoval probalgasd csak baja nem lesz csak ne forditsd meg a polaritast azt nem szereti
A vezetékestelefonok alapba -48V-ot kapnak. A csörgetési fesz pedig olyan 100-120V váltó.......
És mellékesen megjegyzem hogy nem szabad nagy terhelést rákötni a telefon vonalra..... Egyszer voltam bent egy Matáv központban. batár nagy csarnok tele akksikkal........ ez volt a Back-Up. Nah napközbe a kijelző azt mutatta a kapcsolószekrényen, hogy -48V és 52A a pillanatnyi áramfelvétel...... Lóghatott rajta egy pár telefon azthiszem.......
A 48V-ot (pontosabban 52V-ot) akészülék lerakott állapotban kapja. Mihelyt felveszed a kagylót ez az feszültség leesik 10-12V-ra. A vonali áram 50mA körül mozog. Így amit creative közölt rajz használható beszélgetésre, de csengetésre nem. Az a lényeg, hogy a "vonali" áram kb 50 mA legyen. a csengetésre az 50 V-os 25Hz-es váltakozó fesz már használható. A szabványos csengető fesz valóban 100-120V, 25Hz-es frekivel.
52V! Ezt megmérted? Vagy hogyan jött ki? Én összeszámoltam a Back-Up akksikat és 24db 2V-os akksi volt sorba kapcsolva. Az viszont igaz hogy ha felveszi az ember a kagylót akkor leesik a fesz 10-12V-ra. És az 50mA is stimm.
Én építettem ilyen áram kört két telefonhoz kb 14 éve azóta is működik öt példányban kifogástalanul,egy probléma azonban van ez még jelfogókkal (relékkel) működik, mivel akkoriban még leginkább ez volt az elérhető alkatrészekből megépíthető.Ha érdekel írd meg és megkeresem a rajzát és felteszem ide.
A működése teljesen autómatikus, felveszed az egyik "kagylót" a másik telefon szaggatottan csenget, és viszont. |
Bejelentkezés
Hirdetés |







, és szerintem azért nem haragszik senki ha Norbertonak is adunk pontot... Ez nagyon ott van
:yes:
Na de ennyire!!!???
