Fórum témák
» Több friss téma |
Korábban szóba került, hogy én mit is használok, hát feldobnám akkor ide, hogy tudna-.e valaki okosítani rajta esetleg.
Ami a lényege, célja az erősítőnek az a DC-tól egyenletes átvitel legalább 40KHz-ig. A tízszeresnél nem több feszültségerősítés (de inkább max 6x), mivel a DAC 4.5V RMS kimenővel dolgozik. És persze a minél alacsonyabb THD. Nekem az alábbit sikerült megszülnöm, érdekelne, hogy volna-e valakinek javaslata, ami a fentieket teljesíteni tudja, amiből a legnehezebb az alacsony erősítés ugyebár.
Majd átnézzük, (megvan CM-ben) de ez több sebtől vérzik. Mire minden hibát kiszedünk egy teljesen más kapcsolás lesz belőle : )
A hozzászólás módosítva: Okt 11, 2023
Tulajdonképpen egy erősítőt rá lehet kötni a 400V vonali feszültségre is... Erre azért nem kén' méretezni.
Komplex terhelés? A másik topikban ott van egy szimuláció, tisztán kondenzátor terheléssel. ( 1 µF ) Én nem hinném, hogy lenne erősítéstartalék, ha mégis van, az nagyon elenyésző lehet. A többire, holnap. Lehet, hogy ugyanarra gondolsz, de én nem értem. Olyan diagramot nem tettél fel, ahol a rajzod szerint fent van az előremenő ág Bode-ja, meg a kimenet Bode-ja. ( input-fb és zárt )
Ha jól gondolom, akkor ez Multisimban készült. Tedd fel az MS fájlt.
Más... Csak erős idegzetűeknek.
Az időparadoxon: KD-nek két érve volt az ellen, hogy a negatív fázistolás az nem késleltetés. - Az első az volt, hogy fázistolást vissza lehet állítani, a késleltetést viszont nem. Ezt most ne ragozzuk... szerintem nem volt (mindenben) igaza, ezt már félig (meddig) bebizonyítottam. - A második, - és ez volt a fő érv - hogy a futási idő lehet negatív is. Negatív idő pedig nem létezhet, mert ez időparadoxon lenne. A kimenetre nem érkezhet meg a jel azelőtt mielőtt a bemeneten megjelenne. Most azt mutatom meg, hogy bár kissé furának tűnik, de meg tudja előzni a kimeneti jel a bementi jelet. Úgy tudja megelőzni, hogy a jel "eleje" nincs ott. Eltűnik a semmiben. - A futási idő diagramján ("A" ábra) látjuk az időparadoxont. A kimeneti jel -660 ns-ot előre siet a bemenetihez képest. - A fázis diagramon ("E" ábra) látjuk a kimeneti jel fázisát. 100 kHz-en, +25 fokkal előre siet. - A tranziens analízis ("B" ábra) diagramján a 100 kHz szinuszok amplitó és fázisviszonyai láthatóak a kapcsolás összes fontosabb csomópontján. - Az amplitúdók pontos feszültségértékei a "C" diagramról leolvashatóak. Két óra alvást követően most piszkosul elálmosodtam és eltompultam hirtelen, majd folytatom...
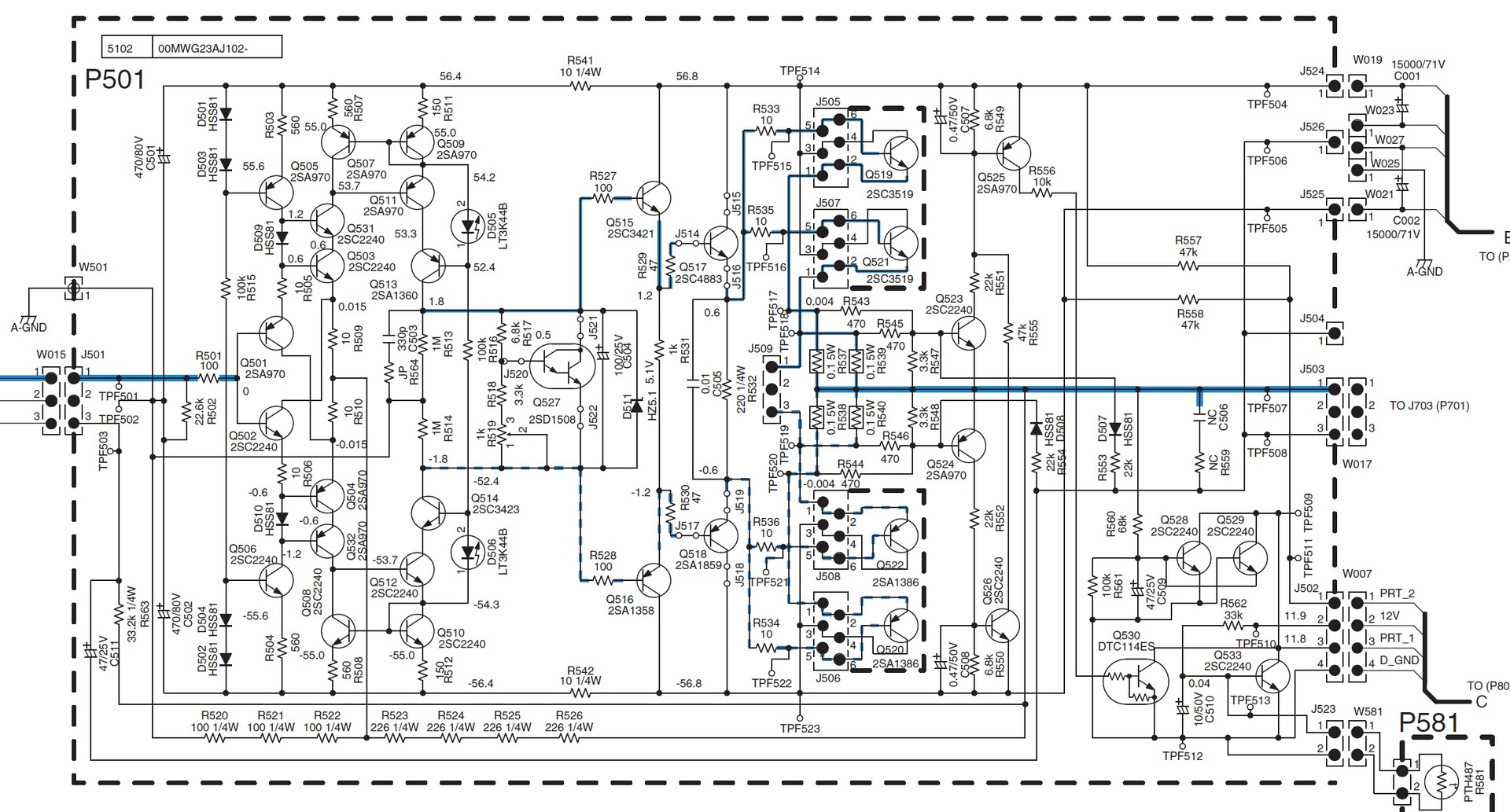
Nem egyedülálló ami szeretnél. A csatolt képen látható -igaz kicsit bonyolultabb- végfok erősítése 4-szeres. Kicsit lehet egyszerűsíteni rajta, növelni az erősítést, a 4db 226ohmos ellenállás cseréjével. Esetleg adni neki egy DC szervót, és kész is.
Marantzék legalább tudták azt az alapvető dolgot amit a tucaterősítő építők és gyártók nem, hogy egy néhány mA-en járó VAS fokozat meg a hangszóró közé bizony kell a tripla darlington, ellenkező esetben a végtranyók áramszükséglete a kelleténél jobban terheli a VAS fokozatot ami "belehallatszik" a hangképbe.
Ez erősen túlzás, DC szervo kizárva.
Ge Lee: Vagy csak azt tudták, hogy 4ohm-ra is alkalmasnak kell lennie az erősítőnek és a végtranzisztoraik alacsony erősítésüek. Ne keverd ide a mágiát. A hozzászólás módosítva: Okt 12, 2023
Nem túlzás, csak rendesen meg van tervezve. Elmegy szervó nélkül is, de akkor érdemes a visszacsatolásba egy soros kondenzátort tenni.
Elég szép adatokat produkál. A tripla emitterkövető pedig valóban jó dolog, én is csak azt használom.
Olvas el mégegyszer a kirétáriumokat. Nincs DC szervo, se semmi más a DC-t ugyanúgy kell átvinnie az erősítőnek.
DC-t is átvinni fájdalmas lesz, mert a kimeneti 0-t tartani eléggé nezézkes...
Persze az is megoldható, de inkább nyákterv és alkatrész válogatás miatt, mint kapcsolás szempontjából.
Ezen már rég túl vagyok, ott a kapcsolás, amit most is használok évek óta (több is van belőle), teljesen stabil, lépjünk tovább.
Csak érdekesség, hátha tud valaki jobb megoldást. A mellékelt kapcsolásod érdekes, de túl nagy tápfeszre van tervezve és az alkatrészek sem nagyon szerezhetőek be. Persze lehet rajta modosítani, de semmi kedvem babrálni egy ilyen alkatrésztemetővel.
Simán áttervezhető kisebb tápra, nem érzékeny az alkatrészekre sem. Viszonylag széles alkatrészbázissal működik, ezt tapasztalatból mondom.
Ezekből kedvedre válogathatsz : )
Még.... érdekes kapcsolások
Idézet: Akkor miért nem teszed? Megnyitottam a fájlodat a szimulátorban, vicc az egész. Ha ki van vezérelve, még ennél a szoros visszacsatolásnál is van 0,8%-os torzítása 1kHz-en, ha meg beállítasz neki egy általános erősítést akkor még több lesz. Fikázod a csöveseket hogy nem jók semmire. Na ez ami neked itt a csúcs évek óta, összehasonlítás képpen kb. olyan, mint egy csöves 10%-os torzítással, mivel ugye egy félvezetős teljesen máshogy torzít, emiatt annál már a 0,1% is jól hallható. Na ennyit arról hogy ki mit hallgat meg kinek mihez van (vagy nincs füle)... „lépjünk tovább”
Ezzel nem szabad foglalkozni. Az előremenő ág erősítése nagyon kicsi, így aztán a THD 1kHz-en 1% körüli, 20 kHz-en 1,5%.
Ha teszel elé két opampból egy HEC áramkört, akkor már egész jó lehet, illetve átlagos. Csak az a baj, akkor már nagyon bonyolult, ugyanazt el lehet érni egyszerűbben is. A másik, hogy a Multisimet nem így kellene használnod, így nem elég hatékony. Állandóan tekergetni a szkópot, meg az a rakás műszer, szóval szép ez az interaktív szimuláció, de inkább csak oktatásra való. Elküldöm neked az MS fájlt, ahol ne az Interaktiv Simulationt indítsd el, hanem az AC analyzist, vagy Tranziens, vagy Fourier analízist. Akkor kapsz egy teljes képernyős oszcilloszkópot, amin akárhány jellemzőt megjeleníthetsz. Én az MS14.3-at használom, sajnos, nem vagyok benne biztos, hogy neked a 10-es verzió benyalja e a 14,3-as fájlt. Felfelé megy, igaz nem minden verziónál.
Dunát lehet velük rekeszteni. És ezekből sok, elég különleges kapcsolás, csak át kell bogarászni.
DC szervó alatt többnyire egy olyan kapcsolást értünk, ami kvázi felüláteresztő szűrő, de nélkülözi a jelútban a kondenzátort. Viszont létezik olyan DC szervó is, ami megengedi, hogy az erősítő DC-tőt erősítsen. Karesszal agyaltunk rajta régebben. Nem saját ötlet, egy szkóp bemeneti fokozatából loptam ki az elvet. A lényege az, hogy a szervó az erősítő kimenetét nem a GND-hez nullázza ki, hanem a bemenethez. Itt is van felüláteresztő szűrő, de az csak annyit csinál, hogy a töréspont alatt beleszól az erősítésbe, felette nem.
Ha érdekel valakit a kapcsolás, meg tudom mutatni. De szerintem nem okoz nagy fejtörést.
Ismerem a megoldást
De én inkább egy kondit használok, mint szervót.
Ezt használtam első körben az előerősítő impedanciaillesztő fokozatában. Nagyon leszerepelt hangilag... de lehet, csak ehhez éppen nem illeszkedett. De inkább arra gyanakszom, hogy nem egészségesek azok a hibajavító-erősítők ahol a diszkrét alkatrészekből felépített erősítő hibáját opamp-pal próbáljuk meg kijavítani. De ez csak az én elméletem, nem kell komolyan venni.
Én is kerülöm a szervót ha csak egy mód van rá, de szerintem nem kell pálcát törni fölötte. Sokan használják úgy, hogy mégis -vagy ennek ellenére- nagyon jó hangú végfokot hoznak ki.
Például ott a Gauss. Mi a véleményed az "időparadoxonról" ? Már ha van. A hozzászólás módosítva: Okt 12, 2023
Értem, csak az volt a feltétel, hogy a DC átvitel megmaradjon, de kimeneti ofszethiba se legyen.
AC analyzist szoktam hasznáűlni, ha használom, de én csak az áramkör üzemképességét szoktam ellenőrizni, nem bízok a szimulátorokban. Amúgy nem értem hogy jönnek ki nektek 1%-os THD-k, mert nálam sem a szimulátorban, sem a gyakorlatban nincs a THD 0.05% felett teljes kivezérlésen és 0.01% alatt szobahangerőn, ráadásul hangszóróval terhelve, műterheléssel még kevesebb.
Tény, hogy jobban teljesít egy olyan erősítő ahol nem kell a hibákat javítgatni legyen az DC ofszet, de akkor már tervezéskor úgy kell indítani. Lehet hogy nem kerülhető el néhány egzotikus alkatrész beszerzése. Lehet hogy duál jfet, vagy egyéb nyalánkságok. Ha ez akár beszerzési vagy anyagi probléma miatt nem lehetséges, akkor mint "B" terv jöhet számítás a DC-t átvivő szervó, vagy a DC átvitelről való lemondás. Mondjuk egy 5-10-szeres erősítésű végfoknál nagy baj nem lehet, de egy MC hangszedőtől származó jelet már nem gyerekjáték a hangsugárzóig elvinni. Persze nem lehetetlen. Neked is sikerült.
|
Bejelentkezés
Hirdetés |



























De én inkább egy kondit használok, mint szervót. 