Fórum témák
» Több friss téma |
Van benne egy trimmerkondi a kvarcnál, azt kell óvatosan állítani. Akkor ez napi 8-10 másodperc. Türelemjáték lesz, de lehet eredményt elérni.
Igen, ebayt akartam javasolni, örülök, hogy találtál. (fejből nem tudtam milyen való bele, így nem kerestem, neked előbb meglett )
Kedves Fórumtagok!
A képeken látható óra kapcsán (Elektronika 6 14-03)szeretnék segítséget kérni Tőletek! Hibajelenség: nem lehet beállítani rajta az időt, az ébresztés bekapcsolásakor pedig azonnal riaszt. Korábban előfordult másoknál is, kipróbálnám a táp kondijainak cseréjét, hátha megoldaná a hibát, ám nincsen hozzá kapcsolási rajzom. Valaki tudna adni? Van még esetleg valami, amit érdemes lehet a kondicsere lendületével megeszközölni? Előre is hálás köszönetem!
Kedves Fórumtagok!
Kérem szíves segítségeteket ezzel az elektronika 6 14-03 órával kapcsolatban! Azóta kicseréltem a táp kondijait, ártani bizonnyal nem árt, de a hibajelenség nem szűnt meg. Időt számlálja, nullázni lehet, de beállítani nem, ébreszteni pedig a kapcsoló átbillentésekor azonnal ébreszt.
Igen.
A hiba kapcsán van ötleted? IC hibás lenne?
Sziasztok! Nálam a kijelző csövei egyre halványabbak. Lehet még ilyet valahol beszerezni, esetleg donornak másik ilyen órát vásárolni?
Nem árt elektronikusan átnézni a táp részt, ott is lehet esetleg hiba. Szinte biztos lehet hozzá kapni ebayről, de donor is akadhat. A típust persze nem ártana tudni.
Máskor már raktam róla képet is: Bővebben: Link Ilyen egyedi csövek vannak benne. Mindegyik más fényerejű. Próbáltam már egymás közt csereberélni őket, de csak a hibát teszem át másik helyértékbe. 2 nagyon rossz, 2 épp hogy elmegy fényerejű. Napi használatban van, nem vagyok gyűjtő, max. egy mostani új óra áráig mennék el, többet nem költenék rá. A típusa: Elektronika G 9.02.
Ja akkor nem szóltam, csak előzményekre nem emlékeztem. Akkor egyértelműen a csövek gyengék. Újonnan ilyeneket ebayről lehet, én is onnan vettem pár hónapja, egy ugyanilyen órámhoz. Akkor még kijött egy ezresből darabja, most már valószínű drágább a vámszabályok változása miatt is. De érdemes rákeresned, hátha. IV-12 típusú cső kell neked.
A hozzászólás módosítva: Júl 21, 2021
Sziasztok!
Bocs ha hülyeséget kérdezek, de ezeket az órákat nem lehetne valahogy átalakítani TIL kijelzősre? Van pár VFD hibás Elektronyika órám de ha lehetne nem a nehezen beszerezhető VFD kijelző után kutakodnék, hanem nagyobb 4-5 cm-es (vaksi vagyok) TIL kijelzőt tennék bele. A legújabb óra szerzeményem ugyan nem Elektronyika hanem folyadék kristályos KADIO KD-3810-es. Az elektronikát és a kijelzőket összekötő szalagkábelek szakadtak. A panelt mozgatva bevillannak a hiányzó szegmensek, de mivel a vége ragasztva van két üveglap közé tehetetlen vagyok. Ez már a hatodik órám ami elvileg működik, de kijelző hiba miatt használhatatlan. Ezért szeretnék TIL kijelzőt ha megoldható lenne.
Egyszerűbb volna építeni egy órát. Ilyen nagy kijelzőkkel.
Szia!
Lehet hogy igazad van, régóta szeretnék egy nagy kijelzős órát, de valahogy szeretném a meglevőket hasznosítani. Tudom hogy más tápfeszt igényel a VFD, mást az LCD és mást a LED. De ha maga az óra vezérlés működik, talán egy új kijelzőt lehetne valahogy illeszteni hozzá... Őszintén szólva ez nem "hobbi" projekt lenne, hanem kényszerű spórolás. Egyébként most jut eszembe, hogy egy műanyag házas Elektronyikám úgy lett használhatatlan hogy a "tizes" perckijelzője el kezdett halványulni aztán végleg kihunyt. Ez kijelző hiba, vagy javítható? A többi működik, de így nem lehet tudni hogy 15, 25, vagy hány perc az idő.
Annál a kijelző különálló csövekből áll? ha igen akkor az az egy cső megadta magát. Javítható. Új kijelzőt (led) nyűgösebb lesz hozzáilleszteni.
Szia!
Sajnos egyben van a kijelző. Ilyen óra. A hozzászólás módosítva: Aug 12, 2021
Sziasztok.
Van egy HP nagy méretű katódsugárcsövem, évek óta a szekrényben áll. merhirdettem de a kutyának se kell.Láttam,hogy órát épitettek ks.csövel,és jól nézett ki,tetszett. Gondoltam épitek egy ilyen órát,de sehol nem találtam kapcs.rajzot.Ha valaki épitett már ilyet,szivesen meghallgatnám a véleményét, és persze egy kapcs. rajzot is megköszönnék.
Első körben kellene a tipusa (gyakorlatilag az összes felirat róla) hogy valamennyire képben legyünk.
Egy kijelzőt illeszteni olyan órához, amit nem arra találtak ki, alkatrész temető. Több 10 jelet kell szintilleszteni, ha meg nem csak az hibádzik, akkor dekódolni, és újra kódolni. A VFD az talán még ledesíthető, de az LCD-vel szerintem már vannak egyéb gondok is.
Gugli a barátod. Scope clock. Így keress rá.
Példa.
De a "nagy méretű" számomra kissé ijesztő, mert mert "kicsi" csőből szokták építeni. Az utángyorsítás, több sugár, stb. csak bonyolítja, meg "konyhakész" rajz kevesebb van...
Semmi tipusszám,csupán a hp,és egy kétjegyű szám.13cm-es,és direkt cső,nem utángyorsítós.Próbáltam rákeresni,kínai Aliexpress,de csak nixie csöveshez van.
Ne kelljen már minden információt egyenként kiimádkozni belőled, ha már fénykép nincsen róla.
![]() Például: - Mi az a két szám? - Kerek vagy téglalap alakú? - Az a 13 cm a hossza, átmérője, vagy az átlója? - Hány kivezetése van? - Csőfej bekötés (már amit le tudsz lesni)? - Fűtés hideg ellenállása? - Graticule van rajta? - Hasonlít valamelyikre? A hozzászólás módosítva: Dec 16, 2022
Két kérdés : Szerinted tudni fogja a kérdező mi az a
Idézet: ?„Graticule” és Mi köze ennek a téma címéhez ? Inkább ide való volna a kérdés A hozzászólás módosítva: Dec 16, 2022
A "graticule" az trollkodás volt
, mert kapcsolási rajz szempontjából majdnem mindegy, hogy rá van-e gravírozva a raszter. Ha rá van, akkor lehet hogy kell hozzá elforgatás is, mert hülyén néz ki ha a számok nem párhuzamosak a raszterrel.A topic az tényleg nem jó, de szerintem a moderátoroknak már tele lehet a hócipője, hogy állandóan ugráltatom őket hasonlókkal. Legyen másnak is meg az intéskedés öröme.
Sziasztok,
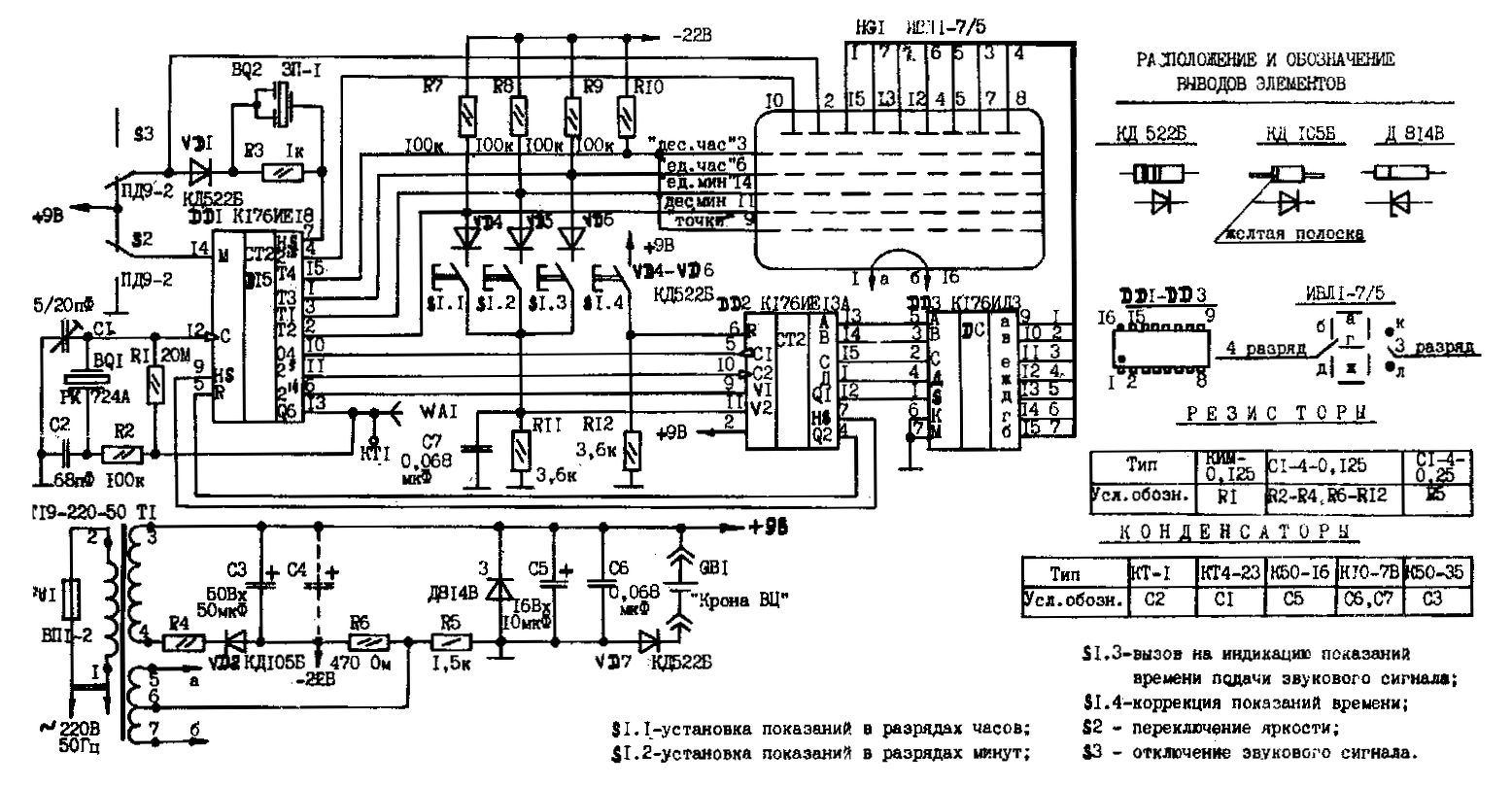
Van egy jól működő 12-41 típusú órám, ezzel kapcsolatban lenne kérdésem, ha sikerül megoldást találni, talán másnak is érdekes lehet. Ebben a típusban nics elemes tartalék táp, ami hálózati kimaradás esetén megőrízné az időt... de én szeretnék bele ![]() Sajnos félhülye vagyok a témához (forrasztani, mérni stb tudok csak tervezni nem), de gondolom hogy kellene egy elem (A KA 1016 HL 1 Ic-nek 15V a bemenő feszültsége, szóval kérdés hogy mi legyen ez, vagy esetleg elmegy-e egy 12V-os távirányító elemmel is), egy dióda az elemtáp egyirányúsítására (töltéssel nem akarok bajlódni, ha évi 2-3 áramszünettel számolva egy elem elég kb. 5 évig) meg megoldás arra, hogy az áramkimaradásnál az áramkör átkapcsoljon (puffer kondi és egy tranzisztor?), illetve hogy elemes üzemmódban kapcsoljon le a kijelző, energiatakarékosságból (tranzisztor?) Ha egyszerűbben meg lehet oldani esetleg egy irdatlan kondival, ami még belefér a házba és amivel legalább 30 percig elketyeg sötéten (gondolom a kijelzőt akkor is le kell kapcsolni), az is jó lenne. Az áramköri rajz itt elérhető csak a felhasználási feltételek miatt nem csatolom be közvetlenül: https://elektrotanya.com/elektronika_12-41_clock_instruction_sch.pd...d.html Nagyon hálás lennék, ha tudnátok segíteni. Egy ismerősöm idős apukájának akarom ajándékozni ezt karácsonyra, akinek van egy ilyenje, és nagyon szereti csak bosszankodik az áramszünetek miatt ![]() Tudom hogy más, hasonló szovjet óráknak van 9V-os backupja, de annyira sajna nem tudok rajzot olvasni hogy át tudjam bindzsizni az enyémre. Ha leírnátok vagy adnátok egy módosított rajzot, akkor talán menne. ![]() Ja és kérdezés előtt persze végiglapoztam a fórumot, úgy láattam eddig nem merült fel ilyen kérdés, csak nagyon érintőlegesen és nem erre a modellre vonatkozóan. Köszi!
Első körben a C4 re tegyél egy 220-470 mikros kondenzátort, szerintem valamennyit segít. Ha ha ezzel megnő a sötétüzem ideje, egyéb problémák nélkül, esetlegesen erre a kondira párhuzamosan egy diódával egy 12V-os akkut / távirányító elemet tennék. ( vagy nagyobb kondit )
A rajzon a feszültségek mondjuk elég furán vannak feltüntetve, ami az IC-t illeti. A 12-es lábra írt +15V eléggé félrevezető a 15-ös láb -15V-os értékéhez képest, mert azt sugallná, hogy szimmetrikus tápos és összesen 30V, de ez valójában nincs így.
Egyébként a hálózat lekapcsolásával a kijelzés automatikusan lekapcsol, mert a VFD cső fűtése sem fog menni, valamint anódfeszt sem kapnak a csövek. Azt kéne tudni, az IC hány mA-t fesz fel, ha csak az kap tápot. Hálózat nélkül, C4-re polaritáshelyesen adj 15V-ot és mérj áramot, ekkor az IC megy, de kijelzés nem lesz. Próbáld ki 12V-al is ugyanezt. Szerintem egy nagyobb kondit is viszonylag gyorsan le fog szívni, inkább egy 12V-os elem kéne oda, diódával védve.
Az annó valamelyik elektronyika órám kibírt fél órát a táp kondenzátorról, így szerintem érdemes volna kipróbálni.
Simán meglehet, ezért is vagyok kíváncsi, hogy hány mA az IC fogyasztása magában. A másik kérdés, hogy milyen hosszú áramszünetet kell kibírjon. Az is lehet ám, hogy az eredeti kondija ki van ám száradva annak a bizonyos másiknak, és azért felejt hamar. Bele lehet rakni akár 1000µF nagyságrendű kondit is, ártani nem fog.
Hú nagyon köszönöm ezt a sok és gyors visszajelzést!
Én is találtam egy leírást egy belarusz oldalon, ott 5mA-t ír (meg azt is hogy 2,5-18V között lehet megküldeni ). szóval életszerű, hogy a kettő között.A fenti képek a netről voltak, de most kinyitottam az enyémet is. Egyrészt ezt már vki felújította (üdv neki innen is, ha magára ismer), de a két érintett kondi kicsit off-spec: C1 a tápnál papíron 3µF 100V, nekem 22 µF 50V van bent C4 papíron 50mF 25V, nekem 33µF 63V van bent A legnagyobbak, ami kéznél van az 47µF 100V C1-re és 1000µF 25V C4-re. Elsőnek kicseréltem a C4-et az ezresre (legnagyobb bánatomra se kép se hang először, aztán kiderült, hogy a nem túl szofisztikált reset gomb érintkezői nyomódtak össze a szerelés közben), amitől kb. 2,5mp-ig bírta megőrizni az időt. Rákötöttem egy diódával 12V 23A-s (nem amper, típusszám ) elemet, amitől 10,11V jelent meg C4-en (10,56V az elemen, az pont kn. egy diódányi különbség, szóval elben jól kötöttem be, de azért nézzetek rá légyszi)Ha ráadom a hálózati tápot, a C4-en 12,23V lesz a feszültség, elemnél marad ugyanúgy 10,5xV. Mos hagyom pár órát az elemen lógni, kiváncsi vagyok hogyan fogyaszt. Megpróbáltam elemmel megméri a fogyasztást, de sose volt szerencsém ezzel a multiméterrel, elvben 0,63 mA-t mutatott, ami sztem nagyon kevés ahhoz képest, hogy az ezres kondit 3 mp alatt leszívja. Az is kérdés, hogy 10V-on ugyanolyan pontos-e, mint 12-n, de ez már a kisebbik probléma, és majd kiderül. A nagy kérdés, hogy ha táp alatt van az áramkör, akkor is merül-e az elem? Merthogy ha igen akkor kéne valami szofisztikált megoldás az elem kiiktatására háózati üzemben (bár a 3másodperces kondi még egy relét is elbírna, amit pl. a fő táp nyitva tart, majd elenged és szár ha megszűni a táp a 220 felől, és jöhet az elem) Mindenesetre tesztelem még és majd jelenktkezem, addig is szívesen veszem az észrevételeket, javaslatokat. ps. a táp kondit egyelőre nem bántottam |
Bejelentkezés
Hirdetés |




) 






, mert kapcsolási rajz szempontjából majdnem mindegy, hogy rá van-e gravírozva a raszter. Ha rá van, akkor lehet hogy kell hozzá elforgatás is, mert hülyén néz ki ha a számok nem párhuzamosak a raszterrel.











