Fórum témák
» Több friss téma |
Fórum » Labortápegység készítése
Köszönöm a segítséget mindenkinek. Marad így.
Egy bajom maradt, az áram állító poti 2/3ig semmit sem csinál az utolsó 1/3ban szabályoz. Próbaltam kisebb potival (500 Ohm), de azzal meg semmit nem csinál. R max ellenállás eleinte 220 Ohm volt, most 1k, illetve Hogyan lehetne ezen finomítani? Sajna a dobozba még egy poti már nem fér el.
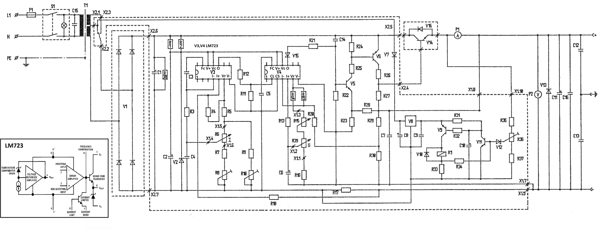
Ha megnézed az IC belső rajzát, látszik, hogy az áram korlátozást egy tranzisztor végzi.
Amíg az áram érzékelő ellenálláson eső feszültség nem éri el a tranzisztor Ube ( Bázis-Emitter ) nyitó feszültségét, ami kb. 0,7V addig mintha ott sem lenne. Ez a IC nem kifejezetten alkalmas önmagában labortápnak. Csak ilyen, és hasonló kompromisszumokkal. Persze meg lehet oldani, de ahhoz kicsit bonyolítani kell a kapcsolást, például egy független áram érzékelő erősítő, vagy komparátor segítségével.
A potival köss sorba kb 2/3 értékű ellenállást, és esetleg a potit cseréled kisebbre
Valami akkor nem jól van. Nem emlékszem rá hogy mekkora R_Imax értéke, de ha 2 végtranyód van akkor azt úgy állítsd be, hogy ha teljesen feltekered az áram potit és rövidre zárod a tápot akkor 2,5A körüli áram folyjon. Ilyenkor az árampoti közép állásában 1A körüli áram lesz, negyed állásában meg 300mA körül. Teljesen letekerve pedig nulla.
A szimulátor eltér némileg a valóságtól, mert ott már 30%-ra letekert árampotinál nulla kimenő áramot mutat de a valóságban ott még van akkor több mint 100mA. A szimulációban azért 70% a 30% helyett mert fordítva tekeredik. Áramkorlát jelző ledet meg úgy tudnál rá tenni, hogy a 2-es és a 3-as láb közé beteszel párhuzamosan egy tranyó B-E lábait, a kollektorába meg a ledet egy előtéttel, de ez lehet hogy elhúzná az egész áramkorlátot, meg a tranyó sem biztos hogy pont akkor nyitna mint a másik, azaz a led egyáltalán nem biztos hogy pontos visszajelzést adna. Én nem görcsölnék ezzel.
Sosem használtam még ezt az IC-t, leszögezném..., viszont nekem úgy tűnik a kapcsolásban elő van feszítve a BE átmenet, így az kis áramnál/kis fesz esésnél is kinyithat már, nem kell a 0,6V-os esést elérni a figyelő ellenállásokon!
btamas81: Hirtelen ötlet: tégy egy nagy fényerejű/érzékenységű LED-et a C sense kivezetéssel sorba. Elvileg ott csak akkor fog jelentősebb áram folyni, ha aktív az áramkorlát....
Én is úgy emlékszem, hogy 0 Ohmra írtál 2,5A. Én meg ahogy növelem, úgy tudok egyre kevesebb áramot állítani. Megnéztem az eredeti conradost is, ott csak annyi a különbség, hogy fele akkorra értékű a poti körül a két ellenállás, meg a poti is. Épp ezért tettem bele R Imaxnak 220ohmot. Nézegetem itt a panelt, de nem látok hibát.
Kisebb potival nem megy. Maxra megy az áram.
Azt hiszem megvan a baj. Szóval a panelműszerem árammérőjét a negatív ágba kell kötni. Hirtelen ötlettől vezérelve a multimétert bekötöttem a pozitív ágba, és ha azon nézem az áramot gyönyörűen lehet kis lépesben állítani, a max is olyan 2,5A körül van. Mikor a panelműszer 4A mutat, a multi 1A-t. Na ilyenkor mi van?
Lehet ezt még bonyolítani, itt már a be és kikapcsolási anomáliákra is gondoltak.
Itt megoldották a CC mód kijelzését, igaz 2db LM723 kell hozzá, ketté van választva a feszültség és az áram beállítása.
Majdnem, azzal kezdtem. A vékony fekete kábelt nem kell bekötni. Véletlenül jöttem rá kalibrálás közben, mikor kicsúszott.
Mostmár minden okés, szép finoman megy az áram állítás is. A hozzászólás módosítva: Dec 8, 2023
Azért az felettébb érdekes, hogy igy jo 40 év után még mindig léteznek ilyen rossz kapcsolási rajzok, és még mindig léteznek emberek akik ezt utánnaépitik. Már az 50 éves datasheetben is ott volt a müködö kapcsolás ( ami soha nem garantált 2 V nál kisebb indulo feszültséget, de azt tökéletesen tette, és mind a 2 poti azt tette, amit az ember elvárt töle. 3-4 van a mühelyemben -igaz már mind csak a port fogja, mert az ujabb megoldások jobbak, komfortosabbak, és azok valoban tudnak 2 V alá is menni).
Ahogy nézem a mostani ST adatlapbol már ki is vették az ajánlott kapcsolást, mert az már sokaknak a könyökén jött ki, igy a szerencsétlen ujszülöttek kénytelenek mindent nullárol kezdeni. A kérdesedhez csak annyit, ahogy irták, amint a current limiten kb 0,7 V van abban a pillanatban a 723-s áramgenerátoros lesz. Esetleg oda tehetsz egy prezizios trimmert a pontos beállitáshoz, majd az ott nyert feszültséggel egy erösiton keresztül ( tranzisztor) kapcsolhatod a LEDet. De erre millio jo kapcsolás van s mielött nekifogsz valaminek, akkor kell érdeklödni, nem utánna a rosszat javitgatni. Meg az is igaz, hogy egy ilyen táphoz 2 müszer kell külön az áramhoz meg a külön a feszültséghez, és azon sokkal jobban látod a müködést. Bocs a kicsit talán keményebb hangvetelért, de az utobbi 2-3 napban 3 ilyen konfliktusba kerültem amikor a tervezö a közismert dolgokat ignorálta (sokkal komolyabb drága berendezésben), és a gép gyakorlatilag müködésképtelen lett
Nem akartam én ennél bonyolultabbat, jobbat. Nekem ez megfelel. A ledet elengedtem, jobban figyelek, ennyi. Nem akartam én labortápot építeni, ezért vettem is egy éve egy ZXK5 modult, csak a táp kellett neki és tudta ami nekem kell. De ez az endekoderes állítás engem a sírba vitt. Sokáig is tart, meg át is ugrál. Meguntam, azért épitettem ezt.
Nem a bonyolultsaggal van a gond, mert a régi ajánlott kapcsolás ettöl egyszerübb.
Erősen kétlem, hogy a 723-hoz tudsz olyan kapcsolást mutatni amiben ugyanígy állítható a feszültség mellett az áramkorlát értéke is, és ennél egyszerűbb lenne, de lássuk...
Az enyémen pedig van és 723-al megy. Még a BHG-ban rakták össze a módosításokat, ott készült a doboz is. Van rajta távolság kompenzáló bemenet is. Ha 4 vezetékkel kötöd be, akkor akár 20m-es kábel végén is tartja a kimenő feszültséget. Az áramkorlát pedig piros leddel jelez, ha zárlatba megy a kimenet, illetve ahogy nő az áram, egyre erősödő fénnyel jelez. Külön állítható 50k helipottal a feszültség és külön 1k-val az áramkorlát.
Nem értem az "áramkorlát" funkciódat.
Szerintem annak nem akkor kell jeleznie, amikor zárlat van a kimeneten (ezt írod), hanem amikor a kimeneti áram eléri a beállított értéket. Szintén nem tudom értelmezni az "ahogy nő az áram, egyre erősödő fénnyel jelez" sajátosságot sem. Ha elérte a beállított árammaximumot a kimeneti áram (itt kezd a jelző LED világítani), akkor az már nem nőhet tovább, hiszen éppen ez az áramkorlát lényege. Pontosítanád hogyan működik nálad az áramkorlát?
Ha esetleg lenne róla elvi rajzod, azt betehetnéd a népek okulására.
A 723-asnak éppen ez a "gyengéje", az áramhatárolásnak mindössze 1 tranzisztor van benne, ami elég ahhoz, hogy szépen "megfogja" a kimeneti áramot, de ez nem fog hirtelen megtörténni, mert az áramhatárolásnak kicsi az erősítése. Más tápegységekben a feszültségszabályzással egyenértékű - nagy nyílt hurkú erősítésre beállított - műveleti erősítőt alkalmaznak az áramkorlátozásnál is, így értelemszerűen a beállított áramreferencia feletti feszültségesésnél (a figyelő-ellenálláson) azonnal belép az áramhatárolás.
A 723-as tápegység-IC, áramhatárolással. A neten fellelhető olyan kapcsolás, ahol pl. egy 741-essel kiegészítve az áramgenerátoros üzem is a kívánatosnak megfelelően alakul.
Nagy baj lenne, ha az az 1 tranzisztor nem lenne képes egy néhány százszoros bétával gyorsan kapcsolni mondjuk 30mA áramot, mert többet nem nagyon kell neki. A 723-nak nem ez a gyengéje mert az áramkorláttal semmi baj nincs, leszámítva hogy az is hőmérséklet függő. A 723-nak a gyengéje a referenciája ami a tokban van és azzal együtt melegszik. Amíg be nem áll elég sokat mászik a referencia feszültsége, többet mint egy mezei stab IC-é.
Soha semmi gondom nem volt a 723-s tápokkal. ( igaz egyik sem volt “labor” tápnak épitve, meg használva). Nekem nagyon tetszett benne a teljesen megbizhato átmenet az áramgeneratoros üzembe meg vissza. A stabilitása is tökéletesen megfelelt a mindennapos mühelyi munkához. (2-30 V/3-10A-s tartományban).
A nagy áramoknál inkább a trafo volt a korlát, mint az elektronika. Éppen ez a beszélgetés inditott el a fejemben egy gondolatot, hogy az egyik (vagy 40 éves) 723-s tápot ujra elöveszem, mert amiket most használok ugyan sokkal komfortosabbak, többet tudnak, de a kezelésük nem olyan egyszerü, mint a régieké.
Utoljára kb. 30 éve építettem 723-as IC-vel tápot, de már abban is FET volt az áteresztő-szabályozó (IRF540: mert azt lehetett kapni a Gömb utcában - ami a "Lomex elődje" volt).. Ez egy low-drop stabilizátor volt 13,5V/2A-re. Amire akkor kellett, arra jó volt.
Manapság szerintem egy dual (vagy 4-es) opamp-ból, TL431 refereciával, és néhány tranzisztorral sokkal jobb tápot lehet csinálni. A 723-as gyenge pontjaira már akkoriban rájöttek. Voltak olyan megoldások amiben a 723-as csak a referenciát adta, a benne levő tranzisztorok pedig fűtötték a tokot, ha jól emlékszem az áramkorlát tranzisztora pedig hőérzékelőként funkcionált. A köré épített áramkör feladata az volt, hogy stabil hőmérsékleten tartsa a belső a félvezetőlapkát. Profibbak még be is burkolták hungarocell lapocskákkal a tokot. Így már akár valamivel jobb is lehetett, mint egy filléres TL431. (Később persze kidobták az egészet, és bekerült helyette egy normális feszültség referencia.) Itt a fórumban is előfordultak egész használható táp rajzok. Ha lineáris szabályzós tápot akarnék építeni, akkor sem jutna eszembe 723-as IC-t tervezni bele... Kommersz cuccokba (értsd: nem precíziós laborműszerbe) teljesen jó egy TL431 referenciának, a szabályzáshoz meg szinte bármilyen normálisabb (értsd: nem elavult, jó paraméterekkel rendelkező, de nem drága) opamp. A hozzászólás módosítva: Dec 10, 2023
Nyilván, hogy én sem épitenék ma egy 723-l tápot, ( nekem már régen használatlanul porosodnak), de amikor a 723-s megjelent, akkor nem volt jobb és egyszerübb, és a mai napig működik. A stabilitással sem volt különosebb gondom, egy Moog kopiát épitettem abban is 723-s volt a tápegységben ). Semmivel sem volt rosszabb a stabilitása mint a gyárinak).
Emlékszem akkor a Tesla még hordos fémtokban gyártotta és vagy 3x olyan drágán, mint a magyar DIL tokos 723-st. Persze akinek lehetösége volt Bécsböl meg olcsobban hozhatta.
Na ez az egy nincs. Mert mint említettem, a BHG-ban készültek a módosítások. Én a kész, félig beültetett paneleket és a dobozt vettem meg anno, illetve bartereztem. Trafót tekertem hozzá és a kijelzőt, segédtápokat csináltam meg még 1989-ben 19 évesen. Bevallom őszintén, mivel azóta is jól működik ( csak poti és kapcsolócsere volt), nem is nagyon bíbelődtem a visszarajzolásával, csak használom. Valaha lehet, hogy volt hozzá valamilyen rajzom, de azóta vagy 7-8-szor költöztem. Az áramkorlát nagyon is jól teszi a dolgát, ledeket úgy szoktam tesztelni, hogy beállítom a nyitófeszültséget és az áramkorlát emelésével csak a szükséges áramot folyatja át a leden. Ha teljesen letekerem az áramkorlátot, akkor is pirosan világít, de akkor is, ha zárlatba megy a kimenet. Mivel a kijelzőt is tudom áram mérésre kapcsolni a V/A kapcsolóval, így látom is az átfolyó áram maximálisra állított értékét.
A hozzászólás módosítva: Dec 10, 2023
A "nem fog gyorsan megtörténni" nem a sebességre vonatkozott, hanem a karakterisztika sarkosságára.
Ha kitekintünk az ipari termelés felé, én azt látom, csak olyan készülékeknél volt elegendő 1 tranzisztor, ahol nem volt áramgenerátoros üzemállapot. Máshol az áram-hibajelet is legalább egy 741-es - DC-n nyílt hurokkal - fogadta, más készülékekben az LM324-re volt ez bízva. Még ekkora erősítés esetén is 10mV-10mA "lekerekítése volt az átmenetnek. A mászás másik kérdés, azért adtak meg mindennek régen legalább fél óra beállást.
Amikor nem az a cél hogy "halál" precíz legyen a táp , az lm317, 78xx 79xx vagy LM2576T-ADJ is tökéletesen elég .
Az áteresztős zajmentesen a kapcsolgatós gazdaságosan teszi a dolgát. Áramkorlátnak meg kell egy "alkalomhoz" illő bizti oszt csókolom. Ha pedig mikro vagy nV pontossággal akarjuk a nagyanyám telepes rádióját 9V-ról betápolni a javításhoz , akkor meg zsebbe kell nyúlni jó mélyen . Józan paraszti ésszel fel kell mérni mire van ténylegesen szükség és azt a lehető legegyszerűbb megoldással kivitelezni .
Ez most melyik METEX (VOLTCRAFT) kapcsolási rajza? Ahonnan a kapcsolást leszedted nem írták, hogy melyiket rajzolták vissza?
Majdnem minden labortápjukhoz a 723-ast használják. Csak tudnám, hogy mi kerül egy 0-30V és 10A lineáris labortápon több mint 550 euróba.. |
Bejelentkezés
Hirdetés |



















