Fórum témák

» Több friss téma
Fórum » Analóg oszcilloszkóp
Lapozás: OK   8 / 10
(#) lakatos2000 válasza pucuka hozzászólására (») Dec 29, 2023 /
 
Akkor mi a megoldás, ha a későbbiekben nagyobb csővel próbálkoznék.
Amihez több kilovolt utánagyorsító is szükséges?
Próbáltam a neten keresni gyári feszültségtöbbszörözőt, de nem találtam.
A hozzászólás módosítva: Dec 29, 2023
(#) lakatos2000 válasza pucuka hozzászólására (») Dec 29, 2023 /
 
Értem.
(#) granpa válasza pucuka hozzászólására (») Dec 29, 2023 /
 
Nem bizony, hanem pont az ETD29-re, amibe belefér a kívánt tartalom. A nagyfrekvencián működő inverterek ilyen kis vasakon visznek át több száz wattot. A ~2 kW-os hegesztő inverterekben 2-3 cm2-es ferritek vannak.
A hozzászólás módosítva: Dec 29, 2023
(#) pucuka válasza lakatos2000 hozzászólására (») Dec 29, 2023 /
 
Az utángyorsítós csövek nagyfeszültségű tápja más tészta. Ahhoz már komoly szigetelés kellene, és hasonló megoldással kéne szervezkedni, mint a kis hordozható TV -kben van. Meglehet célszerűbb is onnan adaptálni.
Azt még megírhatnád, hogy milyen ks csöved van, mert attól alapvetően függ az inverter tervezése.
Az utángyorsítós csövek eltérítő érzékenysége nagyobbak, ezért a meghajtó erősítőinem nem kell akkora feszültséget produkálniuk, így a nagyobb határfrekvenciás végtranzisztorokkal a szkóp magasabb határfrekvenciáját lehet elérni
A hozzászólás módosítva: Dec 29, 2023
(#) lakatos2000 válasza pucuka hozzászólására (») Dec 29, 2023 /
 
Az utánagyorsítós cső persze az nagyon távlati, csak mint elvi lehetőséget vetettem fel.
Szerintem indulásnak bőven jó egy 7 centis cső is.
(#) lakatos2000 válasza pucuka hozzászólására (») Dec 29, 2023 /
 
Pillanatnyilag még semmilyen nincsen, csak egy határozott ígéret van egy DG7-113 -ra.
Foglalat viszont nincsen hozzá.
Gondolom a lábakra forrasztgatom a "drótokat".
A hozzászólás módosítva: Dec 29, 2023
(#) granpa válasza lakatos2000 hozzászólására (») Dec 29, 2023 /
 
Ha meglesz a cső, lesz hozzá foglalat. Mintha lenne 11 lábúm.
(#) lakatos2000 válasza granpa hozzászólására (») Dec 29, 2023 /
 
Mi lenne az ára?
(#) compozit válasza lakatos2000 hozzászólására (») Dec 29, 2023 /
 
Komoly elhatározás kell egy szkóp építéshez. Ez nem erősítő, vagy tápegység, sokkal komolyabb tudás és gyakorlat kell hozzá. Cserébe ez egy olyan hobbitéma, ami nagyjából az analóg technikát bőven felöleli.
Nekem az első szkóp még 16 éves koromban készült, egy '69 (?) -es RT Évkönyv rajza alapján. Csöves volt és sokáig megvolt, erősítő, meg egyszerűbb dolgok működésének ellenőrzéséhez nagyon jó volt. DG7-113-al. Sajnos, ezt nem igazán lehet kalibrálni, mert az ábra nagysága változik a fényerővel.
Aztán egyszer olvastam egy RT-ben, hogy valaki 3 cm-es ks csővel csinált kis tv-t. A tv nem érdekelt, de a szkóp annál inkább. Csináltam egyet, 50 év múlva még van rajta legalább fény. Az Y erősítővel gondok vannak. Meg az összes potival, kapcsolóval...
Aztán persze lett sokkal jobb cső ( DN10-176 ), komolyabb dolgokat lehetett csinálni, igaz, akkor már 20 év körül voltam. A szkóp volt a mániám, sikerült is az apámnak, - ő volt az anyagbeszerzőm - egy Telefunken GH14-138 ( lehet, hogy nem ez volt a típusa, már elfelejtettem ) beszereznie. Ez már négyszögletes, belső raszteres, amit el lehet képzelni, mindenféle jóval ellátott cső volt és nem is volt nagyon hosszú. Aztán indult a munkaviszony, de egész mással kellett foglalkozni, ebből a csőből már nem lett semmi. De hazavittem egy kis TEK 212-t, az egy kis csoda... Amikor meg nagyobb kellett, akkor volt vagy 4...5 féle a választékból. Aztán kaptam még egy ugyanolyan csövet. Végül is mindkettőt eladtam, mert már nem nagyon érdekelt a szkópépítés. Viszont, amit tudok az analóg dolgokról, azt mind azokban az években tanultam meg...
Javaslok neked egy könyvet, azt hiszem ezt még nem ajánlották neked:

Csepregi-Horváth Kázmér: Korszerű oszcilloszkópok.

Ezt nagyjából rongyosra olvastam.
Én biztosan nem csinálnék kapcsolóüzemű tápot egy szkópba. Majdnem lehetetlen a nagyfrekis zavatokat kiszűrni.
A hozzászólás módosítva: Dec 29, 2023
(#) lakatos2000 válasza compozit hozzászólására (») Dec 29, 2023 /
 
Az első fotón látszik, hogy nem mai konstrukció.
Elég régi az alkatrészek "vonalvezetése".
Ha jól látom, nem nyomtatott áramköri lap, hanem csak bakelit lemez.

A könyv érdekelne, ha megvolna elektronikusan.
Ha nincs, próbálok antikváriumban venni.
Ahogy láttam, volt rá néhány találat.
Én azért vágtam bele a dologba, mert elég jól felöleli az analóg technikát. Gondolom.
Nem vagyok szakember.
A korom már nem ideális a tanulásra, de úgy gondolom, ha új dolgokba fogok, nem hülyülök el hamar "nyuggerként".
Ezzel nem azt akarom mondani, hogy aki nem, az elhülyül.
De szerintem sokan tartunk ettől.
A hozzászólás módosítva: Dec 29, 2023
(#) compozit válasza lakatos2000 hozzászólására (») Dec 29, 2023 /
 
Sajnos, nincs meg elektronikusan, de talán valakinek megvan.

A kor nem számít, csak elhatározás és akarat, meg némi megszállottság kell hozzá, hogy megtanuld, végig vidd.
(#) lakatos2000 válasza compozit hozzászólására (») Dec 29, 2023 /
 
Ha tényleg olyan hasznos olvasmány, megéri megvenni.
(#) lakatos2000 válasza compozit hozzászólására (») Dec 29, 2023 /
 
Hogy mennyire érdemes szkópba kapcsolóüzemű tápegységet tenni, abban én nem tudok állást foglalni.
Egyszer láttam egy régi Philips rajzát és abban az volt.
Hogy annak a buktatóit hogyan kerülték meg, azt én nem tudom.
Gondolom, "pucuka" fórumtársnak vannak rá ötletei.
(#) Suba53 válasza lakatos2000 hozzászólására (») Dec 29, 2023 /
 
Gondold meg. Ez a könyv 1968-as kiadású. Vagyis nagyjából a 60-as évek technológiai színvonalát tükrözheti. Az elvi alapokat, amik azóta sem változtak, biztosan korrektül tárgyalja, de a konkrét kapcsolástechnikájára én ma már nem nagyon hagyatkoznék.
(#) lakatos2000 válasza Suba53 hozzászólására (») Dec 29, 2023 /
 
Biztosan igazad van.
Szerintem egy jó könyv elolvasása nem árthat meg még akkor sem, ha közben modernebb dolgok is születtek.
A hozzászólás módosítva: Dec 29, 2023
(#) Ge Lee válasza lakatos2000 hozzászólására (») Dec 29, 2023 /
 
A neten megtalálod a Philips PM3215 rajzát ez egy 2 csatornás 50 megás szkóp. Nekem volt ilyenem egy darabig, abban is kapcsitáp van, volt is a hátulján egy 27V-os bemenet külső tápnak vagy akkunak. A kapcsitáp előtt meg talán volt egy trafó gyárilag de erre nem emlékszem mert abban ami nekem volt ez már hiányzott és egy 24V-os másik kapcsitápról ment ami a gyári trafó helyére volt becsavarozva.
(#) compozit válasza Ge Lee hozzászólására (») Dec 29, 2023 /
 
Egészen más egy kapcsitáp megépítése egy, a témában kezdő amatörtől, meg egy évek óta ezzel foglalkozó mérnök esetében. Persze, meg lehet próbálni, de egy szkóp építése során ezer probléma merül fel, ha még a zavarokat is meg kell szüntetni, hát az elég nagy baj. De, ki kell próbálni.
(#) compozit válasza Suba53 hozzászólására (») Dec 29, 2023 /
 
Az elvek nem változtak. Egyébként, csak részletrajzok vannak benne, inkább úgy mondanám, hogy lehetőségek, példák vannak a megvalósításra. A differősítő ma is úgy néz ki, mint annak idején és a Miller integrátoros fűrész is ugyanúgy működik. Ugyanez vonatkozik az Y, X erősítőkre is. És elmondhatjuk, hogy a ks csövön sem változott semmi, annak idején ezt egész jól kitalálták.
(#) csjoki válasza lakatos2000 hozzászólására (») Dec 29, 2023 /
 
Szia! Régen építettem 1985 RT év könyvből, részletes leírással, rajzokkal.
(#) granpa válasza lakatos2000 hozzászólására (») Dec 29, 2023 /
 
Csak postaköltség.
(#) lakatos2000 válasza granpa hozzászólására (») Dec 30, 2023 /
 
Rendben.
Utánvét megfelel?
A netbankot nem szeretem használni.
Tanyán lakom és be kell mennem a városba, ha utalni akarok.
(#) lakatos2000 válasza csjoki hozzászólására (») Dec 30, 2023 /
 
Meg voltál elégedve vele?
(#) lakatos2000 válasza compozit hozzászólására (») Dec 30, 2023 /
 
Együtt tudok élni azzal, ha mondjuk melléfogok és nem működik rendesen.
Nem tudok trafót tekercselni, szakembert meg nem tudok a környéken.
(#) lakatos2000 válasza Ge Lee hozzászólására (») Dec 30, 2023 /
 
Már pontosan nem emlékszem milyen Philips volt.
Majd rákeresek erre is.
(#) Ge Lee válasza lakatos2000 hozzászólására (») Dec 30, 2023 / 1
 
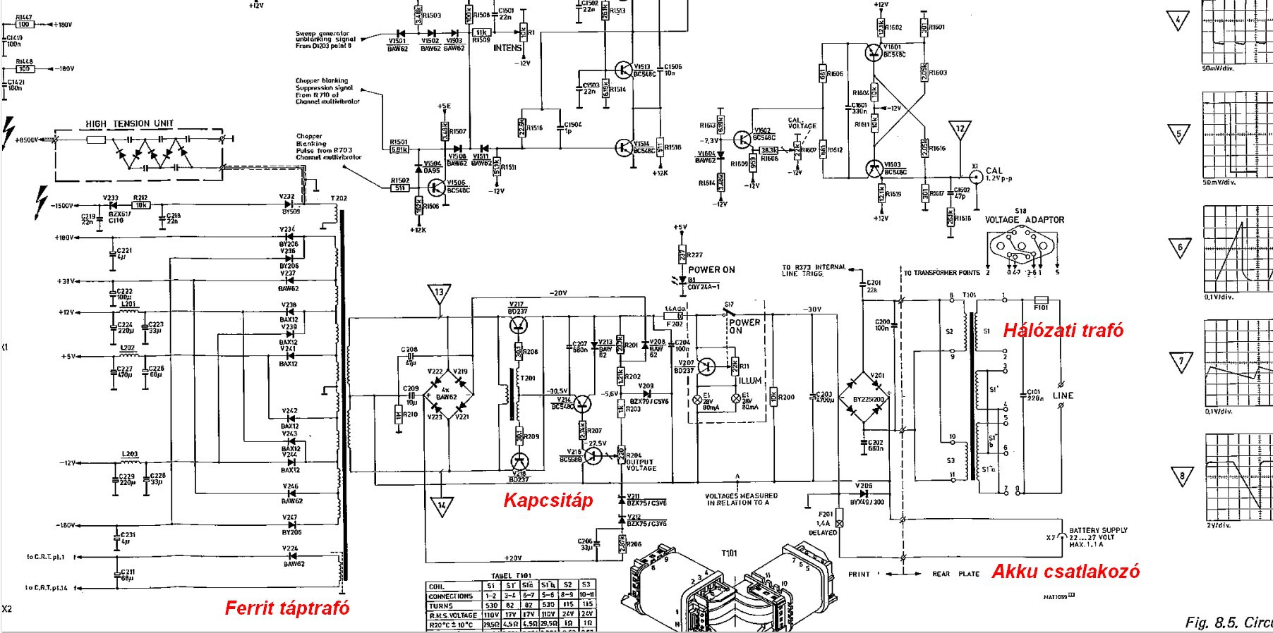
Leírtam oda a hozzászólásba. Itt van a komplett rajz, kivágtam belőle a táp részt ott látszik minden. Egy ferritmagon van a táp az csinál minden feszt még a cső 8,5kV-os gyorsítófeszültségét is, a meghajtása egy nagyon egyszerű 2 tranyós ellenütemű szaggató, ennek a szaggatónak a szabályozása is egyszerű, egy áteresztőtranyóról (V214) kap feszültséget a trafó amit a szekunder DC-ről visszacsatolt (V215) szabályoz tehát 4 tranzisztorból áll az egész kapcsolóüzemű táp vagyis nem pwm szabályozása van. Az enyémből hiányzott a hálózati trafó mert az az előző tulajnál megmakkant és egy 24V DC kapcsitápot tett be a helyére.
Nekem is volt képem a szkóp tápjáról de nem találom, ezt a képet a neten vadásztam.
(#) lakatos2000 válasza Ge Lee hozzászólására (») Dec 30, 2023 /
 
Köszönöm szépen a rajzokat, képet.
Ha jól látom, két trafóról van szó. A T201 és a T202.
A menetszámokkal lennének gondjaim.
(#) Gafly válasza Ge Lee hozzászólására (») Dec 30, 2023 /
 
Kiindulásnak jó, de én elsőként nem utángyorsítós csővel próbálkoznék.
(#) lakatos2000 válasza Gafly hozzászólására (») Dec 30, 2023 /
 
Jó, persze.
Nekem is csak egy 7 centis cső van kilátásban.
(#) nagym6 válasza lakatos2000 hozzászólására (») Dec 30, 2023 / 1
 
Trafó? Először ks. cső van-e, ahhoz is kell igazítani a trafót.
Illetve minden legyen terv szinten meg, csak ezután tudni milyen feszültségek kellenek trafóból.
(#) lakatos2000 válasza nagym6 hozzászólására (») Dec 30, 2023 /
 
Mint ahogy írtam a csőre ígéret már van, de még nincsen a birtokomban.
A hozzászólás módosítva: Dec 30, 2023
Következő: »»   8 / 10
Bejelentkezés

Belépés

Hirdetés
XDT.hu
Az oldalon sütiket használunk a helyes működéshez. Bővebb információt az adatvédelmi szabályzatban olvashatsz. Megértettem