Fórum témák
» Több friss téma |
Hi
Szétlöktem egy pc ventit a hall miat. Az a bibi hogy ennek 4 lába van. A nyáktól lelestem a +,- -t na de mélyk lábba tehát a két középső mit kapcsolhat?
Ha 1A áram elég akkor válaszd az 1N 4005-6-7 közül bármelyiket. Filléres dolog,de mivel nagyon álltalánosan használt jó eséllyel lehet bontásra itélt panelokban is találni.
Bár ezek a tipusok sem gyorsak,ha jól tudom 1kHz frekin vannak specifikálva.
Szia
igen én speciel BY 133-as tjpusra gondoltam igazából csöves erösítő anódfeszültség áramkörébe kellene 4db graetz hídnak csak azért gondoltam arra mert így kívülröl jónak tünt de mégsem 0.25A van biztosítva ügyhogy elég lesz bele ez is.
Sziasztok, régebi sega "kazettát" szedtem szét kiváncsiságból, és egyik kazettán érdekes módon egyel több alkatrészt fedeztem fel. Egy ic adatlapot nem találtam magyar nyelven de hátha itt tud róla valamit:
MB74LS161A jelzésű 16 lábú csoda Kiváncsi vagyok miért van pont ez rajta egy ilyen kazettabelsőn, mig a többieknek nem kelett Lehet kicsit furcsa a kérdés de örülnék ha választ kapnék rá, hogy mire is szolgál valójában ez az ic ![]() Előre is köszönöm
Hát ez ma már inkább csak korlátozottan, kutyát csúzlizni. Valamikor, mint a neve állítja, „Szinkron 4 bites kettes számrendszerű számláló aszinkron törléssel” ha jól értelmezem. A linkelt adatlap elmondja a részleteket. Nem biztos, hogy a modern időkben ezt érdemes még tanulmányozni.
Kikérem magamnak!
Memóriát címezni nagy sebességgel, kiváló és olcsó eszköz.
Nem biztos, hogy ennek a véleményemnek itt kéne helyet találnom, pláne ekkora terjedelemben, de nem találtam olyan –Csevegő- listát.
Bocsánat, ha új létemre megsértettem az érzéseidet. Természetesen, szerintem is alkalmazható, ha a régi dolgokkal való nosztalgiázás a cél, zéró körüli költségvetéssel. Esetleg, ha csak egy végtelenül „egyszerű” áramkört kell építeni. (Pl. frekvenciaosztó) Én mégis úgy gondolom, hogy ezeknek a régi dolgoknak az ismerete már nem szükséges a mai mikróvezérlős világban. Az újabb és még újabb mikró rendszerek olyan fékevesztett ütemben fejlődnek, hogy aki a régi megismerésébe, tanulásába fekteti az energiát, pillanatok alatt talán végérvényesen lemarad. (Úgy jár, mint én.) A „D” osztályú HF erősítő kiszorítja a „B” osztályút, ahogy „A” osztályú se nagyon van már. (Csövesekről kérlek, ne beszéljünk.) A digitális IC potméter a recsegő hagyományost. A kis veszteségű PWM stb. szabályzás az óriási hűtőfelületeket igénylő analógot. Csak azt mondom, előre kell nézni. Tele a pincém olyan alkatrészekkel, amiket csak sajnáltam otthagyni a szeméttelepen. De mára csak a kapcsolóüzemű táp, a minél komplexebb IC, az IGBT kelti fel az érdeklődésemet. Ha programozható készülék kell, akkor PIC vagy PC jön szóba. (Sajna a PIC-hez nem értek eleget.) Ha nem kell programozni, akkor meg milyen memóriát címeznék vele. Volt egy szekrénnyi RT újságom az Internet hozzáférésem előtti világból. Elajándékoztam. Azok a kapcsolások egyszerűen elavultak. Tovább kell lépni. Azért akinek kedve és ideje van hozzá, elég örömöt lelhet a régi áramkörök élesztgetésében. Így is teljesülhet a hobbyzás elsődleges célja, (ami a függőséget okozza.) hogy jól érezzük közben magunkat. Mindenkinek sok sikert ebben.
Annyit hozzá fűznék, hogy aki mindig hátra tekint az seggel megy a jövőbe! Bocsánat de ezt nem hagyhattam ki. OFF vége. Mellesleg egyetértek.
Semmi gond, bizonyára nem vetted észre az a smile-t. Én ilyen egyszerű feladatokra nem használok kontrollert, nem csak a feladat, hanem a sebesség miatt sem, mert ilyen sebességre amit egy TTL nyújt, semmilyen általam ismert (!) és hozzáférhető kontroller nem képes.
Doncso: kösz!
Középkivezetéses potméter: olyan potenciméter, amelynek az 50%-ánál van egy "megcsapolás-szerűség" pluszban, fix helyen. Tehát a forgórészen kívül, magán az ellenálláspályán van egy külön extra-kivezetés.
Teljesen olyan elvű, mint pl. egy középleágazásos transzformátor.
Idézet: „Azért akinek kedve és ideje van hozzá, elég örömöt lelhet a régi áramkörök élesztgetésében.” Bocs, hogy belevaú, de: Az, hogy valaki fel tud programozni egy PIC-et, nem jelenti azt, hogy otthon van az elektronikában. Sokszor hangzott már el itt a fórumban, hogy a PIC nem "programozói felület", hanem hardware eszköz. Másrészről: az a kezdő, aki nincsen tisztában az elektronika legalapvetőbb dolgaival sem, mint pl. hogyegy db. ellenállás nerm feszültséget, hanem áramot korlátoz, hogy mire való a tranzisztor és hogyan működik, stb., az hiába tudja pöpec módon megírni assemblyben a PIC programját, nem fogja tudni működésre bírni az áramkört, megtervezni pedig főleg nem fogja tudni... Ezzel együtt igazad van abban, hogy előre kell nézni, és nem a legszerencsésebb, ha valaki pl. számlálókból és osztókból rak össze egy digit. órát, ami pontatlan, sok energiát fogyaszt, és ráadásul alkatrésztemető is egyben.) OFF vége, térjünk vissza az eredeti témához!
Van egy villanypásztorom és nem múködik, a hiba oka egy 14 lábu IC a kóvetkező bekótésel:
1-100k. poti álitható láb 2-GND 3-egy kondi a 2-es lábra (10nf) 4-GND 5-GND 6-üres 7-üres 8-egy 100 ohmos ellenállással vezérel egy tranzisztort. 9-üres 10- + ra egy 2,7/2w ellenálláson keresztűl 11-üres 12-üres 13- + a 10-es lábbal rövidzár kapja a + 14- + ra
Hali!
Ezek az ellenállások mekkora teljesítményűek lehetnek? A feliratukból nem tudok sokat kihámozni. Annyi bizonyos, hogy 0.1 Ohm-osak, és szünetmentes tápból bányásztam ki. Szerk: Most nézem az Eagle-t, az ekkora tokra 15W-ost ír. Lehet, hogy akkor a HS15 felirat ezt jelentené?
Már kaptam megerősítést mex-től, tényleg 15W-os.
Szép napot mindenkinek. Rég foglalkoztat ez a hosszúkás, 22 lábú, optikai érzékelő, ami egy kézi vonalkód olvasó része. A lencserendszert a tükörrel leszedtem róla, hogy látható legyen a lényeg. Kiszedném innen és valami féle reflexiós távmérő készüléket barkácsolnék belőle, ha tudnék valamit a működéséről lábkiosztásáról. De nem találok hasonló alkatrészt tartalmazó kapcsolási rajzot, sem adatlapot, se semmi mást. Találkozott már valaki hasonlóval? Minden infó jól jön, mert eddig egyhelyben toporgok vele. Köszönöm. (#256983 kérdésemre sem találtam még választ.)
Nem tettél fel kérdést! A kérdésed az, hogy milyen IC ez? A legtöbb ősi, 14 lábú, DIL tokos integrált áramkörrel még a táplábai sem kompatibilisek.
Négyes műveleti erősítő pl 324: 4+ 11-. Négyes komparátor pl 339: 3+ 12-. Kettős időzítő pl 556: 14+ 7-. 40xx sorozat pl 4013: 14+ 7-. 74xx sorozat pl 7400: 14+ 7-. Pár következtetés vonható csak le: 1-100k. poti alítható láb. Lehet feszültség bemenet. 3-egy kondi a 2-es lábra (10nf). Talán belső oszcillátor kondija. 8-egy 100 Ωos ellenállással vezérel egy tranzisztort. Akkor lehet kimenet. 10- + ra egy 2,7/2w ellenálláson keresztűl. Talán ez a pozitív tápláb. Kérdések: A villanypásztor milyen tulajdonságát állítja a 100k poti? Milyen alkatrészek vannak még az áramkörben? Milyen tápfeszültségről üzemelne:?
üdv mindenkinek régota kerülgetek eggy ic-t sajnos a google nemsegitett azerrt irok hátha valaki tud valamit róla felirat 7814li c2552 korea song1 köszi szepi
Nicolas válasza SzalaiGyörgy hozzászólásara
A poti frekvenciát álithat, hiszen a 8- as lábról vezérelt tranzisztor egy trafo primerjét táplálja. Ez a trafó pedig egy Greatz hidon keresztűl táplálja a magasfesz. trafót, ami soros kötésben van egy 600v/8mf- os kondival. Köszi a segitséget.
Vissza kellene rajzolni az áramkört,nem lehet valami bonyolult,és ha valóban csak a vezérléssel van baj,szerintem megoldható akár egy duál időzitővel is.
A kevéske leírásod alapján lehet az Analog Devices AD7814 10-Bit Digital Temperature Sensor in 6-Lead SOT-23 egy keleti megfelelője is. Bővebben: Link
Hello!
Még régebben találkoztam olyan IC-vel, amely tulképp több egybeépített tranzisztor volt. Ha vki tud, ilyen IC típust, lécci irja már meg. Válaszotokat előre is köszönöm
Mi az, hogy "egybeépített"? Egy tokba épített? Ez szinte minden IC-re igaz.
Amit Norberto mondott, az 8db darlington.
Ha jól emlékszem a CA3046 is ilyen. A 3045 is -talán.
Google>"transistor array" ! Sokat fog találni. Üdv!
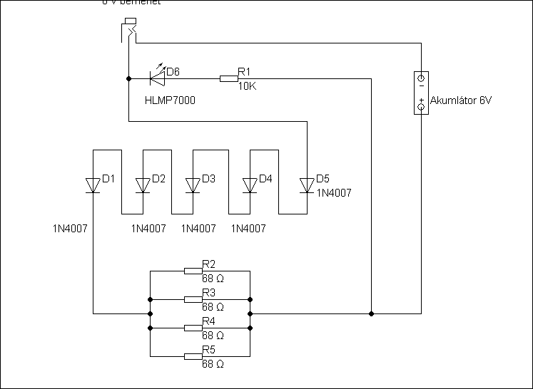
Sziasztok van nekem egy ilyen kapcsolású panelem ez egy lámpába van benne a mi tölti a belső 6 voltos akkumulátort csak nem tudom hogy mire jó ez benne
|
Bejelentkezés
Hirdetés |




Kiváncsi vagyok miért van pont ez rajta egy ilyen kazettabelsőn, mig a többieknek nem kelett
Lehet kicsit furcsa a kérdés de örülnék ha választ kapnék rá, hogy mire is szolgál valójában ez az ic








