Fórum témák

» Több friss téma
Fórum » LPT portos hangkártya (Covox)
Lapozás: OK   2 / 3
(#) benji01 válasza vilmosd hozzászólására (») Jan 13, 2011 /
 
Nem értem hogy mért kellene ezt használnom ,ért nem jó az amit
én gondoltam ,azt szeretném ha azt fejtenédki először,meg ugy gondoltam csak az még lemaradt hogy esetleg egy kondit tenék valahogy a jack dugó elé.
(#) benji01 válasza gg630504 hozzászólására (») Jan 13, 2011 /
 
a covoxot eleve elvetném mer szerintem 1 megás ellenállásokat nem bír ki az LPT a maga kis 5 V-jával.
(#) aty válasza benji01 hozzászólására (») Jan 13, 2011 /
 
Hi !
Jómagam is a COVOX-ot ajanlom, amit régebben megépitettem, méghozzá sztereo változatban.
Ha jól emlékszem 10K és 20K ellenállásokkal volt felépitve.
De a sztereo-hoz DEMULTIPLEX is kell, amihez elegendő 2 db 74LS573-as.
Igy a kimeneten kapott jel elegendő volt egz erősitő bemenetére. Ha jól emlékszem sztereo-ban is tudta a 22kHz-et.
A lejátszó program DOS-os volt.
(#) benji01 válasza aty hozzászólására (») Jan 13, 2011 /
 
Úgy látom nem értjük egymást,fent leírtam hogy ragaszkodom a mono-hangkártyához ,és nekem bementi rész is kell majd.
Nem tudom átalakítani monóra a sztereót,és nem tudom minek használjak multiplexert/elosztót, jó drága csak.
Nekem nem jó ugy hogy hol a bal/oldalt kapcsolja hol pedig a jobbat nekem ugy kell,hogy mono legyen csak ,és mid a 8 bitet kihasználja az LPT kimenetén.

Az egy dolog hogy valaki valamit sztereónak mond ,de hogy az is valójában ,az már más kérdés .Van is erről itt egy cikk ,az erősítő építésnél pl hogy jónak halljuk az erősítőt de valójában rossz amikor
megmérjük akkor jövünk rá.' amikor elszakadunk a realitás talajától'.

Részemről a sztereóról ennyit.
(#) benji01 válasza aty hozzászólására (») Jan 13, 2011 /
 
én 8 bites *.Wav okat szeretnék lejátszani.
(#) rascal válasza benji01 hozzászólására (») Jan 13, 2011 /
 
Első szakdolgozatomban pont egy párhuzamos portra köthető A/D - D/A volt az egyik feladat (ténylegesen is elkészült) és "sajna" sztereó, de ebből kiindulva egy kis radírozással könnyű megcsinálni egy monó verziót. Ez még az egyirányú LPT portra lett tervezve (befele nincs 8 bit, csak 5 "kézfogó" bit használható ilyesmire) ezért ott trükközni kellett. Ha legalább Pentiumos gépen használod, akkor azon kétirányú LPT lesz, azzal még egyszerűbb. Arra viszont akkor vigyáznod kell, hogy az LPT port ne legyen kimenetre állítva, amikor az A/D kimenete engedélyezve van. Ezt nem tudod hardverből ellenőrizni, így a kezelő programnak kell erre figyelnie.

Az A/D: ADC 0804, olcsó, névlegesen 10Ksample/sec, de 20-25 Ksample/sec-ig feltornázható a sebessége hallható minőségromlás nélkül (Amigára ezzel készítettem A/D annó, és jól bírta). Ha gyorsabb átalakítás kell akkor használhatsz ZN427-et, az 100Ksample/sec-ig jó, de negatív segédtápot és külső órajelet igényel)

A D/A ZN426E a hangfrekvenciát bőven bírja. ennek nincs saját tárolója, ezért van előtte az 74374. A ZN428-nak van, de az aránytalanul drágább szerintem

Itt mindegyikről találsz infót.
(#) szilva válasza benji01 hozzászólására (») Jan 13, 2011 /
 
Hát igen. Azért elég sok dolgot kellene tisztázni még rögtön a legelején, mielőtt nekiesel az LPT portnak.

Rögtön a legelső kérdés, hogy milyen operációs rendszer alatt, és milyen programokkal akarod megszólítani a "hangkártyádat". Szerintem már itt kezd a dolog elvérezni.

A másik sarkalatos pont, hogy külső tápfeszültség nélkül az LPT port nem igazán alkalmas ilyesmire, főleg az A/D átalakítás lesz különösen kellemetlen. Tehát ha már LPT portos cucc, akkor ne sajnáld tőle a saját tápfeszültséget!

A harmadik sarkalatos pont a D/A átalakító súlyozott ellenállásainak a kérdése. Ide a korábban leírt sor csak egy közelítés, ráadásul nem szabványos értékek szerepelnek benne. Neked kettőhatványok, azaz 1-2-4-8-16-32-64-128 arányú ellenállások kellenének (szabvány értékekből elég macerás ilyesmit összerakni), de ez is akkor lenne csak igaz, ha a port kimenetei ideális feszültséggenerátorok lennének. Mivel ez nem igaz, ráadásul a port kimeneti szintjei sem garantálhatók, ezért mindenképpen javasolt egy CMOS buffer és R-2R létra felépítése a D/A-hoz. A létra impedanciáját a CMOS kimenetekhez célszerű jópár kohm-ra tervezni, ezért a kimeneti pontját a fejhallgatóhoz mindenképpen illeszteni kell (pl. egy műveleti erősítővel, vagy legalább egy emitterkövető fokozattal).

Mindent összevetve a kimenetre a legcélravezetőbb megoldás egy önálló D/A IC felhasználása, és ennek a kimenetének a fejhallgatóhoz illesztése valami egyszerű fokozattal. Én ilyesmire (nagyon régen) ZN426-ot használtam.

A bemeneti oldalra (A/D) őszintén szólva fogalmam sincs, hogy mit lenne célszerű építeni. Nem azért, mert nincs ötletem hardverre, hanem azért, mert elképzelésem sincs arról, hogy milyen progival és hogyan szeretnéd kezelni. Ha minden "saját kézben" van, akkor egy külső komparátorral és a már meglévő kimeneti D/A-val akár szoftveresen is lehet A/D átalakítást írni, de nem biztos, hogy kellően gyors lesz. A biztos megoldás itt is a külső, önálló A/D átalakító lenne. De megint visszatértünk a legelső, legfontosabb kérdéshez: mivel, hogyan fogod ezt kezelni a PC-ből?

Egyébként igen, anno az öcsémmel megépítettük a "covox" kimenetet, valahol a lomok közt nemrég találkoztam is vele. Ott az LPT portbitekre kettőhatvány súlyozású ellenállások voltak összerakva (jónéhány két soros ellenállásból lett "kitrimmelve"), és a kimenet ment erősítőbe. Az ellenállások közt a legkisebb párszáz ohm nagyságrendű volt, ha jól emlékszem. Ökörködésre, mod-ok hallgatására elment, de azért én azt minőségnek nem nevezném. Sajnos a 8 bit (lineárisan) nagyon kevés hangcélokra.

Az már egy fokkal jobb volt a sima ellenálláshálózatnál, amikor egy saját gyártású ISA prototípuskártyán (gyakorlatilag próbapanel, aminek egyik szélén volt ISA csatiba menő érintkezősor) összeraktam egy logikát, ami a 0x378 és 0x278 portcímekre kiírt adatokat latch-ekbe rakta, a latch-ek kimenetén pedig ZN426-ok voltak, ez ment aztán az erősítőbe kábellel. De a 8 bit itt is csak 8 bit maradt, elég csapnivaló hangminőséggel.
(#) benji01 válasza rascal hozzászólására (») Jan 13, 2011 /
 
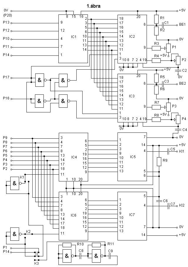
Először a digitális /analóg részt oldanám meg .Az alábbi kapcsolás jó-e?
Törekszem az 1xű megoldásokra.Ha lehet nem használnék IC-t.
(#) szilva válasza benji01 hozzászólására (») Jan 13, 2011 /
 
Fog "működni", de ha megmérnéd műszerrel a linearitását, akkor elkeserednél. Azért az ellenállások közös pontjáról a fejhallgatóval sorba legalább egy elkót tegyél már, légy szíves! Ja és még mindig nem árultad el, hogy milyen oprendszer alól, milyen programmal óhajtod használni ezt a hardvert!
(#) rascal válasza benji01 hozzászólására (») Jan 13, 2011 /
 
Nem tudom pontosan mennyivel terhelhető az LPT-port egy-egy bitje, de a 32 ohm esetén 5V/32Ohm=156mA. Ez rengeteg, ezt biztos nem bírja ki. Portonként 5mA-nél többet én nem vennék ki, így a legkisebb ellenállás értékét 1000 ohm-ra méretezném, és ehhez igazítanám a többit. Így viszont a fülhallgatót nem tudod vele közvetlenül meghajtani, egy kis erősítő (és annak valahonnan tápfeszültség) kelleni fog. Én már építettem ilyen ellenállás létrás covox-ot, és iszonyatosan zajos volt. A ZN426-al készített átalakító (egy IC, 5V-ot a billentyűzetről kapott) ehhez képest Hi-Fi minőséget adott. Erősítés ennek is kellett, mert ez sem tud teljesítményt leadni. Majd megkeresem a kapcsolásaimat, csak papíron vannak valahol egy nagy kupacban.
(#) vilmosd válasza benji01 hozzászólására (») Jan 13, 2011 /
 
Hali
Vegulis mukodokepes, de ket nagy hibaja van. Ezekkel az alacsony ertekekkel nem biztos, hogy jo lesz, mert tulterheli a kimeneteket. A masik, hogy binaris lepesekben nem igen fogsz talalni ellenallasokat. Nezd meg pl az E192 sorozatot. Amugy nagyobb elenallas ertekekkel, es valami kimeno erositovel mukodokepes lehet. Azert ajanlottam az " R-2R "lancot. Azt is kimeneti erositovel. Az ilyen egyszeru aramkornel meg bele kell szamolni a meghajto aramkor belso ellenallasat is, ami pl a CMOS kapuknal akar 1 kohm korul is lehet.
(#) benji01 válasza szilva hozzászólására (») Jan 14, 2011 /
 
Linux alól használnám ,consolban free pascal alól,mert tudom működtetni linux alól pascalban pinenként az LPTt-t

Az elkó az tényleg lemaradt bocsi.csak siettem,viszont nem tudom milyen legyen az értéke.

Hangra ha jó akkor nem baj linealritással kapcsolatban ezt tudom mondani.Előtte megmérném hogy amit vásároltam az valóban annyi értékű -e?ha nem még potméterrel simán korrigálhatok,esetleg még villanyvezetékből (nem csupaszolom le )
tekerek sokat lényeg hogy a megfelelő ellenállást értéket elérje - lehet korrigálni kicsit szerintem .Sokat nem, mer a fázisvezeték standard-az 1.5 m 1 ohm.

Tehát pár ohmot,vagy ha nagyobb értékeknél van gond akkor összetenni két ellenállásból pl.

Ha mindenképpen szükséges erősitő vagy végfog hozzá ,azt külön egységként (modulként ) szeretném létrehozni.

Ami még kétértelmű lehet ,hogy ne értsük félre egymást:
Az adlib lényege szerintem hogy burkológörbékhez szabványos jelalakok vannak és így képzi a hangokat fm szintézissel.
(meg van pc speaker is ,de most azt hagyjuk, azzal is lehet még am szintézis is csinálni de az sem 1xű ,)
és ez is 8 bit ,mer sztereo és 2x4 bit ,de én 1x 8bitet szeretnék
és wav szintézissel ,inkább ugy mondom csak kimenne rajta a wav file

egyébként ha mindegyik 1 k-s pl akkor 8db esetén (ha nincs sulyozva )az akkor csak monoként 3 bites

szztereóként meg csak 2,mert 2x4 .

Tehát én azt szeretném ,hogy van egy wav fileom pl
22 khz,mono,8 bit ,ezt berántom a memóriába ,és lelassítom valamennyire hogy sampling rate jó legyen,aztán mehet kifelé az lpt-re ahol megszólal hangként.

A wav file szerkezetét ismerem, és nem törekszem arra ,hogy adpcm és hasonlóan kórosan ritka mutációkat is megszólaltassak ,csak 1xű tömörítetlen wav file-ra gondoltam.

szoftweresen szerintem nem lennének gondjaim,hadwaresen bizonytalan vagyok.
(#) benji01 válasza rascal hozzászólására (») Jan 14, 2011 /
 
Meg ezzel a covox-szal az is a bajom még (azon kívül hogy fm szintézises tehát fm szintézises hang megy ki az lpt-n ) hogy ahány lapon látom annyi féleképpen van megvalósítva ,mer ha még csak 2 értelmű ,akkor azt mondom, hogy haggyán.

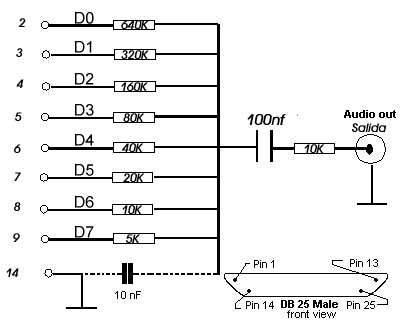
pl: http://www.freeweb.hu/bat21/covox.htm és 1 másik kép

DE ez talán most ez a kérdésem nem is fontos ,mert az én kérdésemre nem is ez a válasz mert ,az kérdésemet máshogy kell megvalósítani?

covox.gif
    
(#) szilva válasza benji01 hozzászólására (») Jan 14, 2011 /
 
Nem tudom, honnan veszed azt, hogy a Covox FM szintézises hangot adna ki (egyáltalán tudod, mi az az FM szintézis?). Az általad linkelt oldalon ott írja világosan, hogy "a Covox működési elve igen egyszerű: nem más, mint egy DA konverter". Éppen ilyet akarsz csinálni.

Az összes, korábban linkelt megoldás működőképes, a bináris súlyozású ellenállásokból álló összegző és az R-2R létrák is. Mind ugyanazt a feladatot látják el, a binárisan súlyozott értékű kimeneti bitekből a bináris értékkel arányos feszültségszintet állítanak elő - elméletben. A gyakorlati megvalósítások linearitásával lehetnek komolyabb gondok is, mert alapvetően nem ilyen célra vannak azok a digitális áramkörök kitalálva, amik az LPT port kimenetét adják. Erre rögtön rájössz, ha egyszer megméred műszerrel; még az is nagyon könnyen előfordulhat, hogy a 0-255 kiadott értékekhez nem monoton emelkedő feszültségszintet fogsz kapni. Pont ezért említettem én is és mások is, hogy minimum egy külső, ismert paraméterű buffert kellene használnod az ellenálláshálózat meghajtására, de méginkább egy gyárilag trimmelt, 8 bites D/A átalakítóval kellene ezt megoldani. Egyik megoldás sem alkalmas a fejhallgató közvetlen meghajtására, arra kell valamilyen meghajtó fokozat a D/A átalakítás után.

Mellesleg komoly kételyek is felmerülnek bennem, mert ennyi idő alatt, amennyit itt eltöltöttünk már a kérdezz-felelekkel, rég összedobhattál volna egy ellenálláskupacot egy DB25-ös papára és meg is hallgathattad volna. A másik, amit végképp nem értek, hogy a mai világban mi értelme egy ilyen hardvernek: gyakorlatilag minden pc-n ott a beépített hang, linuxban oda is küldheted a wav-ból kibányászott feszültségérték-adatokat, és az szépen, hangként fog szólni a kimeneten. És a házibarkáccsal még akkor sehol nem tartunk a bemeneti oldal terén...
(#) gabi20 hozzászólása Jan 14, 2011 1 /
 
Hello!
Én írtam C ben egy programot ami egy tetszőleges *.wav fájlt megnyit és számok formájában átírja egy *.txt fájlba. Az lenne a kérdésem hogyha ezt a *.txt fájlat megnyitom és kiküldöm az LPT portra ahová pedig kötök egy DA átalakítót, akkor vissza - e fogom kapni az eredeti hangot?
(#) gg630504 válasza gabi20 hozzászólására (») Jan 14, 2011 /
 
Szerinted egy egy perces wavból készült szövegállományt egy 2 GHz-es processzor mennyi idő alatt fog kiküldeni a nyomtatóportra?
(#) idlob válasza gabi20 hozzászólására (») Jan 14, 2011 /
 
A bemeneti wav-tól függ. Az LTP-nek korlátozott a sebessége és tisztességes jittere van. Tehát alacsony mintavételezési frekvencia és 8 bit felbontás esetén hasonlót fogsz kapni.
gg: legalább egy percig
(#) benji01 válasza szilva hozzászólására (») Jan 14, 2011 /
 
Te magad mondtad feljebb hogy MOD-ok hallgatására használtad a covoxodat,kb 110 x leírtam hogy nem kívánok versenyre kelni a mai 24 bites dolby sorroundos,210 khz -es 160.145 ft os hangkártyákkal

sem pedig a mai 16 bites dolby sorroundos 96 khz 10.123 ft -os hangkártyákkal .

csak azt gondolom ,hogy ha magam készítek egy 8 bites mono 22-44 khz-s hangkártyát ,(kimenet 1000 ft bemenet 2000 ft ból) amit még tudok is programozni linux alatt is , mindenféle dma-s baromkodás illetve egyéb irq-s találgatás nélkül , akkor rendkívül örülnék annak.

Szóval tudok linux alatt lejátszani 44kkhz sztereo ,16 bitbe De felvenni nem tudok normálisan mer mikor visszajátszom lassú nagyon mintha 8 khz-vel vettel volna fel.Ezért gondoltam
hogy akkor inkább vegyen csak fel 8 bit -be de normális mintavételezési frekivel ,és akkor csinálok egy marha 1xű hangkártyát lpt-re
ami 8 bit 44khz mono felvesz/lejátszik.

Amikor valaki covoxon hallgat mod-ot ott az történik szerintem hogy a progi a mod fileból 8 bites mono 22 khz-s hangot csinál és azt küldi ki az lpt-re ,én nem ezt szeretném én nem szeretnék soha ezzel MOD-ot hallgatni. A meghajtó fokozat alatt az erősítőt érted? Ha mindegyik megoldás működőképes akkor mér van az egyikben egy a másikban meg 2 kondenzátor?

Az hogy ökörködés alatt mit értesz azt nem tudom.

Ez nem sms, és nem irc, vagy chat vagy bármi más hasonló! Kérnénk mellőzni az ilyenek használatát.
szamóca
(#) rascal válasza gabi20 hozzászólására (») Jan 14, 2011 /
 
Gondolom visszaalakítod a szöveges alakról egy 8 bites számra mielőtt kiírod, nem csak a print parancsot adod ki. Emellett nem mindegy, hogy az eredeti wavban -128 - +127- ig (80h, 81h, .... FFh, 00h, ... 7Eh, 7Fh), vagy 0-255 (00h, 01h, ..., 7Fh, 80h, .... , FEh, FFh) az értékek értelmezése. Illetve reménykedj, hogy ne legyen tömörített (ADPCM), mert akkor felejtős. Nem tudom már, hogy 386-on, vagy Pentium1-en, de kipróbáltam mit bír maximum az LPT úgy, hogy a programba nem teszek bele semmi késleltetést, de 300-400 ezer bájt/másodpercnél nem volt hajlandó többet fogadni (assemblyben, dos alatt közvetlenül estem neki az I/O portnak). Másfelé, pl videokártyába, memóriába nagyságrendekkel gyorsabban lehetett adatot pakolni, ezért gondolom szándékos volt ez a lassú tempó, és nem a technikai lehetőségek voltak ilyen szűkösek. Nem tudom most hogy van, ennyire direkt módon rég piszkáltam a gépet.
(#) Action2K válasza rascal hozzászólására (») Jan 14, 2011 /
 
Idézet:
„300-400 ezer bájt/másodpercnél nem volt hajlandó többet fogadni”

Nem is kell! Ha ezt mondjuk átlagoljuk, akkor legyen 350 kbyte/sec. Ezt osztjuk kettővel, hogy egy 50%-os négyszögjelalak menjen ki. Ez esetben 175 kHz-es jelet kapunk. Hogy kicsit "szinuszosabb" legyen a dolog, osszuk 8-al (2 helyett). Így már 43,75 kHz-es 8 lépcsős, 8 bites, egész jó jelalakot kapunk. Ilyet még a legjobb CD lejátszó sem tud. Egyébként egy 44,1 kHz-es WAV lejátszásához pontosan 44,1 kbyte/sec-es átviteli sebesség kell csak.
(#) rascal válasza Action2K hozzászólására (») Jan 14, 2011 /
 
Egy puszta lejátszásnál nagyon frankó lett volna, ott számított, hogy (pár hozzászólással feljebb látható) csináltam az LPT portra egy sztereó A/D, D/A-t és ha full duplexben akartam használni (akkoriban a Sound blaster sem tudta ezt még), akkor ez a korlát a sok port írás/olvasás miatt lekorlátozta a max sebességet. Amíg a I/O port csigatempójára várt a program addig a proci nem tudott semmi hasznosat csinálni.
(#) rascal válasza benji01 hozzászólására (») Jan 14, 2011 /
 
A Covoxnak semmi köze az FM szintézishez. Az általad beidézett link is arról szól, hogy ez egy egyszerű D/A átalakító, és pár lehetőség a megvalósítására. Szilva véleményével egyet értek, nem írnám le én is.
Nézd meg a képeket, az IC-s sem bonyolult, még kevesebb alkatrész is kell hozzá mint az ellenállásokból készítetthez. Precízebb és sokkal jobb a jel/zaj viszonya mint az ellenállásosnak. Amit 8 bitből ki lehet hozni, azt elég jól tudja, többet nem. (A kapcsoláson a 4-es láb nincs hozzákötve az 5-ös és 6-os lábakhoz; ne zavarjon meg a hangfal csatlakozó, attól még kell utána erősítő; 5V-ot a gép belsejéből szedhetsz a HD, vagy Floppy tápkábelre csatlakozva (piros vezeték)). Ez úgy 600 Ft-ba került annó, ha egy erősítőt is építesz mellé (pl LM386), ami mehet a belső 12V-ról (sárga vezeték) és még mindig 1000Ft-on belül maradtál.
(#) szilva válasza benji01 hozzászólására (») Jan 16, 2011 /
 
Szerintem alapvetően rossz irányból közelíted meg a problémát. Ha ugyanis az a gondod, hogy Linux alól akarsz normális módon digitalizálni, akkor annak kellene utánanézni, hogy az hogy megy (gondolom, megfelelő devicefile megnyitása, pár IOCTL és hasonló függvényhívással a paraméterek beállítása, majd a file-ból olvasással kapod szépen a hangkártyából a mintákat). Külső A/D-t, ráadásul "2000Ft-ból" nem fogsz építeni, vagy csak óriási kínlódások árán, és ugye tudjuk, hogy a közben "eltökölt" idő is pénz. A külső (vagy a PC-ből kivezetett) tápfeszültséget semmiképp nem fogod megúszni.

Külső A/D átalakítónak egyetlen esetben látom értelmét, ha olyan méréseket akarsz végezni a PC-n, amihez a hangkártya képességei nem megfelelőek. Pl. ha digitális szkópot akar építeni az ember, és fontos a DC csatolhatóság, vagy olyan extrém mintavételi frekiket kell használni, amiket a hangkártyák nem tudnak. Ezekhez viszont már komoly külső hardver is kell. Ha kifejezetten hangdigitalizálás a feladat, arra ott vannak a hangkártyák.
(#) kameleon2 válasza rascal hozzászólására (») Jan 11, 2024 /
 
Remélem még érdekel másokat is a téma, ezért próbálkozom ennyi év után. Diákoknak szeretnék bemutatni egy COVOX jellegű megoldást Arduino segítségével. Olyat már sikerült csinálnom, hogy USB-ről az Arduino felé elküldök soros adatot, amit az Arduino dekódol és 8 bites párhuzamos információként képes mondjuk 0-7 pineken megjeleníteni, amit leddel is tudok detektálni. Elkészítettem ezekre a lábakra egy R2R létrát 10k és 20k ellenállásokkal, azaz elvileg megvan a 8 bites dekóderem. Milyen adatokkal tudnám tesztelni? Nyilván az lenne első körben az egyszerűbb, hogy magába az Arduino Uno-ba töltenék le adatokat, amit direktben kiküld. Remélem nem a pusztába kiabáltam....
(#) Bakman válasza kameleon2 hozzászólására (») Jan 11, 2024 /
 
Idézet:
„Milyen adatokkal tudnám tesztelni?”
elszámolsz 0-255 -ig, majd ezeket az értékeket állítod be a kimeneteken.
(#) sargarigo válasza kameleon2 hozzászólására (») Jan 11, 2024 /
 
Szervusz!

Milyen adatokkal? Én egy fűrész jellel indítanék, azon rögtön látszanak a hibák. Természetesen nem maradna ki a színusz sem, mondjuk 1kHz-en.
Nem irtad a projekt célját, hogy milyen eredményeket vársz el tőle.
(#) benjami válasza kameleon2 hozzászólására (») Jan 11, 2024 / 1
 
A már meglevő arduino-s programoddal megcsinálhatod azt, hogy egy terminálból egyszerű tömörítetlen wav fájlt (8bit mono 11025Hz) küldesz neki bináris formátumban 115200bit/sec sebességgel. Így elég jó közelítéssel pont kijön a mintavételezési frekvencia. A dac kimenetét meg kösd rá egy erősítőre.
(#) nagym6 válasza kameleon2 hozzászólására (») Jan 11, 2024 / 1
 
Digitális oszcilloszkópba beadsz jelet pld.: szinusz, elmented "csv" formátumba, a "csv" megnyitható szövegszerkesztővel, és megkapod a jelalak bedigitalizált lépésenkénti számait decimális formában, ami mehet DA konverter adatnak. Részletesebben már nem emlékszem, kell még némi macera, én így kaptam szinusz értékeket.
(#) Inhouse válasza nagym6 hozzászólására (») Jan 11, 2024 /
 
Ti készen vagytok a jó értelemben! Imádom! Hajrá!

Kameleon2!
Ezt mindenképpen csináld meg és rakj fel videót róla!
Annó ilyennel hallgattuk PC-n a Fastrackert...régi szép idők... Egyébként úgy emlékszem egészen jó hangja volt.
(#) nagym6 válasza nagym6 hozzászólására (») Jan 11, 2024 /
 
Újabb mód, Siglent generátorokhoz van free jelalak -arbitrary- szerkesztő, ebben gyárilag adott-tárolt jelalakot Pld.: szinusz behozunk, és megjeleníti lépésenként a számértékeket is. Ezek a számok mehetnek DA konverterbe.
Következő: »»   2 / 3
Bejelentkezés

Belépés

Hirdetés
XDT.hu
Az oldalon sütiket használunk a helyes működéshez. Bővebb információt az adatvédelmi szabályzatban olvashatsz. Megértettem