Fórum témák

» Több friss téma
Fórum » Műveleti erősítő
 
Témaindító: petrik, idő: Júl 31, 2005
Lapozás: OK   106 / 112
(#) xNorbi válasza Skori hozzászólására (») Feb 24, 2024 /
 
Szerintem se annyira lényeges az impulzus jelleggörbéje.

A kisütő áramkör a legtöbb esetben egy egyszerű dióda és megfelelő ellenállás kombinációja. Ezeket álltalában úgy méretezik, hogy a keletkező feszültség sose legyen magasabb 1kV-nál. Ha valaki jobban belegondol, a mágnes védelme szempontjából minél nagyobb ellenállás lenne a kívánatos, hiszen így növeljük azt az energiát ami külsőleg alakul hővé és nem tekercs normál állapotú vezetőjét hevíti.
Vagyis itt egy gyorsan megjelenő feszültségcsúcsra, majd egy exponenciális lefutású jellegörbére lehet számítani. Mi ezt a kisütő diódát szeretnénk a jövőben egy IGBT + FPGA modullal helyettesíteni, aminek úgy szabályoznánk nyitását hogy az egész kisütő feszültség az előre beállított értéken maradjon, kérdés mennyire sikerül majd ez, így inkább egy négyszögre haonslító jelleggörbét kapnánk. A feszültség felfutása pedig a pneumatikus kapcsolón múlik ami bontja mágnse energiaellátását, de ennél közelebbit nem tudok, később ezt is IGBTre lenne cserélve.

Egyébként erre a kisütésre különböző technikák vannak, nagyobb mágneseknél ez nem elég, ott alkalmaznak úgynevezett "quench heter"-eket, amik pillanatok alatt felfűtik az egész tekercset, jobban eloszlatva az összeomló mágnses tér energiáját, ilyenek vannak alkalmazva az LHC mágneseiben is. Némely megoldás segédtekercseket alkalmaz az energia elosztására, vagy ellenkezőleg lokálisan növeli némely pontbana mágneses teret normál állapotot idézve elő, néhol a problémás részt kerüli ki az áram valami módon. Kondenzátor bank kisütése a tekercs áramkörébe is szóba jöhet rezgőkört létrehozva és az "AC loss" jelenséget kihasználva melegíti a tekercset. Ha valakit jobban érdekel a téma quench protecion címszó alatt talál róla anyagot.

Egyébként találtam ezt az érdekes VOM1271 vagy TLP3910 fotovoltaikus optocsatolót, ami egy MSOFET gate meghajtó feszültségforrás nélkül a működéséhez szükséges energiát a belső LED és belső "napelem" szolgáltatja. Ezzel egyszerűen megvalósíthatónak tűnik egy MOSFET meghajtása és annak galvanikus elválasztása is.
A hozzászólás módosítva: Feb 24, 2024
(#) Skori válasza xNorbi hozzászólására (») Feb 24, 2024 / 1
 
Az impulzusra a FET-es védőáramköröd miatt kérdeztem rá. Alaphelyzetben a FET nyitva van nagyjából teljesen, de amikor túlfesz van, akkor le kell zárni annyira, hogy megfelelően korlátozzon. Ez eddig ok. de ez a lezárás nem nulla ideig tart, hanem a tranzisztornak el kell vezetnie a gate töltésének zömét. Ezen kívül a FET kapacitásán keresztül is jelentős impulzus juthat át akkor, ha a bemenő fesz emelkedési sebessége nagy. Ha a szimuláció, és a modell is jó, akkor pl. ki lehet mutatni vele, hogy ez a védelem mekkora feszültség emelkedési sebességig jó. Ezért tettem volna pl. induktivitást is a körbe, hogy addig az korlátozza az áramot, amíg a FET le nem zár. De lehet, hogy erre nem lesz szükség, és csak én szeretem túlbiztosítani a dolgokat...

A VOM ügyes dolog, de viszonylag kicsi meghajtó áramot tud, és a sebessége sem túl nagy, ezt figyelembe kell venni.
(#) sdrlab válasza Skori hozzászólására (») Feb 25, 2024 /
 
Idézet:
„Ez eddig ok. de ez a lezárás nem nulla ideig tart, hanem a tranzisztornak el kell vezetnie a gate töltésének zömét”

Ezért javasoltam, hogy source követőként legyen alkalmazva az egész védelem, mivel akkor maximális sebességgel reagálva zár le a szükséges értékre, ami néhányszor 10nsec nagyságrendbe esik. Ez elég rövid idő ahhoz, hogy akár a sebességből adódó energiáról, akár a DS kapacitásból adódóról beszélünk, minimális integráló kapacitással legyen kivédve a hatásuk. Főleg, hogy itt nem fog folyni jelentősnek nevezhető "védelmi" áram, így nem kell nagy teljesítményű FET sem, ergó kicsi lesz a DS kapacitás is!

xNorbi:
Ezek az optocsatolók statikus jellegű vezérlésekre vannak inkább kitalálva! A pár tucat uA töltőárammal gyorsan nem fogsz feltölteni/kisütni egy nagyobb teljesítményű FET gate kapacitását!
(#) jimitek hozzászólása Feb 25, 2024 /
 
Akkor itt is felteszem a kérdésem...
Tehát adott egy sztereó mikrofon erősítő, amit eddig egy LM4562 hajtott, de nagyon érzékeny a rádiófrekvenciás zavarokra, és ezt eddig nem tudtam kiiktatni.
Lecseréltem TLC2272-re és csoda történt, azonban 40dB-es erősítésnél már 10dB gyengülést mutat 50kHz-en, aminek túlságosan nem örülök, viszont az alacsony fogyasztásnak igen.
Szóval az alábbi áramkörön mit kellene módosítanom, hogy az LM4562 alig észlelje a zavarokat, és 100kHz alatt még ne gyengüljön a jel?
(#) sdrlab válasza jimitek hozzászólására (») Feb 25, 2024 /
 
Pl beraksz a 3-as láb elé egy soros 150R-ellenállást, a 3-as lábról a föld felé pedig egy 10nF kerámiát. Ez 100kHz felett kezd el hatni....
(#) jimitek válasza sdrlab hozzászólására (») Feb 25, 2024 /
 
Jó ötlet, jövő héten lehet ki is próbálom, csak azon akad meg a gondolatmenetem, hogy vezetékezés nélkül is ugyan úgy érzékeny, akkor hogy lehet bármi esélyem külső alkatrészes szűréssel, mert kizárásos alapon, a chip-ben keletkezik a zaj, így aztán szűrhetem ahogy akarom. Persze ne legyen igazam...
Mondjuk szívesen megnéznék egy kapcsi rajzot az LM4562-vel rádió frekis gerjedésgátlóval ha van ilyen.
(#) reloop válasza jimitek hozzászólására (») Feb 25, 2024 /
 
A műveleti erősító típusától függetlenül az alábbi módon védekezhetünk az RF zavarok ellen.
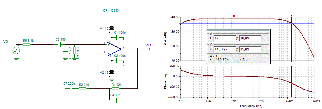
Egyrészt bemeneti aluláteresztővel. A C6 értékének a meghatározásához az electret mikrofon kimeneti impedanciáját 5k1-nak becsültem. A másik nélkülözhetetlen fogás az erősítő sávszélességének korlátozása. Magát a visszacsatolást minél kisebb értékű ellenállásokból építjük, annál kisebb lesz a zavarérzékenysége. Ezért csökkentettem 22k/240-re. A C4 a C6-tal együttesen azt eredményezi, hogy a kapcsolás erősítése 140 kHz-en csökken 3 dB-lel.
Az általad csatolt képből arra következtetek, hogy az előerősítő nem a mikrofonba lesz beépítve. Az electret mikrofon és az előerősítő közé lehetőleg nem kötünk kábelt. Ha mégis erre kényszerülünk, akkor a kábel legyen minél rövidebb és nagyon-nagyon jó árnyékolású.
A feszültségátalakító panel mi célt szolgál az előerősítő közelében?
(#) jimitek válasza reloop hozzászólására (») Feb 25, 2024 /
 
Idézet:
„az electret mikrofon kimeneti impedanciáját 5k1-nak becsültem”

2k2 esetemben.

Idézet:
„Az electret mikrofon és az előerősítő közé lehetőleg nem kötünk kábelt.”

Hááát igen, de én betettem 2,5m-t!
Tudom, hogy nem ideális, nagyon nem, de ez most ilyen konstrukció.
Persze mikrofon kapszulától, a vezetéken és az RCA csatlakozón át a dobozig, minden szépen körbe van árnyékolva, erről megbizonyosodtam.

Idézet:
„A feszültségátalakító panel mi célt szolgál az előerősítő közelében?”

2db AA akku 2,5V-jából csinál 9-et, és egy IC megfelezi ±4,5-re, így kap elég feszt a műv. erősítő, és a fantomtáp is. Ebbe kérlek ne kössetek bele, nem változtatom meg lítiumosra, vagy bármi másra. Pont 2,5V-on generálja a legkevesebb zajt, szerencsémre. 1000µF szűri hatékonyan.
Szerencsére szórt zaja nincs, csak a kimenetén, de azt ugye szűröm.

Szóval elég nagy módosítás, felírom, de sok idő lesz mire kipróbálom. (nem vagyok formában)
A hozzászólás módosítva: Feb 25, 2024
(#) reloop válasza jimitek hozzászólására (») Feb 25, 2024 /
 
A step up konverter közvetlen kimenetére tennék azért pár száz mikrós low-ESR kondit, mert a tápvezeték így eléggé zavarójel-adónak néz ki.
A javasolt módosításban a C6 akkor legyen 330 pF.
Ha a módosításokhoz érsz nézzük meg a panel alját is!
A felső réz réteg a kapcsolás mely pontjára van kötve?
(#) jimitek válasza reloop hozzászólására (») Feb 25, 2024 /
 
Igen az 1000µF közvetlen a kimeneten van, a vezeték előtt. (főleg, hogy máshová el se fér)
Na most azt meg kell jegyeznem, hogy a TLE2426ILP vagyis a feszültség felező nincs a kapcsi rajzon, de ha megnézed a képen, közvetlen a 8 lábú IC alatt van.
Annak a lábán keresztül van átkötve a test arra a rétegre.
Csatolom az alját mutató bekötést, felülnézetből.
Bár elég sok verziót csináltam már, de kb. ez az.
(#) reloop válasza jimitek hozzászólására (») Feb 25, 2024 /
 
A fantomtáp szűrése a jeltesten folyik, nem szerencsés. A 220 µF és 100 nF a felső rétegről kaphatna testet.
Ha jól látom az Amplifier feliratú tüske-pár egyezik a 100k visszacsatoló ellenállás lábaival. Ide felforraszthatod a jelenlegi alkatrészekhez igazodó 10 pF kondenzátort, máris csendesebb lesz.
(#) jimitek válasza reloop hozzászólására (») Feb 25, 2024 /
 
Idézet:
„Ha jól látom az Amplifier feliratú tüske-pár egyezik a 100k visszacsatoló ellenállás lábaival. Ide felforraszthatod a jelenlegi alkatrészekhez igazodó 10 pF kondenzátort, máris csendesebb lesz.”

Igen, egyszer erre párhuzamosan kötöttem, gondolom sorosan kellene, mert egyrészt nem látom értelmét, másrészt ha 0dB erősítésre kapcsolom a kapcsolót, akkor a kondenzátort is rövidre zárnám, ergo értelmét vesztené, jól mondom?
A hozzászólás módosítva: Feb 25, 2024
(#) sdrlab válasza jimitek hozzászólására (») Feb 25, 2024 /
 
Az nem derült ki az esetleírásodból, hogy mindezt vezeték nélkül is műveli az OPA?!
Ha ez a helyzet, akkor is hasznos egy ilyen szűrő a bemeneten... Ha nem javít a helyzeten...és esetleg a reloop javaslatai sem hozzák meg a sikert, még próbálkozhatsz a 2-3 as lábak közé kötött kondival is! Ez ugyan rossz esetben(értékkel) bizonytalanná is teheti a stabilitást, viszont optimálisan belőve nagy eséllyel szünteti meg a jelen esetben a bemeneti asszimmetriák miatt fellépő demodulálási hajlamot. De ez legyen az utolsó a sorban, amit kipróbálsz....
(#) reloop válasza jimitek hozzászólására (») Feb 25, 2024 /
 
Próbáld ki 10-20 pF kondenzátorral, természetesen párhuzamosan a 100k ellenállással.
(#) jimitek válasza reloop hozzászólására (») Feb 25, 2024 /
 
Idézet:
„Próbáld ki 10-20 pF kondenzátorral, természetesen párhuzamosan a 100k ellenállással.”

Azt már próbáltam, már mint a visszacsatoló (jel erősítő) ellenállásra, de az ég világon semmi hatása.

Amiket leírtatok igyekszem hamarosan kipróbálni, de komoly egészségügyi okok miatt, kicsit csúszni fog a dolog.
Na meg már 50 órája merítem, a 2db 2000mAh akkucellát 26mA mellett (TLC2272), amit holnap délutánra várok lemerülni, addig nem nyúlnék hozzá.
Addig is köszi a segítséget, igyekszem jelentkezni majd az eredménnyel...
Egyébként ITT van nagyon részletes leírás, amit hamarosan bővítek a teszt bekezdésben, ha ezzel végeztem.
(#) Skori válasza jimitek hozzászólására (») Feb 26, 2024 /
 
Akkor már én is mondanék egy tippet, ami a probléma kicsit más megközelítése...

Lehet kapni (pl. hestore is) MCP6022 opampot. Ez szimpla 2,5V..5,5V tápfesszel tud működni. Magyarán ehhez nem kellene DC/DC konverter, hanem közvetlenül működhetne egyetlen Li celláról, és nem lenne a közelében a DC/DC konverter által keltett zaj. Az IC fogyasztása 1mA/opamp, azaz sokkal tovább működne akkuról, mint a jelenlegi megoldásod. A torzítása (adatlap szerint) akár 0.00053% lehet, ami szerintem egész jó... A sávszélessége 10MHz, tehát még nagy erősítés mellett is egész jó lehet. A ki és a bemenetei táptól-tápig tudnak dolgozni, tehát attól sem kell tartani, hogy kicsi lesz a kivezérelhetősége. Azthiszem a helyedben én ezzel próbálnék kezdeni valamit...

Ja, és még valami. Ha már vezetékkel akarod bekötni a mikrofonokat, akkor olyan kapcsolást kellene építeni ebből, ami szimmetrikus bemenetű (tehát kivonó erősítő) és mindkét mikrofonhoz egy-egy kéteres árnyékolt vezetéket vinnék. Jelentősen kevesebb zajt szedne össze a vezetékből így.
A hozzászólás módosítva: Feb 26, 2024
(#) jimitek válasza Skori hozzászólására (») Feb 26, 2024 /
 
Jó az ötleted, csak elfelejtetted a fantom tápot!
Táp feszt mindenképpen szimmetrikussá kell alakítani, különben a kimeneten egy óriási kondit kell bekötni, ami kinyírja az infra tartományt, az meg kell. (nem részletezném, de kell)
Szóval ±2,25V-al dolgozna.
Ha ebből fantomtápot akarok csinálni, eljutok ahhoz a problémához, ami az Asus Xonar U7 hangkártyám problémája (mert az is ekkora feszültségű IC-vel dolgozik, LME49726), szóval szűrés után maradna 1V a mikrofonra, ami egyrészt kevés, másrészt nem lenne egyforma az erősítése a kettőnek, így jönnének az aszimmetrikus jelerősségi és alapzaj problémák...
A lényeg, hogy így is, úgy is kelleni fog egy feszültség átalakító, ami elég magas feszültséget csinál a mikrofonoknak, na meg egyébként is nem ezzel van a probléma, nem ez csinál zajt, hanem a telefon, WiFi, meg mindenféle külső ketyere, szóval a belsős problémák már megoldottnak tekintem. Jó az úgy hidd el.

A vezetékes dolgot meg hagyjuk szerintem. Egyrészt ennyire nem akarom már túlbonyolítani, másrészt, azt leteszteltem alaposan, semmilyen zajt nem szed össze.
Se elektromágneses, se rádiófrekis zavarokat (régen nem volt még jó az árnyékolás ezért hallottam valamelyik rádiót, de már teljesen megszűnt), szóval maradt az áramkör.
Most sokkal inkább azon agyalok, hogy tudnám a test elvezetését "tökéletesen" megoldani.
Azt észre vettem, hogy nem jó, ha összevissza kötöm be, tehát tartani kell egy egyenes, úgymond haladási irányt, de ezzel nincs gond, ezt már tapasztalatból tudom.
Ha rossz lenne a testelés, akkor megnövekedne a zajpadló, de ezzel itt nincs probléma, körbe jártam a dolgot, lecsatolt mikrofonnal, csendes környezetben, stb...

Egyenlőre minden jel arra utal, hogy az IC kialakítása határozza meg az RF érzékenységet, így aztán ügyeskedhetek a panel szépítésével, de nem lesz javulás, és korábbi próbálkozásaimnál se volt.
Van egy újratervezett testelvezetéssel bekötött áramköröm, de az se okozott semmi változást, az ég világon semmit.
Lehet azért még teszek egy próbát a tegnapi tanácsok alapján, de 1% esélyt adok, hogy bármi javulást fogok tapasztalni.
Egy valami van, amiben még erősen hiszek, csak az kb. kivitelezhetetlen jelenleg, ezt pedig, hogy körbe árnyékolom, legalább 1mm vastag alu vagy réz lemezzel, de az nagyon drága.
Most 30µm réz veszi körül, mivel nyák lemezből van a doboz.
A hozzászólás módosítva: Feb 26, 2024
(#) Skori válasza jimitek hozzászólására (») Feb 26, 2024 / 1
 
Nem felejtettem el semmit, (a fantom tápot sem). Ugyanakkor erőltetni sem akarok semmit, csak egy tanács volt, amit nem kell megfogadni ha nem akarod.
(#) jimitek válasza reloop hozzászólására (») Feb 27, 2024 /
 
Kipróbáltam a kondenzátorok hozzáadásával a korábbi mellékelt kapcsi rajzod alapján, meg a leírtak alapján, de semmi változást nem eredményezett.
A vezetékek szigetelései teljesen szétolvadtak már, nem akarom tovább rongálni, mert nincs és nem is lesz pénzem egy jó darabig alkatrészekre, így ahogy az angol fórumokon is olvastam, és már rájöttem, ez az egész RF probléma szinte teljesen a műveleti erősítő IC-n múlik, abból meg vagy kifogok egy jó darabot, vagy nem.
A TLC2272 most egész jól muzsikál, nem torzít, nem magasabb az alapzaja a mikrofonénál, csak 40dB erősítésnél 10dB gyengülést mutat 40kHz-től felfelé, de denevér hangokat már nem nagyon tervezek rögzíteni, így talán elengedhetem.
0-20dB-n meg úgy tűnik rendben van.

Ha valakinek még is kedve szottyan megtervezni és gyakorlati szinten letesztelten átadni egy olyan kialakítást, ami biztosan nem érzékeny a RF zavarokra LM4562-vel, azt szívesen fogadom, és megcsinálom magamnak, de sajnos rossz egészségügyi állapotom miatt nem tudok energiát tenni bele.
Mégegyszer köszi a segítséget!
A honlapomon majd frissítem az írást eredményekkel.
(#) sdrlab válasza jimitek hozzászólására (») Feb 27, 2024 /
 
Kipróbáltad az általam utolsó kipróbálandó verziónak mondott módosítást is?? Megfelelő értékű kapacitással, szinte kizárt, hogy RF demoduláció lépjen fel így...
(#) jimitek válasza sdrlab hozzászólására (») Feb 27, 2024 /
 
Igen, 120pF-al.
(#) sdrlab válasza jimitek hozzászólására (») Feb 28, 2024 /
 
Annál 1-2 nagyságrenddel nagyobbal is lehet próbálkozni....
(#) xNorbi válasza sdrlab hozzászólására (») Feb 28, 2024 /
 
Elnézést hogy csak most válaszolok még vissza szeretnék térni erre a témára. Az optocsatoló nem közvetlenül vezérelné a MOSFET gate lábát, hanem egy kondenzátort töltene amiről az egész védelmi áramkör működne, kb. 50uA áramot tud biztosítani maradva az ajánlott működési paraméterein belül. Ez elégséges lehet, mivel két feszültségcsúcs közt biztosan el fog telni sok-sok perc, bőven lesz ideje feltöltődni a kondenzátornak.

Azt javasoltad, hogy source követőként legyen megvalósítva a védelem. Csatolom a fotót (1.png), ami a képen van az source követő? Jelen formában annyi volna a problémám vele, hogy 900V-os feszültségcsúcs megjelenésekor a védelem MOSFETje 90W-ot fűt (mert nincs teljesen zárva - 8kohm), ami megfelelő hűtőbordával még éppen kezelhető, de talán lehetne ezt szebben is csinálni?!

1.:
Érdekes, ha közösítem a két szembefordított védelem tápját vagyis mindkét helyre VC1 és VC2őt rakok (2.png) akkor ez a disszipáció gyakorlatilag nullára csökken és sikerül teljesen zárnom a MOSFETet. Ez miért van?
Ez lehetne egy megoldás a nagy disszipációra, de ennek az a hátránya egy 20+20khom ellenállással rövidre zárom a bementet, ami az esetemben azt gondolom nem túl nagy baj..

2.:
Próbáltam még közös táp nélkül berakni egy 120k ellenállást a MOSFET source és gate lába közé (3.png), ezzel valamelyest sikerült csökkentenem a disszipációt 40W környékére miközben a MOSFET nyitott állapotú ellenállása kb. 1-2 ohmra nőtt, ami még szintén elfogadható lenne..

3.:
Lehet ezt még jobban kompromisszumok nélkül megcsinálni? Nem közösítve a két védelem tápját (1.png), nyitott állapotban nem növelve 5ohm fölé a MOSFET ellenállását, se nem növelve az R1 és R4et, miközben disszipációt valahogy 10W alatt tartani? Közben, arra is figyelni kéne, hogy nyugalmi állapotban ne fogyasszon többet az áramkör, mint az a kb. 50uA amit az optocsatoló biztosítani tud.
A hozzászólás módosítva: Feb 28, 2024
(#) sdrlab válasza xNorbi hozzászólására (») Feb 29, 2024 /
 
Idézet:
„ami a képen van az source követő?”

Igenis, meg nem is... Attól függ, milyen üzemmódba kényszeríted üzem közben?!
Amire én gondoltam, ott nincs nincs Q1, csak egy kb 10V-ról nyitott FET van. Abban az esetben, bármekkora is a bemenő fesz, a sourcon nem lehet nagyobb néhány V-nál a feszültség! Ez a lényege a source követőnek.
Nálad valami más van alkalmazva. Itt, amikor a source áram eléri kb a 100mA-t, akkor kinyit a Q1, és korlátozódik ez az áram ezen az értéken. De...hová is folyatod el ezt az áramot? Mert 100mA az nem kevés, ahhoz komolyabb dióda kell, és útvonal, ahová el tud folyni!
És itt a másik problémához értünk, ugyanis míg az első rajzon(korábbin) földfüggetlen volt a tekercs, addig itt már leföldelted! pedig ez nagyon nem mindegy..., először ezt kéne tisztázni.

Másik dolog, nem értem, miért ragaszkodsz a néhány ohmos bemeneti lezáráshoz?! Az AD8428-nak ugyan tényleg egész minimális zaja van, de a 100uV-ot kb 3 nagyságrenddel alulmúlja! Így nem látom értelmét csúcsra járatni termikus zaj szempontjából az IC-t. Ha viszont erre nincs szükség, akkor ahogy korábban említettem, lényegesen leegyszerűsödik az egész, hiszen egy pár kOhmos ellenállással megvédheted a bemeneteket attól a pár V-os jeltől, ami source követőként, kb pár mA-es(max) áram mellett létrejöhet!
Ha nagyon nem világos, miről beszélek, jelezd, és rajzolok valamit....
(#) xNorbi válasza sdrlab hozzászólására (») Feb 29, 2024 /
 
A tekercs és a tápja is földfüggetlen izolált áramforrásról megy, sehol máshol nincs leföldelve. Mindössze a szimuláció könnyebb lefolyása végett maradt ott a földelés. Azt az áramot ami átjut az 1. esetben azt BAT54 diódákkal folyatnám a +-táp felé, továbbá rövidre lenne zárva az opamp bemenete is egy SMBJ8v0 típusú TVS diódával is.

Zaj:
Ennek a műveleti erősítőnek a bemeneti zaja 1.3nV/√Hz továbbá az opamp párhuzamosítható így a zaj √n értékkel csökkenthető, ahol n a párhuzamosított műveleti erősítők száma. 8db AD8428 lett párhuzamosítva így az eredeti zaj így csökkent:
1.3nV/√Hz ---> 0.45nV/√Hz
40nV p-p ---> 14.14 nV p-p

A bemeneten és a kimeneten is egy 20kHz alul áteresztő szűrő tehát az erősítő zaja:
0.45 x √20000 x 1.57 ≈ 100 nVrms
Ehhez képest az ellenállás zaja 20°C:
10Ω ----> 56 nVrms
100Ω----> 179 nVrms
Ezért gondolom lényegesnek, hogy alacsonyan legyen ez tartva a bemeneti ellenállás.
Megvalósítható a source követő 100ohm alatti ellenállás alkalmazásával is?
A hozzászólás módosítva: Feb 29, 2024
(#) xNorbi válasza xNorbi hozzászólására (») Feb 29, 2024 /
 
De ezért is lenne fontos teljesen zárni a védő MOSFETet, hogy azaz áram ami átjut minél kisebb legyen.
(#) sdrlab válasza xNorbi hozzászólására (») Feb 29, 2024 /
 
Nagyjából jól számolgattál(bár az 1,57-es szorzóra nem jöttem rá, honnan ered)..., viszont az első posztodban azt írtad kb 100uv detektálása a cél! Ehhez képest itt most 3 nagyságrenddel kisebb határokról beszélünk, ami szerintem tök felesleges...
Felesleges, mert nincs rá szükség valójában, és felesleges, mert vért fogsz izzadni, hogy ezt a zajhatárt megközelítsd, zavarmentesen! Te nem határérzékenységű rádiót építesz, hanem csak egy érzékeny feszültségmérőt. 6xdB dinamikára itt semmi szükség, ha az a cél mindössze, hogy beavatkozzunk, amikor jön egy 100uV-os jel... Tehát egy IC-vel is bőségesen meg lehet oldani a feladatot, ide 8db alkalmazása pazarlás csak!

Idézet:
„Megvalósítható a source követő 100ohm alatti ellenállás alkalmazásával is?”

Olyan soros, korlátozó ellenállás alkalmazol, amilyet akarsz, a különbség csak az így kialakuló áramokban lesz. De ha ügyesen választod meg a FET-ek nyitófeszét, a korlátozott fesz lehet akár 1-2V is...ehhez kell méretezni az ellenállásokat. Így még kis értékű ellenállásokkal is relatíve kis áramok alakulhatnak ki, amit el kell vezetni, és ami végül fűti a FET-eket is...

Kicsit utánaszámolva, még 10k soros ellenállásoknál is alig több mint 1uV zajfeszültséged lesz. Az még mindig közel 40dB dinamika. Ekkor még 1mA áram is 10V esést okoz rajtuk, amit bőven el lehet vezetni bárhová, bármivel..., és ekkora áram mellett a FET-ek is kb 1W-ot disszipálnak csak el, hűteni sem kell őket!
Egyébként 900V-ra, 1200V-os tranzisztor elég határeset, inkább 2 kaszkód fokozatot ajánlanék, az a biztos....
(#) Skori válasza xNorbi hozzászólására (») Feb 29, 2024 /
 
Nekem nincs tapasztalatom ilyen szupravezető mágnesekkel, de felmerült bennem a kérdés, csak eddig nem jött rá válasz: Tehát a mágneses térben történő eseményeknek nincs olyan jellegű visszahatása, ami miatt tranziens jelleggel eleve lesz időnként valamekkora feszültség a tekercsen (akkor is ha egyébként szupravezetésben maradt)?
(#) xNorbi válasza sdrlab hozzászólására (») Feb 29, 2024 /
 
Ez könnyen lehet hogy így van, de egyrészt a műveleti erősítő már kész, ez csak az opcionális védelem lesz hozzá a megváltozott követelményekhez. Másrészt ha csak egy kicsit okosabb tervezéssel minimális alkatrésztöbblet mellett jobbá tenni a bemeneti védelmet, miközben akár tanulhatok is belőle valamit, akkor szerintem az helyesebb választás.

Közben sikerült valami ilyesmit összeraknom, itt a tranzisztor bemenetére nem csak a source lába melletti ellenállást veszem, hanem átkarolok egész a másik ághoz és hozzáveszem TVS védődiódán eső feszültséget is, így azon mindig esik annyi feszültség ami kinyissa a Q1 (vagy Q2) tranzisztort ami teljesen lezárja a MOSFETet, anélkül hogy rövidre zárnám a bemenetet egy 20+20kohmos ellenállással.

Skori: De igen, hiszen ugyanolyan tekercs mint egy másik, mindössze annyi a különbség, hogy a DC ellenállása nulla. Sőt, fel-le mágnesezéskor ugyanúgy jelen van L*di/dt feszültég is. Szupravezető transzformátorok is vannak. AC áramra pedig már a veszteségmentes energiaátvitel se igaz, mivel ott fellép az úgynevezett AC loss jelenség.
Már ha feljött a téma annyit pontosítanék az előzőkhöz, hogy ide azért kell ilyen magas fokú védelem, mivel ez egy új technológia aminek azaz ára hogy maga a vezető sokkal sérülékenyebb, az egy törékeny vékony-réteg kerámia. Viszont cserébe sokszorta nagyobb az elérhető mágneses tér, mint az eddig szupravezető mágnesek esetében, ugye mindig van valami kompromisszum.
(#) sdrlab válasza xNorbi hozzászólására (») Feb 29, 2024 /
 
Ha nem érdekel téged más véleménye, és makacsul ragaszkodsz a saját elképzeléseidhez, akkor felesleges itt kérdezned, tanulni csendben is lehet...!
Ez a verzió már akár működhet is..., bár borzasztó lassú lesz a reakció ideje!
Egy pár k-s bázisellenállást nem árt még betenni, ne okozzon meglepetéseket a nem földfüggetlen segédtápok kapcsolata...
Következő: »»   106 / 112
Bejelentkezés

Belépés

Hirdetés
XDT.hu
Az oldalon sütiket használunk a helyes működéshez. Bővebb információt az adatvédelmi szabályzatban olvashatsz. Megértettem