Fórum témák
» Több friss téma |
Sziasztok!
Lenne egy autómata kávégép, saeco márka, a központi egység nem illeszkedik rendesen a helyére, ezért hibakódot ír rá, azt vettem észre hogy a bordás tengely nem olyan pozicióban van ahogy lenni kellene ezért nem csúszik rá az egység és csak billeg, be pattan gombja de ugyan billeg rajta, mitől lehet ez? elvileg kitakarítva működőképesen volt eltéve, majd ismét előszedve ez fogadott. Kézzel nem lehet forgatni a tengelyt, és nem erőltetném, esetleg valami ötlet? Köszönöm
A központi egység referencia nyíljai jól állnak, szemben egymással
Szia!Elfelejtettem megirni,beállitottam az impulzust arra az értékre amit ajánlottál.Van még kis hullámzás,de ez már elenyésző.Köszönöm a segitséget.
Sziasztok!
Elakadtam egy AEG CF-100 (784) as géppel. bekapcsol felfűt, lehet öblíteni vizet engedni. A kávé gomb megnyomására nem indul el a darálás. Ami furcsa volt, hogy a vízkeménység állítást is kikapcsolt állapotban a kávégomb megnyomással kellene indítani az se ment. Megmértem a nyomógombokat rossz volt össze vissza mértem ellenállást rajta,cseréltem. sajnos a hiba továbbra is fent áll. A daráló jó. Merre keresgéljek tovább?
Szia!Megvan még a serdülő korban lévő
Jura gépem kb öt éve porosodott a polcon.Elővettem gondotam életre keltem,a kazán zárlatos lett még mikor elraktam.Ezen kivül minden müxik benne.Azért irok,mert te adtál alkatrészt mikkor eltört a kp egység kihajtása.Elfekvöben kazánod van hozzá?Egyáltalán van még vmi alkatrészed?Ha bárki másnak lenne alkatrésze,kazán,kapcsolok,átfolyásmérö,relé stb ne tartsa magába Megvásárolnám.
Szia!Tegyél fel fotot a gépröl,igy könnyebb beazonositani mint tipust keresgélni a neten.Lehet igy
hamarabb kapsz segitséget.
Erről a gepről van szó.
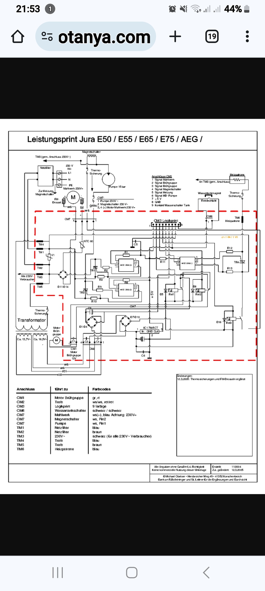
Itt egy kapcsrajz,meg alkatrész kiosztás.Ez segithet megkeresni a hibát.
Sziaszok!
Küzdok egy Saeco HD8930 (royal otc) géppel, mert valamiért beragadt a "Helyezze be a cappuccinatore egységet" állásba. Bent van a helyén. Nem találok semmi érzékelőt ami érzékelhetné, hogy egyáltalán be van rakva vagy nincs. Valaki tudja a megoldást? A kávékifolyó nincs meg, de addig nem vennék huszonezerért amíg ez meg nem oldódik. A hozzászólás módosítva: Jan 28, 2024
Sziasztok !
Először is szeretném megköszönni a befogadását ! A problémám egy Saeco royal kávéfőzővel lenne , A hiba mit ki ír : Cof.Beans empty . Merre keressem a hibát ? A daráló nem indul el . Előre is köszönöm !
Szia,
Pedig van annak egy mikrókapcsolója és 100%, hogy az lehet beragadva. Delonghinál is az van amelyet a tejhabosító csonk egyik kis műanyag eleme hoz műküdésbe. Az SM-et tanyáról letöltheted ezen a linken. Azzal kezdeném, hogy belépnék teszt üzemmódba, hogy kiszűrjem a hibát tesztelve a funkciókat. Ha tudtam segíteni, akkor jelezd, hátha másnak is hasonló gondja akad és legalább akkor meglesz a megoldás is.
Hali !
Köszönöm a hozzászólást ! A mikró-kapcsolót kicseréltem , változás nincs . A tesztmódban a daráló nem működik ! Nem lehet,hogy a hűtőbordán a kettő Triak közül valamelyik megadta magát ?
Hali,
Nos, akkor itt lesz a bibi. Elképzelhető a triac is, de próbáld ki azt, hogy külsőleg táplálod meg a darálót, vagy előtte mérhetsz ellenálást is a tekercseken, úgy is ki lehet deríteni. Delonghikban 230V a daráló, nem tudom itt milyen verzió lehet, de ha a közelébe férsz, akkor az adattáblájából kiderülhet.
Sziasztok!
Van egy krups kavefozom, aminek a kazanja aljabol folyik/csöpög a víz. Azt szeretném kérdezni, hogy ez javítható, vagy csak a kazán csere segít rajta? Van benne bármilyen tömítés? A csatolt képen a bekarikazott részen csöpög. Köszönöm a segítséget!
Szia.
Emlékeim szerint van valami szimering, karmantyú szerű. Nagy szívás ez a konstrukció ![]() Azért sok sikert...
Szia.
Szerintem vagy egy közel hasonló gépem.Kazánom tuti van hozzá. Holnap megnézem,hogy mi a típusa és linkelek egy képet róla.
Szia!Rendben köszönöm várom a képet.Első sorban a kazán a legfontosabb.
A hozzászólás módosítva: Feb 17, 2024
Hali!
Meglett a hiba ! A daráló szénkeféje volt elkopva ! Sajnos csak most tudtam vele foglalkozni !
Szia! itt a javítás menete,Bővebben: Link
Sziasztok! Van nálam egy Krups EA80 masina, amin mind a 4 LED villog bekapcsolás után. Neten keresgélés, szétszedés, mérés, megszakértés után arra jutottam, hogy a kazánban az NTC halott. Ez ugye kb. egy egységet alkot a kazánnal, bele van ragasztva vagy öntve vagy nemistudom. Szóval a kérdésem az, hogy erre az egyetlen orvosság a komplett kazán csere?
Szia! 90% ban a saruk leolvadnak az NTC ről. Simán vissza kell forrasztani.
Igen, láttam, olvastam. Ezt már valaki forrasztgatta, a saruk a helyükön vannak. Azt olvastam, szobahőmérsékleten kb. 100k-nak kellene lennie, de ez nulla, szakadt!
Sziasztok! saeco incanto de luxe ezüst ajtót keresek bontásból megvételre,letörött a felső ajtó zsanér bütyök...
Igen, sajnos ilyen is van de ez a ritkább. Szokták helyettesíteni valamilyennel de azt nem tudom mivel. Én egyszer elmentem egy nagyobb budapesti márkaszervizbe és onnan hozhattam bontott kazánokat azokból pótoltam. Mostmár hozzá se nyúlok ezekhez. Időrabló a javítása. Pedig jó kávét lehet vele készíteni.
Sziasztok!
Delonghi esam 2600 kávé főzőmbe a kávézacc folyton szét hullik Mit tudnék vele kezdeni mért csinálja? Mert nem győzöm takaritani a gépet. Azon kívül majdnem minden rendbe a gépel.
Szia! A KPE és a fenti KPE egységet kellene felújítani vagy cserélni.
Szia! Tudnál segíteni? Kicseréltem a kazánt, megszűnt a 4 LED villogás, bekapcsol a gép, de nem akarja....! Pörög az elosztó, aztán elindul a dugattyú lefelé, de mikor leér is nyomja a vizet bele vég nélkül. Minek kellene megállítania? Van egy mikrokapcsoló a dugattyú alján azt kimértem, jó. Köszi
|
Bejelentkezés
Hirdetés |






Jura gépem kb öt éve porosodott a polcon.Elővettem gondotam életre keltem,a kazán zárlatos lett még mikor elraktam.Ezen kivül minden müxik benne.Azért irok,mert te adtál alkatrészt mikkor eltört a kp egység kihajtása.Elfekvöben kazánod van hozzá?Egyáltalán van még vmi alkatrészed?
Megvásárolnám. 






