Fórum témák
» Több friss téma |
Fórum » Villanymotor bekötése
Csak mert nézd meg az előbbi hozzászólásban az adattáblát! 400V delta 11kW 20.87A. Messze van a 16A-tól, ami te írtál fázisonként!
Igazad van. Bocsánat.
A vizgatételekben is ezzel a képlettel kell számolni. Dehát ugye az elmélet és a gyakorlat között különbség van. A hozzászólás módosítva: Márc 22, 2024
De a cos f nem 1! De semmi gond. Azzal a 3x16A-ral biztosan egy 4kW-os, esetleg kis szerencsével egy 5,5kW-os indítható/használható, de akkor más nem mehet egyidejűleg.
A 11kW-nak szerintem kell minimum 3x32A( vagy 35), persze a motorvédőt/hőkioldót hozzáállítani a névleges áramfelvételhez. A hozzászólás módosítva: Márc 22, 2024
Azért írtam 1-et mert nem a hatásos teljesítményre volgyunk kiváncsiak hanem a ténylegesre. Ott már 1 cos f.
Amit a motoron megadnak teljesítményt, az a tengelyen leadott teljesítmény. Ehhez tartozik egy áramérték, de ennél többet vesz fel: cos f és még hozzájön a hatásfok is.
A fotón lévő motor adattábla szerint. 3*230V*20,87A=14400VA, ez lesz a látszólagos teljesítmény, de a motor csak 11kW-os! Ezt a 14400VA-t csökkenti a cos f, amit ír is az adattábla és a hatásfok, amit nem jelez, de így már kiszámítható. Szerintem.... de talán ír valaki, aki ezt jobban érti nálam.
Tudnátok ajánlani olyan 230v. kapcsolót ami egyszer bekapcsolja a motort, és utána még egy kapcsolás mint a nyomógomb lenne, úgy rakja rá az indító kondit?
Szia!
Így keresd: kapcsoló, háromállású, rugóvisszatérítéses Pl.:Bővebben: Link Régi terménydarálókon volt hasonló elven megoldva. A hozzászólás módosítva: Márc 27, 2024
Nem tudnátok tokozott kivitelben ajánlani segédfázis kapcsolót, sajnos én nem találok?
Bocsánat, csak egy apró helyesbítés, legalább itt legyünk pontosak.
KK0... KK1... KK2... stb. Nincs KKO kapcsolójuk.
Sziasztok,egy háromfázisú nagy teljesítményű motor bekötésében kérnék segítséget.
Nem egyszerű eset,nem tudom,hogy valaki tud-e benne segíteni. A motor egy fémipari marógép főhajtása,jelenleg be van kötve és működik. A vezérlőszekrényt modernizálni kell,és a szerelés során kikötöttem egy mágneskapcsolót időrelével együtt,amiről nem tudom,hogy szükséges-e illetve mi célt szolgált.A relé bemeneti oldalán 2 db kábel van csak,ez biztos. 2 db fázis vagy 1 fázis-1 nulla lehetett,és az elmenő rész egy egyenirányító hídra van kötve. Innen az egyenfeszültség direktben megy a motorba. A motor meghajtása a következőképp néz ki : A 3f betáp beérkezik a motort vezérlő mágneskapcsolóra ami hővédelemmel van ellátva.Innen a 3f elmegy a gép oldalán lévő irányváltó kapcsolóhoz (balra - ki - jobbra 3 állású) ,amiről a visszajövő 3 fázis a képen látható barnás, 6 csavaros sorkapocsszerűségbe van kötve. A furcsa dolog az,hogy innen a motorra elmegy a kapcsolótól jövő 3 fázis és az átkötéseknél lévő 3 kábel is. Ezen kívül megkapja a motor az időrelével vezérlet feszültséget is,amiről nem tudom,hogy milyen értékű volt sajnos és hogy mi szükség van rá. A relé egyébként minden feszültség alá helyezéskor (főkapcsoló bekapcsolás) és motor leállításkor (főorsó stop) 3 másodpercig adja rá a feszültséget majd lekapcsol. Esetleg ismeri valaki ezt a fajta bekötési módot? Mi lehet az a 6 csavaros téglatest?
A hat csavaros téglatest az aminek látszik. Egy hat csavaros téglatest, ú.n. motor kapocsléc. Csak a vezetékek bekötésére szolgál semmi másra. A hat huzal közvetlenül a motorba csatlakozik? Ha igen, akkor az a tekercsek kivezetése lesz, és a felső lemezsor berakásával csillagba van kötve (a rövidzár a csillagpont összekötés). három fázisú motorok bekötése
A motor felé menő egyenfeszültség, kuplung vagy fék lehet lehet. Mivel nem írtad a gép típusát a fene tudja de javítottam már olyan (ha jól emlékszem bolgár) marógépet amiben 230V DC-s kuplung volt jó mélyen a gép belselyében a motor körül. De lehet tárcsafék is a motorban az időzítő inkább féket feltételez. A gép szervizkönyve (a hajtáslánc mechanikai rajza) sokat segítene.
A fázistekercsre időrelével vezetett egyenfeszültség a motor dinamikus fékezését végzi.
Nem biztos. A külön kis fekete sorkapocstól vékony szálak mennek az egyik csőbe. Lehet a tengely végén fékmágnes.
A marógép egy Lagun Fu 1250. Sajnos se leírás,se gépkönyv,se kapcsolási rajz nincs hozzá.
Igen,a kapocslécről a vezetékek közvetlenül a motorba mennek. Összesen 6 db egyforma vastag fekete vezeték. Ezen kìvül a motorba 4 vékonyabb vezeték megy be. 2 vezetéken az egyenirányìtott feszültség "időzítve" és 2 kék szál jön ki még,de ezek vége nincs bekötve sehova sem,szabadon lógnak. A főorsó szépen indul és megáll az egyenfeszültség nélkül is,a fék viszont valószínű. Hogyan lehetne megtudni,hogy mi a max feszültsége? Nem merem rákötni a két fázist,egyenirányítva az nagyon sok szerintem a motornak. Az a baj,hogy a fő trafón van 230 és 110V leágazás,utóbbi üzemelteti a tekercsek behúzó áramkörét. (75VA) A 230 rész viszont 1500 VA,erről ment szerintem korábban a mellekhajtás. (Cnc gép, így ez a trafó kb felesleges,veszek egy 115V kisteljesítményű trafót es felszabadul a hely.)
Akkor a hat vastag feketével tovább nem is kell foglalkoznunk, az a motor három tekercsének kivezetése, csillagba van kötve, ennyi.
Ami a vékonyakat illeti én azt csinálnám, hogy kikötnék minden drótot ami a motor kapocsdobozába érkezik (a vastag feketéket is) persze mindet lejelölve hogy honnan lett kikötve. Ezután ellenállást mérnék a két vékony fekete illetve a két vékony kék között (ez utóbbi lehet, hogy hővédelem "klixon"). Feltételezem, hogy a két vékony fekete között pár száz ohm - kiloohm nagyságban fogsz ellenállást mérni. Egyrészt ebből már lehet tippelni a feszültségre másrészt hogy tekercs vagy kapcsoló van a drótok túlvégén. Kéne ellenállást is mérni a vastag feketék és a vékony drótok között is, minden kombinációban. De komoly esélyt látok, hogy nincs elektromos kapcsolat közöttük. Ez esetben az egyenáramú fékezést ki is zárnám olyan formában, hogy a motor tekercseire kapcsol egyenáramot a gép. Ez esetben vagy külön féktekercs van benne (ilyet mondjuk még nem láttam) vagy és ez sokkal valószínűbb egy tárcsafék szerű valami annak a "kuplungját" oldja ill. zárja az egyenfesz. Persze sokkal egyszerűbb lenne, ha meg tudnád bontani a mechanikát akkor látnánk mi van ott pontosan. Lehet még a feszültség is fel van tüntetve az esetleges behúzótekercsen. A hozzászólás módosítva: Ápr 13, 2024
Sajnos a motorhoz nem férek oda. Egy öntvény vázban van bent,elég nehéz is és valószínűleg lefelé lehetne kiszedni,sok sok munkával.
A fekete kivezetéseket nem kötöttem ki,viszont elektromos kapcsolatot nincs a vastag 6 fekete és a külön tekercsek között. A vékonyabb két fekete között 48,5 Ohm ellenállást mérek. A be nem kötött kékek között 67,2 Ohmot tudok mérni. Nem tudom,hogy ez segítség-e vagy lehet-e következtetni rá. De igazából ha ezek nélkül üzemeltethető a masina,akkor lehet,hogy el is tudnám engedni a bekötésüket,ha nem okoz ez problémát.
A fék vizsgálatához árammentesen meg kellene forgatni a motort. Ha szabadon forog, nem kell foglalkozni a fék bekötésével. Valószínűleg így lesz, mert az időzítővel csak leállásig fékezik a motort. Ha ellenben árammentesen fékez, akkor gond van. Ellenállása alapján 230 V-ról nem fékezhették, 110 V-ról talán. Ha nincs pufferkondenzátor, akkor ~2,3 A rövid idővel nem okoz kárt.
Árammentes állapotban a motor szépen forog. Sőt,feszültség alá helyezve a rendszert,ki be kapcsolás és a forgásirányváltás is szépen működik úgy,hogy az egyenirányított feszültség nem érkezik meg a tekercsre. A leírásotok alapján fékező áramkörnek gondolom én is ezt a tekercset,teljesen logikus a működési leírása is általatok.
Ha a vészstop gombot megnyomom,akkor a reléktől eleszi a feszültséget,így a motor nem kap áramot. A főorsó maximális fordulata 2000 1/perc és elég nagy a mechanikai tömeg,viszonylag hamar meg is áll. Még arra gondoltam esetleg,hogy egy kisfeszültségű táppal tudnám tesztelni,hogy mérhető-e a lassulásban változás. Nem tudom,hogy ér-e ennyit,lehetséges,hogy nem. Mivel a teljes vezérlést újra kell építenem (másik topicban tárgyalt okok miatt - a gép eredetileg nulla nélküli hálózatra volt kötve,nekem pedig fi relé mögötti,nullázott hálózatra kellene bekötni),így helyet nyerek azzal,hogy kiveszem. Ha esetleg találnék motorvédő mágneskapcsolót 12 V-os tekerccsel,akkor még egy trafót megspórolnék és akkor talán az összes tápegység elférne a régi szerkényben.
Üdv! Tegnap délután elhívtak ehhez a betonkeverőhöz, hogy kössem be a kapcsolót, mivel csak rásegítéssel indult, és forogjon rendesen a gép. Bekötöttem a kapcsolót , természetesen forgást kellett váltani, és ekkor jöttek a problémák. Rutinból megcseréltem az átkötést és a kondit még nem mértem semmit a motoron gondoltam ha ment akkor jó lesz , próba. Nem fordult meg a forgás. Na ekkor leszedtem az átkötéseket és a kondenzátort és elkezdtem kimérni a motor átütésre, főfázisát, és segédfázisát, arra jöttem rá, hogy úgy volt kötve ,hogy a kisebb ellenállású tekercs indította a motort és a nagyobb ellenálláson dolgozott a gép. És úgy tudom, hogy a kisebb ellenállású tekercs a főfázis és a nagyobb ellenállású tekercs a segédfázis. A motor bekötése tehát a főfázis megkapja a 230v. és a segédfázist a kondenzátor rakja rá de csak addig még ki nem mozdul a motor megfelelő irányba, mivel indító kapcsolóval van bekötve a motor. Ezt megcsináltam így ahogy leírtam a motor elindult, de nem jó irányba. Megcseréltem a segédfázis kapcsait és még ekkor sem forgott jó irányba. Visszatettem a segédfázisra a motort és ekkor tudtam forgást váltani, de a keverő nagyon gyenge lett. Felpakoltuk a keverőt az utánfutóra és elhoztuk haza, kipróbáltam itthon és a betonkeverőgép elindult rendesen, jól forgott és nem tudom lefogni akkora erő van benne. Valószínűleg a hálózati feszültséggel lenne a probléma?
Megoldottam! Azzal , hogy az átkötést megfordítottam még nem fordult meg a segédfázis ,de miután a segédfázis kimeneteit megfordítottam rögtön másik irányba forgott a motor. A villanymotor most főfázison megy a segédfázis csak addig van rajta amíg kimozdítja a megfelelő irányba.Áramfelvétele is nagyobb lett, és a motor erősebb.
Sziasztok!
A csatolmányban található motorból van 3db egy 24V-os tápon (a nyomaték így is elégséges, a sebesség még jobb is). Mekkora teljesítményű táppal számoljak, ha a motorok akár egyszerre is indulhatnak ritka esetekben? Köszönöm előre is!
Szerintem egyszerűen mérd meg az egyenáramú ellenállását. Alló helyzetből indulva annál nagyobb áram nem folyhat. A mérés során mozgasd meg kézzel, hogy lásd mennyit változik.
Vagy a klasszikus: Tárolós oszcilloszkóppal megnézni valós körülmények között.
Ott van az adattáblán. 40 V-on 12 A indulóáram. 24 V-on ? 7,2 A. 3 motor egyszerre 21,6 A.
Bogarásztam a neten, de nem igazán tudtam lefordítani magamnak, mit is akar jelenteni az IFM. Valami motor field current lenne, de lényegében nem sikerült megértenem. Köszönöm a választ neked is!
Sziasztok!
Szereztem egy villanymotorral egybeépített faipari turbó-ventilátoros elszívót. A motor kötődobozának hiányzik a fedele és valószínűleg azon lehetett az adattábla. Így semmit nem tudok a motorról, minden további felirat hiányában. A motorból 5 vezeték jön ki, a Móriczka rajzon lerajzoltam a mért ellenállásokat. A rajzon csak 3 vezeték szerepel, mert a maradék kettő semmihez nem kapcsolódik, csak egymáshoz, azok is rövidzárban vannak. Talán hő-biztosíték? Hogyan lehetne ezt a motort forgásra bírni? Köszi!
1. Sehogy.
Az ellenállásértékek gyanúsak.2. Fényképet kérünk a motorról. Méreteket írd rá. Hossz, tengelyközép magassága, ha lehet, tengelyátmérő.
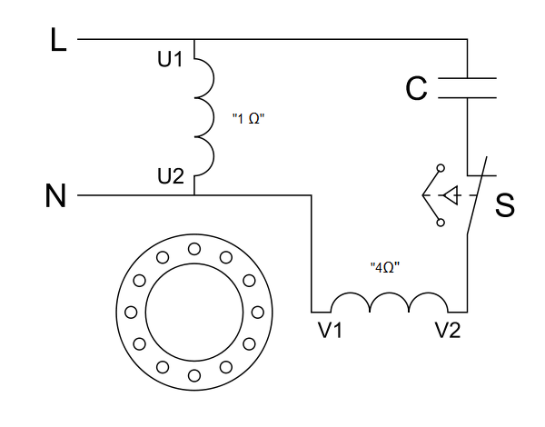
Ahogy egymáshoz viszonyulnak az ellenállásértékek, akár lehetne egyfázisú aszinkron motor is, akkor a szokásos kondenzátoros indítás. Mivel nem tudunk motorteljesítményt, első körben meg lehet próbálni egy 12...24 µF-os motorkondenzátorral ("1Ω" a főfázis, "4Ω" a segédfázis).
|
Bejelentkezés
Hirdetés |













Az ellenállásértékek gyanúsak.





