Fórum témák
» Több friss téma |
Nem tudom de a GND-re megy. Lehet hidegítés zavarszűrés vagy bármi az "eredeti" terv szerint.
Valószínűleg jó úton vagy!
Ennek a Whatsminer bányász cuccnak az M30 / M3l / M32 / M53 típusaihoz tartozó Ebit E12 control board-okon van pl. SDB628, és ott az első linken van egy "17V boost chip" szöveg...nem 17R, de majdnem... A hozzászólás módosítva: Szept 27, 2024
Step-Up UC3843 magasabb kimeneti feszültséggel.Helló.Az alábbi rajzot szeretném elkészíteni de magasabb kimeneti feszültséghez, adott esetben 80 voltra lenne szükségem. Amennyiben lehetséges milyen mosfetet ajánlanàtok hozzá? Köszi.
Helló!
A fet körültekintő kiválasztásához több adat kellene. Amit könnyebb meghatározni, az a zárófeszültsége. Magam részéről kb. 2x-es biztonsági tényezővel számolnék, azaz 150...200V-os fetet keresnék. Az áramterhelésének meghatározásához, kapcsolási veszteségek pontos számításához tudni kellene elég sok részletes adatot. Ha feltételezem, hogy kb. a szaggatott és folyamatos vezetés határán üzemel, akkor nagyjából a kimeneti áram 10...15x-ét elviselő fetet választanék.
Hello! Csak éppen azt nem írta a kérdező, hogy a 80V mellett is 4A-ra van-e szüksége..
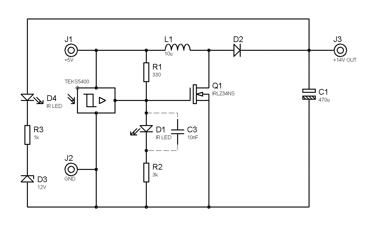
DC-DC konverter bármibôl?Elég elvetemült ötletem támadt tegnapelött este, amikor megláttam egy apróhirdetésben eladásra kínált, és általam sokszor ajándékként osztogatott (akik nálam jártak, vagy akivel valamilyen apróhirdetéses kapcsolatba kerültem, függetlenül az adás-vétel irányától) opto schmitt triggert. Az eladónak nem volt fogalma sem mit árul, így súgtam neki.Ez egy IR érzékeny szenzor, ami papíron 4.5V-16V közötti tápfeszrôl megy, open-kollektoros invertált kimenettel rendelkezik, és nekem van belőle, de talán másnak is. Szóval gondoltam egy furcsát, lehet ebből csinálni DC-DC konvertert? Hiszen be lehet rezgetni a saját kimenetével, egy hozzá passzoló IR leddel, amikor érzi a jelet kapcsol, a led pedig kialszik, ekkor kikapcsol, az egész kezdődik elôrôl. Ez idáig egy rezgôkör, de egy boost-konvertert gondoltam ki célnak, kerestem fiókok alján bontott induktivítást, mosfetet, gyors diódát és egy zénert hogy határozottabb legyen a kikapcsolás. Tehát amikor a kimeneti kondin a feszültség eléri a kívánt értéket, a második IR-led kigyullad, szintén a szenorra világítva erre az idôre leállítva a rezgést. Mivel az elképzelés csak néhány alkatrészt tartalmazott, tegnap reggel össze is pakoltam, és működött is. Nem az lepôdtem meg hogy megy, inkább csak azon hogy ennyire kevés alkatrésszel, illetve mennyire nem erre kitalált alkatrésszel is lehet. Ez a szenzor önrezgéssel 260KHz körül rezeg, de egy kondival a rezgetô led-re párhuzamosan, levihető tetszőlegesen lassúra (10n=160kHz, 1µ=28kHz), viszont a fel-lefutási meredekséget ez nem érinti, az 15-25ns. Rajzot csak most csináltam, illetve csak papírra skicceltem este magamnak, alkatrészeket dead-bug stílusban egymáshoz forrasztgatva játszottam a koncepcióval. Gondoltam megosztom mint érdekességet.
Szia, igazad van az elmaradt, 2A-re lenne maximum szükségem.
BA9744 hibás?Sziasztok!Hozzám került egy Alto ZMX862 keverő, ami bekapcsoláskor kb. 1 másodpercre felvillantja a ledjeit, utána leáll. Külső DC 12V körüli tápról kéne mennie, ez rendben is van. BA9744 alapú konverter állítaná elő a talán (nem taltam kapcsolási rajzot) +- 15 V-ot az áramkörök számára. Induláskor az IC kimenetein megjelenik egy kb. 250 kHz-es négszögjel, aztán fix magas szintet vesznek fel. A CT lábon továbbra is látható az oszcillátor háromszög jele. Az AREF lábon is a külső tápnak megfelelő feszültség mérhető. Okozhatja ezt valamelyik környező alkatrész meghibásodása, vagy az IC kuka? A kapcsolás nagyjából ugyanaz, mint az adatlap 11. oldalán, kicsit másabb értékű alkatrészekkel.
Rosszul írtam, nem AREF, hanem VREF lábon van a tápesznek megfelelő feszültség.
Hello! Kerestem én is hol írnak Aref-et.. De mi az, hogy a "tápfesznek megfelelő feszültség"?
Az adatlap szerint 2,5V a referencia.
Szia! A "tápfesznek megfelelő" feszültségen a betáp 12 V-ot értem. Ha ez csak 9V akkor ez jelenik meg a VREF lábon. Ezt azután mértem, amikor a konverter leállt, és az ic kimenetein is ugyanez van, négyszögjel helyett.
Nem lehet, hogy a test vezeték szakadt, akár az Ic-n belül is? Tápáramot nem tudsz mérni valahogy?
Leginkább a többi részt táplálnám meg normál feszültségekkel, aztán ha az áramfelvétel normális utána gyanúsítanám az IC-t. Valami bekapcsoló áramkör is biztosan van hozzá. Utána tápszűrő elkók jönnének. Az IC eléggé végén lenne a sorba.
A táp 1 ohmos ellenállásokon keresztül csatlakozik a keverő áramköreire. Ezeket kiforrasztva, külső tápról hibátlanul működik a keverő. A tápszűrő elkók és a velük párhuzamosan kapcsolt 100n kondik is hibátlanok.
Ha a keverő további áramkörei le vannak választva a tápról, a külső 12V-os tápból induláskor 100mA környékén mértem, de ez elég változó. Gondolom, az automata méréshatárváltó műszer lassúsága okozza az eltéréseket. Amikor a konverter leáll, az áramfelvétel leesik 17 mA-re.
De ezek szerint működik az Ic. De akkor hogy lehet, hogy a referencia helyett tápfeszt mértél.
Nem lehet hogy az Ic-n kívülről kerül oda a táp, és ha a 2,5V nem sönt szabályzós fel is tudja húzni azt?
Ezt csak úgy tudom eldönteni, ha leveszem az ic-t, és úgy mérek a referencia ponton.
Megtörtént. Így, ic nélkül nincs feszültség, tehát kizárva, hogy kívülről kerül rá a 12 V. A hozzászólás módosítva: Máj 23, 2025
napelem inverter dc-dc konvertereSziasztok.Olyan DC-DC konvertert szeretnék készíteni ami bemenetén mondjuk 100-300V között kap, a kimenetén pedig konstans 320V-ot állít elő egy inverternek. Természetesen napelemhez lesz, a konverter után ESG002-vel formázom meg a feszültséget és rendjén is vagyok. Egyenlőre akkumulátoros ellátásban nem gondolkozok, de minden ötletre nyitott vagyok. Melyik volna a racionálisabb betáp? Napelemek sorban végig és úgy rá a konverterre, vagy párhuzamosan? De akkor többet kell dolgoznia a konverternek hogy előállítsa a feszültséget.
Végül kicsit pontosítottam az elmúlt napokban, főleg hogy jó idő volt és volt alkalmam tesztelni kint a 425W-os panelek tudását így felmérhettem/újra gondolhattam az igényeket.
Teát amit az átalakítónak tudnia kell: 120-280V közötti működési tartomány, kimeneti feszültsége 320V, erre első körben próbálkoztam DC-DC-vel,viszont a hatékonyság nagyobb áramnál (bemenetnél 10A+) igencsak leromlott, így váltottam. Jelenleg ott tartok hogy egy széles bemeneti feszültségtartományú DC-DC kapcsoló üzemű tápot készítek, amit kipróbáltam egy UC3845-el készült el, ez már sokkal hatékonyabb volt, igaz ferrit trafóból jóval nagyobbat kell neki tekernem, és kicsit alakítani kell rajta, viszont ez szépen tartotta a beállított 320V-ot, és dinamikusan kezelte a bemeneti változásokat is. Ha van ötlet szivesen fogadom miként tudnék még javítani a rendszeremen.
Szterintem MPPT nélkül ez nem jó irány (értelmetlen és pazarló). Ahogy majd elkezded terhelni nem lesz olyan jó a hatásfoka MPPT nélkül. Tehát Én egy MCU-val kezdeném és nem kapcsitáp ic-vel. De ez csak az én fixaideám.
Csak egy ötlet. Ha nem akarsz programozni, akkor próbálj meg MPPT tápvezérlő köré építeni valamit. CN37-es sorozatból többfajta is van. A linkelt típus tud fix 12V kimeneti feszültséget is tartani, nem kell hogy a táppanel akkura legyen kötve.
CN3795 MPPT battery charger Én a kerékpár dinamót akartam meg MPPT-zni, de ahhoz lassú volt. Érzésre kb. 2-3 másodpercenként frissült. Napelemes táphoz talán beválik. A hozzászólás módosítva: Máj 27, 2025
MT3608 Step UPTiszteletem!Készítettem egy nagyon egyszerű, alacsony feszültségű és kis áramigényű "step-up" kapcsolást. Ebben egy MT3608-as IC dolgozik. A kapcsolás működik, de kérdezem, mennyire egészséges ez az IC-nek. (vasútmodell kocsivilágításban van, az össz áramigény max. 15-20mA 3,1V) A bejövő tápfeszt egy LM78L33 IC-vel 3,3V-ra állítom be. Erről töltődik 22Ohm előtéttel, és diódával egy 2,8V-os 1F-os kondi. Ennek a kondinak a kimenete, és a 3,3v tápkimenete megy az MT3608 ic bemenetére. Az IC kifelé 3,3-3,1V-ra van beállítva. Így ha van táp, ha a kondiról kell menni, akkor is azonos a feszültség a kocsivilágításban. Működik, de amíg nincs kinn áramszünet (sínen kontakthiba), addig egy picivel magasabb a V-in, mint a V-out (0,1-0,2V). Lehet ebből gondja az IC-nek, vagy elég okos ő ehhez? Vagy állítsam a kimenetet 3,5V-ra és akkor minden esetben magasabb lesz V-out, mint a V-in?
Hello! Nem kell neki "okosnak" lenni, mert a tekercsen és a diódán keresztül kifolyik az áram a kimenetre. Mivel az Ic érzékeli, hogy magasabb a kimeneti fesz mint a beállított, leállítja a konverziót. Nem történik semmi, magasabb lesz a kimeneti feszültség. De pár 100mV nem számít, a dióda ki sem nyit szinte erre a feszültség különbsége. De ha több lenne, akkor sem lenne gond.
Itt (bár biztos nem ez az Ic van benne) láthatod hogy folyik az áram a be és kimenetek közt.
Köszönöm!!!
De, okos, itt írod: Idézet: „Mivel az Ic érzékeli, hogy magasabb a kimeneti fesz mint a beállított, leállítja a konverziót.” Köszönöm, így merem tovább tesztelni!!! Nagyon kecsegtető, mert így egy icipici 1F 2,8V-os kondi is fenntartja az állandó fényt a kocsiban akár 40 másodpercig is!!!
Ez még nem okosság. Csak a szabályzókör működéséből adódik. A szabályzó összehasonlítja a belső referencia feszültséget az FB pont feszültségével és ha az FB magasabb, csökkenti a kapcsolótranyó (PWM) kitöltését. Ha alacsonyabb, akkor növeli. A gyakorlatban ha a szabályozási tartományon belül van az eszköz, akkor az FB feszültsége megegyezik a referencia feszültséggel (ami belül van és nem mérhető). Mivel a szabályozási hurok erősítése hatalmas, gyakorlatilag az FB mV-os változásaira ez megtörténik.
Ezért ha a bemenetről érkező "túlfeszültség" kijut a kimenetre és megemeli az FB feszültségét, akkor a PWM nullára csökken, vagy is a végtranyó lezár. Ennyi az egész. De ma már lassan minden okos lesz, kivét az ember.
pontosan,igy müködik.
Én pedig anno 555' Ic.vel hajtottam meg a kapcsoló tr.t,BUT 12A,a driver Sc1815,és kisméretű ferrit magos trafó volt. 9v-12V, dc.ről stabilan üzemelt. U~szek.150-180V...
Tanulság / érdekesség
Ehhez az MT3608 step up ic-hez való kondenzátorhoz készítettem egy feszstab ic-ből töltőt. Mivel 2,7V-ot csak folyamatos veszteséggel (Zener) tudtam volna elérni, így egy LM317L-re esett a választásom, ahol jól ki is számoltam, hogy 127k/110k ellenállásokkal kijön a 2,7V... Még jó hogy rámértem, mielőtt összeraktam volna az áramkört. 11,00V volt a kimeneten (a bemenet 16V). A leírást újból/újból átolvasva nem tűnt fel nekem, hogy nem lehet ilyen magas beállító ellenállást használni. Az volt mindössze gyanús, hogy a példákban 400Ohm körüli ellenállásokat tüntettek fel. Így raktam be egy 680/800Ohm-os ellenállást (ez volt itthon) így 2,75V-lett a kimenet.
Hello! Az LM317-nél, a minimális terhelés van előírva. Minimum load current 3.5..5mA.
Összekötve a kellemest a hasznossal, ezt az áramot a feszültségbeállító osztóra bízzák rá. Mivel üzemszerű állapotban az OUT és ADJ lábak között a belső referencia feszültsége van állandóan, így ezen két láb közé eső ellenállással állítják be ezt az áramot. Pesszimista tervezési módszerrel így, 1,25V/5mA=250 ohm jön ki, ezért választják legtöbb esetben a 240 ohm-os ellenállást. Tehát a 680 ohm, igazából már kívül esik az adatlapi sávból. De ha van ezen felül egyéb állandó terhelés az Ic-n, az is megfelelő. |
Bejelentkezés
Hirdetés |













