Fórum témák

» Több friss téma
Fórum » Műhelyünk felszerelése, szerszámai
Téma, a műhelyünkben előforduló készülékek, anyagok, szerszámok, eszközök bemutatására, kitárgyalására.
Lapozás: OK   199 / 220
(#) exabit válasza david87 hozzászólására (») Jan 24, 2025 /
 
Most elgondolkoztam hogy amit én használok sima festőecset (a lazább szerkezetű porhoz) meg használt fogkefe (izopropanollal együtt gyantamaradék eltávolításhoz) az mennyire lehet ESD biztos. Valószínű semennyire bár aminél ez probléma lenne azt valószínű amúgy sem tudom megjavítani.
Viszont amit jó szívvel tudok ajánlani az egy üvegszálas ecset (kontaktusok tisztításához pl.), igaz figyelni kell rá hogy az üvegszál maradékot eltakarítsd.
A hozzászólás módosítva: Jan 24, 2025
(#) compozit válasza exabit hozzászólására (») Jan 25, 2025 /
 
Egy vagyonba kerül...

Nekem az ezüstözött yaxley érintkezőkkel van a nagy problémám. Ezek a levegőben elég gyorsan eloxidálódnak, ha nem használják. Olyankor fekete réteg lesz rajtuk, persze ez már szigetel. Ez az ecset vajon lehozza ezt a réteget?
( Cigarettahamuba mártott vizes gyufaszállal szoktam csinálni, de ez nagyon körülményes. Vagy 240-es csiszolópapírral, de nem a csiszolóréteggel, hanem a papír oldalával. Nagy felületekre jó, kicsikre meg kínlódás.)
(#) NGY válasza compozit hozzászólására (») Jan 25, 2025 /
 
Idézet:
„ezüstözött yaxley érintkezők”

Legegyszerűbb és legkímélőbb módszer: kis ecsettel ammónia vizes oldatával (ld.: háztartási szalmiákszesz) kezelni, amíg eltűnik a fekete oxidréteg, utána desztillált vízzel és/vagy tiszta alkohollal leöblíteni, sűrített levegővel/hajszárítóval/hőlégfúvóval megszárítani.
(#) compozit válasza NGY hozzászólására (») Jan 25, 2025 /
 
Ki fogom próbálni.
(#) Hutty válasza compozit hozzászólására (») Jan 25, 2025 /
 
Relatív, hogy drága.
Üvegszálas tisztító toll. Van hozzá réz kefebetét is. Szép felületet ad, fémtisztára tisztít, ha hozzáférsz a felülethez. Nyomdaiparban az ofszetlemez hibáinak leradírozására használják.
(#) exabit válasza compozit hozzászólására (») Jan 25, 2025 /
 
Lehozza, igen. A csiszolópapírnál kíméletesebb.
Ha van grafit töltőceruzád (aminek 2 mm-es a grafit bele) akkor lehet hogy elég csak az üvegszál töltetet megvenni. Ezt mondjuk nem próbáltam de elvileg működhet. A dohányzásnál - már ha onnan van a cigarettahamud - annál biztosan olcsóbb
(#) compozit válasza exabit hozzászólására (») Jan 25, 2025 /
 
A képek alapján, ez sokkal jobban karcol, mint a csiszolópapír hátulja. Az tükörfényes lesz, ezen látszódnak az üvegszál nyomai.
A nagyobbacska kapcsolóknál nem annyira lényeges az oxidréteg, mert nagyobb áram folyik rajtuk, tehát van tisztítóáram. De egy 12 ( 26 ) állású yaxleyt nem nagy áramra használnak, ezért ott ez probléma.
(#) exabit válasza compozit hozzászólására (») Jan 25, 2025 /
 
Lehet kicsit hangolni az erősségét azzal, hogy mennyi üvegszálat engedsz ki a betétből. Ha többet engedsz ki akkor jobban hajlik és kevésbé karcol. Amúgy a csiszolópapírt nehéz rányomni úgy, hogy egyenletesen mindenhonnan távolítson el anyagot. Simán előfordulhat, hogy az egyik oldalon már lejött az ezüstözés a másik oldalán pedig még mindig vannak fekete részek.
(#) compozit válasza exabit hozzászólására (») Jan 25, 2025 /
 
Sajnos, igen, ezért írtam, hogy nagy kínlódás. Ráadásul egyes érintkezőfelületek nem simák, hanem hosszában van bennük egy mélyebb barázda. Erre jó a gyufaszál.
És még nehéz is tekergetni a Kontakta yaxley-ket. Egyébként, talán az utolsó időkben már gyártottak olyan yaxley-t is, ami aranyozott ( arany-palládium ötvözet ) volt a bevonat. Valamilyen kék színű műanyag volt a hordozó felület. De a Fok-Gyem tápokat nem ilyenekkel szerelték... kínlódok is rendesen, mert van 6 táp, amit fel kell újítani. De ha kész leszek velük, akkor megírom a tapasztalataimat, a tápos témában. Kettő már jó.
A hozzászólás módosítva: Jan 25, 2025
(#) Imi65 válasza compozit hozzászólására (») Jan 25, 2025 /
 
Az újabb verziókat már potikkal szerelék, a 40V-osokat 39k+1,5k, a 30V-os 9193-asokat pedig 27k+1k. A 9175a-ba, 9158a-ba (amik már eleve potisak volt) én 50k-s helipotot tettem, 180k-val 39k környékére söntölve. Az 1,5k-s potit nem nagyon kell használni.
Tudom, így nem lenne lehetőség a pontos 2V-onkénti szabályzásra (és a felirat is hülyén nézne ki), de ha potissal hoz össze a jó sors, én ezt tenném. A CV ledet kicseréltem zöldre.
(#) compozit válasza Imi65 hozzászólására (») Jan 25, 2025 /
 
Egy 9193/A-val szenvedek. Ez potis. Viszont digitális kijelzői vannak és ugye négy csatornás. A panelmérők alatt van egy 3 emeletes, 12 állású yaxley. Ez emeletenként 3 főáramörös és 4 mellékáramkörös. Megy hozzá egy rakás drót. Na, ezzel van a probléma. Ráadásul, valaki már előttem mókolta, mert a panelmérők nem abban a sorrendben mérnek, ahogy a csatornák számozva vannak. Már minden működik rajta, csak az árammérőn nem megy a tizedepont kijelzés, csak az 5V/4A-es csatornán, a változtatható feszültségű csatornákon nincs tizedespont, pedig a rajz szerint ugyanúgy kapnak GND-t.
(#) Alkotó hozzászólása Jan 27, 2025 /
 

Pedállal működtetett kapcsoló

Megoldást keresek olyan itthon is elkészíthető pedál konstrukcióra, ami megbízhatóan képes egy mikrokapcsolót (például ilyet) bekapcsolni ha valamennyire megnyomom a lábammal, és ha tovább nyomom, akkor ezt a kapcsolót bekapcsolva tartva egy másikat is kapcsol (mert így két fokozatban tudnám indítani a tekercselőmet, előbb egy lassabb majd ha akarom egy gyorsabb módban).
Tulajdonképpen a kapcsoló elrendezésre van elképzelésem, de a pedál milyenségében bizonytalan vagyok, nem tudom mennyire kell ezt átgondolni/túlgondolni.
Szintén bizonytalan vagyok abban, mekkora pedálutat érdemes megcélozni, hogy az kényelmes maradjon, de még jól érezhető legyen.
A hozzászólás módosítva: Jan 27, 2025
(#) bbb válasza Alkotó hozzászólására (») Jan 27, 2025 /
 
Varrógép taposókapcsolója nem jó?
(#) Massawa válasza Alkotó hozzászólására (») Jan 27, 2025 / 1
 
Több boltban kapni olcso pedálkapcsolokat zenei eszközökhöz ( szintetizátir stb). Azok masszivak mégis kicsik es elég megbizhatoak.
(#) teddysnow válasza Alkotó hozzászólására (») Jan 27, 2025 /
 
Vannak kimondott lábkapcsolók
(#) Gafly válasza Alkotó hozzászólására (») Jan 27, 2025 /
 
Annó csináltam soros portra köthető lábkapcsolót csengőnyomóból.
Meglepően jó lett, bár csak demóra kellett.
Ha magadnak csinálod, és csak te használod, akár működhet is...
(#) VIM válasza Alkotó hozzászólására (») Jan 27, 2025 /
 
Szia! A szokványos felállású megoldást csinálnám meg kettő rugóval. Az egyik a pedál fő mozgató rugója lenne a másik pedig egy ellen támaszként szolgálna ahonnan a másik kapcsolót működtető pont határát lehetne kijelölni. A kis sebességnek a kapcsolóját a pedál érzékenységének megfelelő távolságra szerelném fel és a nagyobb sebességét a pedál teljes lenyomási (felütközési) határára. Az ellen rugó arra jó, hogy érezhető legyen a kapcsolási határ, hogy onnan nagyobb erővel kell nyomni a pedált ahhoz, hogy a nagyobb sebességet kapcsolni lehessen.
(#) compozit válasza Alkotó hozzászólására (») Jan 27, 2025 /
 
Füttyre működő nem jó? Első fütty: elindul, megy lassan. Második fütty: felgyorsul. Harmadik fütty: visszakapcsol lassúba. Negyedik fütty: megáll. Pont azt csinálná, mint a lábkapcsoló.
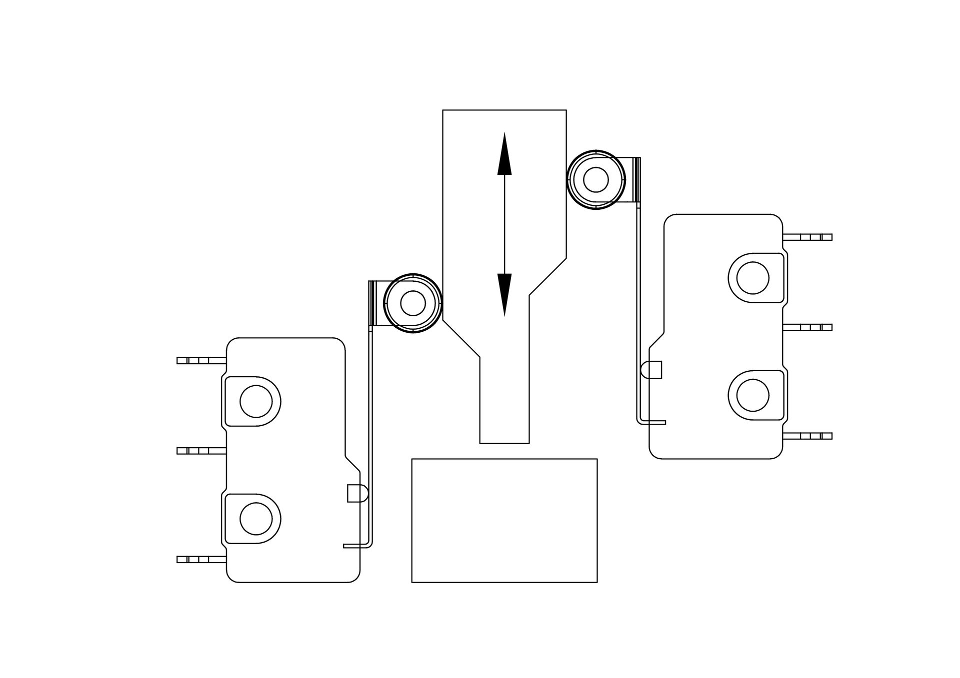
(#) Alkotó válasza VIM hozzászólására (») Jan 27, 2025 /
 
Arra nem gondoltam, hogy az erővel is hangsúlyozni kellene a két fokozatot, erre talán a rugóerő felkeményedése is elég lehet.
Lerajzoltam ami elsőnek eszembe jutott. Alul van egy stabil ütköző, a pedál pedig a nyíllal jelölt alakos darabot mozgatja. Persze majd valamilyen ívet is bele kell képzelni, de az elvben egyenlőre nem látok hibát.
A magasságok még változhatnak, illetve a két kapcsoló is lehet egy magasságban ha a betét biztosítja a két fokozat külön kapcsolását (ezzel magasságot lehet csökkenteni).
A hozzászólás módosítva: Jan 27, 2025
(#) nagym6 válasza Alkotó hozzászólására (») Jan 27, 2025 /
 
Ennek a mikrokapcsolónak merev a karja. Picit rossz beállításnál görbül a kar, vagy törik az egész. Hajlékony rugóacél karú kapcsolóval csinálnám én, azt nem lehet túlnyomni törve a kapcsolót, rugalmasan görbül a kar.
(#) Attila86 válasza Alkotó hozzászólására (») Jan 27, 2025 / 4
 
Alkotó! Annyi fa szerkezetet készítettél már nekem, az a minimum hogy segítek ebben neked. Terveztem gyorsan egy szerkezetet, elvileg pontosan ahhoz a mikrokapcsolóhoz amit belinkeltél. Így néz ki egyenlőre:
Bővebben: Youtube
A modellen nincs rajta, de két csapágyon forog a pedál (D=22mm, d=8mm, m=7mm, ilyet találtam itthon). Illetve még nincs kiképezve a helye a forgási pont közelében két nagy és erős mágnesnak amik taszításukkal ellentartanak a pedálnak. Mindjárt rárajzolom ezeket is.
A modellen módosítható szinte bármi. A pedál alapállásának szöge (most 45 fok), a két végállás közti különbség (most 20 fok), a pedál szélessége (most 120mm), hosszúsága (most 245mm), a két mikrokapcsoló kapcsolási pontja stb. Kinyomtatom neked szívesen (ingyen) és amikor erre jársz odaadom. Vagy kipróbálod, megmondod mit módosítsak rajta és kinyomtatom újra. Akár meg is várhatod a módosított verziót.
A hozzászólás módosítva: Jan 27, 2025
(#) Attila86 válasza Attila86 hozzászólására (») Jan 27, 2025 / 3
 
Na itt is vannak a mágnesek. Hogy ne kelljen még a mágnesek méretét, erősségét, egymástól való távolságát is kikísérletezni hogy hogyan jó, ezért 6db mágnespárnak csináltam helyet. 10mm átmérőjű és 5mm vastag mágnesek.

Pedál3.png
    
(#) Gafly válasza Attila86 hozzászólására (») Jan 28, 2025 /
 
Ha már ott mágnes, akkor minek a mikrokapcsoló?
Analóg
unipoláris
bipoláris
Persze ezt azért nem lehet csak adatlapból egyből készre csinálni szerintem.
(#) Skori válasza Alkotó hozzászólására (») Jan 28, 2025 /
 
Jó ötletek vannak itt, de hadd egészítsem ki. Sikeresen használtál már optokaput is, jók a tapasztalatok vele. Miért nem valami ilyesmiben gondolkozol? De a korábban leírt HALL érzékelő is megoldás lehet.
Néhány optokapu egymás után, és egyetlen nyelv (vagy tárcsa) ami a takarást végzi, és tetszés szerinti számú fokozatot tudsz érzékelni, úgy hogy szinte semmivel sem lesz bonyolultabb a végeredmény, csak az optokapuk számát kell növelni...
(#) Gafly válasza Skori hozzászólására (») Jan 28, 2025 /
 
Ami még eszembe jutott, hogy a 3D modellre lehetne fület is varázsolni a törésgátló számára, mert az nagyon "gagyi", ha csak úgy leffegnek a drótok.
Nekem ez nekem nagyon bejött.
(#) nagym6 válasza Alkotó hozzászólására (») Jan 28, 2025 /
 
REED relé mágnes pár is megoldás. REED áramterhelésre kell figyelni, esetleg még egy relével "erősíteni".
(#) VIM válasza Gafly hozzászólására (») Jan 28, 2025 /
 
Szia! A mágnesek ebben az esetben a rugó helyett vannak beépítve azonos polaritással. Az elgondolás tapasztalt hozzáértőre vall és a program is amit a megjelenítésre használ.
(#) Gafly válasza VIM hozzászólására (») Jan 28, 2025 /
 
Ez így van, mi a kérdés?
(#) Massawa válasza Attila86 hozzászólására (») Jan 28, 2025 /
 
Egy baj van az elképzeléssel. A láb sokkal érzéketlenebb mint a kéz igy ott sokkal komolyabban kell “érzékeltetni” hogy hol van melyik fokozatban. Az sem baj, ha az átmenetnek az egyik fokozatból a másikba is valamilyen mechanikus “visszacsatolása van” nem hiszem a mágnesek erre elegek. A varrogép pedálja egy kicsit más, hiszen ott a varronö ujja közvetlenül a tü mellett van igy a kéz meg a láb mozgása “összahangolodik, koordinálodik”. Ha ez a tekercselögépnél is megoldhato akkor jol van, ha nem akkor nem fog jol müködni.
Esetleg ugy is lehetne mint a fogorvosi kézigépek kezelése, egy kart a lábbal egy függöleges tengely körül forgatnak a láb mindig simán a padlon van. A függöleges tengely lehet akár egy több állásu forgokapcsolo is azaz a lábbal kapcsolja a fokozatokat. Ha elveszi a lábat akkor egy rugo huzza vissza a kart az állo helyzetbe.
Bátmelyik megoldás otthon is könnyen megoldhato. Nem kell ide sokat bonyolitani a dolgot. Két mikrokapcsolo evekig müködik. A gyári pedálokban is ez van a mikrokapcsolok mindig oldara vannak szerelve azaz nem a láb nyomása hat rájuk, hanem a pedál oldalán levö bütykök nyomják a görgös mikrokapcsolokat a pedál helyzetétöl függöen.
A hozzászólás módosítva: Jan 28, 2025

IMG_7708.jpeg
    
(#) Skori válasza Massawa hozzászólására (») Jan 28, 2025 /
 
Szerintem ha nem muszáj, akkor nem érdemes mechanikus kontaktot használni. Visszajelzésnek pedig szintén nem csak mechanikus megoldást tudok elképzelni, lehetne akusztikus visszajelzés pl. egy rövid csippanás egy fokozat elérésekor, sőt a fokozat számát jelezheti a csippanások száma vagy a hang magassága is. De a kezelt berendezésen is lehet valamilyen visszajelzés pl. ledekkel.

A pedál aljába mindenképpen egy súlyosabb fémdarabot tennék, hogy ne billenjen el, és ne csússzon el a használat közben, a vezeték számára pedig (a csatolt fotódhoz hasonlóan) valamilyen csatlakozót szerelnék fel. Ez könnyebbé teszi a vezeték javítását egy esetleges sérülés esetén, és a törésgátló funkció is a csatlakozóra bízható.
Következő: »»   199 / 220
Bejelentkezés

Belépés

Hirdetés
XDT.hu
Az oldalon sütiket használunk a helyes működéshez. Bővebb információt az adatvédelmi szabályzatban olvashatsz. Megértettem