Fórum témák
» Több friss téma |
Fórum » Kapcsolási rajzot keresek
Témaindító: Kallai Csaba, idő: Márc 11, 2006
Témakörök:
Köszönöm a segítséged, az a gondom, hogy abban amit javítani szeretnék mindkét oldalon EL84 végzi a szkópcső lemezeinek a meghajtását. Ilyen rajzot sajnos nem találtam sehol. Marad a visszarajzolás.
Találtam a "nagy testvér"-hez (EMG 1551) szervizkönyvet (benne kapcsolási rajzot).
Ez (valódi) kétsugaras szkóp, de ha a hozzáértők azt mondják, hogy belül részben azonos lehet a kettő, akkor kölcsönadom vagy beszkennelem... (Ment privát üzenet!) erősítő kapcsolást keresekSzép estét mindenkine ! egy Bugera 6262 gitárerősítő kapcsolását keresem . Köszönöm!
MINDIGTVKeresem a fentebb említett beltéri antennás - erősítős szobai szerkezet elektromos kapcsolási rajzát.A típusa HQ ANT101. Bár én csak az UHF részét és antennáját használtam, ám az egyik napról a másikra behalt. Lehetséges, hogy a tranzisztora, de lehetséges hogy csak egy belső kábelszakadás (bár utóbbit én a szétszedése után nem igazán vettem észre.) Régebben a lányom szobájában a szekrény tetején működött, ámde újabban - mintha nem adna ki semmiféle felerősített antenna-jelet. Nagyjából így néz ki, csak HQ felirattal - https://a.allegroimg.com/original/11615a/5523be2f4ced8a023d1e7669ce...2-MUX8 A hozzászólás módosítva: Szept 16, 2025
Ez milyen alkatrész?Sziasztok!Van egy alkatrészem aminek az adatlapját keresem. Sajnos eddig nem találtam. Egymagában van egy panelen. Minden valószínűség szerint egy memória áramkör, de semmi infót nem találok. Gondoltam, hátha itt akad valaki aki tudna adatlapot linkelni nekem. Előre is köszönöm a fáradozásotokat!
Ez valami toner chip?
Esetleg DS2430 vagy hasonló. A lábkiosztást vesd össze. Lehet gyárilag felprogramozva ezért a valós tipusszám helyett egyedi számmal amit nem találsz meg.
Ügyes, itt találtam róla beszélgetést, de nem olvastam végig: https://github.com/bvanheu/stratatools/issues/80
Majdnem.
Egy stratasys 3D nyomtató "kazettája"
És pont F370 -es.
![]() Végig olvasom, Köszönöm! 5V relé vezérlésSziasztok,Van egy HTTM-BL érintő kapcsolóm. Egy 5V -s relét szeretnék vezérelni vele. Van egy ilyen kapcsolási rajzom. Működhet? Köszönöm előre is a segítséget! ÁramgenerátorSziasztok! A legegyszerűbb áramgenerátor kapcsolást keresném 10-100 mA-ig állíthatóan. Egy 8,4 v-os NIMH aksiról menne egy ismeretlen teljesitmény led egy nem olcsó kézilámpában, köszönöm!
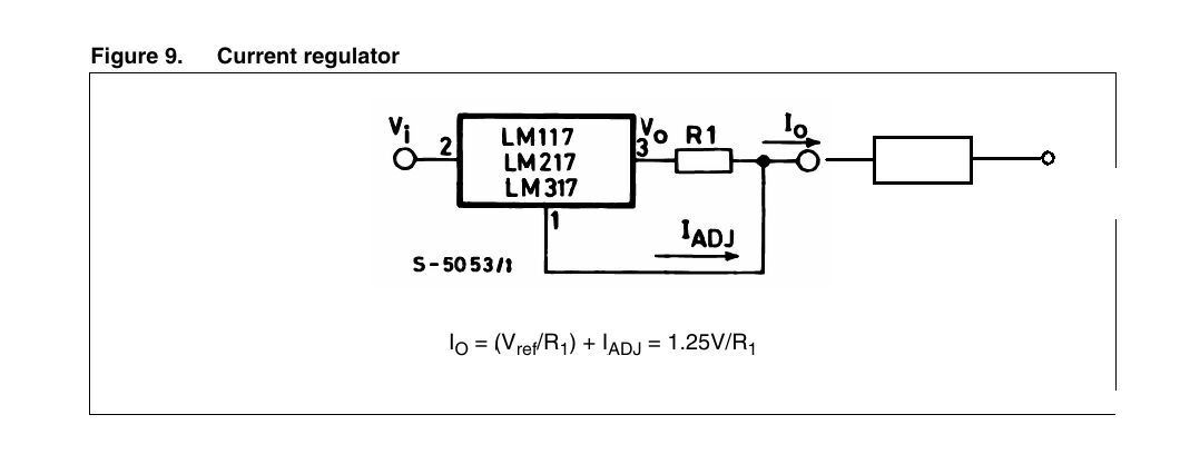
A legegyszerűbb az LM317-el készíteni áramgenerátort. Egy szem ellenállás kell hozzá ( ill. poti, ha állítható kell). Arra vigyázz, hogy a potin fog folyni a kimenő áram, oda megfelelő teljesítményű kell!
Bemenőfeszültség 8.4V
Maximális áram 100mA Elméleti maximális teljesítmény 0.84W Az akkumulátornak lehet kicsit magasabb a feszültsége, de feszültség esik a terhelésen is és az IC-n is, így egy 1W-os potméter már elég lehet... De kisebbet nem választanék...
Az kimaradt, hogy tegyél utána egy 10R/2W-os teljesítmény ellenállást, így:
ő fogja a max áramot meghatározni, amikpr a potit 0-ra tekered!
Zseblámpában illik gondolni a működési időre is, javasolt a kapcsolóüzem.
Miért kell a potenciométer, ezzel állítja a fényerőt? Az akkor 1 W, ha a teljes felszínt kihasználod, és azon keresztül tud hőt leadni.
Teljesen igazad van, a kapcsolóüzemű mindenképpen jobb!
Én az LM317-hez kapcsolva írtam, qvasz2 hozzászólására... Potméter azért kell, mert az kérdésfeltevő 10-100 mA között szeretné állítani az áramot. Az 1 W-ot (elméletileg 0.84 W-ot) a potméter terhelhetőségére írtam, olyat kell beépítenie, ami annyit bír. Idézet: „Potméter azért kell, mert az kérdésfeltevő 10-100 mA között szeretné állítani az áramot.” Én erre nem mernék megesküdni, szerintem csak ki akarja találni, hogy mekkora áram kellene az ismeretlen zseblámbában a LED-nek, hogy normálisan világítson. Nem emlékszem olyan zseblápára, ahol külön lett volna "fényerő tekerő", legfeljebb "fókusz". De ezt nem nekünk kell eldöntenünk, hanem a kérdezőnek. Akár még fényképet is tehetett volna fel rögtön a kérdés mellé...
(Napközben melózok nincs netezés.) Szóval igen, nem tudom, hogy mekkora áram kell neki. Kérdeztem a kezdő kérdések topikban is hogyan lehet megállapítani egy ismetretlen ledről mi jü neki, de nem kaptam igazi választ. Ő lenne az alany Bővebben: Link de szerintem ha egy trimerrel lehet állítani 10-100 mA közt annak jónak kell lennie. Valami áteresztő tranzisztorosnál talán nem kellene Wattos trimer...
Áteresztő nem jó, mert a lednek nem "feszültséget" kell beállítani, hanem áramot a fényhez.
Beteszel pl. egy 10 mA-re számolt ellenállást, aztán azt söntölgeted áramot mérve és a fényt ellenőrizve, ki se kell kapcsolni menet közben. Aztán vagy úgy hagyod, vagy cseréled a paralel ellenállásokat egy darabra.
550 lumen az 5-6 W. Miközben nem tudod, nincs-e 2 db sorbakötve.
De ha fix ellenállással ráeresztesz a LED-re 10 mA-t, a nyitófeszültségből egyből kiderül.
Mondjuk én úgy szoktam belőni az ismeretlen LED-et, hogy: áramgenerátor, papír, ceruza... felveszem az X/Y koordinátát, szépén látszik a "könyök" kezdete, és előtte 2mA-ral kevesebb a maximum áram. Lehet, hogy ez nagyon régi módszer, de még mindig működik, és szerintem a legegyszerűbb ...
Az ajánlott teszt csupán arra ad választ, hogy egy vagy kettő van a körben. Hiszen ha 8,4 V-ot ad az akkuja, akkor kettő LED is lehet sorban.
A hozzászólás módosítva: Okt 28, 2025
Igen, igazad van, én csupán kiegészítésnek szántam ... De több LED-nél is ugyanúgy szoktam ...
Ebben a lámpában egy nagy teljesítményű CREE led van, és több kisebb teljesítményű, amiket az üzemmód szerint tud kapcsolni. A CREE led árama lehet akár amper nagyságrendű is. a kisebbeké kevesebb.
Miért akarsz bele berhelni? Tönkrement, és a ledeket akarod külön felhasználni? Mert egyébként nincs sok értelme a gyári állapotot birizgálni.
Azzal egyetértek, hogy a potmétert védeni kell, mert minél kisebb ellenállásértékre van beállítva, annál nagyobb teljesítményt kell elviselnie, így lesz, ahol az 1W már kevés (pl. 1 Ohm állásban azon a szakaszon 1,25W).
Másfelől az LM317-re is gondolni kell, hogy a kimeneti árama ne haladja meg az 1 A-t (egyes gyártóknál 1,5A, ezen felül megfelelő hűtés is kellhet). Viszont a rajzodat nem teljesen értem, én inkább így kötném be, és nincs szükség teljesítményellenállásra sem, egy "mezei" negyed/félwattos is megteszi. Az eredeti kérdező felhasználásához viszont nem biztos, hogy az LM317 a jó megoldás, mert "helyből" esik 1,25V az áramkorlátozó ellenálláson, másik 1,5...2,5V magán az IC-n, ezek után a (teljesen feltöltött akku esetén) 8,4V akkufeszültségből elég kevés marad a LED-re. Tesztelés erejéig pl. egy 12V külső tápegységről persze rendben van. A hozzászólás módosítva: Okt 29, 2025
|
Bejelentkezés
Hirdetés |









De ha fix ellenállással ráeresztesz a 





