Fórum témák
» Több friss téma |
Fórum » Commodore 64 perifériák
Témaindító: hadnagyakos, idő: Jún 10, 2008
Témakörök:
Szia.
Ajánlom ezt a kapcsolást + kódot , ez kezel elég sokat, és szépen pötyögött nekem gépen anno. Annyi amikor a gépet reseteled, az arduino-t is le kell mivel akkor csak a már beolvasott program címét fogja listázni nem a teljes pakkot ami rajta van.
Szia. Köszi, de a lényeget nem olvastad. A C64 segítségével szeretném csinálni, nem kötöm én PC-re. Meg is találtam közben. dracopy a program neve. Ez egy 2 paneles lemez, lemezkép másolóprogram. 8-as eszközszámon van a 1541, 9-esen meg az sd2iec például. Ki lehet a lemezképeket floppy lemezre írni az sd2iec-ről.
A hozzászólás módosítva: Jan 9, 2021
Nekem van egy régebbi XP-s gépem. Azon van Lpt port. Cbm4win megy rajta XM1541 kábellel. A lényeg az volt hogy ne kelljen PC-re kötni a 1541-et hanem a C64-el oldjam meg.
Szia, DraCopy nevű programmal.
Én is azt használom, de a floppyt állítsd át 9-esre, mert a dip kapcsolóval azt egyszerűbb, mint átprogramozni az sd2iec-t. Igaz, a leglassabb progik egyike, de az összes bitet átmásolja tükörbe, ha a disc copyt használod (F8) Előtte formázd meg a lemezeket, mert az nem erőssége a proginak. A hozzászólás módosítva: Márc 3, 2021
Sziasztok!
Van köztetek aki megépítette az ebben a hozzászólás linkjében szereplő, Arduino Mega-ra épülő SD2IEC kapcsolást? Próbálkozom vele én is, de valami nem kerek. Sikerül lefordítani meg beletölteni a boardba, de aztán semmi. Linux alatt ha monitoroznám kiírja, hogy kapcsolódás, és evvel meg is állt a tudománya. Windows alatt a soros monitor meg nem mutat semmit. Elvileg ki kellene írnia a SD2IEC-t és a verzió számát, de semmi. Összekapcsolva a Commodor-al szintén működés képtelen. Ha valakinek van ötlete vagy tapasztalata vele, kérem ossza meg. A segítségeket előre is köszönöm. üdv, Travolta A hozzászólás módosítva: Okt 1, 2022
Valószínűleg az aki linkelte a kapcsolást
. Nekem bevált, több gépbe is bekerült anno. ![]() Bekötésről rajzod volna esetleg hogyan kötötted rá a gépre? Ami rémlik hogy a gépet előbb kellett bekapcsolni csak aztán az arduino-t (vagy fordítva?) és csak így ment megfelelően. Másik: Ha lehívtad a könyvtárat (Load parancs) és ő kiírta hogy xy van fent a micro sd-n , hiába indítottad újra a gépet (ha az arduino-t nem) akkor load parancs után szintén csak xy jött be, hiába raktál az sd-re mondjuk z-t is.
Idézet: „Valószínűleg az aki linkelte a kapcsolást” Ezt nem is gondoltam volna. ![]() Közben sikerült életre kelteni. User error okozta a problémát. ![]() Köszömöm a segítséget.
Sokat nem segítettem de örülök ha hasznodra vált a link.
Igazából ez az oldal segített a megoldáshoz, mert itt egy kicsivel több infót találtam a végső megoldáshoz, mivel linuxból
nem vagyok túl erős. ![]() No meg SD adapter nélkül programoztam a Megát, és azért volt, hogy a soros monitor nem adott semmi infót. Az SD adapter csatlakoztatása után minden rendben működött. Legelső körben meg nem linux alatt programoztam, hanem xloader-el töltöttem fel a lefordított hex-et, de az úgy nem volt működő képes. A lényeg, hogy sikerült. Ismét tanultam valamit. A hozzászólás módosítva: Okt 2, 2022
Ez hasznos oldal.
![]() Én most a tape SD-t akarom elkészíteni arduino-val viszont egy teljesen más géphez fogom használni így még lehet át kell kicsit írni majd.
Akinek vérében a programozás, gondolom gyerek játék.
![]() Ez a tape SD mire való? Datasette portra küldi a fájlokat?
Igen lényegében hasonló a 1541 arduhoz, annyi hogy itt ugye a digitális "hangot" küldi a gépnek, meg reagál a gép által kiadott start/stop jelekre.
Remélem belefér a topik tartalmába.
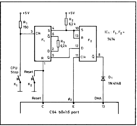
![]() Ez a panelt a legutóbbi rádiós börzén ingyen elvihetőbe rakták ki. Elhoztam. C64 reset HOBBI feliratok vannak rajta. Tudom, hogy a számítógép újraindítására való. De miért van rajta 2 nyomógomb? A nyomógombok hall szenzorosak, az IC egy 7474 dual D flip-flop. Milyen perifériához tartozhatott? Gondolom valamilyen kitben lehetett. A hozzászólás módosítva: Aug 30, 2023
Hobbi Elektronika 1990/12 számban volt.
Egyik gomb a RESET másik CPU STOP.
Köszi!
Elrakom az utókornak.
1541 floppy hiba és magnó betöltés kazi nélkülSziasztok, ZXSpectrumosként "rá 40 évre " végül nekem is lett egy c64-em. A floppy nem működik de a gép rendben van. Az első körös hibadiagnosztika még nem hozott eredményt. Eddig a gyanú szerint a 7406 logikai IC-t "piggyback" módszerrel próbáltam, de nem javult, ezért tovább nyomozok, de addig is hátha valaki tud javaslatokat adni. 6522, 6502-t fogom még cserélni (talán Aliról rendelem majd). Tápofeszek, rendben vannak. 1. A floppy bekapcsol, motor folyamatosan pörög, piros led folyamatosan világít. Géppel összekötve ugyanez és LOAD "*",8,1 parancsra nem reagál csak várakozik a gép. Van esetleg egy olyan diagnosztikai módszer amivel ki lehet szűrni, melyik chip lehet hibás? 2. Kínomban vettem egy Datasette-t. Ha valakit érdekel szívesen felteszem, hogyan oldottam meg, hogy kazetta nélkül mobil telefon füles porton keresztül hogyan kell fájlt betölteni (ugyan egy éjszakám ráment, de végül betöltöttem az ELITE játékot, életem első c64 betöltése )
A meghajtó folyamatos resetben van. A 7406 lesz a rossz, de a "Piggyback" nem jó módszer, mert a 7406 kimenete nyitott kollektoros. Cseréld ki.
Idézet: Fúj! Áruló! „Sziasztok, ZXSpectrumosként "rá 40 évre " végül nekem is lett egy c64-em.” Égessük meg! Erre a Datasette-es megoldásra esetleg más is kíváncsi lehet... Megosztanád? A hozzászólás módosítva: Jan 27, 2026
Köszönöm, ma este akkor ez lesz a program. Csak az a fránya kétoldalú nyák...
A következő módon történt a Magnó mod:
1. A Datasette megfelelő pontjaira egy RCA (vagy igény szerinti) csatlakozó forrasztása egy 100nF kondenzátoron keresztül. Nekem a 1531 alaplapos van. Más alaplap neten megtalálható. 2. Egy App letöltése (tapDancer) telóra. Sajnos ez Appstore-ban nincs, így alternatív forrásból én egy "kuka" telefonra tettem, adatvédelmi szempontból. 3. TAP file letöltése telóra. Nekem a letöltés mappában találta meg az App (gépről SD cardra onnan telóra). Auto pause-t én bekapcsoltam az Appban és a reverse signal polarity-t is. Kb. 80+%on volt a teló hangerő. 4 LOAD parancs, Tape indítás, App lejátszás. Sajnos többet kellett "tökölni", A Winamp-ban lehet egy TAP plug-int telepíteni. A Spectrumhoz az tökéletes volt, de a c64 tap fájl, valahogy nem volt jól lejátszható, mintha 20x hosszabb fájl lenne. De az App szépen átalakította és bejátszotta. A hozzászólás módosítva: Jan 27, 2026
Köszi!
Külön tetszett a hozzáállásod, ami 2. pontban írtál a megbízható forrás kapcsán!
Sajnos nem jött össze. A sok csatlakozó felöl nézve a nyákot, kicseréltem a bal oldali 7406-ot.
Megörültem, mert a piros LED világítása megszűnt, ugyanakkor a motor továbbra is folyamatosan forgott. Így cseréltem a jobb oldalon lévőt is, bízván, hogy utána oké lesz. Csere után visszaállt az eredeti probléma. Piros LED folyamtosan világít és motor folyamatosan pörög. Szerintem itt abbhagyom a "kezelést". Valójában, ami a cél volt, hogy kipróbáljam a c64-et az összejött. Pár játékot még lejátszom vele és megy a polcra a Spectrum mellé. Jól megeférnek egymás mellett, már talán nem lesz konfliktus. ![]()
LOAD "$",8 utána LIST . BASIC PRG -hez nem kell a ,1 Gépi kóduhoz igen a ,8 után.
|
Bejelentkezés
Hirdetés |





. 





Elrakom az utókornak.
Égessük meg! 






