Fórum témák
» Több friss téma |
Elfelejtettem megemlíteni, talán fontos lehet, hogy 15voltos zéner helyett, 2db 9v zénert kötöttem sorosan minden fet gate lábára! Az az 18v!
Szia, a fetek amiket használok fda59n25 névre hallgatnak!
Ezt megépítettem, viszont nekem ez kicsit gyenge! Jobban mondva itt a fet meghajtásból hiányzik 2 tranyó, vagyis szerintem jobb lenne a meghajtás, ha kilenne egészítve!
Javíts ha tévednék..
Könnyen lehet, hogy a BD139 - BD140 páros miatt fogyaszt sokat a kapcsolás. Ezt tudod tesztelni, a két összekötött emitter és a 47 Ω-os ellenállás közötti kapcsolatot szüntesd meg.
A tranzisztor lassabban zár, mint ahogy nyit. Ez így nem korrekt megoldás, az egyik zárása után (a másik nyitása előtt) kellene némi késleltetés (angolul dead band delay). Két tranzisztor helyett használj direkt FET meghatjót, pl. TC4420.
Szia!
Teszteld le a kapcsolást úgy is, hogy a motort kikötöd. Mérheted a 7812 bemenő áramot is ebben az állapotban, számolsz és tudod, mennyit fűt el, illetve izzad-e úgy is. A kimenő körben a 10 ohmot inkább a 100 nF után tenném be, mert az a kondit a kimenet és a gnd közé kell forrasztani, gerjedés gátlásként. A stab kimenetét is egy "pi" szűrő után kellene vinni a kapcsolóra - pár µF-ok ( nem elkók ) és sacc 100-200 uH közéjük.. - a bemenő lábra itt is kell párszáz nF. A motor áramimpulzus tüskéi nagyon megzavarhatják a 7812-t, hiába vannak diódák "valahol".
Nem tudom mennyi áramot vesz fel az áramkör 12 Voltrol, ha megméred egyböl látni fogod mi a baj. (Ha stab kocka kimenetén 12 V van akkor nem hibás.).
Vedd ki a 47 Ohmos ellenállást és ugy probáld ki. A hozzászólás módosítva: Szept 26, 2025
Jó fogás! 100 nF rossz helyen van, bemeneti 330 nF hiányzik.
Korrekció....helyesen:
A stab bemenetét egy "pi" szűrő után kellene vinni a kapcsolóra............ A hozzászólás módosítva: Szept 26, 2025
Itt van egy nyákterv amit az "alkotó" osztott meg
Én azt vettem észre ,hogy pl a 10k ellenállás hiányzik neki ,ami a fetet söntöli ,hogy ne marajon bekapcsolva , ha minden igaz! Én viszont beépítettem a kapcsolásba!
Oké.. végülis az nélkül sincs gond, ha az alsó BD nyitva van - max átkapcsoláskor jó, ha ott van.
Alapvető hiba, hogy a 7812-es lábaihoz a lehető legközelebb nincsenek meg a hidegítő kondik. Könnyen lehet, hogy ferci lesz a befutó és ezen alkatrészek hiánya miatt egyszerűen gerjed a stabilizátor IC.
A Tl494-nek 2 teljesen független kimenő tranzisztora van. Nem kell közösíteni a kollektorokat, teljesen függetlenül is lehet hajtani a két BD-t. Így a Tl által biztosított holtidő garantálja, hogy ne nyithasson egybe a két meghajtó tranzisztor. Szkóppal söntön ellenőrizni lehetne az egybenyitáskor a stab IC áramkorlátjáig emelkedő áramot. De szerintem a két BD-nek is melegednie kellene. Kivéve, ha jobb a hűtésük, mint a stabkockának.
Köszönöm mindenkinek a segítséget, a probléma megoldódott egy a stabkocka bementi lábára kötött 220nf kondival+ az ic 6os lábára kötött 22kohm helyett én 20k-t építettem be, azt is lecseréltem 22k-ra, hideg marad a stabkocka , és a vezérlés is szuper! Kb minden hideg, a fetek bordája is!!
Sokat segítettek, ezáltal okultam is belőle! További szép estét! 200A motor fordulat szám szabályzásSziasztok!Szeretnék meg javítani egy JLG ollós emelőt aminek a vezérlés része hiányzik. Valamikor úgy működött hogy a hidraulika szivattyú motorjának a fordulatát szabályozta. A motor 24V-os és 150-160A fogyaszt, katalógus szerint max 200A. Hogyan tudnám megoldani saját vezérléssel a fordulat szabályzást? A logikát, szelep vezérlést egy ESP32 fogja működtetni. Egyszerű Mosfet végfok járható út ilyen nagy áramnál?
Szia!
Nagy áramoknál is működik a fetes/IGBT-s pwm-es kapcsolgatós teljesítmény fokozat, de a kialakítására sokkal jobban oda kell figyelni (a parazita induktivitásokat minél kisebbre kell szorítani). Bennem felmerül a kérdés, hogy honnan veszel 24V/200A-es tápegységet. Nekem elsőre más lenne a gondolatom. Feltételezem, hogy van 3x400V-os hálózatod. Készíttetnék egy 3x400/6x18V transzformátor. A 6 fázisú szekunderre ráépítenék 3F1U6Ü egyenirányítót (ez lenne legalább 200A-es), a primert pedig 3db antiparallel tirisztorral vezérelném. A primer áramok lényegesen kisebbek lennének, és a hálózati kommutációs üzem sokkal probléma mentesebb. Persze az így kapott szabályozható tápegység csak 1/4-es üzemre alkalmas, azaz nem tudsz forgásirányt váltani, és fékezni sem. Ha dinamikusabb változások szükségesek, akkor a bemeneti szaggatót elhagyva a szekunder körre 6db tirisztorból építhetsz fel vezérelt egyenirányítót.
Nevezett gépek akkuról üzemelnek.
Nézz körül sok helyen kapni kész motorvezérlöket ilyen áramokra is. Nem olyan egyszerü a dolog, hogy otthon kisérletezz vele.
Cégnél van ilyen gép, vizsgám is van rá, használtam már többször is. Egy ilyen emelő vezérlése jóval összetettebb, mint ahogy elsőnek tűnik. Pl. az emelés kezdetén védőburkolatokat nyit ki, dőlésérzékelő, ha egy bizonyos ideig nem nyúlsz a kezelőszervekhez alaphelyzetbe áll, nyitott állapotban sokkal lassabban megy előre/hátra, túlterhelés elleni védelem és még ami nem jut eszembe.
Nyílván azt csinálsz amit akarsz, de én nem mernék ilyennel játszani, egy esetleges balesetnél elő fognak venni és nem fogod lemosni magadnról, hogy nem te hibáztál. De hogy valami értelmeset is írjak, lehet kapni nagy áramú alkatrészeket is, pl. IXTN600N04T2 (40V; 600A), ha jó a FET meghajtása, örök élet és egy nap. A hozzászólás módosítva: Feb 24, 2026
Saját használatra vettem hiányosan. Valószínűleg működne mindene csak hiányzik a fenti vezérlő joystick. Nem találtam emberi áron másikat így arra jutottam az elektronikát újból építem. Hidraulika része működik azt már próbáltam. Mechanikailag nagyon jó állapotban. Meg van hozzá teljes dokumentáció, kapcsolási rajzok minden. Nem túl bonyolult szerkezet még is csak 30 éves. A legkomplikáltabb a pumpa szabályzás.
Egy hasonló megoldásra gondoltam, meg duplázva a Mosfetet(IXTN600N04T2), Menyire járható úgy hogy a motor szabályzó a lehető legközelebb a ESP meg kb 1,5m távolságban lenne?
A TLP250-es kimeneti árama az adatlap szerint 0.5 A, én egy erősebbet választanék, pl. FOD3181. A kapcsolási rajzban C1 és C2 nem sok vizet zavar 150 A környékén. Az optocsatoló táplábaihoz közel rakj 10 µF és 100 nF kondenzátorokat. UF5408 vagy elég lesz, vagy nem, nem tudni, mekkorát rúg vissza a motor.
ESP-re érdemben nem tudok reagálni, nem használom, nem tudom, mennyire zavarérzékeny.
UF5408 nagyon kevés ide - minimum egy TO-220-as, de inkább nagyobb méretű gyors dióda kell.
A megszűnő motoráram minden impulzus végén ezen "cseng le".
Én mindenképp az eredeti állapotot próbálnám vissza állítani. Egy joystick hiánya nem olyan nagy probléma. Ha nincs eredeti néhány potméterből meg egy nem túl bonyolult mechanikából gyárthatsz magadnak. Van a piacon sok.
A hozzászólás módosítva: Feb 26, 2026
Szerettem volna csak hát a platform meg a vezérlő között digitális kommunikáció van gyárilag. Egyébként egy
jlg 2646e a páciens.
Találtam szerviz leírást hozzá. Van benne kapcsolási rajz is, bár nem túl részletes.
Én sok éve foglalkozok emelő gépekkel és személy emelőkkel. Nem állnék neki ilyen projektnek, mert ha történik vele egy baleset akkor a műanyag bilincs a kezedre ro...d. Sokkal jobban jársz ha gyári alkatrészekkel oldod meg. Elszámolod magad és nem áll meg mikor meg kellene simán meg is halhatnak emberek. Sajna sok ilyen baleset van gyári gépekkel is. Ha meg nem gyári akkor tuti rád húzzák az egészet.
Bocs, hogy beleszólok, de nem az a baj, hogy baleset esetén elmarasztalnak, hanem maga a baleset! Ez lényeges különbség.
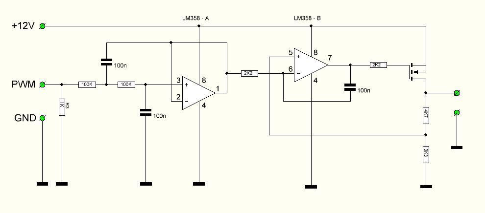
PWM to voltageSziasztok!Segítséget kérnék ezzel a kiválóan működő áramkörrel kapcsolatban. Tényleg szépen teszi a dolgát, azonban két ilyen áramkört építek, két "egyforma" 60 RPM motorral. Vélhetően a motorok nem lesznek ténylegesen egyforma fordulatúak, ezért abban kérném a segítséget, hogy a kapcsolásban hol lehet elhelyezni egy trimmert, amivel a kimeneti feszültséget lehet szabályozni. Azért szeretném a kimeneti feszültséget szabályozni, mert azzal pontosan be tudnám állítani a motorok eggyütt futását. Köszönöm!
Szia!
A MI mondta: "Hibaerősítő és visszacsatolás (LM358-B): A második műveleti erősítő (LM358-B) hasonlítja össze a kívánt alapjelet (az első fokozat kimenetét) a tényleges kimeneti feszültséggel. A kimeneten lévő feszültségosztó (4,7kΩ és 3,3kΩ) visszacsatolja a kimeneti feszültség egy részét az invertáló (-) bemenetre. Ez biztosítja, hogy a kimeneti feszültség stabil maradjon és arányos legyen a PWM jellel." Azzal a két ellenállással lehet kísérletezni.
Szia!
A kérdés az, hogy mit jelent a "pontosan be tudnám állítani a motorok eggyütt futását"? Azaz milyen pontosan szeretnéd az együtt futást? Ahogy Kadarist is írta, a kapcsolásod eleve a motor kapocsfeszültségére szabályoz, és ez egyforma motorok és terhelés mellett néhány százalékos hibán belüli együtt futást eredményezhet. Ha ennél jobbat akarsz, akkor valamilyen érzékelő kell, amivel a motorok fordulatszámát méred, és szabályozó köröket kell felépítened, amikkel az együtt futást biztosíthatod. Ha inkrementális forgó jeladót használsz, megfelelő szabályzó körökkel gyakorlatilag nulla statikus hibát is el lehet érni.
A motorok autonóm mozgatnak egy-egy makettet. A makettek együtt mozgását szeretném hellyel-közel beállítani. Gyakorlatilag a kimenő kapocsfeszültséget szeretném változtatni úgy, hogy az egy lineáris tartományban legyen. Tehát például az egyik motor 0-12V lineáris skála, a másik motor 0-11V lineáris skála.
Maga a kapcsolás ebben a formában szépen és jól üzemel, csak a kimeneti feszültség állítás hiányzik. |
Bejelentkezés
Hirdetés |














