Fórum témák
» Több friss téma |
Sorosan, és egy laposelemmel (némelyek kettővel) működik 1-2km-re is.
A telefonokat egy feszültségkorlátos áramgenerátor táplálja. A hurokáram névlegesen 20 mA a gyakorlatban 15-30 mA A max feszültség 60V, alközpontoknál gyakran 30V (A 48 ill 24 V -os ólom akkutelepek max töltési végfeszültségéhez igazodva)
A csengetés kb .110V 20Hz et igényel A He kapcsolása régi készülékekkel működik, de a táprész átalakításával (áramgenerátorrá) bármelyik jelenleg is elérhető készülékkel működőképes. Én javaslom régi pulse üzemmódú alközpont használatát, alkalmas készülékkel. Bolhapiacon némi utánjárással található. (300,-Ft !!! áron vettem hibátlan példányt!)
A telefondrótra jobb nem rákapcsolni semmit, amit nem oda találtak ki. pl: égők, LEDek, készülékek, stb. Képes leüríteni a központi akut, és nincs akkor vonal az egész városban.
Remélhetőleg nem lesz újra 7-8 napos áramszünet.
Üdv mindenkinek!
Rá is térnék a lényegre. Van 2db 3-4éves vezetékes telefonom, megvan a doboz is amibe van valami fekete bigyó is. Össze szeretném őket kötni úgy, hogy lehessen rajta beszélni, mondjuk az előszoba meg a műhely között. A megcsörgetés az lehet bárhogy, akár úgy hogy megnyomok egy számot, hogy mondjuk az egyik telefonnak az 1-es a hívószáma, a másiknak a kettes, de jó úgy is hogyha felveszem az egyik kagylóját akkor rögtön csörög a másik. Elnézést a hosszú leírásért. Az ötleteket várom. A segítségeteket előre is köszi! Üdv, kisedison Utóirat: Használtam a keresőt és ilyen témát NEM találtam!
Pedig pont volt is felteve egy ilyen kapcsolas,
eppen amit keresel ha jol emlekszem Medve kollega altal. Sajnos szegyenszemre nem talaltam meg a keresovel. Esetleg irjal neki privatban, vagy remenykedjunk hogy benez... Arrol a fekete "bigyo"-rol tudnal valami bovebbet mondani? Ennyibol meg nem sok otletem van hogy mi lehet...
Gondolom, hogy "klasszikus" készüléked van, amit a vezetékes telefonhálózatra kapcsolsz. Ezek CB készülékek, vagyis központi táplálásúak. Ha ezeket összekötöd, szükség van egy 40-50V-os brumm mentes DC feszültségforrásra. A csengetésük alacsony frekvenciás, 100V nagyságrendű AC feszről üzemel. A számgombok megnyomásával eltérő frekvenciájú hangjeleket gerjeszt a telefon (természetesen csak akkor, ha kap vonali feszültséget), ill. a régebbiek számtól függő hosszúságú impulzussorozatot állítottak elő. Láthatod, hogy a puszta összekötésük nem jelenthet megoldást. Véleményem szerint kár is ezzel vesződni, mikor lehet kapni készen is ún. alközpontokat. Ezek szabványosak, a szolgáltató vonalaihoz illeszkednek, a hívásokat a beprogramozott készülékekkel fogadhatod, lehet átadni hívásokat, egyidejűleg több beszélgetést folytathatsz, stb, stb... Az áruk sem csillagászati.
Üdv! A CB készülék felhasználható "házi telefonnak", ha kicsit átalakítjuk. +egy háromeres vezetékkel, két nyomógombal és két csengővel a csengetés is megvalósítható. Ha érdekel valakit, akkor megkeresem a rajzokat!
Itt ez a kis fekete bigyó. énsem tudok róla sokmindent
Nem is állítottam, hogy nem, de arról nem volt szó, hogy nem hagyja eredeti állapotába. A csengetést a saját gombjával kérdezte, nem + nyomógombbal. Akkor már úgy is megcsinálhatja, hogy az ellen oldali készüléknek vonaláramot figyeltet, és akkor - ha felemelik, rácsönget a saját - beépített csengőjével. Ha azt is felemelik, akkor megszűnik a csengetés. Mindezt oda-vissza, és a telefont is bármikor visszadughatja a postai vonalba.
Bővebben: Link
A megadott témában ott az általam berakott rajz ami segít. Témát szerintem át is lehet pakolni oda.
Kondenzátor, ezt teszik a lakásban lévő csatlakozó ajzatba, azért, hogy ha az ef. hibát jelent, pl nincs vonal, akkor rámérnek a központban az érpárra és ha ez a kondi megvan akor nincs szakadás. Természetesen ez csak fővonalnál ér valamit, pcm nél nem gsm nél meg főleg.
Egyszer raktam össze egy ilyen "kis központot" (segélykérő telefon). Az egyik telefon kézibeszélőjének felemelésével a másik addig csöng, amíg fel nem veszik, vagy le nem rakják a kagylót...
Ha érdekel, megpróbálom előásni a rajzokat holnap este. Minden jót! Gábor (független a matávos vonaltól!)
Gyorsan telik az idő
Megtaláltam a rajzot, de a minősége..., de azért "használható"
Sziasztok!
Nekem is ezzel kapcsolatba lenne kérdésem, a rajzokat nézve elég jónak tűnik, de azt hogy lehet megoldani, hogy csörgetni is lehessen a másik telefont ? köszi
sziasztok ez engem is erdekelne
Egy lehetséges megoldást láthatsz eme topik második hozzászólásában.
Ez is tud csöngetni. Ha felveszed az egyik készülék kézibeszélőjét, addig csörög a másik, amíg 1.) fel nem veszik, 2.) le nem teszed a telefont. ( Ez működött, működik? az Abaligeti barlangban is...) (saját gyártmány
) Jó az újfajta, kis kínai készülékekhez is.
de nekem olyan kene hogy a hazbol a garazsig lehessen beszelnia tavolsag nem sok es ha lehet 9vos elemrol kene
És a telefonhoz csatlakozó vezetékeket hova kell kötni a telefonban?
lenne egy kérdésem egy régi matávos telefont üszekötöttem egy kijelzős sms-képes telefonnal a vezetékre rákötöttem egy adaptert mind a két telefon leadja a vonalhangot a gomboknak is van hangjuk de nem tudom hogy hogyan hívhatnák egymást. Várom az esetleges megoldásokat. Köszönöm.
Sehogy.
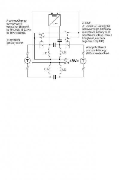
A csengetéshez 70V körüli váltófszültség kell.
ha megoldom a 70v feszültséget és felvezsem az egyik kagylót a másik kicsöng?
Mi lenne ha választ kapnék és nem a helyes írásomba kötnél bele!
Nem. Ha az összekötött két telefonkészülékre csengetőfeszültséget kapcsolsz, és felveszed az egyiket, jobb esetben a másik tovább cseng, már ha nem terhel be az a készülék, amit felvettél. Különben honnan is "tudja" a csengetőfeszültség, hogy mikor kell megszűnnie? Persze ha minkét készülék előtted van, akkor tudhatod mikor mit kell csinálni, de gondolom nem magaddal akarsz beszélgetni.
A csengetés az a kéthuzalos áramkör egyik jelzése, amit kezelni kell valamilyen központ pótló áramkörrel, még ha egy viszonylag egyszerűvel is. Amúgy nem árt, ha a többit is pótolod, pl. a vonaláramot. Ennek megléte jelzi a központpótlónak, hogy hívást kezdeményezel a mások készülék felé, és csengessen addíg, míg a másik készülék zárja a vonali hurkot. (vonaláram folyik) De mondhatnám a csengetésvisszhangot is, melynek akkor kell megszűnnie, mikor a hívott készülék beemel.
Nincs jelentős különbség a 2 illetve 4 eres telefonvezeték ára között.
Ha csak két készülékről van szó, akkor egyszerűbb (és bizonságosabb), ha külön csengetőáramkört alkalmazol. Például LEDet, vagy zümmögőt használhatsz.
Eljutottam oda hogy megtaláltam neten egy rayzot egy kéteres telefonkábel piros vezetékét elvágod és sorbakötöl egy 300 ohm-os resistor-t (narancs,fekete,barna a színjele) meg egy kb-10v-os adaptert és működik lehet telefonálni ha mind a kettőt felveszik mindegy hogy milyen sorrendben. De nem csörög.
Nem is fog csörögni, mert a csengetést a központnak kellene intéznie. Ezek a telefonok teljesen "buta" jószágok, csak annyit tudnak, hogy a két vezetéken oda-vissza tudj beszélni. A táplálásukra a 10V-nál több szokott kelleni, de inkább áramgenerátoros jellegű, illetve fojtótekercses táplálás kellene, mivel a hangfrekvencia a két vezetéken megy, és a kis belső ellenállású táplálás megöli azt, nem fogják hallani egymást a beszélők. A csöngetést megpróbálhatod egy 24V-os trafóval, azzal már szokott működni, de valóban 70V vagy még több kellene neki hivatalosan, ráadásul nem 50Hz-en, hanem 16-20Hz frekvencián.
Én kb. 20 éve csináltam egy nagyon primitív "központot" két készülék, pontosabban két telefonos modem közé, mert modemes kapcsolaton történő adatátvitelt kellett fejleszteni/tesztelni. A központi funkciókat egy mikrovezérlő valósította meg, de számos analóg áramkör is volt mellette (mindkét telefon felé vonali leválasztó, relé a csengetőfeszültség kapcsolására, áramérzékelés, ami a készülék felvett állapotát jelezte a mikrovezérlőnek). A cucc annyit tudott, hogy ha valamelyik oldal felemelte a készüléket, akkor a másik oldalon elkezdett csöngetni, majd amikor a másik oldal is felvett, akkor létrejött a kapcsolat. Semmi tárcsahang, csengetési visszhang, tárcsázásfigyelés és hasonló úri huncutságok nem voltak beépítve, mégis elég bonyolultra sikeredett a ketyere. Szóval nem olyan egyszerű ezt megvalósítani otthoni eszközökkel. Akkor már inkább nézni kell valami túrkálóban vagy vaterán egy házi telefonközpontot, pl. 1/4-eset, az mindent tud, ami két analóg telefon összekötéséhez kell. |
Bejelentkezés
Hirdetés |




Remélhetőleg nem lesz újra 7-8 napos áramszünet.



