Fórum témák
» Több friss téma |
Fórum » Feszültség változásra kapcsolás
Témaindító: almafa2003, idő: Szept 11, 2008
Témakörök:
Sziasztok, a segítségeteket szeretném kérni. Adott egy projektor, amink van egy trigger kienete (ha be van kapcsolva akkor 12 V jön folyamatosan), meg egy motoros vászon, aminek egy FEL meg egy LE kapcsolója. ezeket a gombokat csak 1 pillanatra kell megnyomni a működéshez. Azt szeretném, ha bekapcsolom a projektort, akkor a vászon lejöjjön, ha ki, akkor meg fel. Vagyis ha a trigger kimeneten a 0 ból 12V lesz akkor egy relé zár egy "pillanatra", ha 12V ból 0 volt jön be , akkor egy másik relé zár egy pillanatra. Tudva valaki segíteni ebben az egyszerűen hangzó témában ? Előre is köszönöm ...
én szo nélkül nekiálnék avrel megoldani alig kéne valami hozzá de nem feltétlen szükséges hozzá biztos lesz valaki nálam okosabb aki logikai ickel ad egy rajzot..
Végül is egy 12v-os relén akadhat nyitó és záróérintkező is. Így szerintem egy reléről megoldható a két motor vezérlése, egy-egy mikrokapcsolóval, pedig a végállásokat érzékeled, vagy teszel oda egy olyan kapcsolót ami mágnesre nyit(bocs nem tudom a nevét, most hirtelen), és ragasztasz egy-egy mágnescsíkot a vászonra a motorok kikapcsolásához...
Legegyszerűbb egy kettős monostabilt bekötni: egyiket fel- a másikat lefutó élre indítani.
Szia!
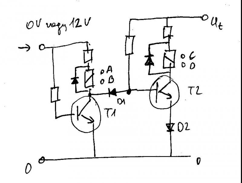
Én a mellékelt kapcsolást javasolnám a kívánt feladatra. Ez egy fél bistabil. A baloldali tranyó a projektor 12V-ját vagy 0 voltját kapja, a jobb oldali tranyó a saját tápfeszültséget. (Ez lehet akár 1,5 volt is, vagy annyi, amennyi a reléhez kell.) A 0 (föld) közös. A D2 dióda csak azért kell, hogy Tr2 le tudjon zárni, ha Tr1 nyit, hiszen ott van még egy D1 dióda is. Az ellenállásértékek a szokásosak. Azért jó lenne, ha egy szakember is megnézné a javaslatomat, mert nem teszteltem az elgondolásomat. (A ronda rajzért elnézést kérek.) Üdv: Göndör
Mi az, hogy fél bistabil? (=1 stabil
)Nem értetted meg a feladatot... Bekapcsolja a motyót, ami kiad ekkor 12V-ot egy kimenetre, ami addig ott van, míg ki nem kapcsolja. A vászonmozgatás impulzus bemenetű: egyik (nyomógomb) leereszti, a másik felhúzza. Tehát kell nekünk egy (LE) imp. a bekapcs-nál (megjön a 12V), egy másik pedig mikor "elmegy" a 12V. A Te rajzodnál, amíg van 12V, addig húz a bal relé, ha elmegy, akkor a jobb (oldali). (persze, ha van külön tápja, ami az én monostabilos áramkörömnek is kell!) A két dióda, meg a T2 tranyó felhúzója nem kell, helyette elég T2 bázisába 1k, mert a relén keresztül úgy is kinyit.
Lehet, hogy a nyomógombok nem igényelnek relét, mert csak vezérelnek? Ezt érdemes lenne kimérni, pl. a feszültséget, vagy hogy megnyomáskor mi is történik (mekkora áram folyik).
Utána kell a nem tudom mi, ami a fel és lefutó éleket okosan észreveszi, meg 1-1 monostabil. De javítsatok ki, ha tévednék, tiszta amatőr vagyok, csak azért próbálok segíteni, ha más nincs, ötlettel
Igazad van, valóban úgy értettem, hogy a relék működtetik a felhúzó-, illetve a leeresztő motorokat. Nem tudtam, hogy ezek impulzussal vezéreltek. Úgy gondoltam, hogy amikor a vászon leereszkedik, akkor egy érintkező megszakítja az áramkört, a relé azonban továbbra is behúzott állapotban marad a kikapcsolásig. Kikapcsolásnál ugyanez történne.
Nem értem viszont azt a megjegyzésed, hogy: "A két dióda, meg a T2 tranyó felhúzója nem kell, helyette elég T2 bázisába 1k, mert a relén keresztül úgy is kinyit." Ha az én általam elképzelt működést nézzük, vagyis ahogy te is írtad, amíg van 12 volt, addig az egyik relé húz be, amikor 0 volt van, akkor a másik. Ez esetben kell szerintem a 2.tranyó bázisára a felhúzóellenállás, mert különben honnan kapna áramot a bázis? A D1 dióda szerintem azért kell, hogy tr1 nyitásakor tr2 B-E diódája ne nyisson ki. Ha ezt rosszul gondolom, kérlek javíts ki!
Bocs lehet, hogy én kavartam be! Az eredeti kérdésben tényleg inpulzusokkal vezérelne, és nem érdekelné a motorok kikapcsolása, azt valószínűleg a vászon megoldja
Úgy ahogy rajzoltad, működik. Ha arra gondoltál, hogy T1 nem nyit ki annyira, hogy 0,5V alá menjen a kollektor (és ezért betettél egy diódát) akkor OK.
De: miért záróirányba? Így valóban kell az emitterbe egy másik dióda, mert nem tudna lezárni T2, ez igaz.Az emitterben lévő diódán eső fesz is csak veszteség, persze kis relénél ez nem gond. Ha a lezárás miatt aggódsz, kell egy ellenállás T2 B-E közé és T1 C-ről nyitóirányú diódval meghajtani - így is 1,4 körül fog nyitni és nem kell emitterköri dióda. A legtöbb esetben a rendesen meghajtott tranyó kollektorán nem marad 0,3...0,4V-nál több, tehát ha innen 1k-val hajtod T2-t, az biztosan zár, ha T1 nyit. Így egy dióda sem kell... T1 zárásakor pedig a kollektorköri relén és az 1k-n keresztül kap nyitást T2.
Nagyon szépen köszönöm MINDENKINEK a válaszokat!
Köszönöm, hogy időt áldozol a problémára. Első olvasásra nekem úgy tűnik, hogy az amit írtál az akkor igaz, ha a két tranzisztor közös tápról megy. De itt nem ez a helyzet. A projektor vagy 12V-ot ad, vagy 0V-ot! Amikor 0V-ot ad, akkor T2 bázisa szempontjából T1 szakadást jelent. D1 ilyenkor nem játszik. Ha a baloldali táp 12V-os, akkor a jobboldali táp feszültségétől és egy rakás ellenállás értékétől függ T2 munkapontjának beállítása, ezt a problémát egyszerűsítené szerintem a D1 dióda. És szerintem nincs záróirányban, mert T2 bázisának felhúzóellenállása, D1 és T1 C-E csatornája képezne egy bázisosztót T2 számára.
Most nincs elég időm elbabrálni a kapcsolással, csak késő este fogok ráérni. De addig is, ha van kedved, és nem untat a téma, örülnék, ha megírnád a véleményed ezekről a felvetésekről is. Ha sikerülne meggyőznöd igazadról/tévedésemről, abból biztosan sokat tanulhatnék. (De ez nem lesz ám olyan nagyon könnyű feladat számodra!) Üdv: Göndör Ui: Az első hozzászólásomban a "fél bistabil" arra utalt volna - tréfás nyelvi fordulattal -, hogy a bistabil m.v. két összekapcsolt invertáló tagból áll, itt pedig elég egy invertáló tag is.
Üdv.!
Ebben a kapcsolásban a 12V megjelenésekor a "Vászon LE" relé meghúz egy pillanatra, a 0V megjelenésekor pedig a "Vászon FEL" relé, szintén csak egy pillanatra. (A projektor kimenetét a kapcsoló helyére kell bekötni.) Bővebben: Kapcsolás Bár ez az áramkör saját tápellátást igényel. Tudni kellene hogy a projektor 12V-os kimenete mekkora terhelhetőségű, mert lehet hogy ha elég nagy akkor megoldható a tápellátás arról, akár a mostani rajzon egy egyszerű elkóval. De szerintem a projektor kimenete nagyon nem erre van kitalálva, ezért nem terhelhető. Üdv.: Attila
Hello!
Ezt még én is majdnem értem ![]() Írtam, de nem válaszoltatok, hogy relé nem feltétlenül kell. Ezt a kapcsolást lehet pl. optocsatolóval? Csak mert az szerintem sokkal olcsóbb meg kisebb is. (Bár én kis relét még csak képen láttam.) Ezen kívül talán a fogyasztás is kisebb lenne, ha jól sejtem.
Nem biztos hogy menne optocsatolóval.
Relével viszont biztos, hiszen a nyomógomb is galvanikus kapcsolatot biztosít. Lehet kapni pici REED reléket (jelfogók) is, azok egész picikék (DIL tokosak, úgy néznek ki mint egy IC) és nagyon keveset fogyasztanak.
"akkor igaz, ha a két tranzisztor közös tápról megy. De itt nem ez a helyzet"
Így van! Ez elkerülte a figyelmemet, hogy a T1 reléje is a vezérlő tápról húz... Persze ebben az esetben nincs felesleges alkatrész, Neked van igazad. A baj csak annyi, hogy nem impulzust ad (nyomógomb helyére kell), de Attila86 ezt is megoldotta két tranyóval. Attila: a saját táp semmiképp sem nélkülözhető, hiszen ha elbírja is a relét a vezérlőjel, akkor is annak megszűnése után kellene a másik relét húzatni. (Azért lehet bonyolítani: ha a vezérlőjel kimenet elbírja a relét, azt az impulzust biztos tudná egy pufferről is...) Idézet: „Attila: a saját táp semmiképp sem nélkülözhető, hiszen ha elbírja is a relét a vezérlőjel, akkor is annak megszűnése után kellene a másik relét húzatni. (Azért lehet bonyolítani: azt az impulzust biztos tudná egy pufferről is...)” Ezt írtam, hogy akár be lehet tenni egy kis elkót, mondjuk 100u. Ezt a relé árama gyorsan kisüti, utána meg valószínűleg a projektor kimenete nem tudja elég árammal ellátni a relét. Na de ez nem is baj, mert nekünk csak egy pillanatra kell berántani a relét. A 100u-s elkó meg feltöltődik az alig terhelhető projektorkimenetről is. De nem kell szerintem ezen agyalni, segédtáp kell és kész.
Nagyon köszönöm a válaszodat!
Az eredeti feladat, az impulzusos valóban más probléma. Így sajonos segíteni nem tudtam, de legalább megoldódott a segíteni-akarás közben létrehozott probléma. Ez most pont olyan volt, mint a házasság alaproblémája: "egy férfi és egy nő szövetsége olyan problémák megoldására, amelyek különben nem lennének". Én ezt még a kommunizmussal hallottam...
Szervusztok! Viszonylag műkedvelő láma vagyok és hasonló problémába ütköztem. nevesül ugyan az az alap probléma, csak negatív ráadot kapcsoló jelre egy rövid negatív impulzus kell (kb 1,5 s) majd a negatív eltávolítása után egy másik kimeneten egy szintén rövid negatív impulzusra volna szükségem. Lámaságom legyen a mentségemre, de nem tudom, hogy Attila86 kapcsolását hogyan is rajzoljam át. Köszi előre is minden segítséget :worship:
Hogy érted a negatívot? A GND-hez képest negatív a fesz (impulzus), vagy egy pozitív fesz megy le GND-re?
Ha testet értesz negatív alatt, akkor próbáld meg a következőt Atilla86 rajzával:
- a jobb oldala jó ahogy van - a bal oldalon a 100 ohm helyére rövidzár, a 100 a kondival sorba a bázisról a tápra, a bemenet a bázisra Így ha van test, akkor a pnp nyit a kondin keresztül 1 pillanatra, az npn kondija feltöltődik, amikor a test elmegy, akkor a kondi kisül a tranyóra, az egy pillanatra kinyit... A relékkel párhuzamosan illik rakni egy diódát záróirányba... Üdv Inhouse
Köszi a válaszotokat, Sebi, Inhouse megoldása jó a számomra. Igazad van nem voltam elég egyértelmű. Inhouse:
Egy kis észrevétel:
HE Autóriasztó és központi zár Én csak hozzáigazítottam az igényedhez, Attila rajzát. Ha kész lesz és működik, akkor az is jöhet majd ide, ha gond van, akkor meg segítünk, ha tudunk! Üdv Inhouse
Hi, nekem is hasonló gondom akadt. Én azt szerettem volna elérni, hogy amikor kikapcsol a gépem, kapcsolja ki a Hifi-t is, aminek ilyen nyomógombos kapcsolója van.
Ehhez terveztem egy egyszerű kapcsolást, hátha segít valakinek még. ![]() Üdv.: N. Gábor |
Bejelentkezés
Hirdetés |






)
