Fórum témák
» Több friss téma |
Hali!
Tudja valaki, hogy a Si9986 helyett lehet-e MC34152-t motormeghajtóként használni? Szerintem ugyanaz pepitában, csak harmadába kerül... És nem látok védődiódákat a kimeneten. Dekódert tervezgetek, és más 8lábú smd ic-t nem nagyon tudok a célra.
Nem tudom mennyi ugyan a si9986, de én IRF7309-et használtam. Az MC szerintem nem jó ide, mivel az fet meghajtó, nem meghajtó fet
Ebben lehet valami... Csak az 1.5A "Totem Pole Outputs" fogott meg, de igazából az angol tudásommal (is) lehet a gond
Pedig jó ötletnek tűnt...Köszi!
Nézegettem az IRF7309-et, ezzel csak az a bajom, hogy így nem fog összejönni a max.14x14mm-es méret, mivel kettő kell belőle. Az Si9986 1 tokban megoldja, csak 3 Euró felett van darabja, és ráadásul csak a Farnellnél láttam.
Bár megint elbizonytalanodtam,mert az MC34152 az adatlapja alapján ilyet is tud:
Hát ki kell próbálni, hogy jó-e. Vagy lehet még L272 -vel is próbálkozni. (nálam H0 mozdonyt nem birta)
Helo.
nekem az L272D bejott igaz TT ben kb 400mA terheléssel. lecsiszoltam és lett belole so8 as tokozás. még az egyenirányito hid is 4x4mm.siemens telefonkészulékbol bányásztam ki.
Végigolvastam az MC34152 adatlapot (bocsi, előbb kellett volna), nos a belső ellenállása a kimenetnél 2.4Ohm, amit még elvisel a tok az meg 0,56W... Ha jól számolom 500mA-t meghajtva is több, mint 1W disszipálódik, szóval ez tényleg bukva. Az L272 nem szimpi, már építgettem vele más témában, de túl hamar feladta.
A ZXMHC3A01T8 remek ötlet, szerintem ezzel próbálkozom tovább. Köszi az ötleteket!
Alkottam tegnap egy új boostert. Ezúttal erősebb tranzisztorokkal. (TIP41-42 + BC327/337 ) Komplementer darlington kapcsolással, hogy minnél kevesebb fesz. essen a tranyókon. Mondjuk a meghajtás viszont nyeli a miliampereket rendesen. Kicsit alul is lett méretezve a 33 Ohm / 5W bázis ellenállás, ugyanis ha nem kap jelet, akkor 7W körül fűt. Ami ha van jel ugye eloszlik a másik oldali ellenállással. Sajna muszáj kb 300mA el meghajtani, mivel elég alacsony a bétája ezeknek a tranyóknak. Kicsit félek még a szimulátorban mutatkozó átlövésektől. (polaritás váltáskor még nem zár le az egyik oldal, de már nyit a másik, és ilyenkor átvezetnek a tranzisztorok) De majd hétvégén kiderül hogy működik. Emelt feszültségű, 16.5V -os PC tápról fog menni. Amiben kicseréltem a kondikat 25V osra, és a visszacsatolás is a 12V os körről megy.
Helo!
Én a merg féle boostert szerettem volna használni ami egybe van építve a vezérlovel a FETes verzio. hát nem sok sikerrel.Ugyanaz a probléma,uresen is 300mA-t kostol. Inkább elfelejtettem. De a nanoX boostere kiváloan mukodik TIP132/137 tranzisztorokkal. Minap elokerult egy nyák amin 2S tranzistoros híd van azt is kiprobálom. A gyerekeknek most készulnek a Simplemausok végleges változatai.A Minimaus kiváloan mukodik.A Zimo MX640 hangdekodert kisujjábol kezeli, CV írás olvasás PoM modban 999 ig. Nagyon jo választás volt megépíteni.
Ma megnéztem szkóppal is a boostert, miután kipróbáltuk. Sajna eléggé melegszenek a bordák, látszanak is a szkópon az áram tüskék. Nem is gondoltam volna hogy a szimuláció ennyire jól közelíti a valóságot. De már készül a 0.2 -es verzió. Az már elvileg átlövés mentes lessz.
hmmm....Zimo MX640..az a H0-ás hangos dekó...olyanra akarom lecserélni az ESU Loksound-jaimat
mi a véleményed a 640-ről és hol vetted? ára?
A MX640 itt szlovákiában az Artol cég forgalmazza.
A tulaj Gábor egy borzén adta át nekem. A véleményem a dekoderrol: Király!!!!! eleve 3 gozos és a BR 218as van benne gyárilag. de baráti alapon bármi tobbi hangot belejátszanak. ugyanis kulon progi és programozo van hozzá. átszámítva 24000,- forint. én azt nem fogom megvenni. egyébként azért esett rá a választásom, mert tudja az ABC-t amire a terepasztalom automatikáját alapozom, hát és a hangja na azt aztán csodás hallgatni. ára kb 22400,- forint.
Sziasztok!
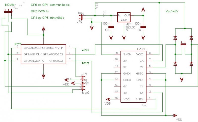
PIKO modellvasútból próbálok (digitális vasutat) csinálni. Szeretnék mozdonyba építhető áramkört csinálni, melyben egy 12F683 miki és vmi full-bridge IC lenne (kipróbáltam az L298-at, de túl nagy; Multiwatt 15 - szeretnék kísérletezni az L293N-nel, ez DIP16-os) Nos. Ismeri-e valamelyiktek az L293-at? Az a bajom, hogy "elvileg" ennek az IC-nek kétirányú FBR üzemmódban 2 db PWM bemenőjel (előre vagy hátra), és egy engedélyező jel kell. A 12F683-nak csak egy PWM kimenőjele van, de a szabad portok miatt tudnék adni 2 db logikai jelet: előre, hátra. Azt szeretném megtudni, hogy kapcsolhatok-e kb. 100 Hz PWM jelet az engedélyező bemenetre? Ekkor a bemeneteket állítanám 1/0-ra vagy 0/1-re, és a tényleges "kapcsoló jel", ami a mozdonymotort forgásra bírja, az EN csatira menne. Mi a véleményetek? fejesg
Én kettő ilyennel csináltam H-hidat:
Bővebben: Link Olcsó, egyben egy P és egy N csatornás FET. Egy H-Hídhoz kettő kell.
Szia Topi!
Köszi a gyors választ. Kár, hogy csak SMD szerelt tokozásban van (furatszerelteket csinálgatok), nem baj, csinálok hozzá "hibrid" nyákot... Üdv: fejesg
Köszi a választ! A spec alapján én is úgy gondoltam, hogy nagyon jók...
...mint írtam nekem Loksound 3.5-ök vannak, mik nagyon jók, de nem tudják az ABC-t...nekem is azért kell Könnyen beférnek H0-ás mozdonyokba?
Hát nem is tudom!?!?!
Persze, hogy befér!!!!!!!! én TT-ben utazom és nem volt gond betenni egy Nohabba. Persze a Hektorba már nem fért vlona bele. További jo hangoskodást!!!!!! Milyen rendszered van? Roco ,Lenz?
szia,
van 3 ROCO LM2-höz való központ, egy LM2 egér, meg egy LENZ SET100. A ROCO-kat használtam vettem, most már 8-10k között kompletten lehet kapni...a plusz központok meg boosternek vannak átalakítva. Aztán kinőttem őket és jött a LENZ. A rendszert a LENZ fogja vezérli. Az eszközdekódereket magam gyártom, saját fejlesztés NMRA DCC szerint működik mindennel (LENZ, ROCO)..ehhez megtanultam a PIC programozást...de mint őskövületnek (commodor 64-en kezdtem az assemblert) ez nem okozott nehézséget ![]() Azt tervezem, hogy egy a nagyvasúthoz hasonló biztbert csinálok, ami védi a különböző szakaszokat, és a szerelvények PONT(!) a jelző előtt állnak meg...ehhez a fix fékút opciót fogom használni, ami szintén a ZIMO egyik nagy előnye... PC-s vezérlést még nem tudom, hogy megcsinálom-e, habár megvan hozzá a LENZ/PC összekapcsoló és a TrainController 5.5.---valahogy ez a szgépes vezérlés elveszi a vonatozás élményét... Azt, hogy befér-e, azért kérdeztem, mert sok a nagy gőzösöm (br01.001, 42,52,..stb) ROCO és LILIPUT gyártmányok, de a hangdekóderek jelenleg csak a szerkocsiban férnek el, de ott is nagyon nehezen...
Ó, ez érdekesen hangzik. A dekóder progi az saját fejlesztés ? Milyen nyelven készült és milyen PIC -en fut ?
Szia,
Igen, az elején egy kolléga segített, de már átírtam szinte mindent, .ASM-ben készült, lévén, hogy itt a gyorsaság a legfontosabb (56 vagy 112 us a négyszög frekvenciája, ez adja meg, hogy 1 vagy 0 jött-e)...a többi már gyerekjáték, hiszen a bitsorozatokat az NMRA DCC szabvány alapján lehet megfejteni...premble, cím, parancs, xor error byte...legalábbis ilyen a basic packett... A pic jelenleg 18F1320, de váltani akarom egy többlábúra, mert 8 (4 pár) kimenet helyet 16 (8 pár) kellene...így olcsóbb lenne az egy kimenetre jutó költség... Ebben elkelne egy kis segítség a PIC típusát illetően...ULN2803 a kimeneti kapcsoló IC, ezt is lehetne helyettesíteni
Szia.
minden a netrol csináld magad verziok Nekem van egy NanoX nevu kozpontom, egy MiniMaus kézivezérlo, hasonlo a Multimaushoz ez az enyém 2 Simplemaus ami hasonlo a LM2-hoz ezek a gyerekeké a boosterek is saját készítésuek semmi extra dolog,a nanox boostere kulon megcsinálva nyákon és amilyen tranyo volt otthon olyat tettem bele a legerosebb 12A-t tud ,zárlatvédelem ,fázisváltás persze pic nélkul, TTL IC-k segítségével, igy hát a hurokban és fordítokorongon simán használhato. a nagyvasuti bizbert én is csinálok pont azért vettem Zimokat meg egy szilvert ,( féláron vettem ). funkciodekoderen nem is gondolkodom mert halom van a neten 4 páros és 8 páros is. HELO
Én C ben tervezek írni egyszer egy dekódert. Csak a kihívás miatt. Szerintem nem lehetetlen. Meg azon filóztam, hogy hangot csinálni generálással. Tehát nem külön eepromban lennének hangminták, hanem on the fly generálni. Ez nyilván nem lesz közel se valósághű, de némi zaj lesz legalább. De ezek még csak távoli ködös álmok.
Hangot? Szép feladat...
Habár volt régebben egy progim, ami a VC1541-es Commodore floppy disk meghajtó fejét úgy vezérelte, hogy az a boci-boci-tarka dallamát rezegte ![]() (ezzel persze hamar tönkre lehetett tenni)
És miért is 'C'?
Az ASM sokkal egyszerűbb, mert azt gyárilag leírják a PIC doksiban...kevés regiszter, kevés parancs A gyorsabb fejlesztés érdekében írtam pár makrót is (műveletiek)
Mert imádom azt a nyelvet. Szép, áttekinthető forrásokat lehet írni benne. A hang részt pedig egy pici hangszóróval képzeltem, nem a motorral szeretnék hangot kiadni.
"nem a motorral szeretnék hangot kiadni"
nem sértésnek szántam...csak érdekességként említettem... --- A C nem lesz lassú a us-ek mérésére? Mert az interpreter a fordítás során nem a legrövidebb/legideálisabb kódot készíti...szerintem...és ez a pontos időzítéseknél esetleg okozhat gondot (nem tényként mondom, csak gondolkodom)...
Nem sértődtem meg emiatt, csak azthittem arra gondolsz. Motorral hangot kiadni, miközben még hajtja is a mozdonyt, na az télleg kihívás lenne a javáből
A C az fordítós nyelv, nem interpretált. Tehát végülis asm lesz belőle fordítás után. Legrosszabb esetben kb 10-20% al lehet lassabb egy agyonoptimalizált asm kódtól. Az időzítést irq val oldanám meg, nem pedig az utasítások idejének kiszámolásával. De bővebben nem tudok még mondani erről, mert még nem álltam neki ennek. Előállítani dcc jelet sikerült már, készül a parancsközpont. Az is C ben van írva, igaz 20Mhz es 16F877 el.
Szia
Én 8 párost nem lelek sehol...tudsz segíteni linkben? |
Bejelentkezés
Hirdetés |




Pedig jó ötletnek tűnt...










