Fórum témák
» Több friss téma |
- Ez a felület kizárólag, az elektronikában kezdők kérdéseinek van fenntartva és nem elfelejtve, hogy hobbielektronika a fórumunk!
- Ami tehát azt jelenti, hogy a nagymama bevásárlását nem itt beszéljük meg, ill. ez nem üzenőfal! - Kerülendő az olyan kérdés, amit egy másik meglévő (több mint 17000 van), témában kellene kitárgyalni! - És végül büntetés terhe mellett kerülendő az MSN és egyéb szleng, a magyar helyesírás mellőzése, beleértve a mondateleji nagybetűket is!
Nem ez egy sima izzó, tuti nem halogén
ez az izzójó h tegnap éjfélkor raktam be a kisebb izzót(50mA) és azzal simán ment.... EZT építem meg, csak a ledek helyett izzók vannak, a két ellenállás után meg egy poti van amivel a villogás sebességét lehet szabályozni (2 ell. é s a táp között van a poti) Köszi a válaszokat!
A BC182 100 mA körül bír, hol láttál 800-at?
Hello!
- Mérd meg az izzó ellenllását hidegen (műszerrel) - Számítsd ki az áramot ilyenkor majd bekapcsoláskor - Nézd meg, hogy mekkora bétára lehet számítani ekkora kollektoráramnál. - Számítsd ki hozzá a bázisellenállást, és vesd össze a 10kohm-al. üdv! proli007
A 2N2219 az igen, az 547 megint csak 100 mA körüli.
Ahhoz, hogy elég nagy áram mehessen át az izzódon (előtétellenállást ugye nem tettél elé?), 200-as áramerősítést feltételezve 4.7 kOhm bázisellenállás kellene, de hogy a frekvencia ne nagyon változzon, meg kéne duplázni a kondik értékét. Próbáld ki így, és ha megy, meg lehet kísérelni a bázisellenállás növelését.
Üdv
Van pár LED sorom sorba kötve, amiket szeretnék párhuztamosan kötni. (Tehát 4db 5 LED-es 1db 6 LED-es és 1db 1 LED-es) A közös pontjuk a + és az elektronikám a földre húzná őket. De valamiért ha a 6db-os vagy az 1db-os a földre van húzva, akkor a többi nem világít. Tehát ha az 1 db LED és az 5db LED is a kapja a (+)ot és (-)ot akkor csak a 1db LED világít. Miért van ez? ÉS hogy lehet őket úgy párhuzamosan kötni hogy mind menjen? Köszi
Az izzó ellenállás hidegen kb 1 ohm, ekkor 5 volton 5 amper folyna????lehet h ezért nem megy?
5 amperes tranyó kellene hozzá h fel tudjon izzani?
Szerintem rosszul mérted azt az 1 ohm -ot...
kis ellenállást eléggé nehéz pontosan mérni....de megoldom másképp, szabvány ledes astabil mv, és az vezérli majd az izmosabb tranyókat, amik elbírják az izzókat
Hello!
Van egy kezdő kérdésem. (meglepő...) Most kezdtem erősítőkkel foglalkozni, és nem értem hogy hogyan lehet a hangerejüket szabájozni. Első tippem a bemenő jel erőssége lenne, második a tápfesz változtatása, de az nagyon macerás. Elég hatékony az ha a bemenőjel erősségét változtatgatom? Üdv
Sziasztok!
Megkérhetnék valakit, hogy töltse le az alábbi linken lévő adatlapot és ide linkelje be magát a pdf file-t, mert már nem először fordult elő, hogy valami miatt nálam nem működik jól az oldal ésnem érem el az adatlapokat. Előre is köszönöm! Bővebben: Link Először ezt írja: Click Here View 74LS191 Datasheet Oké, rámegyek, és bejön egy új ablakban a következő: Your require pages is cannot open by blow Reason : Connect this pages through directly deep link Ezen az oldalon meg van egy gomb, hogy If you want view datasheet, click to here! Rámegyek, erre új oldalon bejön amit először írtam, hogy Click here... és így ez egy nagy körforgás...
A tápfeszt nem szokták változtatni, sőt nem is szabad!
Szerintem a kimenő hangjelet változtasd és ne a bemenőt.
A kimenőt hogyan lehet? Erre kíváncsi lennék!
Vak segít világtalant.
Bemenő jelet kell szabályozni, feszosztóként bekötött potméterrel.
Igen, tudom, hogy hogyan kell, azért mondtam, hogy nálam nem jönm be... Iskolában, haveroknál, mindenütt gond nélkül megtudom tekinteni az adatlaopkat, de itthon valami miatt nem sikerül.
Már megszereztem, osztálytársamat megkértem rá.
Sziasztok!
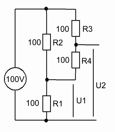
Eléggé amatőr kérdésem lenne. Egy ilyen feladatot h kellene megcsinálni: Bővebben: Link U1,U2 a kérdés. Valaki le tudná vezetni nekem?? Már ott elakadok h az R-ek egymáshoz képest hogyan vannak kapcsolva. Kösz előre is!
Valaki legyen jófej velem! Szóval kellene egy olyan szerkezet, amiről én azt gondolom, hogy feszültségosztó... Annyit kellene tudnia, hogy 15V-ból 5V legyen, vagyis harmadolja a feszültéget a kimeneten. Ez a feszültségosztó, ami ellenállásokból épül fel? Valaki, ha szánna rá egy röpke rajzot és egy két képletet, hogy megértsem. Igazából egy egyértelmű példára lenne szükségem. Ha sok, akkor csapjatok agyon
Hello!
Az alsó három ellenállásból, csilag-delta átalakítást kell végezni. Azután mát csak egy párhuzamos ellenállást és egy feszültségosztót kell számolni. Itt megtalálod üdv! proli007
Úgy gondoltam, hogy ha a bemeneten csökken a feszültség, akkor a kimeneten is arányosan csökken a feszültség.
1.) pl: Ube=15V, Uki=5V 2.) pl: Ube=12V, Uki=4V 3.) pl: Ube=09V, Uki=3V 4.) stb...
Hello!
Természetesen ez így van. Feszosztó: Uki=Ube*(R1/R1+R2) R1: Az alsó ellenállás, amiről a feszültséget leveszed. R2 a felsőellenállás, amin a bemeneti és kimeneti feszültségek különbsége van. Tekintve, hogy a két ellenállás sorba van kötve, az átfolyó áram közös. A rajtuk eső feszültséget az ellenállások aránya határozza meg. üdv! proli007
Köszi! Írtam egy csomó féle választ, csak a karbantartás miatt nem ment fel. Még annyi kérdésem lenne, ha volt-ban számolok, akkor ellenállásra ohm-ot kell kapnom? (nem kiló ohm-ot és társait).
Szia!
Minek csillag-delta? Egyszerű feszültségosztó!
Szóval akkor ez két feszültség osztó egyben, ha már az én témám is ide passzol...legalábbis én úgy látom, hogy erről van szó.
Szia!
Arra figyelj, hogy ha terheled a feszültségosztót a terhelés ellenállása beleszámít a vele párhuzamosan lévő ellenállásáéba!
Arra jó, hogy egy PIC A/D bemetén akkufeszültséget nézzek. Vagy nem?
Eltudnád magyarázni h hogyan kell ezt így átalakítani?
Átalakítottuk mi ilyenre: Bővebben: Link de egyáltalán nem tudom h ez hogyan lett így. Kösz! |
Bejelentkezés
Hirdetés |










