Fórum témák
» Több friss téma |
- Ez a felület kizárólag, az elektronikában kezdők kérdéseinek van fenntartva és nem elfelejtve, hogy hobbielektronika a fórumunk!
- Ami tehát azt jelenti, hogy a nagymama bevásárlását nem itt beszéljük meg, ill. ez nem üzenőfal! - Kerülendő az olyan kérdés, amit egy másik meglévő (több mint 17000 van), témában kellene kitárgyalni! - És végül büntetés terhe mellett kerülendő az MSN és egyéb szleng, a magyar helyesírás mellőzése, beleértve a mondateleji nagybetűket is!
???
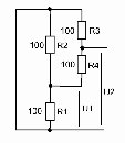
Semmit nem csináltam, csak az ellenállások helyzetét átrajzoltam függőlegesre!
Az R3-R4 párhuzamosan van kötve az R2-vel, és ez az égész pedig sorba az R1-el.
Tanár ahol "mérjük" az U2-t berajzolt szaggatottan egy Rbe ellenállást és ezt írta fel.
Rbe=[(R2xR1)+R4]xR3
Először így alakította:
Bővebben: Link majd utána így: Bővebben: Link Nem értettem azért kérdeztem itt rá.
Természetesen mivel a feszültséggenerátor belső ellenállása 0, ezért az R1 R2 párhuzamosan van kötve ezzel sorba az R4, és az egésszel párhuzamosan az R3.
Az átrajzolások jók, én azért rajzoltam át függőlegesre az összes ellenállást mert szerintem úgy jobban átlátható!
Bocs, de nem értem.
Szerk //Most akkor nem jó ahogy te átrajzoltad? Pontosan milyen szerepet is játszik az h a feszgen belső ellenállása 0? Miért lesz az R1 R2 párhuzamos, a rajzodon sorban van kapcsolva ?
A feszültség generátor belső ellenállása 0, tehát olyan mintha egy vezetékkel átkötnéd a két végét!
Még most is sorosan látod?
Hát nem tudom, én nagyon hülye vagyok ehhez de én még mindig úgy látom h az R3 R4 egymással sorosan,ez van bekötve párhuzamosan az R2-vel,és az R2 soros az R1-el.
Nem azt kell nézni hogy vannak rajzolva, hanem hogy vannak kötve!
Az R1 felső vége össze van kötve az R2 alsó végével. Az R1 alsó vége össze van kötve az R2 felső végével. Hasonlítsd össze a két rajzot!
Így okés, csak akkor nem értem h ezt akkor mire írtad:
Az R3-R4 párhuzamosan van kötve az R2-vel, és ez az égész pedig sorba az R1-el. De azt továbbra sem látom h az R4 ezzel sorban lenne majd az R3 párhuzamosan. Nagy bajom h nagyon nehezem látom át a kapcsolásokat,pedig ez a példa még a tárgy elején volt,de azóta sem értem. Pedig megcsináltam a tárgyat igaz nagy nehezen 2sre, voltak is nehezebbek mint szinuszos áramú hálózatok,Bode-diagramm,Periodikus-áramú hálózatok,Spektrum módszer,Laplace transzformáció,távvezetékek.... Mostani félévben tranzisztorok, bár az is megérne egy misét, fel sem merem tenni abból a kérdéseimet ![]() Munkapont-beállítás,FE erősítők,tranz. lineáris helyettesító áramkör munkapont körüli kisjelű változásokra,Hybrid paraméterek,differenciál erősítő....
Szevasztok!
Az LM317T TO-220-as tokozásu szabályozó IC-nek a lábkiosztását azt úgy mutatják, hogy az IC nekem háttal van?
Nem használsz "véletlenül" valamilyen tűzfalat? Mert például a Kerio-nál ha be van kapcsolva a webszűrés, az megakadályozhatja a pdf letöltését.
Szia!
De, igen a Zone Alarm-ban bevannak ilyen szűrések pipálva, hogy ne jelenjenek meg a hírdetések, bannerek pop-up ablakok, stb... De volt egy idő, hogy működött nálam is és úgy gondolta, hogy egyik apról a másikra nem jön be. Ha teljesen kikapcsolom a tűzfalat, akkor sem jön be. Véglis mindegy, mert nem használom én azt az oldalt olyan sokat, amikor meg kell, valaki mindig tud segíteni. /Amúgy köszi a javaslatot, tippet/
Hát pedig ezek az alapok ezt meg kell tanulni, mert ha az alapokkal nem vagy tisztába nagyon nehezen látod majd át az áramkörök működését!
Idézet: „csak akkor nem értem h ezt akkor mire írtad: Az R3-R4 párhuzamosan van kötve az R2-vel, és ez az égész pedig sorba az R1-el.” Az R3 sorba van kötve az R4-el. Kettőjük soros eredője párhuzamosan van kötve az R2-vel. És innentől kezdve zavaros a dolog! Az eredeti kérdésed az volt, hogy mennyi az U1 és U2. Ez pedig egyszerű feszültségosztás és kész. Utána viszont az U2 felől akarod meghatározni a hálózat belső ellenállását! Ekkor viszont a feszültség generátor belső ellenállása 0, ezért rajzolta át a tanárod az áramkört!
Ismét Hozzátok fordulok!
Az astabil multivibrátorral foglalatoskodom még mindig. Összeraktam leddel. A led és a tranyó között egy ellenállással(910 ohm) meghajtom egy nagyobb tranyó bázisát, ami egy izzót kapcsol. A jelenség sztem egyértelmű a videón. Amikor az egyik tarnzisztor kapcsol akkor az azon lévő izzó világít viszont a másikon lévő led fényesebben világít. Gondolom eléggé beterhel még így is nagyobb tranyó. Mit lehet tenni, h mindig az azonol oldalon lévő lámpák világítsanak?
Sziasztok!
Van egy 125W-os (12V) UV lámpám és ma szereztem egy 200W-os AT PC tápot. Rákötöttem a 12V-os kivezetésre (fekete-sárga) és nem történt semmi. Próbáltam fordított polaritással is, de úgy sem ment. Egy sima kis trafóval már próbáltam, csak az nem bírta és csak nagyon gyengén világított. Miért nem világít a PC táppal? Pedig kimértem a táp vezetékeit is, terheletlenül kb 13V jött. Tudnátok tanácsot adni? Köszi és üdv.
Szia!
Az AT tápnak az 5V-os részét le kell terhelni különben leáll. De nézd meg a 12V-os ág terhelhetőségét, nem biztos hogy tud 10A-t.
Szvsz ne is reméld, h meghajtja a pc táp a 125 w-os lámpát....több mint 10 amperes táp kell hozzá.
Talán egy nagyteljesítményű pc táppal menne.... A helyedben nem pc táppal próbálkoznék, hanem labortáppal, egy jó izmossal. Nincs meg a lámpa meghajtó áramköre?
Megvana tápnál szerintem a 10A.
Ami az én gépembe van táp(igaz nem AT)17A t tud leadni a+12v os kimenetén.
Nincs hozzá elektronikám sajnos és külön táp kell neki, nem labortáppal akarom működtetni...
Most kicsit elbizonytalanodtam, nem ismerem annyira a PC tápokat... A színek gondolom szabvány szerint vannak kötve. Szóval egy olyan csatlakozót vágtam le, mint ami mondjuk a CD meghajtóhoz is kell... Annál a fekete és a sárga vezetéket használtam. Ez így jó, ugye? Mert a piros az 5V.
Igen a fekete a föld, a sérga a +12 v.
Én azért nem vagyok benne biztos, hogy bírja a táp a 10-ampert. de nem tudom...... Vki tud segíteni nekem is a multivibrátornál?
Egyébként az izzónak melyik részére kell kötni a pozitívot? Az aljára, vagy az oldalára? Mert váltóáramnál mindegy, de egyenáramnál nem tudom, hogy hogyan illik bekötni.
Sajnos akkor gyenge a táp, mert különben világítania kellett volna...
Szia!
Próbáld ki így! A lényeg, hogy a tranzisztor PNP darlington legyen!
Váltónál a végére szokták a fázist.
Ez bennem így nem fogalmazódott meg, de szerintem a + legyen a vége, a foglalat a -. Bár szerintem inkább egyenáramnál mindegy, mint a váltóáramnál.
Nos reagálnák a Toshiba 47P443VN az egy microkontroller és nekem van hozzá programozóm és programom is, sőt Bin.-em több fajta (kávéfőzőhöz) Sziasztok!...
Nem!
Ha az AT táp 5V-jára nem kötsz valami terhelést leáll! Legalább tegyél rá egy 6V 10W-os izzót, utána próbáld rá a nagy izzót! De a régi AT tápok általában 12V-on csak 3-5A-t birtak.
Inkább a teljesítménnyel lesz a baj, mert műszerrel lehetett a 12-13V-ot mérni a kimeneten...
Üresjáratban meg is van, de ha terheled, és nincs terhelve az 5V-os ág leáll!
Szerintem az izzónál teljesen mindegy hova kötöd a wolframnak mindegy mere folyik az áram mindkét irányba felizzik.Legalábbis én soha nem külömböztettem meg a + és a - t
|
Bejelentkezés
Hirdetés |














