Fórum témák
» Több friss téma |
Mondjuk tőlem
Küldj egy mailt az email címemre, és megoldjuk.
Be tud valaki linkelni egy LM371 el megépített áramgenerátort ami 150 és 250 mA közötti áramot tud szolgáltatni a lézernek?
Csak mert nem tudom mekkora a lézer led ellenállása, amihez méretezem a potit az LM317 hez. köszi
Na nem mondok semmit
tudom szupepés a király. de ahoz sok alkatrész kell....
és egy kis pointernek nem akarom hogy nagy legyen
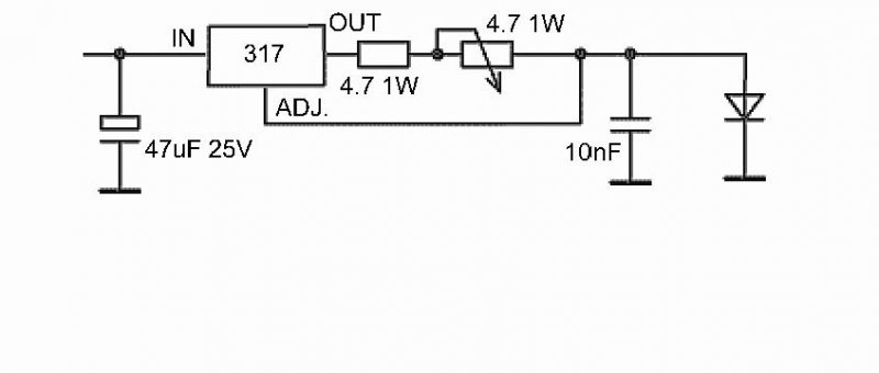
LM 317-ben adjust és az out közé kell egy megfelelő ellenállás, és az adjust a kimenet. Kipróbáltam, 10 ohm esetén a lézerdiódán (és nem lézer led!) 125mA folyik. Szóval ennél kisebb kell.
Szia!
Itt van! Először Műszerrel mérd meg a kimenő áramot!
tudom hogy lézer dióda, csak elírtam.
az 47µF os? nem 4.7? (csak mert 47 esről még nem hallottam
de lehet hogy az én agyam hagy ki. leszimulálom ISIS ben, ha a dióda helyére ampermérőt kötök az úgy jó? bár akkor a rövidzárási áramot mérem.amúgy a rajzon jelölt dióda a lézer dióda? ha annak helyére bekötök a szimulációban egy ampermérőt akkor 133mA tól 266mA ig tudom változtatni ha 6V a táp, ha 3.6 V akkor is. KIRÁLY már csak az a kérdés lehet e kapni ilyen alkatrészeket. mondjuk a 4.7 ohmos potitól félek hogy nem. vagy igen? esküszöm, sosem kértem még ilyen kis potit.Köszi amúgy hogy segítesz.
Szia!
A kondenzátor értéke annyira nem lényeges, de van 47mikrós kondi! Ha jó az áramgenerátorod, a rövidzárási áram megegyezik az "üzemi" árammal!
amúgy a kondi lényeges bele? (próbáljam ki. hülye kérdés.
)kipróbáltam. megy nélküle is. (a szimulációban legalábbis) csatoltam, ha esetleg valakinek kellene. Proteus ISIS file észrevettem egy bibit az ISIS ben: ha elem (battery) a táp, akkor felzabálja a procit (2x2GHz, és a szó szoros értelmében ÁLL a szimuláció, és a potit ha mozgatom, ugyan mozog, de nem tudja leszimulálni a változást. ellenben ha "power" a táp akkor 1% prociterheléssel is megelégszik, és megy prímán ![]() LOL
itt a "power" es ISIS szimuláció, ha kell valakinek
A kondi tápfesz szűrést végez, a rajzra nem rajzoltam, de a 317 elé is érdemes rakni egy 100-470nF-os kondit, nem jó dolog, ha esetleg begerjed az áramgenerátor!
Elvben megy nélküle, de a gyakorlatban kell!
ok. értem. nem halok bele abba a 10-20 ft ba.
mit értesz az alatt, hogy begerjed? mármint hogy elé? sorosan vagy párhuzamosan?
Szia!
A bemenetre, az elkóval párhuzamosan, minél közelebb az IC-hez! Ha a szabályzóra nagyfrekvenciás jel kerül azt is megpróbálja leszabályozni, de mivel nem tud olyan gyorsan beavatkozni, elég furcsa belengéseket tud ilyenkor produkálni! Ezért kell az IC be- és kimenetét kondival hidegíteni! (ez elég pongyola lett!)
Így jó? (csatoltam)
amúgy kell az az 1W os ellenállás meg poti? nem jó a 0,25W os?
Igen!
Ha a potit rövidezárod a 4,7 ohmos ellenálláson 1.25V lesz! A teljesítmény rajta: P=U*U/R=1.25V*1.25V/4.7ohm=0.33W A 0.25W-os kicsi lesz oda, és mivel áramgenerátor lesz, a teljesítmény állandóan ekkora lesz, nem árt kicsit felülméretezni(min. 0.6W)!
oksa.
van egy ilyen:TL4242 - Adjustable LED Driver ez 500mA is tud szabályozni. ez jó lenne lézerhez? bár LM317 az már megvan, már csak ellenállás kell, akkor nem kell újabb alkatrészt beszerezni. Ez ilyen üres eszmefuttatás volt
Igen használható!
Ugyanolyan elven működik mint a 317, csak kisebb a referencia feszültsége, és mivel led meghajtásra tervezték többet tud!
érdemes vele próbálkozni? csak mert 317 már van. és ilyen TL4242 t meg rendelni kell.
Attól függ, menyibe kerül!
Kérdés, hogy az extra szolgáltatásokra van -e szükséged.
sampleban ingyen van. most jöhettek, hogy a sample így sample úgy. de akkor mire van a sample ha nem arra, hogy rendeljünk próbálni? jelen esetben ez a TL4242 NEM KAPHATÓ MAGYARORSZÁGON. Tehát itt lép a képbe a sample célja.
Amúgy ez jó arra is, hogy bekötni TTL kimenetre, hogy ne húzza le nagyon simán a led szegény kimenetet?
Ez inkább világítási célra van kifejlesztve.
értem.
ez amúgy miben tud többet a 317 től?
Van PWM bemenete, amin keresztül pl. egy PIC-el szabályozni lehet a fényerőt.
az egyelőre nem kell. akkor marad a 317.
Lécci ne fikázzatok, beismerem, hogy nagyon kezdő vagyok, és kétségbe vagyok esve.
Azt hittem, hogy a Szupepe áramgenyójához legkönnyebb dolog az ellenállásokat beszerezni. Kicsit abszurd a dolog, hogy pont az a 3,9 Ohm-os 2W-os hiányzik még mindíg, mert sosem kapni a helyi kisboltba... Kérdésem az lenne, hogy mivel így kezdő szemmel nézve ez a 3,9 Ohm egy elég kis érték, de biztos tévedek ,tehát az a kérdésem, hogy ez úgy van kiszámolva, hogy ennek pontosan muszáj 3,9 Ohm-os ellenállásnak lennie? És még egy lehet, hogy számotokra láma kérdés, hogy az mindegy, hogy "felfelé" hány Wattos, csak a 2W meglegyen nem? Persze nem hősugárzónak kell, csak ha esetleg nem kapok, vagy tudok szerezni 2W-osat, akkor mondjuk az 5 is jó nem? Tehát mégegyszer tömören: - Mekkora az a tűréshatár, amivel meg lehet választani az ellenállás értékét ebben a kapcsolásban? - Teljesítmény >= 2W ??? Köszi annak, aki veszi a fáradtságot és segít egy kezdő elektrósnak
A 3,9 ohm soros ellenállás áramkorlátozó hatású, nem kritikus az értéke (főleg mivel eleve szabályozható). A 2 ohm is jó, ha az van, nagyobb ellenállás esetén kisebb áramot tud produkálni. Az ellenállás teljesítményénél a rajzokon, ha van írva egy érték, pl 2W, az mindíg a minimum teljesítményt mutatja, tehát berakhatsz 200W-osat is, de 1W-osat nem érdemes, mert az nagyon melegedni fog.
Tudtam, hogy Te fogsz először reagálni :yes:
Először is köszönöm a választ, én is valahogy így voltam a dolgokkal tisztában, csak te adtál nekem egy löketet az önbizalom felé Van egy 5,1 Ohm-os 2W-os ellenállatom, ezzel már nem érdemes ugye? Vagy ezzel mekkora lesz a max áram?
Ha nincs más rakd be, és emeld meg a tápfeszt. Én 12V-al használom, mert a bluray diódának 5V kell kb és 110mA, és 5V tápról ez aligha működne.
Irigyellek, amiért Te már Blu-Ray diódákkal kisérletezel...
![]() Köszi a választ! Ja és még egy kérdés! Input-ot miről biztosítsam hozzá? És mennyi áramot szabad neki adni? Magyarul miről tápláljam... |
Bejelentkezés
Hirdetés |




Küldj egy mailt az email címemre, és megoldjuk.

de lehet hogy az én agyam hagy ki. leszimulálom ISIS ben, ha a dióda helyére ampermérőt kötök az úgy jó? bár akkor a rövidzárási áramot mérem.






