| Fórum témák 
 
 » Több friss téma | Fórum » Panelműszer túlcsordulás - méréshatár kiterjesztés 
			Témaindító: pb, idő: Aug 24, 2007		 
			Témakörök:
			
		 
				hy Bocs hogy új topicot nyitok de segítségre lenne szükségem vettem egy ilyen panelmétert egy labortápba csak ha rákötöm mindíg túlcsorbulást mutat nincs valakinek valamilyen bekötési rajza hozzá? valami olyan kéne ami 30voltig mutat és a millivotokat is mutatja mint pl:15.6vagy20.1? köszi 
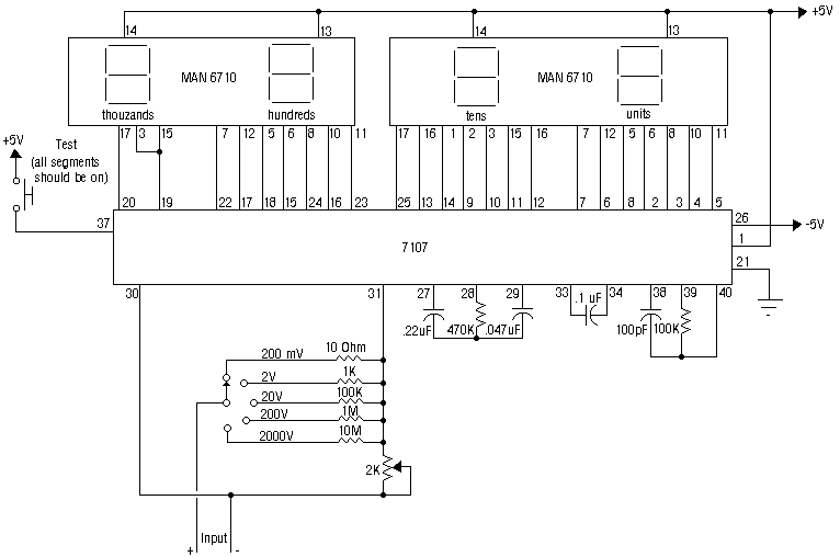
				Szia! Kinyitod a dobozt, van benne egy papír, amin ott van, melyik ellenállás helyére mit kell tenni, hogy 200V-ig kiterjeszd a méréshatárt. RB helyére 10MOhm-osat tegyél, az RA helyére meg egy 10K-st. És a próbákhoz lehetőleg külön tápról (pl elemről) működtesd! 
				hy igen attak hozzá papírt de azon semmi ilyesmi nincs amivel be lehet kötni a tápfeszt tápról adom meg egy stabilizáló ic-vel 
				Bővebben: Link Második oldal, lap közepe. Tápokban meg minden műszerben, a panelműszerek külön tápot kapnak. 
				A P1, P2, P3 csak azért van ott, hogy ha azt összekötöd, a kijelzőn bekapcsol a pont. P, mint Point. Fontos, hogy ez csak a pont helyét határozza meg. Nem a méréshatárt... 
 
				Sziasztok! Van egy olyan gondom,hogy vettem egy panelműszert(PM428) és szeretném kibővíteni a méréshatárt de sajna nem vágom az RA, RB dolgot. Valaki tudna segíteni   :help: 
 
 
				Köszi, már olvastam csak az vele a gond, hogy az enyém nem így néz ki és ez alapján sajnos nem tudom megoldani :no:						 
 
				ha küldesz egy képet róla megmondom mit csinálj vele.						 
    Sajna jobb minőségű képre nem futja de melletee lerajzoltam, a kondik értékét nem tudtam és sajna az ellenállásokét sem de azt odaírtam ami rajtuk volt szám. Előre is kösz a segítséget 
 
				na, az a helyzet hogy ami az előzőleg leirtakban RA és RB, az nálad R7 és R8 nak felel meg, és akkor szerintem ezzel mindent elmondtam,     
				na még egy kis segitség, az R7 az 10Mohm ha jól látom, és az R8 az 1Mohm, akkor az R8-at kell kicserélni akkora értékre amekkorára ki akarod terjeszteni, ha 20V akkor 100k, ha 200V akkor 10k, és igy tovább, itt a lényeg a fenti táblázatból, remélem segitettem. Üdv: Doncso   
 
				köszi   Megcsináltam és most rendesen tudok vele mérni.   
 
				Szuper, örülök neki, ha bármiben tudok segiteni, irj! Üdv: Doncso   
				Sziasztok. Topi hozzászólásában olvastam, hogy a panelműszer mindíg külön tápot kap. Kérdésem az lenne, hogy ezt hogyan tudom megoldani a legegyszerűbben. Elemet nem szeretnék rakni bele, mert egy áramgenerátorhoz kellene, aminek a bemenete 24VDC és a kimenő áramot mérném vele (egy 1 ohmos ellenálláson eső feszültség lenne a kimeneti áram) A trafóval való galvanikus leválasztás se megoldás, mert csak 24 VDC áll rendelkezésre. A táp földje és a mérendő fesz. negatív pólusa egyanaz a potenciál. 
				Köszi. Kicsit korán tettem fel a kérdést. Azóta már rátaláltam a megoldásra én is. A RET-nél van is leválasztott DC-DC konverter, de 1500 Ft körüli áron. Tudsz esetleg más gyártótól / forgalmazótól olcsóbb szigetelt DC-DC konvertert? 
				Ezek nagyon precíziós cuccok, szépen el is kérik érte az árát.						 
				Azért csak körbenézek a piacon, mielőtt ráállok erre a drága fajtára. Tud esetleg más valaki más gyártótól szigetelt DC-DC konvertert? 
				Találtam még két gyártót: QLT POWER és AIMTEC Magyar boltot nem találtam, csak a TME webáruházát. Ott lehet kapni mindkettőt 800-1200 Ft-os áron. 
				Egy 12V-os akku feszültségváltozását szeretném folyamatosan követni ezzel a panelműszerrel (akku töltöttsége). Táplálhatom a műszert ugyanarról az aksiról amit mérni szeretnék vele?						 
				Bővebben: Link  ... olvass kicsit vissza...						 
				Köszönöm ezt olvastam. Általában lehet, hogy igaz de nem minden esetben. Ezzel a műszerrel nem lehet, de találtam egy DATEL panelmétert ami self powered 2 connection panel meter. Köszi.						 
				Hello mindenkinek. Van eggy panelmuszerem , lasd: Bővebben:ITT a DPM 200C - LCD voltmérő nev alatt. Szeretnem kiterjeszteni a meresi hatart. Beleolvastam az eddigi hozzaszolasokba denem kaptam kielegitto valaszt. A baj nallam az, hogy nekem nincsen a panelon az RA 10k ohmos ellenallas csak az RB 1 mM ohmos. Akkor hogyan tovabb?? A muszer ICL7106CPL -el van megoldva. 
				Remélem még vagy 9-10 topicba beírod a kérdésed... Egy kicsit keresgélni kéne önerőböl is. Csatoltam a megoldást. (a 7106-nál ugyanez az osztó) 
 
				Hello Vásároltam egy PM129A nevezetű LED* kijelzésű panelműszert. A hozzá mellékelt bekötés és méréshatár beállítsa után sem változik a méréshatár. Külön tápról megy teljesen a mérendő áramkörtől. Tanácstalan vagyok... Akinek lenne erről tapasztalata, nagyon kérem írja meg. Köszönöm szépen | Bejelentkezés Hirdetés | 















