Fórum témák
» Több friss téma |
Fórum » Impulzus ismétlés
Témaindító: instantwater, idő: Nov 16, 2008
Témakörök:
Hello.
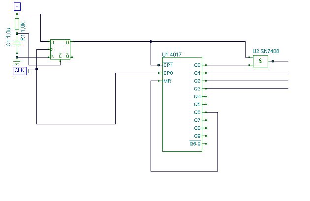
Van egy olyan kérdésem, hogy hogyan tudok egy impulzusból 2 t csináni? Azt szeretném megoldani, hogy van egy 4017 es számlálóm amiben csak 4 lábat használok fel számolásra. az elsőt nem kötöm be, mert órajelre akarom kiadni a jelet, nem bekapcsoláskor egyből. a következő 4 et felhasználom, a többi megin üres. tehát addig jutottam, hogy a 6 odik lábat bekötöm resetre, de kellene még egy órajel is. tehát 1 üres, 2,3,4,5számol, amikor a 6odik aktiválódik, nulázza a saját resetjére adott impulzussal, beugrik 1 re. de nekem a 2 esre kellene hogy ugorjon. tehát 2-3-4-5-2-3-4-5 így kellene mennie órajel szerint. 1 es ekapcsoláskor aktív, órajellel 2-3-4-5 aztán amikor a 6 odikra menne, a 2odikra kellene ugrani. Szeretném ezt mondjuk 555 nélkül megoldani, ja, és a PIC et és az AVR t is hagyjuk ki ebből az egyszerű ismétlő feladatból. Max tranzisztor, dióda vagy egy pár lábú IC t gondoltam erre a feladatra. Előre is köszönöm a guruknak a válaszokat.
Az órajel bemenetre esetleg egy tárolót amivel tiltod a kimenetet .Az első órajel bebillenti a tárolót a 4017 1 kimenetét "kiengedi" és engedélyezi a 4017 órajelét.
Ez után már csak a 4017 "dolgozik" 1,2,3,4 reset módon. Lehet ha ilyen fontos a pontos működés a 4017 resetjét is valahogyan meg kell oldani tápfeszültség megjelenésekor.(esetleg két diódával vagy egy plusz kapuval meg egy RC taggal.) A kapcsolás csak elvi rajz a szintek nem biztos hogy jók.
órajelet hiába tiltom, az 1 es kimenet magasra megy amint tápot kap.
Ez egy klasszikus szekvenciális hálózat. 1 tokból is meg lehet csinálni, de az AVR vagy PIC (PLD esetleg). Ha ezeket kizárjuk, akkor:
- 3 tároló (pl. J-K) meg némi kapuáramkör, vagy - egy 163-as programozható számláló meg némi kapuáramkör, vagy - EPROM, beírva a megfelelő kimenetekre 1-1 bit, meg egy számláló Ez utóbbi megoldások 2-3-4-5 tokot igényelnek. Klasszikus, precíz megoldásokkal nem lehet a feltételeid szerint megoldani a feladatot. Várjunk, hátha valakinek támad egy egyszerű, jól működő ötlete...
Én ezt monostabil multivibrátorral oldanám meg, pl egy nyomógomb indítja, vagy órajel felfutó élre...
aztán a lefutó él újra indít egy monostabilt... az időállandókat nyilván kondikkal ellenállásokkal ki kell játszani. a két impulzust "vagy kapuval egyesíteni kell" egy megoldás a sok közül... De ha ellátogatsz a következő topicra, az egész feladatot megoldod egy IC-vel fél órán belül, mindenféle előképzeettségek nélkül... -Ez pont ilyen hétköznapi emberek hétköznaki feladataira lett kitalálva többek kozt,-...meg ha elindulsz ezen az úton még sokkal komolyabbakat ((#204098))PIC_játszva!
elsősorban azért sem jöhet szóba a pic, mert feleslegesen foglalná a helyet a panelen, és ez olyan mintha ágyúval lőnénk verébre
bocs mostmár a rajzzal az előző hsz nál.
Utólag annyi hibáját látom ,hogy az első impulzusnál a kimenet az órajel lefutó éle után jelenik meg utána a többi pontos.De ha nem szimmetrikus órajelet használsz akkor ez sem hiszem hogy gond.
egy 18 lábu PIC
(pl IC 16F628A) az majdnem annyi mint a 4017És nincs szükséged semmi más alkatrészre! A Pic-nek van belső oszcillátora erre a feladatra bőven megfelel, és nincs ilyen gond, hogy induláskor milyen az induló impulzus ...stb Természetesen a 4017-re sem, meg a tranzisztor kondi esetleg 555, vagy más logikai IC-k...
tegyük fel hogy az órajelet most egy sima 2 állású kapcsolóval kapcsolom. nem valami fixált 555 el.
dcsabi 4017 40Ft PIC több100
én szerintem ezt tranzisztorokkal meg lehet oldani.
szeintem gumicsirke
Vagy a 4017 reset lábra menő kimenettel indítasz két monostabilt Az első (ez akár rc tag is lehet) resetel a másik pedig ,ami hosszabb egy órajelet generál.A prell mentesítésről se feledkezz el.
Hello!
Na ná! A 4017-ben és a PIC-ben is tranyók vannak! :yes: Esetleg rajzold le, és adunk egy pontot! üdv! proli007
Megvan a megoldás.
páran tudjátok hogy épp egy ledkockán ügyködök. 595 kiküldi az adatot, amikor strobe olom az 595-t azzal clockolom a 4017 et amit úgy kötök be hogy az egyes szint az a 2 es láb, a 2 es szint a 3 as láb, a 3as szint a 4 es láb, az 5 ös resetel, minek hatására 1 es lábra ugrik a jel, és ez van a 4 es szintre kötve. 4 emeletes ledkocka király.csatoltam a megoldást. majd megkérek egy moderátort, hogy zárja le a témát, mert a rendszer zargatni fog hogy nincs lezárva. Köszönöm.
Na, akkor most már nincs más hátra, mint adsz magadnak pontot, vagy egy kokit!
üdv! proli007
Magamnak adnék én, de nem tudom elfogadni, ugyanis saját komment alatt nincs elfogadás link.
rajzról kimaradt a 4017 clockja ami az ST_CP vel össze van kötve
Azért az jó, hogy a "jó" megoldásnak köze nincs az eredeti kérdéshez. Nem is lehet, hiszen a segíteni szándékozók a felét sem tudták a peremfeltételeknek. Ha legközelebb kérdezel, rákérdezzünk, hogy mit "titkolsz" el még előlünk, vagy ne is válaszoljunk, mert majd megoldod úgyis magad?
Még hogy egy PIC túl nagy helyet foglalna!
Mi ez az alkatrész temető? (és az ár:220Ft+fa 16F716) Játék szünetekben pedig mindenféle effekteket is lehetne beleprogramozni.. )
Jajj ne kapd már fel a vizet
![]() wat látom előnyét a PIC nek, de akor ahoz külön programozó kell legalábis botloader berogramozásáig, de tegyük fel megcsináltatom vkivel. akor is bajlódni kel a program feltöltésével, nem látom egyből, hogy fog az kinézni, meg kell tanulni a csínját bínját, mert gondolom távolról sem egy Delphi.
OFF
... Azért apránként csak összejön a teljes kapcsolás! ... ON
Igazad van, hogy kell tudni egy-s mást, de akkor nem jó indok az, hogy túl nagy helyet foglal és drága!
![]() Egyébként ha programoztál már bármilyen nyelven elfogadható amatőr szinten, ekkor nem jelenthet gondot 35 utasítás megtanulása. Egyébként a rajz nem lenne más, mint a PIC + 8ellenállás a 8LED előtt(amit egyébként a rajzodról erősen hiányolok!), és még egy RC tag az oszcinak. Ha nem 4,5V-ról akarnád járatni(3 elem), akkor kell még egy regulátor(78M05, vagy kapcsi üzemű megfelelője). A program halál egyszerű, futna egy ciklus, amiben számlálnál x-től y-ig, amit a gomb nyomására megállítanál, és megjelenítenél. Jó pofás lenne, ha effektet tennél a gomb megnyomása után, mint a szerencsekeréknél szokásos lassuló történet. De ez már bonyolultabb lenne, mint maga a programközont(de nem bonyolult)! Ezt csak ötletrohamként, és esetleg neked kedv csinálóként írtam...
Szia! Ez a kis kapcsolás egy nagyobb projekt apró része!
S már kezd összeálni a teljes áramkör. Ez a rész a folyamat vége. S inkább az ELV fontos mint a pontos megvalósítás. Vagyis a ledek megcímzése és a soros adatok dekódolása - tárolása - megjelenítése... GONDOLOM ÉN. instantwater: A kész kapcsolást jó lenne elolvasni a cikkek vagy a kapcsolások között. :yes:
Igen, a ledkocka projekt egy része
kapcsolásokban nem láttam ledkockát. rákerestem a ledre, de semmi nincs a ledkockáról...watt, a pic azért sem jó, mert ehez lesz egy pofás kis progi, amiben lehet szerkeszteni mindenféle effektet (terveim szerint). A PIC et meg be kel programozni, minden, egyszerre csak egy valamit tud, ne 2 kattintás újat csinálni vele. mindegy ez lesz a világ első PC vezérelte ledkockája. VILÁGÚJDONSÁG
Idézet: „watt, a pic azért sem jó, mert ehez lesz egy pofás kis progi, amiben lehet szerkeszteni mindenféle effektet (terveim szerint).” Látszik, hogy fogalmad sincs mire jó egy PIC! De érvelni azt tudsz, arra a semmi tudásra támaszkodva. Ha azt írnád, hogy tök láma vagy a PIC-hez, akkor egy szót nem szólnék, de ennyi marhaságot kár összehordani szakmai indok gyanánt! Idézet: „A kész kapcsolást jó lenne elolvasni a cikkek vagy a kapcsolások között.” Van akinek ilyesmi is felkelti az érdeklődését. De ha ennyi helyesírási hiba lesz a cikkben is, akkor az életben nem engedi Topi megjelenni!
Leesett
![]() Mármint hogy tőlem várjátok a cikket? Örömmel megírom, ha egyszer végre elkészül. Nagyon szeretném még 2008 ban befejezni ![]() Watt mégis milyen helyesírási hibára gondoltál? Csak azért kérdezem, mert a jók közé sorolom magam helyesírás terén, és néhaén is kaparom a falat a 13 évesek neten elkövetett forumhozzászólásaitól. (Komolyan kíváncsi vagyok milyen helyesírási hibát találtál. ha arra gondolsz hogy 1-1 betú kimarad néha, akkor az azért van mert nem nyomtam meg elég erősen a gombot, mert gépelek mint a villám )Amúgy hol lehet cikket írni???
Hát ITT, vagy a túlvilágon...
Nem akarok ezen lovagolni, mert off, és több szót nem is érdemel. de mivel kérted, idézek:
Idézet: „A PIC et meg be kel programozni, minden, egyszerre csak egy valamit tud, ne 2 kattintás újat csinálni vele. mindegy ez lesz a világ első PC vezérelte ledkockája.” Ezt egy ideig olvastam, és most se tudom mit akartál mondani, csak sejtem. A gyorsaság nem mehet az érthetőség rovására szerintem. Én is kihagyok betűket, és kellően idegesít is utána a dolog, de ennyi vessző hiány, mondat szerkesztési hiba, kisbetűs mondatkezdés az már kicsit sok. De spongyát rá, látom, hogy általában ilyen gond nincs.
túlvilágon
látom nézed a profilt ![]() amúgy watt. én sem akarok lovagolni rajta, de ez egy fórum, nem magyar óra. Akar shiftelgetni annyit a halál
Nem értünk egyet! Én kimondottan útálom az igénytelen embereket, és a nagyképűeket is. Ennyit zárásként.
|
Bejelentkezés
Hirdetés |





IC 16F628A) az majdnem annyi mint a 4017






