Fórum témák

» Több friss téma
Fórum » RC távirányítás modellekhez
Lapozás: OK   10 / 48
(#) dollerakos hozzászólása Nov 25, 2008 /
 
Üdvözlet! Nem tudom, jó helyen járok-e, szeretnék egy oszcillátor IC-ről tudni, amely fél Hz-en is működik, a legegyszerűbb megcsinálni, tényleg csak néhány járulékos alkatrészt kelljen ráaagatni, a kimenőfesz szinuszos és 10-12 V-ot is tudjon kiadni, nem baj, ha nagy impedanciás. Van egyáltalán ilyen? Műv. erősítővel tudok csinálni könyvből, csak épp ezt szeretném megúszni... Köszi.
(#) bitorlo válasza edgar hozzászólására (») Nov 25, 2008 /
 
Hoppá,lehet nem is BC547-es tranzisztor kéne az erősítőbe?
Vagy pedig 2N2222 típusú ajánlott,de BC547-el is helyettesíthető?
Bővebben: Link

(#) Novak válasza bitorlo hozzászólására (») Nov 25, 2008 /
 
Teljesen mindegy melyiket használod. Én a BC547est ajánlom, olcsóbb mint a 2N-es társa.
(#) bitorlo válasza edgar hozzászólására (») Nov 25, 2008 /
 
Hali
Úgy néz ki működik az erősítő,nagy távolságra még nem próbáltam,viszont a szobában igen..
Ugyebár antenna nélkül fabatkát ér az egész,jó ha 1,5méterre "sugározza" a jelet.
kb 2.5 méterre álltam a vevőtől, kezemben az adóval.
Erősítő kikapcsolt "állapotban" volt..
Vevő fesz kimenetére egy kis izzót kapcsoltam,ami természetesen meg se "mukkant",hiába nyomkodtam az adó gombját.
Ám amikor az erősítőt bekapcsoltam egyből kigyulladt az izzó,ami azt jelenti hogy működik.

Más.
Az R2 vált ellenállás viszont fix 7,2V-ra állt be,hiába tekerem a potit nem változik a kollektor feszültsége.
Ellenőríztem/megmértem,jól van bekötve.
Lehet hogy az 1nanós kondi hiányának tudható be?
(#) edgar válasza bitorlo hozzászólására (») Nov 26, 2008 /
 
Tudtam en , hogy te egy belevalo srac vagy.
Az 1nF kondi miatt ne aggodj.
Az utolso rajzot csinaltad?
(#) edgar válasza edgar hozzászólására (») Nov 26, 2008 /
 
Amennyiben az emitterbe van ellenallas akkor az 1n kondit tedd be es ugy is nezd meg a dolgokat, vagy csereld le egy 10-20 ohmosra.
Gondolom, hogy kiizzasztottad magad egy kicsit a nagy meloval.
Izzadas nelkul nincs siker!!
(#) edgar válasza edgar hozzászólására (») Nov 26, 2008 /
 
Ennek alapjan nezd meg, hogy milyen ertekuek az induktivitasok:
Bővebben: Link
(#) bitorlo válasza edgar hozzászólására (») Nov 26, 2008 /
 
Nem,nincs az emitter előtt ellenállás,direkt kapcsolódik a GND-re.
Kapcsolási rajz megvalósításában nem vagyok olyan rossz,ellenben a nyákról visszafejtés problémákat okoz.
Amúgy kb 10-15 perc alatt megvolt az erősítő,beleszámítva a furkálást és egyéb dolgokat.
(#) bitorlo hozzászólása Nov 26, 2008 /
 
Edgar,mégegyszer kösz a segítséget és nem kevésbé a kitartó türelmed!
(#) pefaz válasza dB_Thunder hozzászólására (») Nov 26, 2008 /
 
(#) edgar válasza bitorlo hozzászólására (») Dec 4, 2008 /
 
Az eredmenyrol nem szamoltal be!!
(#) dbase hozzászólása Dec 4, 2008 /
 
Alábbi Bővebben: Link linken találhatót egyik haver megvette, és full jól müködik ajánlani tudom. Annyi hogy full stabil szürött táp kell neki, egyébbként a motor képes remegni zúgni.
(#) edgar válasza dbase hozzászólására (») Dec 4, 2008 /
 
Te most kinek valaszoltal?
(#) dbase válasza edgar hozzászólására (») Dec 4, 2008 /
 
Na ezt nem ide akartam bocsi.
(#) edgar hozzászólása Dec 4, 2008 /
 
A taviranyitassal foglakozo kis oldal:
Bővebben: Link
Edemes az epitgetoknek egy kicsit megnezegetni tuzetesebben mert sok erdekes dolgot lehet tanulni.
(#) bitorlo válasza edgar hozzászólására (») Dec 4, 2008 /
 
Na igen ennyivel még tartozom.
Ha nem is háromszorosára,de jó pár 10méterrel megnőtt a hatótáv,szép is volt,jó is volt amíg működött,utána nem tudom milőtte de feldobta a bakancsát az egész adó,valamelyik alkatrész lehet a tranyó elbúcsúzott az élők soraiból.
Mostanság nincs rá se időm, se kedvem, hogy alaposabban szemrevételezzem, a cuccost,de már nem is érdekel,nem ér meg ennyi fáradságot ez a kis vacak rc autóból kiszerelt "modul".
Egyedül azt sajnálom hogy ennyi időd raboltam el azért az egy napért amíg működött ez a sz.ar.
Igaz nem volt hiábavaló.
(#) edgar válasza bitorlo hozzászólására (») Dec 4, 2008 /
 
Igaz nem volt hiábavaló.
Ez a lenyeg.
Lehet, hogy a tranyod szalt el mert az emmiterben nem volt ellenallas.
Te beszabalyoztad a baziskori ellenallast de nem mertel aramot(egyen) termeszetesen nem akkor mikor a nagyfrekis jel ra van kotve..
Ha igen megnyitod a tranzisztort akkor azt ugy veszed eszre, hogy melegszik.
Ezt elfelejtettem irni.
Tedd vissza az emmiter ellenallast.
De ettol fuggetlenul sokat tanultal.
Jol bealitva a kis adot nem csak egy pat 10 meter lok a teljesitmenyen.
(#) Master_of_the_web hozzászólása Dec 9, 2008 /
 
Helló!

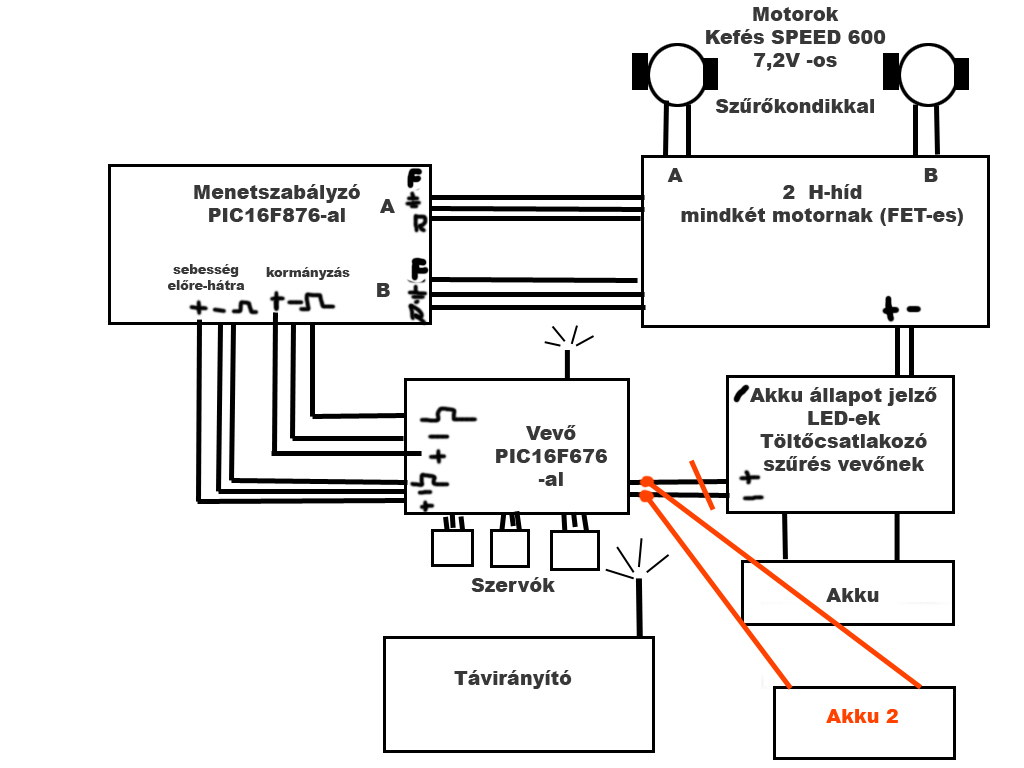
Már kb. egy fél éve építgetek egy saját etetőhajót saját építésű távirányítóval vevővel és szabályzóval. Ezeken már mind túl vagyok és működik is minden ahogy annak kell. Van azonban egy nagyon utálatos és kegyetlen hibája a rendszernek, az pedig a motorok által keltett zavarok. Ha a vevőt és a szabályzót külön akkuról járatom mint a h-hidakat, akkor minden jól megy szépen változik a fordulatszám ahogy a kart mozgatom, de ha egy akkuról próbálom járatni az egészet, akkor a motorok zavarják a vevőben és a H-hidak vezérlésében lévő PIC-eket és hibásan vagy egyáltalán nem reagál a távirányító karok mozgatására, ráadásul ekkor a szervók is kicsit rángatóznak.
A motorokra tettem kondis szűrést (47nF a két kivezetés közt, és 10nF a kivezetések és a ház között) a vevőhöz vezető tápot induktivitásokon vezetem át. Ezek együtt valamicskét segítenek, de így is nagyon sok a zavar.

Van valami ötletetek e zavarok megakadályozására? Valami, ami lehetőleg legkevesebb módosítással jár?

A képen látható módon vannak a dolgok összekötve. Ha a pirossal jelölt módosításokat eszközölöm, akkor helyesen működik minden.

A cél az, hogy ne kelljen még egy plusz akku.

üdv
(#) edgar válasza Master_of_the_web hozzászólására (») Dec 9, 2008 /
 
Helyezd at ide magad:
Bővebben: Link
Szurd be a kapcsolasi rajzokat / kepeket, hogy egy kicsit feldobd a topikot.
Szurokorok vagy optocsatolos vezerles a hidnak.
Nem etem, hogy miet zavar a ket aku?
(#) mutty hozzászólása Dec 11, 2008 /
 
Helló mindenki!Van egy mikro helim A neve Storm IV. két három repülés után megállt a motyó.27,145 mhz-es és a táv.-ról lehet tölteni a kis helit 3 csatornás.6db ceruzaelemmel müködik,Beleraktunk egy 9,6-voltos aksit a távba hogy ne kelljen elemet venni mindig.egy ideig oké volt a dolog aztán megállt.viszont 2 van a heliböl,az böcsémmel szoktunk csapatni a szobában.A másik is ugyan olyan aksiról megy de az azóta is ok.szétt szedtem a rossz tátót.ki durrant benne ez az alk.rész LD1117A mákom volt találtam ilyet és bele tettem.mégsem történik semmi.A cucc tuti tulmelegedett mert sérült a panel is kicsit de egy vékony szállal megoldottam azt is.mégsem indul képek is vannak.segitsetek léccci Üdv isti
(#) Novak válasza mutty hozzászólására (») Dec 12, 2008 /
 
Lévén ez az LD egy feszültségszabályozó, amikor ez tönkrement, akkor az utána lévő egész elektronika megkapta a túlfeszt, ami nagyon sokminden tönkremehetett. Például a dolgok nagy részéért felelő IC is, elektrolit kondenzátorok...
Ilyen estben kideríteni, hogy mi a rossz?! (vag inkább, hogy mi az ami nem ment tönkre) Nem egyszerű.
(#) mutty válasza Novak hozzászólására (») Dec 12, 2008 /
 
csere után egyszer elindult meg is nyugodtam de gondoltam rakom össze .de induláskor nem történ semmi.Annyi rendellenességet vettem észre,hogy a zöld led is világít,pedig az csak akkor kéne világítania ha rajta van a heli a tölő kábelen,T.-képpen ez jelzi a töltést és ha kész van a töltéssel akkor elalszik.De bekapcs után egyszerre gyullad ki a bekapcs.jelző pirossal. ez a másik oldala bekapcsolt helyzetben.( nem melegszik most semmi rajta)itt a fotó ha attól jobbak vagyunk.nem tudom mondtam -e már de a másik is így lett átt alakítva és a rádiót egy töltőről szoktam tölteni,és annak semmi baja.köszi a törödést Üdv Isti
(#) Emberke hozzászólása Dec 12, 2008 /
 
Hali Mindenkinek!

Lenne egy pár kérdésem de most egy-két elsődleges dologgal zaklatnálak Titeket!
Van egy 2 motoros vitorlázó repülőm.És mivel a test már teljesen gallyra ment így az elektronikáját szeretném felhasználni.De gond van mert emelkedéskor használja a 2 motort egyszerre és amikor fordul akkor csak a fordulási irány ellentétes motorját pörgeti az elektronika
Repülő
(kb ehhez hasonló a gép).De a lényeg.Ebből én egy RC autót szeretnék csinálni.De a motorok csak egy irányba forognak így tolatás nem lehetséges.Valamint a fordulás is gázos,mert nem egy különálló motort hajt meg az elektronika hanem a 2-ből egyet.Valakinek van valamiféle ötlete hogy mire lehetne használni az adó és vevő párost?Bár ez kicsit eltért már az elektronikától de próba cseresznye!
Van egy 2000 ft-os kis 30 cm-es RC autóm.Nagyon szép és nagyon jó de csak 3 méter a hatótáv.Lehet ezen segíteni valahogy?

Üdv!Köszi!
(#) mutty válasza Emberke hozzászólására (») Dec 12, 2008 /
 
hány csatornás ? csak a két motor van?valami vezérsíkot nem írányított még valamivel? van egy Mecsó távirányítósom jobb-bal előre-hátra és mint az állat olyan gyors.Van egy mops márkályú kutyám azt szoktam vele kergetni. kb 10 percet tud.Van még egy ilyen elektronikám csak rá kell építeni a kis autót (tecsó a legnagyobb választék.)meg bőrt húzni a tátóra.Itt a kép az enyémről:
vagy még ha van 3 cs.akkor talán egy helit is lehetne szögelni.
(#) mutty válasza Novak hozzászólására (») Dec 12, 2008 /
 
Nem vagyok képben teljesen ezekkel a mérésekkel, de ha elmondod mit hogy mérjek ellen őrizzek le,mert összehasonlitási alapom van a másik cuccal.és képes vagyok napokat rádobálni hogy elinduljon.Már az is eszembe jutott hogy újra húzom az egész távot nyákostól.csak lökjetek rajtam merre mit meg hogyan mérjek.Köszönöm Isti
(#) Emberke válasza mutty hozzászólására (») Dec 12, 2008 /
 
Hali!

A távirányítója 2 csatornás,de a repülő vevőjét nem tom konkrétan de mivel van neki előre menet és jobbra-balra irány,így gondolom az is 2 csatornás.Igen 2 motor van rajta és azok is viszonylag túl közel a testhez.A vezérsíkot nem lehet irányítani.Ez csak sima vitorlás (mondhatni:motoros papírsárkány).Ami a fényképen van neked,ahhoz hasonló picike nekem is van (csak érdekesség képen vettem meg),de tényleg elég fürge.Valamint van egy komolyabb (és egyben korosabb) nagy RC 4X4-es modellem (kb 60-65 cm).Csak azzal az a gondom hogy gyorsan lehúzza az aksikat (de annak nincs akadály).

Üdv!
(#) mutty válasza Emberke hozzászólására (») Dec 12, 2008 /
 
képet dobjál lécci 4x4 és aksiról.Össze szedek én is mindent amit távirányitani lehet.van egy csomó rádióm vevővel.van olyanom is ami relés és azon az elven működik mint a tank.Gyors de nem szabályozható a seb.viszont elöre hátra jobbra balra és még két gomb a távon ami nem tom mi.akkor van egy hummernek a távja vevője.ha ki találtad milyen is legyen az elektronika,mert szívesen elköldöm ha passzol az elképzeléseidnek.Üdv Isti
(#) csbob hozzászólása Dec 26, 2008 /
 
Csatoltam egy doksit a rádiós távirányítással kapcsolatban. Szerintem nagyon sokfajta megoldás megtalálható.

Az oldal linkje:http://www.talkingelectronics.com/te_interactive_index.html
(#) rewilo hozzászólása Dec 26, 2008 /
 
sziasztok még uj vagyok az oldalon és lenne egy kérdésem! ha tönkrement az vevöm tudok az adohoz uj vevöt venni ha a frekfrencia szám stimmel! ja és valaki nem foglakozik panelek javitásával amugy egy rc repülönek a vevöjéröl van szó
(#) Akon hozzászólása Jan 17, 2009 /
 
Sziasztok!

Azt szeretném kérdezni, hogy ezek a rajzok alapján elkészítem ezt az áramkört, akkor ez jó e lesz távirányítós autó alapjának?

mellékelt szöveg a képekhez:
These Printed Circuit Board foil patterns are to the R/C encoder &
decoder project on my homepages. There are two circuitboards used,
one for the encoder and another from the receiver. The projects is
for analogue control circuits, and does not include the radio link
that connects the encoder to the decoder.


Ahogy elolvastam és azt szűrtem le belőle hogy valami nincs a rajzon! Mi az ami hiányzik? és mivel lehetne helyettesíteni, hogy ez rendesen működjön ?

THX előre is a segítséget!
Következő: »»   10 / 48
Bejelentkezés

Belépés

Hirdetés
XDT.hu
Az oldalon sütiket használunk a helyes működéshez. Bővebb információt az adatvédelmi szabályzatban olvashatsz. Megértettem