Fórum témák
» Több friss téma |
- Ez a felület kizárólag, az elektronikában kezdők kérdéseinek van fenntartva és nem elfelejtve, hogy hobbielektronika a fórumunk!
- Ami tehát azt jelenti, hogy a nagymama bevásárlását nem itt beszéljük meg, ill. ez nem üzenőfal! - Kerülendő az olyan kérdés, amit egy másik meglévő (több mint 17000 van), témában kellene kitárgyalni! - És végül büntetés terhe mellett kerülendő az MSN és egyéb szleng, a magyar helyesírás mellőzése, beleértve a mondateleji nagybetűket is!
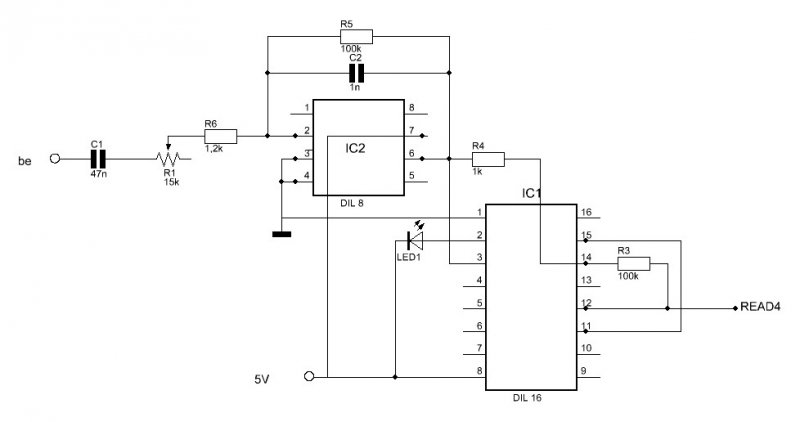
A bajom az, hogy a rajz és az IC között nagyon nagy az eltérés
![]() Fogalmam sincs, hogy melyik lábra mit kell kötni, sajnos még a 4049-esnél sem. Jó sok "tananyagot" kéne betanulni mire eljutok ilyen szintre. Nade: Találtam egy UA-741-et amit még be is tudnék szerezni. Az adatlapján úgy látom, hogy az R2-ből a 2-es lábra megy (inverting input) a 6-os (output)-ról megy az R4-hez. De a rajzon szereplő 5V-ot, hogy hova mit kössek? Ha valaki ki tudná egészíteni a rajzot lábakkal akkor biztos megérteném és hálám üldözné.... Mellékeltem, hogy mire jutottam, ha jól gondolkodtam akkor csak 2 hiányzó rész van. Idézet: „minden szinnek más a nyitófesze” Ez igaz, de ettől még lehet őket párhuzamosan kötni minden gond nélkül. Természetesen minden párhuzamos ágba kell egy előtét ellenállás is. Üdv
akkor légyszi segís, hogy hogyan?
Jelenleg minden lednek van előtétje, mégsem megy
De ha nem éri el a legnagyobb nyitófeszu szin feszét a táp akkor nem fog világitani.
Igen köszönöm.
- a +5V-ot és a gnd-t vehetem a C64 magnó kimenetéről?
Hát ha 5V-ot ad (én nem tudom) akkor igen.
Közben megkerestem az A1 a GND és a B2 pedig +5V.
Elvileg 5V-ot ad, kipróbálom azzal.
Már csak az alkatrészt kell beszereznem hozzá .Sehol egy műveleti erősítő itthon.
Szia!
Tehát, ha jól értelmezem, akkor párhuzamosan kapcsoltál ledeket. Na most áganként több darab van sorban, vagy csak egy és minden ágba kötöttél egy darab előtét ellenállást. Ekkor mindkét ág külön külön világított, csak egyben nem? Ha a két ág külön-külön világított, akkor a tápoddal lehet a gond, nem bírja a terhelést. (Milyen tápról járatod?) Ha külön-külön is csak az egyik szín világít, akkor vagy nyitófesz, vagy fordított bekötés lehet a probléma. (Áganként hogyan kötötted? +táp; ellenállás; led anód; led katód; test )
Van sok ledem, mindegyik elött külön előtétellenálás, a ledek Anódja van közösítve.
A táp bírná bőven, az biztos nem gond. Működés közben általában csak egy led világít, de van hogy kettő kéne egyszerre. Addig nincs gond ha pl kettő sárga: az megy, de ha mondjuk piros + zöld akkor csak az egyik világít...
Ha tényleg párhuzamosan vannak a ledek, megfelelő előtét-ellenállással, áganként pedig mindegyik (színtől függetlenül) működik, akkor azoknak kutya-kötelességük lenne világítani. Milyen áramkörről van szó, mi kapcsolgatja a Ledeket? Valami kapcsrajzot esetleg tudnál feltenni?
pedig sajna nem megy.
Rajz nincs (csak fejbe) Egy 4556-os kimenete hajtja meg a ledeket, de csak egyesével jó, a különböző szinűeknél csak az egyik világít
Hello!
Nem akarlak elkeseríteni benneteket, de ez így sehogyan nem jó! Ez a rajz cseppet hiányos. - A 741-es nem igazán szereti az 5V-os tápfeszt. - Ennek a kapcsolásnak, tekintve, hogy a műveleti erősítő bemenete a testen van, +-5V-ra lenne legalább szüksége. - Féltápfesz esetén, nem lehet a műveleti erősítő bemenetét a testre tenni, Azt két egyforma ellenállásból kialakított osztóra kellene kapcsolni, hogy féltápot kapjon, akkor állna be a munkapontja. - A Led2 nem illik közvetlenül a tápra kötni, csak ellenálláson keresztül. bár így nem történik semmi baj, tekintve, hogy fordítva van berajzolva. (akár csak a motor Led1, kivétel, ha a motor tápja mínusz.) Szóval "annyi bajnak annyi baja van!" De a CD4049-ben 6db. inverter van. Ebből három van alkalmazva. Ha a maradék hármat egymás után kötöd, a műveleti erősítő kiváltható vele. (Három egymás után kötött inverter, szintén invertál, és ha vissza van csatolva, erősítőnek használható.)üdv! proli007
Hello!
Ha nem rajzoljátok le, mit alkottál és mit tanácsolnak, soha nem értek a végére. (Mert úgy látom, hiába van mindenkinek előtét ellenállása, a Led-ek még is csak párhuzamosan vannak kötve.) üdv! proli007
Tanaíts minket mester
Én csak "vizualizáltam" neki.
Köszönöm, megmentettél egy értékes C64-et
.Ha jól értettem egy darab 4049-essel (amiből vagy 10 van itthon) meg lehetne építeni? Tudom nem illik itt ilyet kérni, de a "szent ügy érdekében" tekintve, hogy ezt az egy rajzot találtam 1 hetes keresés alatt tudnál némi támpontot vagy esetleg rajzot adni? (A c64-es topicban is megy a találgatás, hogy hogyan is lehetne megcsinálni). Kislányom kedvenc játékát próbálom feléleszteni TV-re köthető formába (Donald Duck) és nagyon nem akar összejönni .
Hello!
Sok magyarázkodás helyett inkább lerajzoltam. - A kérdőjeles előtét ellenállásokat, majd Te kiszámítod. - A sorba kötött Led-ek nyitófeszültségét összeadod, és ez nem haladhatja meg a tápfesz mínusz 1V értéket, mert akkor az ellenállásokra kevés feszültség jut. - A párhuzamosan kötött sorokat, lehet növelni a kívánalmak szerint. De ha az összes áram meghaladná, a 100mA-t, akkor erősebb tranyókat kell alkalmazni. üdv! proli007
Van itt ez a TDA-s erősítő kapcsolási rajz.
Na,mármost, én a rajzon 3 ELKÓT számoltam,tudtom szerint amelyik jelölésnél megvan adva a polaritás az jelöli az elkót,többi kondi az meg polaritás független. Ellenben a képen(4.oldal) 5 elektrolitkondenzátor van,most akkor mivan??! Gondolom az 1 és a 100 nanós kerámia kondi lehet vagy akár fólia is?Mert abból is van 100nF-os meg 1 is. Ráadásul a képen csak elkót látok,de lehet én vagyok a vaknyúl. Legyen szíves,és világosítson fel valaki!
Hello!
Oke! De azt vedd számításba, hogy én csak összetekertem ezt. Elvileg működhet, mert a CD-nél szerintem van annyi kimeneti jel, ami meghajtja. A potit kihagytam, szerintem felesleges. Az R1-el egyszer belövöd, aztán kész. üdv! proli007
Sziasztok!
Egy gyufafej méretű NTC termisztort szeretnék hűtőbordára rögzíteni, ebben kérnék tanácsot, hogyan kell ezt szakszerűen kivitelezni? Köszönöm! Üdv.: Laca
Hát led 1 et és 2 őt én is furcsáltam.Csak azt gondoltam hogy a motor - tápfeszel megy és a föld felé folyik az áram
Hello!
Nem emlékszem már, (elő meg nem veszem ezért a rajzot) de lehet, hogy a motor -5..9V-al megy, és eredetileg azt használná a műverősítő. De a rajz, akkor is slampos. üdv! proli007
Hello!
Nyilván valóan a polaritással feltüntetett kondik az elkók. Akár hány is van belőle, 3db a jogos. A képen, lehet, hogy a bemeneti 1µF-os kondi is elkó. De ha polarizálatlan, az a jó. (egyébként szerintem SMD kondik vannak benne, és lehet, hogy a kis méret miatt párhuzamos kondik vannak, azért több a számuk) üdv! proli007
Hello!
Talán leg egyszerűbb, ha egy kis alumínium tömbbe, egy furatba ragasztod az NTC-t. (szilikon zsírba is lehet sűllyeszteni, és a "cső" végét meg beragasztani. A tömbbe aztán egy keresztirányú furatot fúrsz a felrögzítés számára. (Esetleg egy végén ellapított alu, vagy rézcső is megfelelhet.) üdv! proli007
Üdv!
Köszi a rajzot, így már megvilágosodtam Még annyi kérdés lenne, hogy a tranyókra kell-e valamilyen hűtés napi 4-5 óra folyamatos működés mellett?
Köszönöm a választ!
Ha egy kellő méretű csavarszemes saruba dugom, és két végét leragasztom műgyantával és telenyomom szilikonpasztával akkor megfelelő lesz a hőátadás?
Hello!
A "gyári" is valahogy így néz ki. De a szilikont nem nagyon díjazom, főleg melegben. Tapasztalatom szerint idővel korróziót okozott az a savas valami. Jobb lenne ha valami fémragasztóval, epoxigyantával, vagy kétkomponensűvel ragasztanád. A hőátadás ideje kissé romlik, de a borda sem melegszik egy pillanat alatt. üdv! proli007
Hali
Köszi a gyors választ! SMD kondikat helyettesíthetem kutyaközönséges kerámiakondival is?
Hello!
A tranyók kapcsolóüzemben telítésben mennek, ha jól van megválasztva a kollektoráramhoz a típusa és méretezve a bázis ellenállás. Tehát hűteni nem kell. üdv! proli007
Hello!
Hangfrekis alkalmazásnál kerámiát, csak hidegítésre használnék. Ami a jel útjában van, oda tisztességes fólia kondit tennék. üdv! proli007 |
Bejelentkezés
Hirdetés |







.
. 






