Fórum témák
» Több friss téma |
- Ez a felület kizárólag, az elektronikában kezdők kérdéseinek van fenntartva és nem elfelejtve, hogy hobbielektronika a fórumunk!
- Ami tehát azt jelenti, hogy a nagymama bevásárlását nem itt beszéljük meg, ill. ez nem üzenőfal! - Kerülendő az olyan kérdés, amit egy másik meglévő (több mint 17000 van), témában kellene kitárgyalni! - És végül büntetés terhe mellett kerülendő az MSN és egyéb szleng, a magyar helyesírás mellőzése, beleértve a mondateleji nagybetűket is!
Passz,csak úgy felmerült bennem a kérdés.
Egyébként sima kapcs rajznál hogy tudhatom meg?
Nem,rosszul fogalmaztam,kapcsolat az xy láb között.
A linkelt példánál maradva:a 2-es és a 6-os láb össze van kötve,ezt akár hivhatod átkötésnek is csak nincs értelme. Kapcsolási rajzon nem alkalmaznak külön átkötést azt a panelterven kell megvalósitani,ha másként nem tudod a megfelelő lábakat a vezetősávokkal összekötni.
Hello
És ha nem használnék puffert, és csak hagynám úgy? Akkor nem okozhatnak problémát a 16-17V-os feszültségtüskék? Üdv.
Most jöttem rá mekkora orbitális baromságot kérdeztem,ott van tisztán és világosan hogy melyik láb között van kontaktus.
Ettől függetlenül kössz a választ
Te mondtad... Egyébként mostmár rájöttem én is: tehát ahol a rajzon vonalak keresztezik egymást és pont van a kereszteződésben az azt jelenti,hogy csatlakozik a két vezeték. Ha csak egy vonal megy az alkatrészlábhoz akkor nem minden esetben jelölik ponttal a csatlakozást,(rajzprogramfüggő) de szerintem enélkül is egyértelmű.
Ugyanúgy túlhajtod,és ezenkivül lesz egy 100Hz-s modulációd is ha kétutas,vagy graetz egyenirányitást alkalmazol.
Hello!
Talán meg kellene nézni az adatlapokat! A dolog lelke, az 14553 ez tartalmazza a számlálókat tárolókat, és a multiplexer vezérlőt. (Az MPX azért jó, mert nem kell minden kijelzőnek kivezetni a 7db vezetéket.) A 14543 vethető össze, a 4511-el, mert mind kettő BCD/hétszegmens dekóder. (A dekóderekben lévő tároló, már itt nincs használatban.) üdv! proli007
Még mindössze az nem világos, hogy akkor ugye kell egy valamilyen ic-nak lenni a számlálóban ami kezeli a léptetést ugye? Na most az én számlálómnak 3 kivezetése van amit már beszéltünk, hogy van a GND a +táppfesz. és a jel. De hogyha csak 3 vezeték jön ki belőle akkor biztos van benne valami ic ami kezeli a léptetést a jelnek megfelelően ugye? Mert ez eléggé össze van építve és én nem látok igazán sok mindent, csak egy csomó kivezetést és hidalásokat és egy ellenállást a hátoldalán. Annyit létok még rá van írva +5V és egy tipusszám PCB-023B. Ennyi. Most akkor ehhez a 14553 lenne hozzá a legmegfelelőbb vagy mi kell hozzá?
Hello!
A Te problémád igen hasonló, egy szolár kert lámpához, amit ma már szinte mindenhol kapsz, pont ezeket a funkciókat látja el. Nappal tölt, és este világít. Ha a bója elbírja, kész a megoldás. üdv! proli007
Hello!
Nem ismerem ezt a PC-be való cuccot. De ha csak három vezeték jön ki belőle, akkor neked nem lesz alkalmas semmire. - Tök egyszerű cucc, be van "programozva" mit jelezzen ki, és aláb lehúzásával más számot mutat. - Intelligens cucc van benne, és soros kommunikációval megy, de akkor meg ismerni kell hozzá a protokollt, amit valószínűleg csak egy mikroproci és egy program közbeiktatásával használhatnál. - Mind kettő variáció, erősen korlátozza az alkalmazhatóságot. üdv! proli007
Helló.
Hát én próbáltam keresni, de semmit sem találtam róla. Azt még megcsinálhatom, hogy leforrasztom a ledes kijelzőt úgyis egybe van és akkor rá tudom kötni az ic-t? Akkor milyen ic-t használjak és azt honnan tudom beszerezni és mennyiért? Ja igen nem tudom fog e függni az ic-től, hogy kell rá egy reset gomb is.
Van egy számláló Ic fórum, igen hasznos lenne néhányszor átrágni magad rajta
Üdv. Csak egy ilyen szonár lámpa milyen távolrol látható? Erre én is gondoltam csak nem hiszem hogy látnám. Vagy tévedek? Szonár lámpának az égöét lehet cserélni erösebbre?
Bocs kimaradt pár tucat A lezártakból is lehet tanulni
Szia!
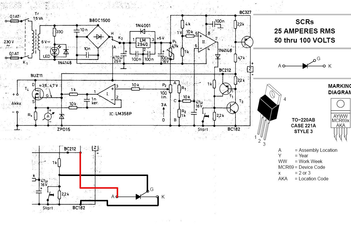
Találtam itthon egy tirisztort..... Igaz 25A-es (más sajnos nincsen)Nem lesz az gond hogy ennek "túl nagy" vezérlő áram kell? Vagy az a 30mA nem is túl nagy? Adatlap Lerajzoltam a csatolmányban én hogy gondolom a tirisztor bekötését.. Ez így jó? Az az 1K-s ellenállást ott kell hagynom vagy ki kell vennem? (ami az IC 7-es lábára megy egy diódával) Előre is köszönöm! Üdv!
Sziasztok!
Én nyáklapokat gyártanék le, és az a kérdésem, hogy van e ilyen nyáklapterv-tervező program, mert szükségem volna rá, meg egyébként, hogyan lehet ilyet készíteni????
Ebből nincs még magyar verzió?
És nem tudod véletlenül honnan lehetne alkatrészeket letölteni hozzá?
Sajnos a kondi nem...
Tettem oda ahová mondtad (T2 B-E) de semmi aztán tettem még a Graetz-hez is semmi.... Akkor az 1K-st kell 220 Ohm -ra cserélnem? Üdv!
Helló!
Van egy pár nyáktervező progi, sztem a sprint layout a legegyszerűbb. megtervezed, kinyomtatod és alkoholos filcel rárajzolod a nyákra és beledobod a savba.
Helló!
Van nekem egy 19voltot kiadó trafóm. Tudna valaki egy olyan kapcsolási rajzot amelyikkel 0-tól 19voltig tudnám szabályozni a voltot egy potival. Előreis köszi.
Szerintem az LM 317 jó lesz neked.. igaz 1.25V alá nem tudod vinni (ha jól emlékszem)
Üdv! Ide nézz be
Kösz!
Nincs mit...
Annyi észrevételem van hogy: jó lenne ha használnád a VÁLASZ gombot mert nem tudjuk kinek válaszolsz... (most ez még nem volt bonyolult...)
Helló. Akkor szeretnék kicsit informálódni. Valaki tudja, Debrecenben vagy Budapesten hol lehet beszerezni a számlálóhoz szükséges dolgokat. Csak konkrét dolgokat típussal kérnék és kéne, hogy mi mennyibe kerül. Nem tudom milyen ic-t használjak ezért kérdezném viszonylag olcsó legyen. A funkciója csak az lenne, hogy számolni tudjon és legyen egy reset gombja. Még nem tudom meddig számoljon, ha nem drága egy 4 digites ledes kijelző akkor vennék és ahhoz ic és ami kell. Akkor konkrétan az a klérdésem mit szükséges megvennem hozzá mennyiért tudom és hol?
Előre is köszönöm.
Rendben így fogom csinálni
Az első, csatolt képen látszik, hogy csak azok a szegmensek világítanak, amelyeknél rövidzár (jumper) van betéve. Semmilyen IC, sem egyéb, aktív vezérlő elem nincs ebben a panelban. Legjobb, ha csak a kijelzőket hasznosítod, az összes többit elfelejted.
A kérdéseidből nekem az jött le, hogy abszolute semmi előképzettséged nincsen az elektronika terén, így nem ezzel a komoly "projekttel" kellene elkezdened, mert így, minden előképzettség nélkül ez Neked bukás lesz. (Kérlek, ne vedd sértésnek, csak a csalódástól szeretnélek megkímélni!) |
Bejelentkezés
Hirdetés |






(más sajnos nincsen)





