Fórum témák

» Több friss téma
Fórum » Elektronikában kezdők kérdései
- Ez a felület kizárólag, az elektronikában kezdők kérdéseinek van fenntartva és nem elfelejtve, hogy hobbielektronika a fórumunk!
- Ami tehát azt jelenti, hogy a nagymama bevásárlását nem itt beszéljük meg, ill. ez nem üzenőfal!
- Kerülendő az olyan kérdés, amit egy másik meglévő (több mint 17000 van), témában kellene kitárgyalni!
- És végül büntetés terhe mellett kerülendő az MSN és egyéb szleng, a magyar helyesírás mellőzése, beleértve a mondateleji nagybetűket is!
Lapozás: OK   405 / 4057
(#) Medve válasza rbali hozzászólására (») Feb 2, 2009 /
 
Hello, a 74LS13 lesz a jó mélyedjél el a decimális számábrázolásban!
(#) fito válasza (Felhasználó 13571) hozzászólására (») Feb 2, 2009 /
 
hogya lehet lemérni azt a dobozt kett be menője van és négy kimenő
(#) Action2K válasza rbali hozzászólására (») Feb 2, 2009 /
 
Szia!
Ha 13-at írnak, akkor nem a 135-re gondolnak.

Müködhet, viszont az ég adta minden rádiófrekis holmit bezavarhat a közelében. TV, Rádió... A szomszédok nembiztos, hogy örülnének neki.
(#) Doncso válasza fito hozzászólására (») Feb 2, 2009 /
 
Egy tipus számot írj már róla ne csak a márkáját.
Ez olyan mintha azt mondanáh : Hello, van egy rossz nokiám mi a baja, így nem tudunk segíteni.
Bár ha jól sejtem ez STE 2500-as lesz. Látom van rajta egy külső biztosíték, az fel van kapcsolva?
Milyen körülmények között ment tönkre, mi volt rákapcsolva? Mi történt amikor tönkre ment pontosan?

EZ LENNE AZ??
(#) Tomi20 hozzászólása Feb 2, 2009 /
 
Sziasztok


Ha jól emlékszem itt is tag volt Spafi egy darabig, de a modora miatt távoznia kellett. Van/volt? neki egy honlapja, ahol volt 1-2 D-osztályú erősítő alapkapcsolás, de sehol sem találom a neten az oldalát. Nincs meg valakinek véletlen a honlap címe?

Köszi
(#) zolika60 válasza Tomi20 hozzászólására (») Feb 2, 2009 /
 
(#) watt válasza brezinajanika hozzászólására (») Feb 2, 2009 /
 
Sajnos a soros port nem fogja elbírni szerintem a uC és az LCD-is. Főleg ha netán háttérvilágítás is van! A másik, hogy rajz nélkül azt sem tudni, hogy hány vezetéket használ a kapcsolás, és mennyi marad, ami szóba jöhet.
Szóval marad más magoldás.
(#) levii válasza Tomi20 hozzászólására (») Feb 2, 2009 /
 
(#) fito válasza Doncso hozzászólására (») Feb 2, 2009 /
 
S T E 2500-1 EZ A NEVE biztositékot megnéztem jo a karburátort cseréltem le mert neheze gyult ,most egy rántás és megy a generátor részhez nem is nyultam egy viz pupa meg egy égö szokot rea kapcsolva enyi
(#) Tomi20 válasza zolika60 hozzászólására (») Feb 2, 2009 /
 
Ilyenkor picit szégyenlem magam, mert nem vagyok amatőr... (és a legrosszabb az egészben hogy megtaláltam azt a rajzot is) csak a címben láttam hogy BME, mondom biztos nem az az oldala, és nem is foglalkoztam vele.

Köszönöm mindkettőtöknek
(#) zoly15 hozzászólása Feb 2, 2009 /
 
Jó estét mindenkinek!
Elkezdtem a NYák tervezését enek a PWM nek....
Már majdnem kész mikor ránéztem a 2,6-os lábára az 555-nek... Most akkor hogy van ez? A 6-os lábon van egy 100nF-os kondi, a 2-es lábon meg egy 10nF-os kondi a GND felé?
Vagy a 2,6 összefogva és 100nF + 10nF párhuzamosan a GND felé?
Nekem az első állításom jön be...
Kinek mi erről a véleménye?

Üdv!
(#) Frankye válasza zoly15 hozzászólására (») Feb 2, 2009 /
 
2-es 10nF-dal GND-re, 6-os 100nF-dal GND-re.
(#) mex válasza Frankye hozzászólására (») Feb 2, 2009 /
 
Úgy nem fog működni. 2,6 összekötve ide jön a 100nF. A 10nF pedig az 5-ös lábra csatlakozzon.
(#) zoly15 válasza mex hozzászólására (») Feb 2, 2009 /
 
Szia!
Köszönöm!
Tehát akkor a 2,6 láb összekötve onnan egy 100nF a GND felé..
5-ös láb 10nF a GND felé?
Ha az 5-ös lábbal működik jól akkor miért volt másképp rajzolva?
Frankye: neked is köszönöm
(#) mex válasza zoly15 hozzászólására (») Feb 2, 2009 /
 
Idézet:
„Ha az 5-ös lábbal működik jól akkor miért volt másképp rajzolva?”

Ezt hivják a "nyomda ördögének".
(#) zoly15 válasza mex hozzászólására (») Feb 2, 2009 /
 
hehe ez jó nyomda ördöge
Köszönöm!
Akkor javítok..
(#) mex válasza zoly15 hozzászólására (») Feb 2, 2009 /
 
Ez a kapcsi a kitöltést szabályozza,elég nagy frekivel kapcsolgat. Ha ez a szándékod akkor megfelel,de ha az egyes felvillanásokat esetleg külön-külön akarod látni,akkor sokkal nagyobb értékű kondi kell a 100nF helyére.
(#) Bago hozzászólása Feb 2, 2009 /
 
Sziasztok!
Azt szeretném kérdezni, hogyha egy zseblámpaizzót (3,8V) tranzisztorral szeretnék kapcsolni (nem kell szabályozni, csak a tápfeszültséget rákapcsolni vagy lekapcsolni) akkor az izzó a tápfeszültség és a kollektor közé, vagy a föld és az emitter közé kell-e kötni, illetve van-e szükség az izzó és a tranzisztor közé ellenállásra?
A bázisra a tápfeszültség mekkora részét kell kötni?
Tápfeszültség 4,5 volt.
Én BC301-gyel próbálkoztam. Mikor a bázisra kevesebb feszültséget kötöttem, jobban melegedett, mint amikor a teljes tápfeszültség rákerült. Mitől van ez?
(#) watt válasza Bago hozzászólására (») Feb 2, 2009 /
 
A BC301 egy NPN tranyó ezért a kollektor és a táp közé kell az izzót tenni és az emittert testre.
A tranzisztor nem feszültségvezérelt ebben a bekötésben, hanem áram. Tehát egy ellenálláson keresztül kell a + tápra tenni a bázisát, ekkor üzemel kapcsolóüzemben, amikor is nem melegszik. Ha félig nyitod ki, akkor melegszik, mert valamekkora fesz rajta marad és közben folyik az áram. Ezek szorzata lesz az a teljesítmény amit hővé kell alakítania. Ez nem kívánatos egy kapcsoló üzemű beállításnál. Ha szabályozni akarod a lámpa fényét, akkor a tranyó melegedni fog. Ha nem bírja a terhelést, ill. nincs hűtve, tönkre is megy.
(#) mex válasza Bago hozzászólására (») Feb 2, 2009 /
 
Mindenféleképp ellenálláson keresztül kell a bázist vezérelned. A tranzisztornak a Te esetedben teljesen ki kell nyitni,hogy csak kevéssé melegedjen. Az izzó áramfelvételét tudni kellene (pl 200mA),és ehez lehet számolni egy közelitő bázisellenállást a tranyó áramerősitésének (a bétájának) az ismeretében.
Tételezzünk fel 100-as bétát,ez azt jelenti,hogy a bázisáram 100-szorosát engedi át,számottevő melegedés nélkül. Ha most az izzó áramfelvételét elosztod a bétával megkapod a bázisáramot.200mA/100=2mA. Ennyi áramot kell a bázisba vezetni. Ha a tápfeszültség 4.5V akkor ebből még levonod a tranyó nyitófeszültségét:~0.6V akkor marad 3.9V . R=U/I=3.9/0.002A=1950 ohm. Alkalmazz kisebb értéket,legyen 1.5k ohm.
(#) Bago válasza mex hozzászólására (») Feb 2, 2009 /
 
Mex és Watt!
Köszönöm a gyors választ.
Annak miért van jelentősége, hogy az izzót a kollektor, vagy az emitter körbe kötöm?
Azért, mert NPN esetén a bázis és az emitter, vagyis a föld között kell a nyitófeszültségnek fellépnie? Mi történik, ha NPN esetén az emitter és a föld közé kötöm az izzót?
Ahhoz, hogy az izzó teljesen kikapcsoljon arra van szükség, hogy a bázisra kapcsolt feszültség 0,7 V alá essen?

Bocs az ostoba kérdésekért, de már nagyon rég foglalkozta ilyesmivel, ráadásul az iskolában sem tanították meg részletesen annak idején. Én meg akkor még lusta voltam utánaolvasni
(#) watt válasza Bago hozzászólására (») Feb 2, 2009 /
 
Ha emitter körbe teszed az izzót, akkor a tranyó feszültség követő módban fog működni, azaz az emitteren akkora lesz a feszültség, amekkora a bázison, (0,3..0,7V-al kevesebb, de ezt most hanyagljuk el.). Ilyenkor a tranyó a korábban leírt, ohm törvénye szerint fog melegedni.
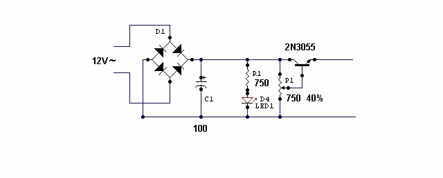
(#) bancsi15 hozzászólása Feb 2, 2009 /
 
Sziasztok!

Ez egy működő kapcsolás?

(#) levii válasza bancsi15 hozzászólására (») Feb 2, 2009 /
 
Igen, én megépítettem csak BD245el az egyszerűbb szerelhetősége miatt.
(#) ccs hozzászólása Feb 2, 2009 /
 
Sziasztok !

Vettem 6db miniatűr mérőfogót.
Azonban sehogy sem jövök rá, hogyan tudok hozzá csatlakoztatni mérőzsinórt.
Valaki használ ilyet ? Légyszi mondja már el. Köszönöm.
(#) levisboy hozzászólása Feb 2, 2009 /
 
Valaki tudna segíteni abban, hogy egy 5.1-es hangfalrendszert hogyan tudnék a laptopomhoz kötni, mivel abban csak egy kimenet van és kéne nekem három. Nem akarok egy USB-s hangkártyát venni mert az iszonyatosan drága, nem ér annyit az egész hangfal. Van valami olyan átalakító ami a 3 dugaszt egyé alakítja? Nem kell nekem a térhangzás csupán a 6 hangfal teljesítménye. Válaszotokat köszönöm előre is.
(#) nagy_david1 válasza levisboy hozzászólására (») Feb 2, 2009 /
 
Szia! Hát ha nincs szükséged a térhangzásra akkor itt ez az egyszerű nagyon olcsó megoldás és mindenhól kapható csak 2 ilyent össze kell dugj, s már 3 kijöveteled lett. Hanem persze van pár olyan is mi indulásból többre oszt de azok már ritkák, de ez tuti mindenhol van s a kettőt kiállod 200Ft-ból.
(#) Action2K válasza levisboy hozzászólására (») Feb 2, 2009 /
 
Szia!
Meglehet nagyon egyszerűen is, de nézd meg ezt a hozzászólásomat, itt elég egyszerű (filléres) kapcsolást ajánlok, és még térhangzásod is lesz! Bővebben: Link
(#) levisboy válasza Action2K hozzászólására (») Feb 3, 2009 /
 
Bocsi de összegabalyodtam . Szóval leírnád mit kell vennem és hogyan kell összehoznom ezt a rendszert? Válaszodat előre is köszönöm.
(#) levisboy válasza nagy_david1 hozzászólására (») Feb 3, 2009 /
 
Amúgy köszi Dávid. Ez tényleg egy egyszerű megoldás és hasznos. Hirtelen eszembe se jutott. De ha Action2K tud segíteni a térhatás kialakításában akkor az jobb lenne. Köszönöm a segítségeteket.
Következő: »»   405 / 4057
Bejelentkezés

Belépés

Hirdetés
XDT.hu
Az oldalon sütiket használunk a helyes működéshez. Bővebb információt az adatvédelmi szabályzatban olvashatsz. Megértettem