Fórum témák
» Több friss téma |
Fórum » Fúrógép fordulatszám szabályozó
Már többször átnéztem a kapcsolást, sőt újra is forrasztottam, teljesen újra bekötve, hátha haver valamit elbaltázott. Semmi változás. Amúgy a triak ugyanaz, amit belinkeltél, a bekötés is stimmel.
Tettem bele egy 138-ast, vadi újat, ugyanez a jelenség. Szabályoz, izzóval próbáltam, látszik a vibrálás szépen. A motor túl kicsi neki... Lassan ugyan, de felpörög...
Azt könyen kideríthetjük, hogy tényleg kicsi-e a terhelés.
Köss párguzamosan egy 60 vagy 100W-os izzót a motorral. S teszteld úgy a szabályzót! Ha nem lebeg, s nem kúszik a fordulat és szépen szabályozható, akkor tényleg ez lessz a gond. S úgy valami más megoldást kell keresni a szabályzásra. De ez lenne az egyszerűbb és olcsóbb. Ja! DIAC tipusa? ER900? (Ez a leg kritikusabb alkatrész! Ha ez gyengélkedik, akkor az egész áramkör beteges lesz!) Az ekészült áramkörről tudsz közeli éles fotót mutatni!? Hátha látunk az áramkörön valamit.
Hát, a diac típusát nem tudom, mert annyit mondott csak a srác, hogy azonos nem volt a boltban, de kapott hasonlót. (boltos szerint hasonlót)
Van belőle 3 db, de hogy milyen fajta... Fotót nem tudok most produkálni, mivel melóhelyen szórakozok vele, itt meg nincs fotógép. (itt van időm rá) Izzóval párhuzamosan kipróbálom holnap. Jó ötlet, köszi! (bár sima 60-as izzónál láttam a fényen, hogy kisebb a fényerő, valamint, hogy vibrálva világít, tehát valamit működik)
Ha a kapcsolással minden rendben van akkor az izzót 0-95%-os teljesitményig kell "simán" szabályoznod. Neszabad vibrálnia (50Hz-nél ezt amúgy sem lehet látni), STB.
Várom a fejleményt!
Miért nem szabad vibrálnia? Ha le van tekerve, akkor elég korán vág, amitől nőnek a szönetek a bekapcsolt és a kikapcsolt állapot között, nem?
Ezt nem szabadna észrevenni? (pc monitoron is látszik, ha leveszed a frissítést 60Hz körülire)
Mert csak a feszűltég változik a gyújtásszög függvényében, a frekvencia viszont nem!
Én cseppet sem látom villógósnak a hagyományos izzómat, pedig az is 50-60HZ-vel üzemel! Esetleg alkalmazhatsz egy referencia izzót, ami elé egy diódát kötsz (PL 1N4007 vagy hasonló paraméterüt.) és azzal hasonlitod össze a szabályzott izzó villódzását.
Sziasztok!
Tud valaki olyan ford szabályzót fúrógépre,amelyik alacsony fordulaton is megtartja a nyomatékot.Úgy mint a drágább gépeknél pl. makita;bosch;stb. Én már a második kapcsolást csináltam meg és ugyanúgy le lehet fogni alacsony fordulaton,mint a praktikeres gagyi fúrókat.Az utoljára csinált kapcsolásnél láttam valami (szerintem) áramfigyelő ellenállást,reméltem ezáltal a terhelés hatására mindíg utánnaszabályot,de nem. Remélem ti tudtok valami tuti kapcsolást. Előre is köszi. Üdv. Peti
Sziasztok!
Senkit se izgat ez a téma,csak engem?
????????????????????????????????????!!!!!!!!!!!!!!!!!!!!!
!!!!!!!!!!???????????????????????????????? Értelmes hozzászólás. Ezt miért kellett? -szamóca.
Valakit azért még érdekelhet! :yes:
De amit te szeretnél az egy visszacsatolásos fordulatszámszabályzó (Szabályzás.) S lehet, mire elkészíted többe lesz mint egy PORFI FÚRŐGÉP. Szerintem a sima mezei triakos teljesítményszabályzót nem lesz egyszerű hozzáigazítani a feladathoz...
Köszi hogy válaszoltál.
Azért valamit ki kéne okoskodni,mert nem csak fúrógéphez kellene.Vannak kis motorjaim,azokhoz is jó lenne. Szerinted a profi gépekbe ez a nyomatéktartásos ford.szab. hogy lehet megoldva?Gondolom én biztos valami smd-s cuccokkal a méret miatt hogy a nyélbe elférjen.
probálkozz ezzel az elrendezéssel. lehet hogy egykét zavarszürö kondit be kell tenni. de müködik régebben csináltam ilyet, egyszer majdnem letekerte a pöcsömet pedig csak kettövel forgott, de nem birtam lefogni.
HI
Ezt egy szúrófűrészből szedtem ki, kb:450W os volt. Én világítás állításra fogom használni, már kipróbáltam csak doboz híja van.A potit nem tom, majd kiszedem lemérni, de a triacs BTB08-400A benne. A képek alapján remélem visszatudjátok felytenni a kapcsolást.
Hali!
Na végre haladunk Én amikor próbáltam,úgy mértem ki az elenállást (ami egy cekasz),hogy sorbatettem a fúróval,bekapcsoltam és mértem műszerrel hogy mekkora szakaszon esik a 250mV. Ez 9 cm-es darab volt. Ezekszerint mikor lassan forog,úgy kellene mérjem a feszkó esést? Az hogy már egy kicsit kezd körtüzelni a fúró,az nem gond?Még megy ,lehet vele dolgozni. 250mV felett kell lenni a feszkó esésnek,hogy elkezdjen szabályizni,vagy pont 250. Mennyivel mehetek 250 fölé?
Bocs, láttam de hiába próbáltam javítani, bocs.
Na még egyszer, de már csak a linkek 1: http://kepfeltoltes.hu/view/090212/DSC_0156_www.kepfeltoltes.hu_.jpg 2: http://kepfeltoltes.hu/view/090212/DSC_0157_www.kepfeltoltes.hu_.jpg 3: http://kepfeltoltes.hu/view/090212/DSC_0166_www.kepfeltoltes.hu_.jpg
Hali szamóca!
Mint a hozzászólás dátumaiból is láthatod,nemigazán foglalkoztak a beírásommal.Ezért ezt a baromi értelmes beírást ezközöltem,hogy felfigyeljenek a beírásomra.De gondolkoztam az új témanyitáson is.Ezekszerint máskor esetleg ha ilyen helyzet állna elő,inkább nyissak új hozzászólást. ( De ha jóludom,ha már létezik kapcsolódó téma,nem vesztitek jó néven az új téma nyitását,ami persze teljesen jogos is. Üdv. Peti
te most csak unatkozol vagy megoldást keresel egy problémára? a megoldás ott van az eközö oldalon. ha az nem elég vegyél a tescoban egy gyári szabályzos furogépet.
Heló!
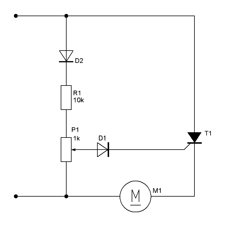
Azt szeretném megjegyezni, hogy a TRIAC helyett miért Tirisztorral rajzoltad meg? Az ugyanis egyenirányít, méghozzá egyutasan és ezért a kivehető teljesítmény is gyakorlatilag csak fele akkora, mint a TRIAC esetében. Másrészt mekkora fordulatszámról beszéltél ? Az hogy reálisnak tartom-e csak a MÉRTÉKEGYSÉG feltüntetése után döntöm el.
Nem unatkozom!!!
A te rajzodat nézvén,olyak kapcsolásból már nem egyet csináltam és alacsony fordulaton nincs nyomatéktartása. De ha a D-kre és T1-re írsz valami konkrétumot,akkor kipróbálom a kapcsolásodat.Bár sok reményt nem fűzök hozzá.
akkor biztos hogy eggyet sem épitettél. mert ennek pont az a tulajdonsága hogy gyakorlatilag a teljes nyomatékot megtartja , még egész extrém lassu fordulaton is. diodának bármilyen 400V -os kisteljesitményü jo tisisztornak szintén 400V-os 3-10A ami van. az ellenálás meg ugy is kisérletileg kell beállitani mert ahány tirisztor annyi áramfelvétel. azért tirisztor van mert annak idelyén én ezt azzal épitettem meg. de triakkal is ugyanugy kellene mennie.
Na ez a gagyi kategóriás gépekben van.....
Nincs visszacsatolás,áramérzékelés,nem alkalmas nyomatéktartásra.
... annyira egyszerű, hogy ki fogom próbálni! Valószínűleg egyenirányító hídról fogom ráadni a feszt. ( Lüktető egyenárammal. )...
ha te mondod?... nállam az egyszerü mást jelent mint a gagyi.
dobd már össze kb 5 perc. oszt szoritsd a lábad közzé a legkisebb fordolaton. de elöbb bucsuzz el a pöcsödtöl.
"akkor biztos hogy eggyet sem épitettél. "
Azért örülnék,ha ha nem cáfolnád meg a szavam!!! Ha azt mondom megépítettem,akkor megépítettem,de ha kell teszek fel róla képet is,bár nem hiszem hogy bizonyítgatnom kéne neked. Amúgy csatlakozom mex hozzászólásához. De hogy bizonyítsam igazam,összerakom a te kapcsolásod is. Idézet: „ha te mondod?... nállam az egyszerü mást jelent mint a gagyi. ” Ráadásul nem is tudod értelmezni a válaszomat... Nem a kapcsolásodat minősitettem le,hanem azt irtam ,hogy a gagyi kategóriában használják. Maga a kapcsolás természetesen működőképes,a nyomatéktartása kritikán aluli,de nem is lehet többet elvárni ettől az egyszerű áramkörtől. Izzólámpák szabályzására kiváló. Ami a pöcsödre gyakorolt hatását illeti: nem lehet,hogy a diszed nem elég kemény, férfias,és ezért nem tudott ellenállni a nyomaték mindent elsöprő erejének?
Hali!
Lenne egy kérdésem nekem is.Most vettem egy gazdaságos sövénnyírót.Elég jól dolgozik de egy kicsit melegszik (bár ez nem ide tartozik) és nagyon nagy a fordulata.A fordulaton szeretnék buherálni.Jelenleg 1600 ford/perc a fordulata és 520 Wattos.Van egy 0.33 µF-os kondi a kapcsoló előtt.Hogy lehetne ezt az 1600-at ha nem is felezni de legalább 1000-re csökkenteni?Esetleg motorhibás dekopír fűrész cuccaiból megoldható (azonos adatok)? Köszi! Üdv!
Hali!
A tesós cuccok azok már csak ilyenek. Nyomjad neki mint süket az ajtót, utána cseréld ki egy újra a reklamációs pultnál. VIM
Hali!
Na jó,kicserélik de amit vettem szintén takarékos damilos fűnyírót az nagyon jó.Ezért is mertem megvenni a sövénnyírót.De ebben már csalódtam a nagy fordulat és a melegedés miatt.A melegedés megoldásra került,a motorhibás dekopirból kiszedtem a ventit és a tengely egyezés miatt rá is tudtam rakni (mostmár nyomja a levegőt mint az állat).Viszont amivel nem jutok zöld ágra az a szabályzó.A dekopirból kiszedtem azt is.Úgyanúgy rákötöttem a sövénnyíró motorra mint ahogy a dekopirban volt.Az eredmény:vagy nagyon lassan mozog a kés, vagy fullon megy.A szabályzó 1-6-ig van skálázva.1-5-ig éphogy csak mozgott a kés (változás nélkül) 6-on pedig meg volt a gyári fordulat.Ha a kondit cserélném nagyobbra akkor lenne valami változás vagy nincs köze a fordulathoz? Köszi!
Hello emberek!
Triakos szabályzót építek a legegyszerűbb fajtából. Pl. JANI féle, BSS féle. Az a gond, hogy a triak (BT139 600V) nem működik rendesen. Lekötöttem róla a diakot, így gyújtóimpulzus nélkül nem szabadna, hogy átvezessen. (Vagy rosszul gondolom?) Mégis villog a bekötött 25W-os izzó, elég gyorsan, de látható. Ez sajnos összeszerelve is megmutatkozik, teljes fényerőről szépen lehet csökkenteni a feszültséget úgy 90V-ig, majd tovább tekerve a potit, elkezd villogni az izzó, de nagyobb fényerővel. Próbáltam az M1-M2 lábakkal párhuzamosan a 100nF-os kondit + 100ohm ellenállást, eleve így építettem meg, de nem igazán segítettek. Mellesleg az a 100 ohmos ellenállás nagyon melegszik, ezért már tiszta fekete, de az ellenállása még megvan. Ránézésre olyan 1W-os lehet, mert a 0,6W-osnál nagyobb testű, régebbi darabról van szó. Ezt sem értem, hogy miért melegedik ennyire. Vegyek új triakot? Már egyébként tekertem egy 15 menetes induktivitást a bementre (ki tudja hány uH), hátha lendít valamit, de mint halottnak a csók. |
Bejelentkezés
Hirdetés |





csak doboz híja van.




