Fórum témák

» Több friss téma
Fórum » Négyszögjel
 
Témaindító: lacibeb, idő: Máj 27, 2007
Lapozás: OK   1 / 3
(#) lacibeb hozzászólása Máj 27, 2007 /
 
hi!
Szeretnék ilyen jelet előállítani. amit lpt portról vezérelek. Lépésenként. Ezt különválasztani hogy a gépnek ne legyen baja, erre már találtam valamit(pl:4n25). a kimentnek nem muszály -5,+5-ösnek lenni csak az a lényeg hogy forduljon a polaritás. a kimeneten max 5A folyik. A tápfesz 5v vagy 12v(különálló sz.gép tápról).
Előre is köszi!

jel.JPG
    
(#) ferci hozzászólása Máj 27, 2007 /
 
Milyen szélesek az impulzusok?
(mehet relékkel is vagy nem...)

Ha jó a relé is, akkor pl. D0-4N25(1), üres, D1-4N25(2)
megcsinálja a vezérlést, leválasztást, aztán 2 tranyó a relékkel.

Ha gyors kell, akkor a 4N25-ök meghajthatnak egy DC-irányváltós kapcsolást, azt pedig találsz másik topikban.
(#) ferci hozzászólása Máj 27, 2007 /
 
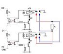
Ameddig nem mondasz adatot.... itt egy relés verzió.
A NC érintkezők biztosítják, hogy ne legyen zárlat véletlenül, de elektronikusan is megoldhatod.

impvalt.jpg
    
(#) 925 válasza lacibeb hozzászólására (») Máj 27, 2007 /
 
Ennél konkrétabb adatok kellenének pl: ferkvencia, kitöltési tényező, a jelalak fixen ilyen vagy te adhatod meg hogy mikor pozitiv és mikor negatív, az LPT-ről engedélyezést akarsz adni vagy a jeleket küldeni.
Ezek után lehet tervezni.
(#) ferci válasza lacibeb hozzászólására (») Máj 27, 2007 / 4
 
Kerestem egy irányváltós rajzot... az elejére berakod a 4N25-öt + egy tranyót kollektorellenállással, mint a relés rajz lenne relé nélkül, aztán mehet, ahogy kérted... (+), 0, (-) a négyszögjel........
1., D0=1
2., semmi
3., D1=1
és így tovább.
A motor helyére teszed a valamit, ami kéri az 5 ampert, a tranyók tudják kapcsolni, pici hűtővel..
12 voltos tápról marad 11,... volt .
Ha nagyon gyors kell, hogy legyen, akkor formálni is kell a 4N25 jelét.

vegfok.jpg
    
(#) lacibeb válasza ferci hozzászólására (») Máj 28, 2007 /
 
kössz!
Pontosan erre gondoltam. Léptetőmotorhoz kell, egyhez kettő ilyen, és két motor van. ha kész az elektronika meg a szoftver akkor gravírozót szeretnék belőle építeni.
Mégegyszer kössz a gyors és pontos válaszodat.
(#) hthomas hozzászólása Máj 29, 2007 /
 
sziasztok!

szerintetek hogyan tudok 2 négyszögjelet 90 fokos fázisszöggel eltolni?
van valami egyszerű trükkje?
(#) vega55 válasza hthomas hozzászólására (») Máj 29, 2007 /
 
Johnson szamlalo. A bemenetere csak egy a kimeneti frekvenciatol 4-szer nagyobb frekvenciaju negyszoget kell adni. A megfelelo kimenetein pedig pontosan(!) 0 es 90 fokos faziselteresu negyszogeket kapsz...!
(#) hthomas válasza vega55 hozzászólására (») Máj 30, 2007 /
 
köszönöm! Pl 4017?
(#) vega55 válasza hthomas hozzászólására (») Máj 30, 2007 /
 
Az nem 8-as d-tarolo...?

Legegyszerubben 1 pl HC74(vagy vele analog)-es IC-vel lehet osszerakni.
1,4,10,13 a +5V-ra, 5->12, 8->2, 3->11-bemenet, 6,9-es a ket kimenet...
(#) Isti hozzászólása Ápr 19, 2008 /
 
Négyszögjel-generátor szükségeltetne nekem. Próbálkoztam TINA-ban 555-ösökkel, de nem tudtam 50%-fölé húzni a kitöltést a cont lábon sehogysem.

A lényege amire gondolok, hogy 5kHz-tól 100kHz-ig áll. valamint ettől függetlenül 10-90%-ig állítható kitöltésű négyszögjelgenerátor. Tudom, hogy a Fet elé majd tranyók kellenek, hogy a kellő meredekségű töltés meglegyen...

Vajon mi lehet a hiba? (ellenállások még nincsenek számolva...)

555.GIF
    
(#) Medve válasza Isti hozzászólására (») Ápr 19, 2008 /
 
Hello, ilyennel próbáld, a kitöltést állító poti "közepébe" kötött potival lehet a frekit tolni. Ilyen átfogáshoz a kondit is cserélni kell.

555.JPG
    
(#) Saggitarius válasza Medve hozzászólására (») Ápr 19, 2008 /
 
Már régen foglalkoztam sajátépítésű elektronikával, de ha jól emlékszem piszok egyszerű lenne a 74LS624-gyel épített FVO. Nem kell kondit váltani a frekvenciaátfogás miatt.
(#) Medve válasza Saggitarius hozzászólására (») Ápr 19, 2008 /
 
Meglehet, hogy nagy az átfogása, de a kitöltési tényező állításához további ügyeskedések szükségesek. Megaztán a beszerzése lehet, hogy nehezebb, mint az 555-é. De ha már az átfogásnál vagyunk én a CD4046 VCO-ját használtam, az bőven vitte kattogástól az ultrahangig.

Ui.: Az IC adatlapján kb 1:10-es átfogást látok...
(#) masi1 válasza Isti hozzászólására (») Ápr 19, 2008 /
 
De próbálkozhatsz a TL494-essel is a kitöltésit és a frekitartományt is méretezni tudod rajta.Elméletileg a honlapon is szerepel az adatlapja.
(#) Saggitarius válasza masi1 hozzászólására (») Ápr 19, 2008 /
 
Most néztem az adatlapot, miszerint igazándiból fix frekis,
PWM-re találták ki. Amúgy nem vagyok biztos benne, hogy menne a 20x fr. átfogás.
(#) Saggitarius válasza Saggitarius hozzászólására (») Ápr 19, 2008 /
 
Most leltem meg a TI adatlapját, aszerint lehetséges az 5-100k-s tartomány 1nF-el ITT
(#) masi1 válasza Saggitarius hozzászólására (») Ápr 19, 2008 /
 
Nem tudom, de nálam a 6-os láb a frekiállitó poti 5-ös láb idöalap kondija, 1-es láb a kitöltési tényezö.Bocs látom megelőztél közben.Kerestem a honlapon egy kapcsit, pont tegnap töltöttem le.
(#) Isti hozzászólása Ápr 19, 2008 /
 
Köszi mindenkinek a segítséget.

A TL494 az nem tápokban szokott lenni?

Medve, műkszik a rajzod Tinában is (már)...
(#) Isti válasza Isti hozzászólására (») Ápr 19, 2008 /
 
Úgy nézem ezzel a TL494-essel jobb lenne. De nem értem itt hogy kell befolyásolni a kitöltést...:S
(#) masi1 válasza Isti hozzászólására (») Ápr 19, 2008 /
 
Való igaz fetes vezérlö, de lehet rajta állitani a kitöltési tényezőt, frekvenciát is.Sajna csak németül van meg a doksi.

pwm.gif
    
(#) masi1 válasza masi1 hozzászólására (») Ápr 19, 2008 /
 
Elfelejtettem irni, hogy a P1 a kitöltési-tényezö, P2-C2 tag a frekvencia.Vagy leirtam az előzö hozzászólásban.
(#) Saggitarius válasza masi1 hozzászólására (») Ápr 19, 2008 /
 
Most leltem a neten egy tervezési segédletet. Katt IDE
(#) masi1 válasza Saggitarius hozzászólására (») Ápr 19, 2008 /
 
Köszönöm a teljes adatlapot(még nem volt meg).Ebben megtalálod a méretezést is.
(#) Isti válasza masi1 hozzászólására (») Ápr 20, 2008 /
 
Kösz!
Nem baj,
Németül is tudok egy kicsit. :yes:
(#) masi1 válasza Isti hozzászólására (») Ápr 20, 2008 /
 
De itt is találsz egy könnyen elkészithető kapcsolást
http://www.hobbielektronika.hu/kapcsolások/fuggveny_generatorok.html
(#) Isti hozzászólása Jún 17, 2008 /
 
Sziasztok!
Köszönöm az eddigi segítséget, 555-össel működik, bár a kitöltést feszültséggel állítottam a cont lábon.

Abban tudtok-e segíteni, TL494-essel hogy lehet a két kimeneten ugyanolyan hosszú négyszögjelet vezérelni, csak épp az egyik a periódusidő 0%-tól tartana 45%-ig max, a másik ehhez képest időben 50%-95%-ig. szeretnék frekvenciát állítani, és a kitöltéseket egyszerre állítani. Kísérletezésre kellene. Végfokot megoldom.

Előre is köszönöm.
(#) SKY hozzászólása Feb 20, 2009 /
 
Sziasztok!
Kellene nekem egy négyszöggenerátor amin a frekit és a kitöltést is tudnám egyszerre változtatni.
(#) mex válasza SKY hozzászólására (») Feb 20, 2009 /
 
Már kaptál rá választ.Itt Egyébként meg semmi specifikáció?
(#) SKY válasza mex hozzászólására (») Feb 20, 2009 /
 
Tudom. De az nem teljesen jó. 0-5KHz ig kéne, de az elvet jó lenne tudni a paramétereket meg lehet változtatni, egyszerűen nem találtam olyat ami jó.
Következő: »»   1 / 3
Bejelentkezés

Belépés

Hirdetés
XDT.hu
Az oldalon sütiket használunk a helyes működéshez. Bővebb információt az adatvédelmi szabályzatban olvashatsz. Megértettem