Fórum témák
» Több friss téma |
Szeva Peti!Helyedben Wisper2000-t epitenék,a sima elektret mic helyett!
Hali!mit maszekolsz?
Érdeklödnék,freki mérő kapcs rajz után,van e?Csabi.
Kifejtenéd bővebben? Nem vagyok képben.
Idézet: „freki mérő kapcs rajz” Tudod kereső.
voltam már a keresőbe,de nem talaltam olyat ami nekem kellene.ICM7216
Sziasztok!
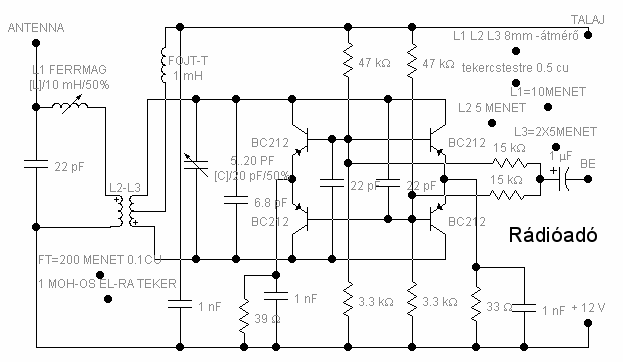
Szerintetek érdemes ezt az adót megépitenem, stabil lesz? Mert eddig nem nagyon sikerült olyan fm adót épitenem(kis teljesitnyűek) aminek nem mászott volna el a frekije, vagy falak között 5-10 méternél meszebb is be tudtam volna fogni.... (amúgy inenn van az oldalról a kapcsolás)
Mit idétlenkedtek 2tranyós poloskarajzokkal +12Volt,a Bc547 es hangfrekis tranyó ökrök nem adóba való,BFR92,BFR96 ról nem hallotatok?Én kvarcos adót szoktam 166Mhz re 4tranzisztorral 3,7Voltról müködik,áramfelvét,45mA 100mw.nemhangolodik el soha kvarc 18,43Mhz lehet kapni.Frekimérős vevövel mérem be,amit szintén én hangoltam át 126-200Mhz ig megy.Adó hatótáv 650-1200m.érdekes ugye?Dobok 1fetes rajzot zeneátvitelre is jó.Stabil 5V ról nem mászik ez sem.
Heló én eztBővebben: Link a kapcsolást épitettem meg stabil és ma teszteltem 2 Km hatótávom lett mikor az antena nem csak a garázsajtónak volt támasztva hanem felvitem a padlásra(Kb 6 méter magasan volt). A tranzisztorokat egy kis ventilátoral hüteni kell mert rendesen melegednek de jó hangminősége van és olcsó volt kb. 2000 huf mert ez is számit(nekem). Mert kis telyesitményü adókra több pénzt is kiadtam és nem is müködnek rendesen.
Lásd viszább egy pár hozzászólásal a munkám.
Ez nem adó öregem olyan mintha 1villanyszerelő rádiózavarót készitett volna,Ugy néz ki 2N3866 os van 2db.felépitve.Ezek nemis tekercsek hanem átkötések kizárt h.rezgőkörként müködnének Fm. sávon.Bocs de én 15éve kezdöként készitettem CCIR sávba 3db.2N3866-os tranyóval +BFR 91 es volt az oszci.1fok. ez 0,6wattot tudott kiadni,mire az antennára kiment koaxon keresztül csak 0,4Watt maradt.30éve az amatőrök jókat csináltak,nem úgy mint most,pedig internet sem volt,csak Rádiótechnika
A magasság számit de csak bizonyos mértékig.pl.ha 2m.es sávon adunk akkor a hullámhosz 2,5szerese legyen a földtöl való táv.semmiképp 2m.vagy 4m.Különben elárulom neked jó antennával 0,5Wattal eladok 4-5km.re.Rossz illesztetlen dipollal antennával 2Wattal 1-2km.lessz csak.Én jeladókat készitek 4tranzisztorosakat Vhf-re 150mW.os 1,2-1,8km.re megy nem zavarok Tv.ket,sem CCIR műsorsávot.A kimeneten 5tagú szűrő van.Antenna 14cm.hosszú+hosszabitótekercs 3,5menet,BFR96 a végtr.hűtés nincs.
"A magasság számit de csak bizonyos mértékig.pl.ha 2m.es sávon adunk akkor a hullámhosz 2,5szerese legyen a földtöl való táv.semmiképp 2m.vagy 4m."
Ennek semmi fizikai alapja nincs. Az antennának egy bizonyos magasság felett célszerű lennie, hogy a sugárzási paramétereit ne változtassa meg a közeli föld. De nincs ilyen, hogy pont 2,5szeres lambda! Az antennát minél magasabbra kell rakni. Egy bizonyos magasság felett persze el kell gondolkodni a kábelcsillapítás és az antennanyereség viszonyán (és kisebb csillapítású kábelt kell választani). Nem véletlenül raktak (raknak) 160 vagy 450 MHz-es antennákat 27 méteres (vagy éppen 50, vagy 100 méter magas) oszlopokra, tornyokra.
Azért Budai41 ráérzett valamire, persze nem úgy ahogy Ő írja, de azért "valami van". Az antenna magasságával valóban változik a térerősség reflexiós környezetben, (és hol nincs) mégpedig a minimum helyek lamda/2 periodicitással követik egymást, amit állandóhelyű összeköttetések tervezésénél figyelembe is kell venni. (Fresnel zóna vizsgálat) Pl.: 160 MHz- en egy hortobágy feletti 30 km es ök-nél az antennát 0. 5 m - el lejjebb kellett venni. (merthogy fejebb nem lehetett) Persze ez fix-mobil ök-nál ez nem érdekes, mert a térerő ugyis állandóan változik, és az FM (fi m) vevő aránylag jól kompenzál.
A térerősség magasságfüggő periodicitását ismerem, de az sok mindentől függ. A talajreflexióból adódó minimumhelyek távolsága a delta_h2=(lambda*d)/(4*h1) képlettel határozható meg, ahol a d az antennák távolsága, a h1 a "másik" antenna magassága. Ebből az összefüggésből nagyon sokféle antennamagasság kijöhet (véletlenül a 2,5 lambda is
)Viszont a talajreflexión kívül lehetnek más visszaverődések is. Ez az összefüggés a fixen telepített antennákra vonatkozik, ahogy Te is írtad, de ez a hatótávolságra (ahol a területen belül mindenféle távolság van) nagyon áttételes hatással van.
Heló én tényleg csak egy villanyszerelő és kárpitos szakmával rendelkező személy vagyok és csak egy fél éve keztem el a rádiózást de akkor is eddig ezel az adóval tudtam a legmeszebb adni.
Bocs, nem volt, és nincs szándékomban az állandóhelyű összeköttetések tervezését rövid hozzászólásban részletezni, de jól mondod.
Direkt olyan példát hoztam ahol jellemzően csak a talajreflexió dominált, ettől függetlenül persze sok más lehetőség adódhat a reflektált hullámok kialakulására. Ismerek olyan fogalmakat, hogy ellátott terület, összeköttetés távolsága, de olyat, hogy hatótávolság, olyat nem. Szerinted ez mit jelent? hol, mekkora térerősséget? Mert ugye az ök távolsága függ a vételi helyen levő eszközöktől is, ant nyereség, kábelcsillapítás, vevőérzékenység, stb. ezek pedig nem az adóberendezés jellemzői.
Rátapintottál arra a megfogalmazásra, amin gondolkodtam egy ideig, hogy használjam-e!
A hatótávolság egy pongyola, laikus fogalom, szerintem azt szokták alatta érteni "milyen messziről lehet venni". Persze mindazoktól függ, amiket írtál. Szerintem azt a távolságot jelenti, amelyről egy autórádióval (ne forszírozzuk,hogy milyen érzékenységű ), autóantennával (ne forszírozzuk, hogy mekkora nyereségű ) jó jelet veszünk (ne forszírozzuk, hogy mekkora jel-zaj viszonnyal ).Vagy kézirádióval, épületen belül Vagy... Ezen a topikon nem nagyon várható, hogy térerősségről essen szó .
Régi 80-as évek RT.újságokban szó van Fm.amatőrsávról 144-146Mhz sáv.antennákról,hullámhoszról.Egyébként fix.telepített antennára gondoltam,tehát a 2m.sávon adunk pl.GP.antennával az körkörösen sugároz minden irányba.a hullámhosszal azonos magasságban van az antenna a földhöz képest v.annak 2szerese akkor azt jobban elnyeli /csillapítja a talaj mintha pl.2,5m.2,8m.re lenne felszerelve.Nem véletlen hogy ezt a 144Mhz sávot használják a hazai amatőrök és nem PMR 446Mhz sávot.nagyobb táv ök.re alkalmasabb 2-3Wattal kedvező viszonyok között.
Hát igen a térerősségen sokmindent értenek az emberek,a rádióamatőrök adóépítésben jártasak,a kezükben levő vevő/szkenner adóvevő/frekimérő amin signal level is van,ez utobbi elég pontos viszonyitási alapot tud adni 1Ghz ig.Nos nem mindegy hogy kinai áthangoltzsebrádió poloskavevő vagy 1fetes tunerral +áldott 1mikrovolt alatti vevő van a kezünkben.Autórádiók 1-2mikrovolt érzékenységűek,olcsóbbak is de áthangolni szintézer miatt lehetetlen.Én pl. tesztvevőnek áthangolt Orion tunert használok 124-184Mhz.frekimérő is van benne
A poloska rovatban 1 novák nevű srác jókora hülyeségeket ír a fiataloknak.Pl. 2tranzisztoros rajz 2N2219.2N3866, elsőt mikrofonerősitőnek,másodikat oszcillátornak nevezi/rajzolta,az oszci bázisán +varicapdióda sincs,nemigen jön létre FM. moduláció.Azt írta 2Wattot tud a kapcsi.12Voltról,de 15Voltról többet is.Érdekes nekem 0,5-0,7W nál több soha nem jött ki +84Mhz en sem.Pedig mikrofonerősitőt nem számítva 3db.tranzisztor volt előtte.2N3866-ot nem gyártják 10éve adatlapján.Datasheetcatalog 1Watt.RF.out. írnak,max.telj.nek.2N2219 csak 0,8Watt van +adva.Aki ezt nem érti hogy 5Voltról is lehet jó adót müködtetni BFG595,BFG135-tel az ne csináljon semmit.Végülis nem az őskorban élünk.2N3866-ot 12Volt tápról könnyü tönkretenni,és gerjedékenyebb is.Tapasztalatból tudom.
Ha az oszcillátor bázisfeszültségét megváltoztatjuk, azzal elérhető FM, mert az megváltoztatja a tranzisztor parazita kapacitásait. Több MHZ-cel el lehet ezzel a módszerrel hangolni az oszcillátort.
Budai41 nevű srác!
Ha FM modulációt csak varikappal tudsz elképzelni, akkor részvétem... Másrészt 2N3866-ot ha nem gyártanak 10 éve, az miért zavar? Attól még könnyen beszerezhető, a kutyát nem érdekli gyártják-e még. Harmadrészt pedig azért is csak sajnállak, ha 2N3866-os tranyóval nem tudsz 0,5-0,7W fölé menni. Majd egyszer összefuthatunk, és akármilyen teljesítménymérővel meg tudom mutatni, hogy az említett tranzisztor bőven 0,5 W fölé tud menni. Aztán táthatod a szádat. Puszi.
Régen én is probáltam varicap nélkül,nagyon torz volt a hang a vevőoldalon,valami keskenysávú,kicsi moduláciosmélységü jel jött ki az adóból.Egyébként a legtöbb gyári Fm.adóvevőben,adórészen van varicap dióda,és 4-5db.tranzisztor.A japánok taiwaniak nem sporolják ki az alkatrészt mint mi.Még a tekercseket sem.
Nekem csak akkor volt nagyon halk és torz a hang, ha a kvarccal épített FM adót próbáltam modulálni. De ez nyilván az én hibám volt, illetve a rossz tervezésemé.
Nagyon sok olyan adót is építettem, ahol a modulációért nem varikap felelt, és azokat is nagyon könnyű túlmodulálni. De a löket szerencsére könnyen állítható egy trimerrel, így az nem nagy probléma. Ellenben annál jobb példa arra, hogy varikap nélkül is igen szépen létre lehet hozni a frekvencia-modulációt.
Hát igen nem minden kvarcot lehet elhúzni +-0,6-0,8% al hiába van a kvarcal sorba kötve 18menet vasmagos kistekercs és BB 139,BB505,pl.sokan 27Mhz,16Mhz es kavicsot használnak mert ilyen van otthon.Ez nem jó csak Am.be modelltávez.be.Javaslom a 17,43Mhz,18,43Mhz kvarcot vagy adókvarcokat rádióamatőrtalálkozó.Ezekkel simán lehet szélessávú Fm.et elöáll.ni 35-45khz es löket,aki tud számolni olvasott 83-utánni RT.újsagokat az tudja.BB139 kapacitása előfesz.nélkül 50pf.körüli érték!
Könnyü az oszcit túlgerjeszteni ekkor kezdi zavarni zúgni a közelben levő rádiókat.Ez ne következzen be javaslom 4,5Volt tápot BFR91,BFW93,tranyó bázisán 1,2-1,4Volt.emmiterben 470ohm,kollektoráram 2-3mA legyen csak,vagyis az oszci épp ketyegjen,v.cs.kondi 22-27pf.lehet Bázis-emmiteren,frekitől függetlenül,oszcilloszkóp nem szűkséges beméréshez,érzékeny vevő térerőmérővel.műszeres megfelelő.Arra a felharmonikusra hangolód a végét amire szükséget van 5*,7szeres,9szeres,stb.
sziasztok!
látom kissé felgyorsultak és eldurvultak az események én sem rögtön pll-es műsorszóró adóval kezdtem. mely rds-el és sztereóban küld. most tartok ott. és mellékesen nagyon odafigyelek a hangminőségre a hangkezelésre. mondhatni már stúdióteknika. no de nézzünk csak vissza a közelmultba. én a pályafutásomat úgy kezdtem hogy egy tranzisztoros poloskákat építettem elektret mikrofonnal. bf240 volt benne. és nagyfaterékat halgattam le vele azóta eltelt már egy pár éve. így utólag visszagondolva csak egy kis játékszer volt. ugye igen csak instabil volt. mindíg elhangolódott. aztán volt hogy egy kicsit még erősítettem , mikrofonerősítőt építettem még hozzá stb. kísérletezgettem vele. és mivel ez a műsorszóró sávon ment idővel elkezdtem zenéket küldözgetni. eleinte elment 100-200 méterre és örültem aztán meg lett építve a 99-es rt évkönyvben szereplő drótnélküli sztereó fejhalgató cikkben leküzölt adó kapcsolás. ami ugyan már 3 tranzisztoros volt. és azt leszámítva hogy nem volt még pll elég stabilnak bizonyult. ebben már varicap diódát hajtott meg a hang és ez már nem kel részleges amplitudó modulációt. egy bf244 vgy bf245-ös fet-el megépített megcsapolt tekercses oszcillátort alkotott. mely stabilabbnak bizonyult mint az eddigiek. ezt az oszcillátort tehermentesen laza csatolással illesztettek egy bf961-es leválasztó 2 bemenetes fetre. és majd ezzel hajtották meg a 2n2218 vagy 2n2219 tranyót. ez már egy korrektebb példány volt. és egy pll-el kiegészítve egy még stabilabb eszköz lehet. a pll-sem mind olyan jó. van hogy zajt visznek a hangba. sokan arra törekednek hogy egy adó minél szélesebb frekvenciatartiományt átfogjon. de nem mindig jó ám ez. ezzel együtt megnő a keltett zaj is. ezt aki vételerősítőkkel foglalkozott is tudja. én inkább a keskeny sávon dolgozó adót ajánlom. na és ahogy itt olvasható is volt semmiképpen sem szabad elfelejtkezni a felharmónikusok szűréséről. döntsük már el melyik frekin akarunk adni most gondolkodom hogy kipróbálom a cirkuláris antennát . melynek az az érdekessége hogy adás közben folyamatosan forog a polarizáció . érdekes mi én is annak találtam. és ajánlanám figyelmetekbe még ezt a fórumot is : Bővebben: Link
Igazad van én is BF961-el építettem adót kb.16éve már,90-110Mhz ig lehetett hangolni 5V-ról ment,a tekercsek menetszámának 1-2menet változtatásával tudtam /oszcitekercs állítani hogy a sáv közepén vagy végén adjon ki nagyobb jelet.2db.fet+2db.Bfr96 stab.tápról 400-750m.ig elment.32cm.drótantennával sugárzott +illesztőtekercs is volt.Én maradok 166Mhz,174,4Mhz.nél.kvarcot lehet rendelni 180ft.ért nem nagy ügy,9-ik,10-ik felharmonikusra hangolom az Rf.fokozatokat és kész,vevőm van 3db.is.eladásra Hyundai frekimérős zsebrádiót használok.Áthangolni 1,5órás munka a műszer benne van,csodálkozom hogy +senki nem jött rá.2800ft.Igy nem zavarom a szomszédokat,és az antenna is elviselhető méretű marad 14cm.Garantáltan kiszajú szép időben ki viszem a kertbe,madárcsicsergést beszélgetést 20m.ről tisztán hallja a mikrofon.Hihetetlen?
sziasztok!
készítettem egy felvételt a rádiómból és feltöltöttem . ha kíváncsi valaki hogy milyen a hangja töltse le és halgassa meg. aztán írjatok véleményt is. ezen a felvételen vannaka zenék közt szembetűnőbb hangerőkülömbségek. mivel a zenék eléggé eltértek hangerőben. a felvételt a telefonom headset-jének a gépem hangbemenetére kötésével készítettem. azon szépen bekapcsoltam a rádiót , beállítottam a hangerőt és mehet a felvétel Smile íme : Bővebben: Link
Köszönöm, nem hagyom ki a kapcsolásodat!
Winamphoz lehet találni compressor, limmitter direkt rádiós plugineket. Azzal tudnál javítani a dolgokon, bár nem hallgattam meg, de nem ártanak csak vigyázz ne ess tulzásokba! Van helyi rádió, ami veri megát, hogy milyen jo de ratyán szól!
Szia!
Én is építettem már egy fm adót. Nekem az a tapasztalatom, hogy a freki azért mászik el,mert merül az elem és ezáltal elmászkál a fesz, ami jelentősen befolyásolja a frekit. A stabilitás meg azon múlik, hogy milyen minőségűek ill megfelelőek-e az alkatrészek (főleg a kondik) és azok hogyan vannak elhelyezve a nyákon ( kesze-kusza/rendezett/ árnyékolt stb.) valamint a földelés jól van-e kialakítva és az antenna megfelelő méretű-e. A kapcsolásról nem tudok nyilatkozni, mert nem értek annyira hozzá. Ezek csak tapasztalatok, amiket elmondtam. Üdv! U.i.: Most látom, hogy azóta két oldal válasz érkezett és csak most vettem észre Sry |
Bejelentkezés
Hirdetés |




Érdeklödnék,freki mérő kapcs rajz után,van e?Csabi.



), autóantennával (ne forszírozzuk, hogy mekkora nyereségű
.
Sry 




