Fórum témák

» Több friss téma
Fórum » Kapcsolóüzemű (PWM) végfok építése
Lapozás: OK   13 / 241
(#) Milan90 válasza gulyi88 hozzászólására (») Márc 2, 2009 /
 
Szerintem azzal lenne a probléma,hogy ha nem akarok optocsatolót az áramkörbe, akkor a fetmeghajtó miatt (valami IR21xx cucc), a pwm rész testje az erősítő negatív tápja lenne. (Persze ha nem akarok csatolókondit) És hogy a visszacatolás meglegyen szinteltolás kéne,mert ha az erősítő elég nagy kettős feszről menne, akkor a 494-el nem tudnám figyelni, mert annak 5V a referenciája.
Amit le kéne osztani, és ezt ugyebár a negatív táphoz képest kéne,mert a test már eleve nagyobb lenne, mint a referencia.
A probléma azzal lenne, hogy a tápvesz a nagy terhelések hatására elmászkálna, ami pedig nagyon befolyásolná a visszacsatolt feszültséget.Ha az erősítő nem fordít fázist, akkor begerjedne, ha fázist fordítana, akkor pedig brutálisan csökkentené az erősítést, és még torzítana is.
Plussz sokkal jobban kéne szűrni a tápot, mert a referencia kapacitív kapcsolatban lenne a negatív táppal.

Bocs ha nem tudtam értelmesen fogalmazni.
(#) Milan90 válasza Milan90 hozzászólására (») Márc 2, 2009 /
 
Na mondjuk arra nem gondoltam, hogy a fetmeghajtó előtt is szinteltolás kéne. Így lehetne a test mindenhol ugyanaz.
(#) Milan90 válasza Milan90 hozzászólására (») Márc 2, 2009 /
 
De kár hogy hétfő van.
(#) szucsip válasza Milan90 hozzászólására (») Márc 2, 2009 /
 
Üdv! Az urak melyik kapcsolásról beszélnek? Vagy egyelőre még csak egy fiktív kapcsolást torpedóznak?
(#) cimopata hozzászólása Márc 2, 2009 /
 
Sikerült beszereznek néhány IRS20955-t és néhány IRFB4019
Megfelelő panellel elég ígéretesnek tűnik.
(#) szucsip válasza szucsip hozzászólására (») Márc 2, 2009 /
 
Kérnék egy kis segítséget.

A probléma a következő: 1mHy -s tekercset szeretnék készíteni, 2db -ot. (legrosszabból kiindulva: elég közel kéne lenniük egymáshoz a paramétereiknek)

Az igazi gondot az jelenti, hogy elég kicsikének kéne lennie, mert légmagosat tudnék tekerni (ha nem kerülne ~1000 Ft-ba 6 méter huzal), de az elég böszme nagy jószág lenne, nagy keresztmetszeti területtel--> sok zavart összeszedne.

A tekercsek egy precíziós komparátor tápjai elé lennének téve, de még azt sem tudom, hogy milyen frekvencián pötyögne a komparátor IC a kapcsolásban.



Konkrétan azt szeretném megtudni, hogy ha bemegyek egy hiradástechnikai üzletbe ( L betűvel kezdődik) akkor pontosan milyen típusú magot kell kérnem. Azt hiszem, a narancssárga mag az, ami 300Mhz -es.

Jah és a mag AL-jét vagy relatív permeabilitását hogyan tudom kideríteni (akár a típusszám ismeretében) Innentől kezdve már talán egyedül is menne.

(A kapcsolást egy kedves fórumozótól kaptam, eddig nem mertem vele próbálkozni a drága és talán helyettesíthetetlen IC miatt, de az egyszerű felépítése megfogott)
(#) cimopata válasza szucsip hozzászólására (») Márc 2, 2009 /
 
Nem tudom jól értelmezem e a kapcsolást, de az IC csak max +/-7V ot visel el. Így a kimeneten a tarnzisztorok sem viselnek el sokkal többet.
Mindazonáltal a fetek megfelelő nyitásához az a 7-7 volt igen kevés. Így a max tápfeszültség is eléggé alacsony.

Nem látom értelmét, kérlek javítsatok ki ha valamit félreértenék.
(#) szucsip válasza cimopata hozzászólására (») Márc 3, 2009 /
 
Köszönöm a figyelmeztetést! Ez a kérdés már bennem is felvetődött; hogyan tudná kinyitni az a szerencsétlen IC a feteket teljesen?

Aztán valaki (sokdiplomás ember) meggyőzött, hogy elég a feteknek. Amit nehezen, de elhittem neki. (most néztem hogy Threshold voltage min 2-4V | 250uA)

Most eléggé elbizonytalanodtam.
(#) cimopata válasza szucsip hozzászólására (») Márc 3, 2009 /
 
Ráadásul a felső fet teljesen rosszul van bekötve.

Az IC nem is tudná meghajtani a feteket a néhány mA-ével. A szinteltolást a kondikkal biztosan nem lehet megoldani.
(#) szucsip válasza cimopata hozzászólására (») Márc 3, 2009 /
 
Üdv!
Felfigyeltem valamire: Az FETek mint ha elő lennének feszítve a zener diódákkal. De nem értem, hogy hol tud záródni a zener árama. Mert még az IC fele sem tud menni, hiszen ott a kondenzátor.

Az LT1016 Continous output currentje |20mA|

Nem lehetne a Gatebe folyó maximális áramot kiszámolni valami U/Xc dologgal, miközben a kapcsolófrekvenciát mondjuk 1Mhz-nek vesszük?

Szerintem így legroszabb esetben kb 26mA jönne ki csúcsba, ha 7V os kimenetet feltételezünk.

(#) cimopata válasza szucsip hozzászólására (») Márc 3, 2009 /
 
Egy rakás ellentmondás van a rajzon:
A feteken a kondenzátorok polarítása szerint mindegyik fet - tápot kapcsolgatna a kimenetre. De az hülyeség mert azt a tápot kapja meg a 7805-7905 is a GND hez képest. Ha csak a kondik polarítása rossz akkor azért rossz a rajz mert az IRF9530 P-s fet és a Drainre a - a Source ra a + feszültség kell.
100+33 ohm+ 100nF + egy gyenge műveleti erősítővel nem lehet vezérelni a feteket.
Max akkor ha +/- 5V a táp az egész cuccnak és a kapcsolófreki nem több pár kHz-nél.

Végszó: nemérdemes tovább bajlódni ezzel a kapcsolással.
(#) Milan90 válasza szucsip hozzászólására (») Márc 3, 2009 /
 
Még egyenlőre cdsak csak egy része van meg, az is csak papíron, a többi még csak ötlet.
Talán még ma nekiállok, de még csak a rajznak.
Ha elkészűl nemt'om hogy tegyem fel, mert scanner nincs, Paint-ben meg nincs sok kedvem megrajzolni.

Amúgy fűrészgenerátor ST NAND lesz, így le lehet majd állítani, a fűrészgenerátor LM311,( ez persze nem túl gyors, de ha a kimenetét nem engedem teljesen egyik táp felé sem teljesen , akkor egy kicsit gyorsabb lesz.)A dead-time -ot RC-taggal és utána ST vel akarom megoldani. Fetmeghajtó IR2110 lesz.
Ilyet még nem csináltam, de nagyohn kiváncsi vagyok rá.
(#) atti212 hozzászólása Márc 3, 2009 /
 
Sziasztok!

Nemrég összeraktam az el alapján egy pwm erősítő vezérlőjét. A tl494-ről vettem le a fűrsézjelet, lm 319-el komparáltam össze a bemenő jellel. A modulált 4 szög egészen szépen meg is van. Tettem rá egy pici 1 fetes erősítőt, ami nyilván munkaellenállással dolgozott, csak meg akartam hallani a hangját, ami megtetszett nagyon. Viszont azóta sehogysem tudom ezt a 4 szöget normálisan felerősíteni. Az IR2110 nem örült ennek a jelnek, pedig meg volt csinálva neki az invertált bemenő jel is. Aztán kipróbáltam tranyós, majd fetes komplementer párokból összerakott véggel, na azok meg jól egymásra nyitottak, azaz ugy tünik. Ez azért lehet, mert a fel és lefutó élnél mindkét félvezető nyitva van? Ezt hogyan oldjátok Ti meg??? El van tolva valamivel a jel? Bocsi ha hülyeségeket kérdeztem, de most kezdem ezt a pwm erősítős bigyulát. köszi
(#) Milan90 válasza atti212 hozzászólására (») Márc 5, 2009 /
 
A fetek azért nyitnak egymásra, mert G-S lábak között lévő kapacitást túl lassan sütöd ki. Ezért a fetek bekapcsolását késleltetni szokták, hogy legyen arra idő, míg a másik fet kikapcsol.
Ezt a dolgot hívják dead-time -nak, vagy holtidőnek.Ez egy olyan pillanat,amikor egyik fet sincs nyitva.
Ezt logikával is meg lehet csinálni, de analóg kevesebb cucc kell.ű
Amúgy ilyet tud a TL494 is. Nézd meg az adatlapot.
Erről az egésztől még keresek valamit.
(#) Milan90 válasza atti212 hozzászólására (») Márc 5, 2009 /
 
Ja amúgy arra vigyázz, hogy minnél nagyobb a Dead-time, annál nagyobb a THD, mert ettől késik az erősítő, mert abban a pillanatban nem korrigálja a kimenő jelet.
Persze a hatásfok is növekszik.
(#) atti212 válasza Milan90 hozzászólására (») Márc 7, 2009 /
 
Esetleg valami rajzzal tudnál segíteni, hogy megoldjam a dolgot amit leírtál? Milyen logikával lehet megoldani? És analóggal hogyan? Te már építettél ilyen erősítőt?. köszi
(#) Milan90 válasza atti212 hozzászólására (») Márc 9, 2009 /
 
Én még nem építettem ilyen erősítőt.Ez lessz a legelső amit most csinálok.
Ez a rajz kb. 20ns Dead-Time -ot iktat be a jelbe. A felfutó éleket késlelteti. A diódát ne helyettesítsd mással, mert azért van ott pont ilyen, mert annak elég kicsi a kapacitása.
Az inverter mindenképpen Shmidt -trigger kell hogy legyen.
(#) Milan90 válasza Milan90 hozzászólására (») Márc 9, 2009 /
 
Ja csak a lényeg maradt le:

Deadtime.JPG
    
(#) szucsip hozzászólása Márc 9, 2009 /
 
Sziasztok!

Visszanéztem a fórumot, és egy kapcsoláson megakadt a szemem. Eddig azért nem foglalkoztam vele, mert +-25V ról ment, és nekem mindenképpen +-35, de inkább +-50V ról kéne hogy menjen.

(van egy toroidom, ami 320VA-es, és 2×2 feszültésget ad, meg egy szimpla 12V -ot)

A kérdésem az lenne a rajzzal kapcsolatban, hogy meg lehetne -e csinálni úgy, hogy +-50V -ról menjen?

Konkrétan arra gondoltam, hogy az OPAMP tápágába betenni egy-egy, kb 30V-os zeener diódát, és ez szépen lecsökkentené a feszültséget , hogy ne haljon meg az IC. Gondolom a zeenereknek is lenne némi kapacitásuk, ezért a kapcsolás alapfrekvenciáját jó lenne levinni jóval 100kHz alá

(Egy 300W-os mélynyomót szeretnék róla hajtani, szóval a magas tartománya nem érdekel)

A másik gondolatom az lenne, hogy az OPAMP a 12V -os leágazásról kapna tápot úgy, hogy szimmetrikusan lenne egyenirányítva, így nem kellenének a zeenerek.

Mégvalami , ami sztem gond lehet: nagy kivezérlésnél a visszacsatolást lehet, hogy le kéne osztani feszültségben. Ezt meg lehet tenni? Ha igen, akkor hogyan?

Köszönöm hogy végigolvastátok, várom a véleményeket.
(#) szucsip válasza szucsip hozzászólására (») Márc 9, 2009 /
 
Hopsz.

A lényeg lemaradt.
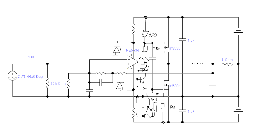
Itt a kapcsolás:

PWM.gif
    
(#) cimopata válasza szucsip hozzászólására (») Márc 9, 2009 /
 
Kár volt ennyit írni.
Az teljes táp annyi lehet amennyit az opamp max bír.
Ugyanis a műveleti erősítő hajtja meg egyben a feteket és feszültségben ezek illesztve vannak.
Ahhoz hogy a fetek lezárjanak az IC táplábának fel/lekell kapcsolnia egészen +/-Ut ig.
Egy kis kiegészítéssel talán jó lenne.

Pl a műveleti lábait fix tápra, annak kimenetére pedig 1-1 tranyót.
NPN-PNP emitterek a földre bázisok összekötve éa a kollektorok mennek a gétekre.
Bár ez nem biztos, csak 1 5let.
De akkor a géteket is védeni kell már a túlfesztől.
(#) szucsip válasza cimopata hozzászólására (») Márc 10, 2009 /
 
Igen...

Viszont az IRF9540 |20V| ot bír ki maximum Gete-Source feszültségként, ebből arra következtettem, hogy már ez alatt is jól kinyithat. Az NE5534 kimeneti feszültsége a 16V -ot is elérheti.

Ha az IC tápja 20V lenne, akkor szerinted lehetséges, hogy kinyissa ~teljesen a FETeket?
(#) cimopata válasza szucsip hozzászólására (») Márc 10, 2009 /
 
Az IC a kimeneteivel mindösszesen annyit művel hogy lekapcsolgatja a géteket a földre a 100Ohmos ellenálláson keresztül.
Tehát elviekben a legalacsonyabb tápfesz ha kivennénk a 100Ohmot az IC kimenetéről akkor 5-8V környékén van.

Amikor tegyük fel az IC az alsó fet gétjét zárja a földre akkor a felső fet +Ut-n van az IC +Ut lábával együtt.

Ebben az estben az IC 7-es lába +25Von van, a 4-es lába pedig durván -8Von.
Összegezve a kapcsolási tranziensektől eltekintve az IC átlagban ~33V tápon jár.
Ez már eléggé a határon van, így ezzel a kapcsolással biztosan nem bír többet.

Lerajzoltam egy ötletemet, hogyan lehetne kicsit növelni a tápfeszt. De maximum csak alacsony frekvenciás erősítésre. mert a meghajtás nagyon lassú.
A kimenőtekercs legyen nagyobb 200uH, meg a kondi is 5-10uF.
A VCS ellenállásait a nagyobb erősítés miatt kicsivel nagyobbra kel választani, a kondikat meg más értékűre, mert változott a kapcsolófreki.
(#) atti212 válasza Milan90 hozzászólására (») Márc 10, 2009 /
 
Köszi a rajzot, sajna még nincs időm kipróbálni, de ha véletlenül a Tiéd előbb elkészül légyszi szólj, hogy hogyan műxik. Köszi előre is
(#) szucsip válasza cimopata hozzászólására (») Márc 10, 2009 /
 
Köszönöm a magyarázatot, és az ötletet.

De nem értem, hogy ha akkor kerülnek nyugalmi állapotba a FETek, amikor a müv.erősítőn áram folyik, akkor hogyan lehet az, hogy.....

Szóval azt nem értem konkrétan hogy hogyan tudja az IC egyszerre mind a két FET Gate- jét földre húzni?

Ehhez az OPAMP -ban a végtranzisztoroknak egymásra kell nyissanak. Nem?

Közben nekem is lett egy ötletem, de nem tudom hogy mennyire lenne életképes: Nem az OPAMP tápáramával vezérelgetni a FETeket, hanem a kimenetével, mégpedig úgy, hogy egy egy tranzisztor erősítené fel a müv.erősítő kimeneti jelét.

A tranzisztor kollektorát 0V környékére akarnám állíta a bázisosztóval. Talán így gyorsabban ki is sülnének a Gate kapacitások, és csökkenne a FETek egymásra nyitása.

Erről mi a véleményetek?
(#) szucsip válasza szucsip hozzászólására (») Márc 10, 2009 /
 
Lerajzoltam, hogyan gondoltam

(az OPAMP 20V alatti tápot kapna, és a zeener diódák korlátoznák a kollektorfeszültség maximumát, hogy ne lépje túl a 20V-ot)
(#) cimopata válasza szucsip hozzászólására (») Márc 11, 2009 /
 
Az felső fetet rosszul kötötted be.
A szorsz P-s fetnél a + táp fele álljon!

Mindegy, a kapcsolás amúgy sem lenne jó mert a géteket nem kötheted csak így össze. Magas tápfeszültségen szintet kell illeszteni.

Ha így kötöd össze őket akkor el fognak durranni. Ahhoz hogy le tudjanak záródni a fetek a géteknek meg kellene kapniuk a +/- tápfeszt. Ezt pedig nem bírnák ki.
(#) szucsip válasza cimopata hozzászólására (») Márc 11, 2009 /
 
Üdv!

Nem tudok rájönni, hogy minek a szintjét kell illeszteni mihez? (sajna ilyesmit sem tanultunk az iskolába)

És mi lenne, ha a P és az N csatornás Feteket egymás helyére tenném be úgy, hogy a Drainek a tápok felé nézzenek? (ahogy az a nagykönyvbe is van) Mert akkor így nem a leföldeléstől, hanem a tápra kapcsolástól nyitnának.

(#) cimopata válasza szucsip hozzászólására (») Márc 11, 2009 /
 
Üdv.

Pedig eléggé egyszerű.
Ahhoz hogy mindegyik fete megfelelően kinyitni lezárni tudjuk, akkora feszültségeket kellene ráadni a fetre, hogy a párja azt már nembírná és átütne a gétje.
A fetek Ugs feszültsége max +/-20V lehet.
Akkor ezzel az adattal gondolt végig, hogy biztonságosan működne e pl +/-20V-ról.

Azt, hogy a Draineket kötnéd a tápra semmit sem oldanál meg. Ugyanúgy kellene szinteltolás a fetmeghajtásoknak.

Nézegesd egy kicsit ezt: IR class-D tutorilal
(#) szucsip válasza cimopata hozzászólására (») Márc 11, 2009 /
 
Miért nem bírná a párja? Ugyan ugy bírja az is a 20V G-S feszültséget, és mindkettő bírja +- ba is. Mert hiszen mindkettőnek a source pontja közös lenne, és a gate is.

Vagy olyasmi az ok, hogy ha kinyit pl a felső fet, akkor a az ő tápfeszültsége megjelenik az alsó Fet source kivezetésén?
Következő: »»   13 / 241
Bejelentkezés

Belépés

Hirdetés
XDT.hu
Az oldalon sütiket használunk a helyes működéshez. Bővebb információt az adatvédelmi szabályzatban olvashatsz. Megértettem