Fórum témák
» Több friss téma |
A kérdés a következő:
Hogyan lehet megoldani azt, hogy egy lámpát három helyről, azaz három kapcsolóval bárhol fel és le kapcsolhassam? Szóval ha erre tudna valaki egy 'rajzot' mutatni azt pontoznám. Villanyszerelőknek valszeg rutin feladat... Milyen kapcsolók kellenek hozzá, hogyan kell bekötni, vezetékelni, stb... Segítséget előre is köszönöm!
A fórumban már volt pár rajz róla, használd a keresőt, neked két alternatív kapcsoló meg egy kereszt kapcsoló kell, itt egy rajz is a sok közül 5. ábra Bővebben: Link
Szia!
Minimálisan egy keresztkapcsoló és két váltókapcsoló kell, de lehet mind keresztkapcsoló is. Megvan a hozzáértésed a művelet elvégzéséhez? Mert egy kis figyelmet igényel a hálózaton történő átalakítás, módosítás. A keresztkapcsolókon rajta szokott lenni a bekötése, de mindjárt lerajzolom. Szerk: Beelőztek
2 db alternatív vagy váltó kapcsoló és egy kereszt kapcsoló bárhol kapsz.
De vannak öntartós relés megoldások is. Bekötések rajta vannak a kapcsolón.
Szép rajz
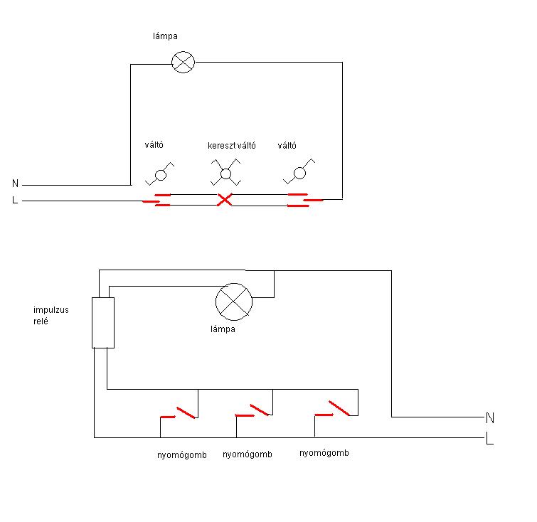
Hello!Csináltam én is 2 féle rajzot gyorsan.Az első az váltó-keresztváltó kombinűcióval van a második pedig impulzus relével.Remélem érthető.
Mindenki kielégítő választ adott ezért mind megérdemlitek az 50 pontot, de rtzo volt a leggyorsabb, ráadásul elég korrekt pdf-et csatolt ezért őt illeti a pont.
Köszönet mindenkinek!
Köszönöm gyorsan született!
Szia.
Azt még azért tudnod kell,hogy a két alternatív kapcsoló közé bármennyi keresztkapcsolót be lehet kötni,és így nem csak három ,hanem akár 10 ,100,.... kapcsolód is lehet ![]() Üdv!
Köszi, 100 kapcsolót azért nem tervezek, de azért köszi
rtzo valóban nagyon gyors volt
megnéztd az inpulzus relés megoldást is? A kereszt kapcsolós megoldásnál mindenképp meg kel keresned a 2 váltó kapcsoló szálát azaz 4 kábel. Az inpulzusnál meg csak 1 szálat kell vinned (bárhonnan), ráadásul valamikor későb egyszerűbben bővitheted a kapcsolók számát.
Igen mindenki jó választ adott, legszívesebben mindenkinek 50 pontot adnék, de sajna valami alapján dönteni kellet...
Ez a tuti! És már fényerő szabályzósban is létezik!
Én használom a nappalimban, az udvaron és jelenleg 7 helyről kapcsolható-)))))))))
Sziasztok!
Remélem nem térek el nagyon a témától. Két kereszt és két alternatív kapcsolóval működő halogénes világításom van. Le akartam cserélni az izzókat ledesre, és azt tapasztaltam, hogy ha csak ledes "izzó" van benne, akkor lekapcsolt állásban is halványan világít, de ha van benne egy halogén is, akkor nem világít. Felkapcsolva rendesen világít minden izzó. Hol keressem a hibát? Jól gondolom, hogy valami vezeték érhet hozzá a két alternatív kapcsoló egyikénél valahol? Előre is köszi.
Szia!
Nem jól gondolod, mert ha vezeték érne hozzá valahol valamihez, akkor a halogén izzó is világítana. Inkább azt gyanítom, hogy a lámpa szál (mely a kapcsolótól az izzókig megyen) hosszan közös csőben fut a fázissal, és kapacitív csatolás következtében összeszed egy kis energiát, mely az izzó szállal rendelkező ohmos fogyasztónál(halogén) kisül. Vagyis az a csekély áram, nem elég az izzó szál izzításához, de a LED már egy fél milliamperről is képes fényt emitálni. Hasonló problémával találkoztam már fénycsöves lámpa testnél, ahol lekapcsolt állapotban is sötétben észlelhető volt, hogy fény dereng. Üdv.
Szia!
Világítós a kapcsolód? Van benne glimlámpa? Mert ha igen, akkor az a hunyó! A kompaktfénycső villog, ha lekapcsolt állapotban glimlámpás kapcsolóval van működtetve. Ez tapasztalat!
Köszönöm a válaszokat.
Nincs glimm egyikben sem. tibibalogh520: az általad leírt zavart hogy lehet kiküszöbölni? Lehet?
Szia!
Köss párhuzamosan a LEDes lámpatestbe ellenállást, a következőképpen. Köss sorba 4db 100 Kohmos (minimum1/4 Wattos) ellenállást -a közöttük lévő lábat természetesen vágd rövidebbre- húzzál rá zsugorcsövet (akár két réteget). Az így kapott 400 Kohmos ellenállást kösd párhuzamosan a lámpával. Annak, hogy legalább 4 darabból érdemes készíteni, az az oka, hogy így a hálózati feszültség -mikor felkapcsolod a lámpát- meg oszlik az ellenállásokon. Egy-két ellenállás át üthet a hálózati fesz hatására. Lehet, hogy elég lesz egy lámpába, de lehet hogy mindegyiknél meg kell játszanod. Próbálkozz, aztán meglátod.
Egy párhhuzamos 0,2... 1 mikrofarados kondi is lehet segítene.Ez legalább nem melegszik.
Szia!
Így igaz, csak első felindulásomban azért nem mertem javasolni, mert ott jobban oda kell figyelni a szóba jöhető típusra is. Mivel nem ismerem csakip ez irányú felkészültségét, inkább hanyagoltam ezt a "vonalat". Azért számoltam a 400K-val, mert így mindössze 0,13W diszipálódik, és ez ráadásul megoszlik a 4db ellenálláson, tehát nem okoz számottevő melegedést. Üdv.
Köszi.
Ugyanakkor folyamatos fogyasztást okoz, ugye? A felkészültségem pedig... hmmm... alapszintű.
Szia!
Nem! Az a kb. 0,13W csak felkapcsolt állapotban jelentkezik, mivel a lámpával kötöd párhuzamosan. A kapacitív szórások okozta áram pedig úgymond az egész hálózaton -nem csak a lakásén- jelentkezik, de ez egy lakás esetében oly csekély, hogy a fogyasztásmérő nemképes mérni. Felőlem csinálhatod kondival is, de SZIGORÚAN, csak hálózati feszültségre alkalmas típust használj, és természetesen az is fogyaszt.
Sziasztok!
Villanyszerelő vagyok és nemrég voltam egy előadáson a kompaktizzókról az OFF osramnál ON, és ott mondták el a nagy titkot a mérnökök. A kompaktizzók esetében 2 esetben villoghat lekapcsolás után az izzó. 1. Ha glimlámpás kapcsolóval van megoldva 2. Ha nem fázishelyesen van bekötve a foglalat. Tehát első körben én megnézném a helyedben a foglalatot!!! A foglalat aljába kell legyen bekötve a fázis, az oldalába pedig a nulla.
Ez barátom, nem titok. A "klasszikus" fénycsövek is produkáltak hasonlót.
A 2. pont így helyes: Ha a kapcsoló nem a 0-t szakítja. (Teljesen mindegy, hogy kötöd be a foglalatot, azután úgyis egy szimmetrikus diódahíd következik.)
1.Ha nem titok akkor miért nem emlitette eddig senki itt a topikban?
2.Mellesleg elolvashatnád a hozzászólásod mielött elküldöd. Idézet: „Ha a kapcsoló nem a 0-t szakítja.” 3. Nagyon nem mind1, hogy miként kötöd be a foglalatot (szabvány irja elő!) 4.Nem őriztünk együtt libát...szal nem vagyok a barátod...
Szia!
Abban egyet kell, hogy értsek veled, hogy a foglalat bekötést szabvány írja elő érintésvédelmi szempontból, bár az újabb (nem-is annyira új) foglalatoknál, az izzó menetes része is, CSAK teljesen betekert állapotban érintkezhet a foglalat érintkezőjével! Ezzel a megoldással elérték, hogy izzócserénél esetenként előforduló oldal érintkezőre kerülő fázis, áramütést okozzon (nem fixen telepített lámpatestek, pl. asztali lámpa). Abban viszont Imi65 "barátommal" kell hogy egyetértsek, hogy a kompakt fénycső "villogása"szempontjából teljesen mindegy, hogy melyik csatlakozójára kerül a fázis! Az a fránya elektronika is ismeri a fizikát, nem csak a villanyszerelés (ezt nehogy sértésnek vedd, mert Én is villanyszerelő vagyok ), még-ha azok a nagy tudású előadók meg-is próbálják magyarázni a misztikusnak tűnő jelenségeket...Vagyis, ha a Magad tudatában nem vagy tisztában a dolgok magyarázatával, akkor fenntartással fogadd, a -sokszor- gyorstalpalón végzett előadók által mondottakat...
Talán inkább, ha nem a fázist szakítja, vagy ha a nullát szakítja. Ami természetesen tilos, mindig a fázist kell szakítani, vagy fázist és nullát egyszerre. Földet tilos bontani!
Üdv Inhouse
Na akkor mi van a hordozható lámpákkal? Amik a dugaljba vannak csatlakoztatva?
És a zsinórkapcsoló azt szakít meg amit akar!
Azokat kihúzod a konnektorból, mielőtt izzót cserélsz. A csillár meg fixre szerelt, és lehet, hogy lusta lesz lekapcsolni a kismegszakítót az illető.
Te most húzod magad? Üdv Inhouse
sziasztok , elég amatőr leszek , de nagyon megköszönném segitségeteket
vettem egy kétkapcsolós fali kapcsolót , és nem tudom hogy kössem be , van egy tippem hogy a b- be bekötöm a bejövő pl kék kábelét, L be a kimenőt fönt az egyik kimenő, egyik kapcsolni kivánt lámpa kék vezetéke másik a másik lámpa kékvezetéke. de amin vissza szaladgálnak az elektronok azt hova kössem ? |
Bejelentkezés
Hirdetés |







