Fórum témák
» Több friss téma |
- Ez a felület kizárólag, az elektronikában kezdők kérdéseinek van fenntartva és nem elfelejtve, hogy hobbielektronika a fórumunk!
- Ami tehát azt jelenti, hogy a nagymama bevásárlását nem itt beszéljük meg, ill. ez nem üzenőfal! - Kerülendő az olyan kérdés, amit egy másik meglévő (több mint 17000 van), témában kellene kitárgyalni! - És végül büntetés terhe mellett kerülendő az MSN és egyéb szleng, a magyar helyesírás mellőzése, beleértve a mondateleji nagybetűket is!
Bővebben: Link
Na most már sikerült!!!Így talán tudtok mondani valami okosat.watt neked meg annyit, hogy BOCS+'"+'":'"!?'"!':"!'!
Sziasztok!
Próbáltam kiszámolni az előtét ellenállásokat, és rájöttem a titokra. Aki még nem ismeri annak felrakom: Kép: Hivatkozás
Boccs a tápfesz.-nél a "ü"-ről lemaradt az ékezet
Hello!
Elnézést kérek, nem voltam elég körültekintő, így sáros vagyok ebben a kérdésben. De ezzel a kapcsolással nem lehet jól kijönni 0..24V/2.5A kimenőfeszültség/áram mellett. - Az IC maximális tápfeszültsége 32V. (Ezt nem szabadna túllépni, de megközelíteni sem ajánlatos.) Tehát a rajz által ajánlott 30V maximális tápfeszültség indokolt. - Ehhez tartozó váltófeszültség értéke 30V/1.3=23V. De ez a trafó terheletlen feszültsége lenne. 5% terhelési veszteséggel számolva ez maximum 22V névleges trafófeszültséget jelentene. (eddig ugye az jött ki, ami a rajzon szerepelt) Nézzük a veszteségeket, amik összeadódnak: - A maximális kimenő feszültség 24V. - A sönt ellenálláson 2.5A esetén 0,25V esik. - A két végtranzisztor bázis-emitter feszültsége minimum 2x650mV azaz 1,3V. - A meghajtás bázisárama, (pesszimistán) 25-ös végtranyó, és 100-as meghajtó bétával számolva: 2,5A/25*100= 1mA. Így az R5 ellenálláson eső feszültség, 3.3kohm*1mA=3,3V - Az IC kimenete nem tud felmenni a tápra, katalógus szerint 30V táp és 10kohm terhelés mellett, ez átlagosan 28V, tehát 2V a maradék. - A pufferkondenzátornál van brummfeszültség, melynek közelítő nagysága 1,5*It/Cp azaz 1,5*2000µF/2500mA= 1.2V ennek csúcsértéke kb. 1,7V. Nos mind ezt összeadva, megkapjuk a minimális pufferkondenzátor feszültséget. Azaz 32,5V. Látható, hogy a 30V puffer feszültség pesszimista számítással nem teljesíthető! Ezt a feszültséget "neccesen" csak egy 24V-os trafóval lehet kihozni, ami viszont az IC számára már nem megfelelő. Mind ez mellett, nem vettük figyelembe, hogy a hálózat feszültségesése -5 és +10% ami tovább ronthatja a helyzetet. üdv! proli007
Üdv.
Mivel a szobámban elfüstölt a villanykörte foglalat, ki szeretném cserélni. Nem tűnik bonyolult műveletnek, csak kicsit félek. Kérdés hogy ha lekapcsolom a biztosítékot akkor már nem rázhat meg az áram, vagy kell még valamire figyelni? Marad még feszültség a vezetékben? Köszi.
Elvileg igy jo. En azert (ha nem tul bonyolult, tehat nem kell utana a mikrosuto, video, stb orajat allitani) lekapcsolnam meg a lakas fomegszakitojat is. Ordog nem alszik alapon
Van par lakas, ahol a kismegszakitok valami erthetetlen logika szerint kapcsoljak a fogyasztokat szobara es fogyasztasra valo tekintet nelkul... A tutti a fazisceruza lenne. Vagy egy kis 230-as villanykorte egyik vezeteke a foldelesre, a masik a tobbi ket polusra egyenkent. Ha nem eg, akkor nincs bennuk fesz.
Elvileg nem maradhat, de ha beruházol 1-2 száz forintot 1 fázis ceruzába, akkor biztosan meg tudod állapítani.
Üdv: SzervízMacska
Kiskacsa, párhuzamosan ne kapcsolgass LED-et. Nem fog az áram egyformán eloszlani rajtuk.
Hello!
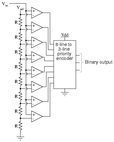
Meg vagyok zavarodva a flash típusú AD convertekernél, hogy ahány bites felbontást szeretnénk annyi komparátor kell? Azaz 8 bit esetén 8db, n bit esetén n db komparátor kell. Jól látom? Köszönöm!
Az egész kérdésed zavaros! Milyen konverterről van szó?
A képen flash típusú AD konverter van, de már megtaláltam a kérdésre a választ (2^n)-1 komparátor kell n bites felbontáshoz.
Már értem, de mit akarsz ilyen módon megoldani? Mert 3 bitest még lehet építeni, talán 4-est is, de már az is alkatrész temető.
Mert gyors(pl szkópba AD), rosszul mértem fel a felépítését és azt hittem hogy 8 bithez 8 komparátor kell. De most már látom hogy még smd alaktrészekből is... Marad a tokozott forma, még nem találtam ic-t de gondolom nem egy olcsó ic-k ezek. Amik gyorsak.
Van egy ilyen topic(szkóp építése), csak keress rá. Nekem egy AD9200ARS-em van(20MSPS), ami egy lassabb szkóphoz elég lehet. De vannak 100MSPS-es A/D-k is. Nem is ezzel van a baj, hanem a keletkező adattömeg eltárolásával és feldolgozásával.
Sziasztok, a sz.gépem tápjáról kijövő két GND (fekete) kábelt össze lehet kötni???
Válaszotokat előre is köszi
Igen, azok belül egyébként össze vannak kötve, onnan csak külön jönnek ki.
Köszi szépen (szükségem volt egy közös GND-ra)
Sziasztok! Meg tudnátok mondani nekem hogy egy12voltos 75ah akkumlátor meddig birja ha egy 12 voltos 50w-os izzó van rákötve. Köszi
Sziasztok!
Forrasztgattam itthon egy áramkört. Elfogyott az ón így vettem újat. De ez valahogy nem akar megfolyni rendesen, nem fut olyan szépen körbe. s a forrasztás után is matt a felület, nem olyan szép fényes. Nem megfelelő ónt vettem volna?
Piros tekercs: Ólmos
Zöld tekercs: ólommentes. Én is ólommentessel forrasztok, nincs vele semmi baj. Megfelelő eszközzel megfelelő munka. Ha gyufával olvasztod meg, akkor nem sérül az ón, és látható, hogy milyen/mennyi folyasztószer van benne.
Üdv!
És a kék tekercs?
Az valami unión kivüli szabvány lehet (esetleg a barkács-márka színe), itt az összetevőkből lehet rájönni.
Összesen ennyi felirata van:
Size:60% Dia 0,56mm N.W. 250gr Super Solder Wire
Az alábbi áramkört szeretném megépíteni:
Hangkapcsoló Elkészítettem próbapanelen ráraktam a kimenetre egy multimétert ami folyamatosan 5,1V-ot mért. Tapsra sem változik, ha megfújom a microfont akkor a tüdőm kiköpése előtt 4,6V-ra tudom levinni. A kérdésem az, hogy mi lehet ennek az oka illetve, hogy ha pl a mikrofon érzékenysége, típusa, stb... akkor mivel lehet érzékenyebbé tenni? Ennek a kapcsolásnak tapsra 0V-ot kell adnia vagy csak lemenni egy bizonyos fesz alá?
Olvasd el a kapcsolás címét!
Idézet: „Hangra aktivált sípoló” Gondold át újra, kimenetre ne multimétert, hanem piezzót, vagy oszcilloszkópot tegyél.
Momentán oszcilloszkópom nincs.
Piezzo-t... szóval én az eredeti AVR kapcsolást szeretném megcsinálni csak valahogy az nem akart működni ezért gondoltam, hogy ha előbb az alap kapcsolás működne akkor talán többre mennék. (vagyis nem tudom hol a hiba.)
Vagyis, akkor lehet, hogy a kapcsolásom jó.
Na akkor nekifutok még egyszer. Csak jó lenne, ha tudnám állítani az érzékenységét. (4 éves kislányom nem tud olyan nagyot tapsolni) |
Bejelentkezés
Hirdetés |





Az valami unión kivüli szabvány lehet (esetleg a barkács-márka színe), itt az összetevőkből lehet rájönni.





