Fórum témák
» Több friss téma |
Ha egy rajzra gondolunk, akkor az 2*250W-os, tehát sztereo rendszer. (de ha linkeled, hogy mire gondolsz, akkor tudok pontos választ adni) Jah, és az alkatrészeket mindíg a lehető leg kisebb lábbal kell beforrasztani, sokkal esztétikusabb lesz, meg kevésbé gerjedékeny!!
felvan rakva amr elobbb egy ".lay" formatumba azt csinalom
amugy ugylehet hogy van egy par hiba abban
ahogy mi lassuka szamitogepen ahogy megnyissuk ugy kell lenyen a nyakon is maskepp minden megfordul ha ugy vasaljuk ra de llehet hogy en beszelek felre.......ha valakinek van keszen egy es mukodik akkor kuldjon par kepet rolla lecci
egy kerdes meg
hol lehet 2n5886 os tracit kapni? mert en nem kaptam sehol sem
koszonom
Szívesen!
Cserébe légyszíves inkább a válasz gombot használd, ne az "Új kérdés felvetésé"-t.
Üdv mindenkinek!
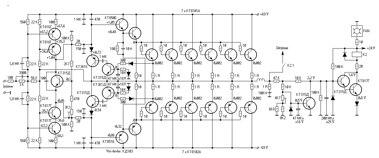
Tavaly megépítettem ezt a reflex erősítőt...Csak az a baj vele h nem hajtja meg a hangfalat.Raktam többfélét rá,de nagyon ratyin szóltak,ha maxra tettem a hangerőt éppen szólt vhogy de semmi dübörgés nem volt.Mostanra már nem érdekel,tavaly óta itt porosodik,de ha vki tudna segíteni örömmel venném.De lehet majd elviszem szerelőhöz.szóval nekem ez nem jött be:S
Sziasztok van egy olyan problémám amiben remélem tudtok segíteni.Van egy jó kis rx-500 asunk amit sajnos tönkre tettek és megpróbáltak megjavítani de kis sikerrel és darabokban jött vissza.a panelokat megjavítottuk csak a bekötéseket nem vágjuk mivel darabokban hozták vissza.Csak annyit kérnék hogy ha van valakinek egy ilyen műszere akkor az fényképezze már le bekötési pontokat és küldje már el nekünk mert sokat segítene.Előre is köszönjük.
Vannak itt doksik, remélem tudod használni.
2N5886 ot mivel udnam helyetesiteni? mert itt felenk nem kaphato egyaltalan(rendelni sem tudok)
Hello! Hogy állsz a reflexeddel? Nem dobsz fel képeket róla, érdekelne hogy áll éppen.
Üdv.
sziasztok mesterek!
az a helyzet hogy megépíteném én is ezt a bűvös RX500-ast, de mostmár teljesen megvagyok zavarodva... innen letöltöttem egy kapcsolásirajzot meg kézzel rajzolt nyáktervet.ez most 2x250w??? vagy hidalva van és akkor nem sztereo?meg azt sem értem ha sztereo akkor miért van csak egy védelmi áramkör?ha valaki elmagyarázná azt megköszönném! üdv mindenkinek:dani
Gratulálok a szép egész értelmes hozzászólásodhoz.
Mostmár tudjuk mit szeretnél.
Boccs !!!!
Valamikor réges régen volt egy rx800-asom az egyik oldalát kinyirtam majd eladtam sajnos pedig fájin cucc volt ! Mostmár tudom. Disco-ban dolgoztam volt 6 siva 1200-as,meg egy ilyen csoda ,rövidzár kivételével ölhetetlen volt , mig a sivák fél óra mulva tojást sütöttek,addig az rx még reggel is klimatizált. Na de a lényeg ,Kellene a kapcsrajza megépiteném nagyooooon! Ha valakinek megvan az originál HE3-as tokozásu orosz masina kapcsrajza és elküldené nekem megköszönném. Külön köszönet Doncsónak a felvilágosítás , hogy ne legyek paraszt.
Persze mert az rx800-ban nagyobb borda van mint a siva1200-ban
tudom mert láttam mindkettő belsejét.Mindenesetre mindkettő jó magyar végfok, én is szimpatizálok velük. Nekem egy RX500-am volt régebben, azóta is bánom hogy eladtam.
Borda? Nekem az rx-ben a legjobb indulattal is csak
kb. 4mm-körüli alulemezen volt hármassával ha jól emlékszem KT vagy ijesmi cccp tranyó, míg a sivában korrekt profil vot. Ja és vol egy pár darab 600-as ugyan ez csak HE2-ben egy tranyó párral ,akarom mondani: tercel kevesebb, két oldal hidba azok is jók voltak de az igazi az azért a "nyóckilós" volt mostanában nincs időm barkácsolni de ezt megcsinálnám, meg én!!!
Hát amit én láttam, abban amikor levettük a fedlapot, két akkora borda volt, hogy beterítette a tetejét, és azon volt a nyák is, de az magyar félvezetőkkel volt szerelve, ráadásul mondhatnám SMD technológiával, ugyanis az alkatrészek a nyák maratott felén helyezkettek el.
Lehet többféle gyártásban készült. Üdv.
Figyu skacok !!!!!
Mintha a soviet rx 800 as style neme? Szerintetek, szerintem hasonlit még a fesz is 2x70volt? meg a kttranyók terc-ben.
Elképzelhető hogy az, sőt, elég valószínű. Honnan való?
Hát innen http://www.geocities.com/pa_schematics/1000Wpa-2.html
Igaz 1000w-osnak irja gondolom hidba, ott lessz a többi rajz is a hidalás,meg a védelem, az is hasonlit az rx-hez 1000w kétszer 70 volt, hát visitva. Uraim és Doncso kollega lehet nyákot tervezni ! Aztán had szoljon!!!!! Ugy rémlik hogy a KT 815 g (mert hogy az g!) BDV-vel kompatibilis, ha jutottok vmire szoljatok,vagy ha valakinek van egy RX-800 kukkancson bele "oszt" jelezze ha hasonlit vagy tényleg az!!!
Sziasztok !
Minosegre hogy szolnak ezek az RX-ek? Viszonyitva pl. Quad-hoz..
Hát cimbora, nem kis meló lesz, kezdve azzal, hogy kell helyettesítőket találni, majd egy elfogadható nyákterven keresztül finomítani és finomítani.
Az enyémnek nagyon tetszett a hangja, pont QUAD után volt egy RX-500 am.
Nézd csak Bővebben: Link ez is RX 800 és Bővebben: Link ez is az, neked melyik fajta volt?
HI Kollegák.
Doncso, balról az első masina volt. tisztelt gtk quad-dal elvböl sose foglalkoztam, de:vegyünk egy pioneer 100 cdj-t valószinü ismered, erre modjuk kötünk egy sivát. Eredmény :szép tiszta digit hang,viszont valami hiányzik...(fehér zaj mondjuk hivjuk igy) Vagy:vegyünk egy technics 1200mk2 bakelit "plattenspilert" rápakoljuk egy rx 800-ra , ezt beledugjuk egy jókis porkoláb 18 colos csigabigaládába a lemezjátszóra mondjuk joy kitikonti-jojenergyzer Eredmény:APJA!!! lemész hidba KÉTSZER!!! -benne van az a kis + ami kell egy telitettebb zene skálát terit be (ezt "oszt" jól megfogalmaztam) itt azért disco-ról meg bulisoundról van szó! withe fülhöz meg be kell szerezni monyuk egy Dual-cuccot made in germany. "jól szoltam doncso ?"
Jó a szó! Bár mindent nem értettem teljesen
de a lényeget kiszűrtem.Mindenképpen külömbséget kell tenni a hangosítás cucc és az audiofil zenehallgatás között. Nekem nagyon tetszenek pl a Castone erősítők Garry ládákkal, a SIVA is tetszik, a Reflexem hangja is bejött pedig az enyém magyar volt. Az RX800 amit szétkaptunk az a jobb oldali volt. Egyébként közben utánnanéztem, annó orosz reflexet a magyarok is átvették később, majd abból lett a SIVA, az is REFLEX, innen a többféle REFLEX RX széria. Sőt mondok még egy ujat, a CASTONE is magyar erősítő. Valami reflex kooperáció az is. Érdekes sztorik. |
Bejelentkezés
Hirdetés |




hol lehet 2n5886 os tracit kapni? mert en nem kaptam sehol sem

de a lényeget kiszűrtem.




