Fórum témák
» Több friss téma |
Segítséget szeretnék kérni az alábbi probléma megoldásában:
van egy biztonsági kameránk, amelynek a kábelét valami paranoid szomszéd elvágta. Most, mielőtt megjavítanám az átvágott kábelt, egy áramkört szeretnék építeni, amely érzékeli, ha elvágják a 13,5 V-os tápkábelt, és hangjelzést ad. Ezt eszeltem ki: a tápkábelbe sorosan bekötök egy relét; normál esetben a relén átfolyik az áram, és behúzva tart; ha kienged, bekapcsolja egy csengő áramkörét. Így néz ki a kapcsolás (a Z alakú jel azt a helyet szimbolizálja, ahol a paraszt-szomszéd elvágta a kábelt): (lásd a fájlmellékletet.) Meg is építettem,de sajnos nem működik, asszem azért, mert a relén túl kicsi feszültség esik (ettől féltem előre is). Mivel a fogyasztóval sorosan van kapcsolva, feszültségosztót alkotnak, és mivel a relé ohmikus ellenállása nagyon kicsi, a relé névleges feszültségéhez még csak hasonló feszültség sem esik rajta. Most rámértem: 0,01V hogyan lehetne egy hasonló, ám működő kapcsolást összeütni? Gondolom, a hagyományos relé helyett valami szilárdtest-eszközt kéne használni, de ahhoz már nem vagyok elég okos. A lényeg: a fogyasztóval sorosan kapcsolt eszköz (ami nem ejti le érzékelhetően a feszültséget a fogyasztó számára), amelyen ha nem folyik át áram, bekapcsolja a csengő/buzzer/beeper/zümmer áramkörét.Segítség, segítség, segítség... BlueBunny / Nóri
Szia !
NE sorba kösd a relét ,hanem háromeres vezetéket használj és a harmadikra kösd a relét ,ha valahol elvágják úgy is elenged ,és szólhat a csengő !
Az nem tuti megoldás...
Mert lehet, hogy van vagy 40 méter az a videokábel...nem gondoltad komolyan, hogy azt mindet cserélje ki, ugye? ![]() Mert az úgy nem kis pénz...és közben jól szét is kell szedni az egész hálózatot... Inkább erre a jelenlegi kábelre kéne kitalálni valami frappáns megoldást
Ha egyszerűen a kameránál a tápra rákötnéd a relét,egy bontóéeintkezővel pedig a csengőt,akkor nem lenne jó?Amíg megvan a kameránál a 13,5V,addig a relé is be van húzva,ha megszűnik,mert mondjuk elvágják a kábelt,akkor a relé elenged és az érintkezője zárja a csengő áramkörét.Persze a csengő tápellátásáról gondoskodni kell,de az egyszerűen megoldható.
Szia!
Tényleg nem egyszerű a helyzet ....mert ugye ha azt veszem ha a kamera 40 méterre van akkor az előző hozzászóló megoldása szerint a kameránál szolna a csengő.... mekkora a fogyaszása a kamerának? Esetleg talán ki lehetne próbálni, hogy mondjuk belehetne rakni egy ellenálást a földhöz, ami gondolom árnyékolás, és az ellenálláson eső fesszel zárni egy tranyót amire meg már azt raksz amit akarsz...ha elvágja a paraszt akkor ugye nem esik fesz az ellenálláson nyit a tranyó és csörög zörög dallamot hangzik... Ha nem akarod hogy nagyon bezavarjon az ellenállás akkor rakj egy mili ohmot és ezt digizd be egy adc-vel , ha nem akarsz picet használni akkor egyszerűen rákötsz egy tranyót az adc kimenetére. He elvágja a kábelt akkor ugye úgyis nulla lesz az adc kimenete... Ha nem túl világos akkor csinálok egy példa kapcsolást, de próbáltam jól leírni... Egy kalappal!
Kedves Uraim,
köszönöm a válaszokat. Valóban nem szeretném lecserélni a meglévő kábelt. Én is valami ilyesmi megoldásra gondoltam, hogy valami tranzisztoros áramkörrel nézni a drót szakadását, csak sajnos nem vagyok elég okos ahhoz, hogy ezt megtervezzem. Tehát a meglévő kábelbe kéne sorosan beiktatni egy reléhez hasonló kapcsolóeszközt (például tranzisztort), ami a szakadás esetén megszólaltatja a csengőt. A kameránál nézni a szakadást, az sem lenne nagyon rossz megoldás, de attól tartok, hogy ha ott párhuzamosan kötném a relét, az nagyon leejtené a kamerára eső feszültséget, mivel tudtommal a relé ohmikus ellenállása nagyon kicsi, így a kamera nem kapná meg a működéséhez szükséges feszültséget. És jobb is lenne talán, ha nem ott szólna a riasztó, hanem a lakásban, és akkor én kirohanok a lépcsőházba igen rossz modorral ![]() PIC használatában nem sok tapasztalatom van, valami egyszerű tranzisztoros/IC-s, vagy hasonló megoldást szeretnék, amit én is össze tudok forrasztani a pákámmal. Szerintem ez megoldható egy tranzisztorszerűséggel meg pár ellenállással, csak én sajnos nem vagyok elég művelt a kapcsolás megtervezéséhez.Köszönettel, Nóri
Én egy ilyen megoldást agyaltam ki,de a tranyót lehet,hogy rosszul kötöttem be.
Köszönöm Koree úr, jól néz ki, valami ilyesmit képzeltem én is
![]() Megkérhetném a tisztelt urakat, hogy ellenőrizzék a kapcsolást, hogy jó-e ez így? jól van-e bekötve a tranzisztor, nem kell-e bele még egy-két ellenállás, miegymás? És kaphatnék-e konkrét értékeket az alkatrészek paramétereire?
Egy másik ötlet.
1. Mérd meg, mennyi áramot zabál a kamera. 2. Keress olyan tranzisztort, aminek a max. bázisárama nagyobb a mért értéknél. 3. A kamera a tranzisztor bázisán keresztül kapja a tápot, ellenállás nélkül, így csak 0,6-0,7V fog esni rajta. 4. Ha minden rendben, akkor nyitva a tranzisztor, ha elvágják a tyúkbelet, akkor lezár a tranzisztor és lehet jelezni relével, vagy akármivel a táplálás helyén. UI. Jó női hangot is hallani
Szia !
Idézet: „a tranzisztor bázisán keresztül kapja a tápot,” Ezt lerajzolnád ? Elég sántának tűnik igy olvasva Üdv ! Idézet: „Keress olyan tranzisztort, aminek a max. bázisárama nagyobb a mért értéknél.” Hát ez sztem nem működne,mert sztem egy tranyó legyen akár PNP vagy NPN a bázis árama max 100mA és akkor már sokat mondtam. A kamera meg sztem minimum 500-1000mA-t vehet fel.
Ha a kamerával párhuzamosan kötöd a relét,nem fog leesni a tápfesz,mivel egy 12V dc-s kisrelé tekercsellenállása valahol 100 és 2000 ohm között van.(típustól függ)De ha ezt is sokallod,akkor betehetsz egy optocsatolót is a relé helyett,ekkor csak egy led áramával fogod terhelni a tápot(5-15mA).A csengőt meg oda viszed ahova akarod.Azt nem írtad hogy pontosan holl kell szólnia csengőnek,meg hogy hol van a táp meg a kamera.
Pont valami hasonló megoldásra gondoltam, de hangsúlyozom: nem vagyok képes megtervezni egy ilyen áramkört.
A dugasztáp és a monitor itt van a lakásban. A dugasztáp 1200 mA-es, ez táplálja a katódsurcsöves fekete-fehér monitort - gondolom, ez zabálja meg az áram nagy részét. Innen fut tovább a tápkábel a kamera felé, amely a lépcsőház ablakában van, 10-20 méterre a lakástól. A kábel többi erén jön vissza a kompozit video és a hangjel a monitorba. Tehát az egész rendszert egy 1200 mA-es dugasztáp eteti. A kamera áramát most még nem tudom megmérni, mert a kábelt még nem javítottam meg -- hadd lássák, hogy ott van elvágva, amig a szakadásjelzőt bekötöm. (Csak azután terveztem megjavítani, hogy a szakadásjelzőt beépítettem, hogy ha legközelebb is elvágja a szabotőr, rajta tudjam kapni, illetve ő is hallja, hogy risztás van a kábel elvágásakor.) Nem tudom, egy tranzisztoron átvezethető-e közvetlenül a kamera árama, nem tudom, mennyi áramot bír egy tranzisztor általában, vagy az egyes tipusok külön-külön, de van egy erős sejtésem, hogy ma, 2006-ban létezik olyan félvezető kapcsolóeszköz (szilárdtest-relé vagy mittomén) ami elbír egy kb 500mA-es áramot, és képes ennek megszakadásakor bekapcsolni egy csengőt. Ez ügyben kérem megtisztelő válaszaikat, segítségüket, kedves uraim
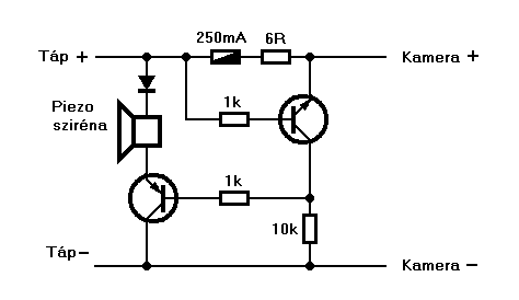
Ez a kapcsolás állandóan szólna, mert az ellenállás
a kollektor és bázis közt nyitva tartja. Az a helyzet, hogy ilyen feladatot egy tranzisztorran nem igazán lehet építeni, mert mindenképp fázisfordítás is kell (akkor szól, mikor nincs jel). Szóval itt egy szokásos áramfigyelő (áramkorlátozásnál is használt) megoldás: a soros biztosítón és a 6ohmos ellenálláson eső feszültségnek 0,7V körülinek kell lenni, hogy a felső(NPN) tranyót a kamera áramfelvétele biztonsággal nyitva tartsa. (A 6ohmot a kamera áramfelvételéhez kell kiszámolni, én 110mA-t vettem alapul).Tehát élő fogyasztó esetén a felső PNP nyitott, így zárja a PNP-t sziréna néma. Megszűnő áramnál NPN zár, PNP a saját bázis-mínusz közti ellenálláson nyit, sziréna visít. A szirénával soros dióda a PNP biztos zárását segíti, a biztosító pedig kiolvadásával (ha netán a vezetéket megszúrnák gombostűvel) szintén kiváltja a riasztást.
Bocs, a biztis dolog az nem jó így, mert nem riaszt.Egyszerűen a kimenetre kell tenni!
Szia Sebi!
Eléggé bizalomgerjesztően néz ki a kapcsolás, köszönöm ![]() Az alkatrészekre tudnál írni tipust, hogy tudjam, konkrétan mit kell kérnem az alkatrészüzletben? Azért további ötleteket is várok, ha valaki tud egy még egyszerűbb megoldást, ne fogja vissza magát
A tranzisztorok szinte bármilyen kisteljesítményű Si típusúak: Pl: BC182 (N),BC212(P).A 6 ohmos ellenállás legyen legalább félwattos, atöbbi mid1.
Persze van még ötletem, egyszerűbb is: Pl ha tudnál szerezni olyan reed-csövet amiben váltóérintkező van, aköré lehet tekercselni drótot (0,2mm átmérőjűt) mindaddig, amíg a kameratápvezetékkel sorosan kötve húzva tudja tartani a kontaktusát. Így ha elejt, a nyugalmi érintkező zár és szól a sziréna. Normál relét is sorba lehet kötni a tápvezetékkel, bár itt már kérdéses (mivel meglévő tápról kell élve maradni), hogy lehet-e ilyen típust találni. A kiindulási alap itt is a kamera áramfelvétele, ami sok esetben annyi amit írtam: 110mA körüli. A feladat csak annyi, hogy találni kell egy - minél kisebb feszültségű - relét, ami 110mA áramfelvételű. 5V-osnál kisebb feszültségű nem igazán kap6ó, de kis ügyességgel - mondjuk egy 5V 50mA-est (ilyen van) át lehet alakítani mondjuk 2V 110mA-esre úgy, hogy kicsivel több mint a fele menetet letekered a tekercséről. 2V feszültségesés még elfogad6ó.
Üdv. Itt az én komparátoros megoldásom....
ha nagyon energiatakarékos a kamera akkor a 3k ellenállás helyett kisebbet kell berakni pl. 1k-sat. (az áramkör szimulátorban tesztelve)
Miért jobb? Talán Ge tranzisztort alkalmazva kisebb lenne a fesz esés szükséglet...
Szia !
Ez eddig a legjobb megoldás ! Üdv !
Óóóó... nagyon jó... valami ilyen IC-s megoldás esett volna nekem jól pont
Ahol nem kell sokat forrasztani, csak egy IC, pár ellenállás oszt kész ![]() Az R4 mekkora értékű? Mit jelent az U2:A felirat a buzzer alatt?
R4 értéke 2 Ohm, (nem tévedés. Értéke nem kritikus, 1-6 ohmig bármi lehet, de kisebb jobb a kamerának, )
ha a 2Ohm helyett vmi más kerül bekötésre akkor lehet hogy a 3k-t meg kell változtatni valszeg! kisebbre. U2:A = semmi, Örülök, hogy segíthettem.
Köszönöm szépen a segítséget
Holnap összerakom, és ha működik, Öné a megoldás
Igen, a komparátor IC használatának óriási előnye, hogy nem kell 0,7V-ot ejteni a figyelőellenálláson.
Kérdés, hogy milyen a hangkeltő eszköz, elég-e neki a max 20mA (sink) áram. Azért a biztit beleraknám, hogy zárlatnál is riasszon, vagy a másik opamp szekcióval egy túláram-riasztó?
Bunny! Ne magázódj, itt mindenki mindenkit tegez, kortól, nemtől, vallási felekezettől föggetlenül. OK? :yes: Egyébiránt pedig örömmel látom, hogy ismt egy hölgyet köszönthetünk a "pákafrgatók" soraiban!
azt most hirtelen nemtom, van-e oszci a buzzerben, mindenesetre magától szól egyenfeszről, ha erre tetszett gondolni
![]() állítólag 3-12 volt közzé van tervezve, ezt mondta a bácsi a Lehel térnél az alkatrészboltban, úgyhogy sztem nem lesz neki sok ez a táp, de majd esetleg teszek mögé ellenállást.
Frankye úr: általában a barátaimat szoktam magázni
OFF megnéztem a honlapját... ööö... a honlapodat, a deguk NAGYON ott vannak a szeren, én ugyan nyúlmániás vagyok, de a degu majdnem nyúl, és viszont... én a maga... szóval a Te helyedben olyan nagyobbacska vasútmodellekkel foglalkoznék, amin utazhatnak a deguk! ON |
Bejelentkezés
Hirdetés |




hogyan lehetne egy hasonló, ám működő kapcsolást összeütni? Gondolom, a hagyományos relé helyett valami szilárdtest-eszközt kéne használni, de ahhoz már nem vagyok elég okos. A lényeg: a fogyasztóval sorosan kapcsolt eszköz (ami nem ejti le érzékelhetően a feszültséget a fogyasztó számára), amelyen ha nem folyik át áram, bekapcsolja a csengő/buzzer/beeper/zümmer áramkörét.
a kapcsolás megtervezéséhez.









