Fórum témák
» Több friss téma |
hi, nézegettem azt a kapcsolást amit belinkeltem, ott van egy youtube video, elég lassunak tűnik a mérő, szted valóban lassu a számlálója, tehát nem szép dinamikusan változik, mint ahogy a fordulatszám? mert ha "érzékeny" lenne akkor lehet mégis megprobálnám megépíteni!
sziasztok!
Nem tudom mennyire vannak még akit érdekel a fordulatszámmérő pic nélkül téma? Én is egy fordulatszámmérőt szeretnék csináni de analóg kijelzésűt. Ha jól tudom az újabb műszerekben már léptetőmor állítja a mutatót a megfelelő pozícióba. Na én is iylent szeretnék csinálni. Szerintem meg lehetne oldani egy bináris számlálóval aminek egy órajelnyi idő alatt megszámolt impúlzusait összehasonlítaná egy digikomparátor egy másik számlálón lévő értékkel. A másik számláló addig számolna ahány lépést tehet a motor(mutató). Az főtengelyről érkező impulzusok számát (jeladók ,órajel freki , vagy valamilyen matekos művelettel) olyanra kell alakítani hogy a maximális fordulatnál a maximálisan léphető lépésszámmal(mutató) legyen egyenlő. Tehát indításkor mindkét számlálót kinulláz, a fordulat számláló megszámolja a fordulatot és a komparátor összehasonlítja a mutató számlálójával (ami ugye most nullán áll) tehát a komparátor kimenetein megjelenik a megfelelő jel ami engedélyezi a felfelé léptetést a pozitív irányba. Következő ciklusban ugyanez zajlik le ... Mindaddgi mig az x-edik ciklusban a mért szám és a motor által ellépet szám egyenlő nem lessz akkor a mutató nem megy fentebb. Értelem szerűen ha esik a fordulat a komparátor ellenkező értéket ad vagyis a steppert visszafele kell lépteti minden eggyes ciklusban míg megin egyenlőség nem áll fent. Tehát a mutató a fordulatszámmal arányos pozicióban lenne. Ja amit nem írtam le csak odagondoltam hogy a lépetőmoci elé ugye kellene egy step dir vezérlő aminek a step jelet az órajel szolgáltatná a direkciót pedig a digikomparátor.Tehát a motor mindig lépne valamerre (kivéve ha pont egyenlő a két szám) az irányt pedig az adná meg meliyk szám nagyobb. Nem tudom érthető e, és hogy valaki csinált e már hasonlót. Pichez ne mértek ezért gondoltam így megoldani tudom nem kevés alkatrész. Segítségeteket a step dir részhez és hát végül is úgy az egészhez kérném ha valakit érdekel, tanács ötlet stb..
Ja nem tudom ki mire akatra én benzinmotor fordulatszámát mérni...
A step motor vezérléshez ajánlom ezt a topicot A mért érték szerintem a lépésszámból meg a két tárolás kiírás közötti időtartamtól függ (ha 100 lépéses és kb 270 fok a max kitérés és ehhez 12000 tartozik 1 fordulat egy jel kb 0.375 s után kell átírni /törölni (max kiirható-75- lépésszám/1s alatti tényleges impulzus -12000/60/1-) bár lehet rosszul gondolom.
Nem akarom megépíteni az biztos ,de tetszik az ötleted. igen én is így gondoltam 270fok, 100 lépéses motornál 75 lépés jelent ha 10.000 a max fordulat akkor 1 másodperc alatt 166.66 ot fordúl. 1 század másodperc alatt 1.666-ot vagyis ennyi fordúlatra kell jutnia 75 jelnek > 1 kör alatt 46 jel. a főtengelyre egy enkóder tárcsa szerűséget kellene rakni 46 lyukkal és mondjuk ezt optokapuval érzékelni.(kerekítéstől eltekintek max nem 75 fog lépni hanem kevesebbet párral, itt úgyis csak a vizuális megjelenítés a lényeg számomra, ha a pontos fordulat kéne máshogy kéne nekiállni úgyis.)Azért vettem ilyen rövidre a ciklusiudőt (1 század) mert ha ciklusonként léptetem a motort akkor 1 másodperces ciklus elég lassú mutató mozgást eredményez, bár ez meg már lehet rövid szóval még ennek is után kellene nézni a konkrétan ide szánt motor milyen fordulatszámra képes, és akkor ehhez kitalálni az enkóder tárcsát. Ami fejtörést okoz inkább az hogy, hogy kéne azt megoldani hogy mivel a fordulatszám kismértékű változása pont határétéken ide oda ugrálást okozhat két érték közt ami a mutatót berángatná, szóval ezt kiküszöbölni hiszen az autókban is szépen egyenletesen mozog a mutató.Gondoltam rá hogy egy többbietes számláló alsó bitjeit figyelmen kívül hagyni és a felsőbb bitekkel játszani, de akkor meg sok jelet kell megszámolnom, szorzás szerintme nem jó. Bár ha a 10.000es tartományt elosszuk 75 felé 133.33at kapunk igy kb 133 fordulat változásra lép egyet a mutató, szóval az egész nagy ingadozás kéne hogy remegjen a mutató de ez pont a határon is létrejöhet. Igazából nem tudom a gyári múszerek mikrovezérlője(mert gondolom az van benne) milyen logika alapján működik..
Én azt javaslom (szerintem egyszerűbb) a fordulatonkénti jeladó (0.5,1,2..) és a hozzá beállított IDŐALAP.Akár úgy is hogy az egy ciklusra jutó bejövő impulzusokat osztod 2,4,8 -cal és a felsőbb biteket veszed csak figyelembe a motor léptetésénél .(nem kell semmi egyébb mechanika csak egy viszonylag pontos 0.375 *1..8 s (12000max ford/75 lépés) és a kapott érték egyenlő a léptetőmotor kitérésének lépésszámával.
Egy másodperc alatt 12000/60 a fordulat 0,375 s alatt 75 ,ha csökken arányosan fog csökkenni tehát 6000 ford 0,375 s alatt 37 imp.Ha osztod kettővel a bejövő fordulatszámot (a motort lépésszámát a felsőbb bitekből veszed le) és az időt duplázod , az alsó érték esetleges billegése szerintem csökken. (bár ez meg egy lustább kijelző lesz.De ha te egy tárcsával meg tudod többszörözni a bejövő jelet 4,8,16 szorosra akor ezzel a módszerrel nem kell szorozni/osztani csak 2-vel az meg egyszerű.Esetleg egy nagyobb felbontású motor is alkalmazható lesz elfogadható mérési idővel.) Ami itt a Fórumon van digitális frekimérő az a 1/2 s alatti inpulzusokat számolja és az utolsó digitet eldobja szerintem. Azt sem tudom hogy a léptető motor milyen sebességre képes ,szerintem ez is be fogja határolni a működési sebességet.(amíg léptet nem tudsz mérni)
legelső dolgom a motor kiválasztás lesz. Van otthon két fajta unipoláris motorom(floppy és nyomtató alkatrészek)
illetve van bipoláris motorom is de talán az unipoláris vezérlése egyszerűbb. Hétvégén megnézem mit tudnak és akkor majd már lesz mihez tervezni a többi dolgot.
hali......én 1 crossmotorba akarom beépíteni ezt a 16F628-as tachot csak azt nem tudom h jeladónak a 4es lábra megteszi-e egy CNY37-es fénysorompó?? valamint ha az jó lesz akkor miképpen tudom pontosan beállítani a mérési pontosságot, mert egy raszteres tárcsát akarok csinálni hozzá amit a lendkerékre erősítek fel....ha valakki tudna segíteni akkor azt megköszönném
Húha... biztosan megéri szenvedni a tárcsával, a felerősítésével, a fénysorompó belövésével, stb. ?
Szerintem nagyságrendekkel egyszerűbb megkeresni a megfelelő vezetéket. Kb. 5 perces munka megkeresni, és a pontossággal sem lenne semmi gondod. Egyébként nem próbálkozott még senki induktív csatolással? Esetleg a gyújtótrafó valamelyik vezetékére lehetne készíteni pár menetes tekercset... Szerintetek?
Az induktiv csatolás szerintem nem jó ötlet,mert a nagyfesz főleg nedves időben kúszik,mászik,minden óvintézkedés ellenére bejut oda is ahová nem kéne.
Inkább a gy.trafó primer tekercsére kellene csatlakozni megfelelő leosztás és zeneres védelem beiktatásával. Crossmotornál én biztosan nem tennék optikai jeladót.
A gyújtótrafó primer oldalát már nem lehet megcsapolni az újabb motorknál (utóbbi jópár évben készülteknél). Ugyanis a vezérlésük Hall-elemmel történik. Én oszcilloszkópon már néztem meg, hogy mit kap a trafó, de az valami iszonyat. Én akárhogyan próbáltam elkapni azt a szinte tökéletes tűimpulzust, nem sikerült. Pedig vagy 4-5 féle megoldsát kipróbáltam, de tényleg esélytelen.
Aztán fogtam a motoroblokkból jövő vezetékköteget, és egyenként elkezdtem megszurkálni őket tűvel, és így találtam meg a megfelelő vezetéket. Nade mindegy, nem is ez a lényeg. Hanem, hogy igencsak ki kéne próbálni az induktív csatolást.
Na szóval az a helyzet,hogy pár motorelektronikát már láttam én is és ahol külön nem volt a fordulatszámmérőnek csatlakozása ott a jelet bizony a trafó primer oldaláról vezették ki. Viszont gyári kivitelben egyet sem láttam induktiv csatolással működni. Van egy másik jellemző területe a trafó primer oldali jelének hasznositásáról is : a kipufogószelep (crossról beszélek) vezérlését ha külön elektronika biztositja (Yamaháék csináltak ebből divatot) ugyancsak a primerről kapja. Tény hogy elég rövid az impulzus,tartalmaz zavarjelet is mégsem okozott gondot a leválasztása,kettő darab 220kohm-os ellenállás sorbakötésével+22nF szűrés és egy zener. Ennyi volt a bemenő fokozat ami üzembiztosan működött (nem úgy mint az integrált H hid),ami miatt jónéhányat szétszedtem.
Hát te tudod... nem vitatkozok. A lényeg, hogy én is crossmotorba akartam építeni (Yamaha), és nálam a trafó primer olaláról bizony nem lehetett sok értelmeset lekötni. Az általad említett formációt is próbáltam, és még jónéhány másikat, eredmény nélkül.
Üdv. A te mocidban van kipuszelepvezérlés elektronikus?
szasztok!
végigolvastam mindenkit de most kapott választ htomas a kérdésére? nekem is egy tengely fodulatszámát kellene mérnem és nem akarok pic-t csak hagyományosan. arra gondoltam, hogy stroboszkóp + kréta + frekimérő .
Miért kell a stoboszkóp? A krétát optoval (???) lehet érzékelni . Vagy a stroboszkóp frekijét akarod állítani állóképre? Ebben az esetben a fél meg a dupla sebesség is állónak látszik szerintem.
Sziasztok!
Valaki megépítette már a PIC-es verziót?Kíváncsi lennék a tapasztalatokra,mert nem szeretném megépíteni feleslegesen ha nem tökéletes.Előre is kösz az infót.
A josepinos müködik,bár kell a ledeknek kell a segitség fényerő miatt,és figyelj hogy 5 Voltot kapjon maximum!!
Pic örök létre szenderül..
pontosan proba. ezt szeretném. valóban a félszeres villanás is állóképet ad, de a dupla villanás viszont két képet, (két egymástól átellenesen álló csíkot mutat.) egy koszos ékszijtárcsát szerenék mérni amihez nem nagyon akarok közel állni. gomdoltam tükröződős matricára is, de mi van ha krómozott a tengelyvég. csak az állókép a jó megoldás.
De gyors a kijelzése?Tehát ha odalépek neki rögtön mutatja a megfelelő értéket?
Hali!
Valaki tudna nekem segíteni? Érdekelne engem egy ilyen. Valaki megtudná építeni nekem?Persze működőképest. Az anyagi oldalát állom. előre is köszönöm.A munkadíjat is állom.Csáó.
Sziasztok!
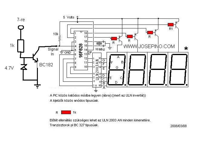
A Josepinos fordszámmérővel lenne kisebb bajom... megépítettem de az ugy magába semmire nem jó... Az kellene nekem, hogy valaki megmondja esetleg papiron egy gyors rajz aztán scann... , hogy mivel kellene azt még bővíteni, hogy mérjen is valamit...A kezdeti nehézség már mingyárt az volt, hogy nem tudtam szerezni 16f628-at.. de van 16f628a -m.. olvastam már több helyen, hogy megy azzal is... ez eddig oké is...aztán 12v ből 5v kell... ezt gondolom 7805 el meg lehetne oldani.. de itt jönne a számomra érdekesebb rész... hogy kapja ez a jelet? mármint én a gy.trafónak a primer tekercsére akarom rárakni... (az a legegyszerűbb) emelett hall jeladós elektronika van az autóba nem tudom ez mennyit számít... na de ha én oda rákötöm a 4-es pontját a picnek.. akkor az rövid időn belül meg fog halni valszeg... meg nem is hiszem, hogy úgy abba a formába ahogy josepino leirta mérne is valamit... ezért gondoltam, hogy megpróbálok itt érdeklődni, ugyanis én nagyon kezdő szinten vagyok még... és nem igen tudom, hogy miképp lehetne megoldani, hogy ez alkalmas legyen autóba... egy rajz esetléeg sokat segítene, mármint annak a rajza amit a trafó primer tekercse és a pic 4-es lába közé kellene rakni...
Ha már hall jeladós a gyújtásod akkor nézd meg a gyújtásmodult, valószinűleg van fordulatszámmérőnek is külön kivezetése.
Például a szamara modul, ha jól emlékszem a 7-es lábon adta az impulzust.
Tehát ha szamarára akarom (arra egyébként) vagyis ha jól értem ezzel azt akarod mondani "szamara modul"
akkor nem is kell semmi jelformáló elé csak simán kössem rá a 7es lábára a hall jeladónak? ha meg nem szamarára akkor ha pl ezt megépítem és a trafó primer tekerecser és a pic 4-es lába közé rakom akkor jó lesz? Bővebben: Link
Legjobb lesz, ha a 7-es lábra egy 1kohm ellenálláson keresztül kötöd, az ellenállás mögé tegyél 4.7V-os zenert,és igy már mehet a pic felé. A gyújtótrafóra kötés is jó elvileg, de sok zavart is összeszed, ráadásul a rajzon levő 100Kohm ellenállást illik több darabból összerakni, mert egy könnyen átüthet, és visz mindent.
A szamara gyújtásmodul egy aluminiumtokos cucc, nemtudom melyik gyártmány van a kocsiba beépitve, annyi biztos, hogy az eredeti orosz kivitelnél nem vezették ki a fordulatmérő jelét. Az összes többi gyártmányú viszont tudja, például a magyar Remix is. Tehát a tokon levő csúszóérintkezők közül a 7-es számúra kell kötnöd.
Na akkor odáig eljutottunk, hogy jó a bekötés amit akarok csinálni és ha jól értem akkor ugy kellene ha HALL jeladóról akarom venni a jelet... hogy bemászok valahogy a hall jeladónál a vezeték alá és kivezetek a 7-es pontról egy szálat... amit rákötök egy 1k -s ellenállásra és erre sorosan egy 4v7 -es zennert... gondolom a zenner negatív fele kell, hogy legyen az ellenállás után... és a dioda pozitiv fele meg már mehetne a pic 4-es lábára...
Jól értem? és akkor a következő... Bővebben: Link ezt a változatot akarom megépíteni... na most itt ugye itt van ez az ULN2003 ami invertálja a dolgokat? merthát ezen a kapcsoláson közös anódos kijelzők vannak és a pic pedig közös katódos módban van... elvileg ez azért van mert ugye az ULN2003 invertál... de nekem meg közös katódosom van... azaz pontosan ez: SC52-11HWA Ez 14mm-es gondolom nem baj? de akkor ezek szerint nálam a picnek közös anódos módba kell lennie mivel ebben az esetben is invertál az ULN2003... ugye? azaz a pic 3-as lábát nem gnd-re hanem +5v-re kötöm... igaz? Bocs, hogy ennyit kérdezek de még a kezdetek kezdetén vagyok és szeretném megérteni a dolgokat... nameg normálisan megépíteni ezt a fordszámmérőt... Ugyanis megépítettem azt a ledeset a BSS-ről... Bővebben: Link de ez nem megy nekem... annyit csinált, hogy amikor pl odarakom neki a földet.. meg odaérintem a +12v-t akkor megvillanak a ledek.. de nem mér semmit... nemtudom mi lehet vele a baj... pediog a kapcsolás elvileg jó.. mondjuk nem ártana ezekről egy nyákterv mert a saját tervezéseimben nem bízok... Idézet: „Jól értem?” Nem,nem értetted jól. Irtam, hogy a gyújtómodul 7-es kivezetésére kell kötnöd az 1k ellenállást, az ellenállás másik lábára a zener katódját, (gyűrűvel jelzett láb) a zener anódját pedig testre. Az ellenállás és a zener közös pontjáról kell a jelet a fordulatmérő felé vezetni. Keresek valami ábrát, ha találom felrakom. De mindenekelőtt érdemes lenne megbizonyosodni arról, hogy a gyújtómodul 7-es kivezetése gyárilag be van-e kötve, mert ha nincs akkor más utat kell választani. Egy 1k ellenállást köss a 7-es lábra, a másik végére egy ledet, most viszont az anódját kösd az ellenállásra, és a led katódját (le van lapolva a tok a katódkivezetésnél) kell a testre kötni. Járó motornál a lednek a fordulatszám függvényében kell villognia, magasabb fordulatnál világitania.
Ha túljutottál a 7-es pont ellenőrzésén, és működik, akkor igy készitsd el, igy biztosabb a bemenet védelme.
Rendben akkor igy csinálom.. de akkor továbbiakban a kapcsolásban... ha nekem közös katódosom van akkor a picnek közös anódos módban kell lennie mert invertálja igy is majd?
Hali mindenki...
Na amit mondtál Hall jeladós az bejött... de érdekelne a másik megoldás is, mert megkért egyik haverom, hogy csináljak neki is... de neki viszont nem hall-os gyújtása van... mondtam neki, hogy nem biztos h tejesen jó lesz mivel sok lesz a zavar... de azt mondta, hogy valamennyi belefér...Na most akkor én ezt gondoltam a trafó és a pic 4-es lába közé... Ez így működhet? Bővebben: Link Köszi előre is a válaszokat... |
Bejelentkezés
Hirdetés |











