Fórum témák
» Több friss téma |
- Ez a felület kizárólag, az elektronikában kezdők kérdéseinek van fenntartva és nem elfelejtve, hogy hobbielektronika a fórumunk!
- Ami tehát azt jelenti, hogy a nagymama bevásárlását nem itt beszéljük meg, ill. ez nem üzenőfal! - Kerülendő az olyan kérdés, amit egy másik meglévő (több mint 17000 van), témában kellene kitárgyalni! - És végül büntetés terhe mellett kerülendő az MSN és egyéb szleng, a magyar helyesírás mellőzése, beleértve a mondateleji nagybetűket is!
Hello!
De jó is lenne, ha a kitöltéssel a fogyasztást csökkenthetnénk... De egy kondiba tárolt energia (C*U^2)/2 Ezt mindenképpen bele kell pumpálni, akármilyen a kitöltés. Legfeljebb a traszverter fogyasztása csökken, de a kondi töltésideje nő. A trafó szekunder oldalán a feszültséget terület alapján integrálja. Tehát ha 50% a kitöltés, akkor a plusz és a minusz csúcsfeszültsége a jelnek azonos lesz. De ha 1%-ot használunk, akkor is a plusz és minusz jel terület integrálja azonos lesz. Tekintve, hogy a görbe területe a feszültség és idő szorzata, ez mind két polaritás esetén azonos lesz. Tehát az 1%-os kitöltésnek a csúcsfeszültsége 100V-os impulzus esetén 99V lesz, míg a másik oldali feszültség 1V lesz. (mert ott az idő 99-szer hosszabb, tehát a feszültség lesz alacsonyabb.) üdv! proli007
Nagyjából megértettem a lényegét. Tudom a konyhanyelvet nem szereted de most lehet kicsit ilyen megfogalmazással, de valahonnan onnan jött az ötlet hogy pl ha 0,1 Hz-el vezérelek egy trafot (azért vettem ilyen kicsi értéket hogy valahogy még én is megtudjam magyarázni a téves elképzeleésem
) akkor pl 50%-os kitöltéssel az azt jelenti hogy 5 masodperc logikai 0 mig 5 másodperc logika 1 (mivel négyszögjellel vezérlem), viszont a trafó úgy is mivel egyenáramot kap 5 másodpercig ezért "csak egyszer indukálódik benne áram" és nem 5 másodpercig. Ezért gondoltam úgy hogy pl 9 másodperc logikai 0 s akkor 1 másodperc logikai 1 mert 1 másodperc alatt is ugyanannyi áram indukálódik a trafóban, s mégse 5 másodpercig fogyasztott a tekercs hanem csak 1 másodpercig. Vagyis magyarul egyenáramnál csak "egy löket keletkezik" s az 1 másodperc alatt is be tud s nem kell neki 5, viszont fogyasztásnál nem mind egy (egyszer sül el a puska, utána újra kell tölteni alapon). Na most lehet egy jót szórakoztál a hibás elképzelésemen, és mégegyszer bocsánat az esetleg nem ideillő megfogalmazásokért néhol. Az a lényeg megértettem a dolgot. Köszi.
Tehát egyáltalán nem mindegy.
Legyen egy hálózati transzformátor, pl. 10 wattos. Ez 50 hertzes színuszos váltóárammal meghajtva át tudja vinni a 10 wattot. Az 50 %-os kitöltésű négyszögjelben ott a színuszos 50 Hz-es jel, de kisebb amplitúdóval 150, 250, 350... Hz-es jelek is vannak. Ha mindet összeadod, kijön a négyszögjel. Ha a magasabb frekvenciákból elhagysz, akkor a négyszög lekerekedik. Ha mindet elhagyod, visszakapod a színuszt. A hálózati transzformátornak nem kötelessége átvinni a magasabb frekvenciákat. Nem is teszi, tehát romlik a hatásfoka, melegedni fog. Az 1 %-os kitöltésűnél sokkal több a felharmonikus ( mint az 50 %-osnál ), tehát sokkal rosszabb lesz a transzformátor hatásfoka. Másképp is lehet érvelni: az 1 %-nyi időben 50-szer nagyobb áramnak kell folynia, mint az 50 %-nyi időben, ugyanakkora teljesítményhez. De mitől folyna annyi? Honnan tudná a transzformátor, hogy most következik 49%+50% szünet, tehát 50-szer nagyobb áram kell neki, mint 50-50-nél. Nem tudja előre. Ha mégis tudná, telítésbe menne a mag, és akkor csak fűtőtest, nem transzformátor. A szekunder oldalon legfeljebb akkora teljesítmény jelenhet meg, amekkorát a primer oldalon kap. proli007 pedig gyors... Is.
Köszönöm mindkettőtöknek a gyors és kézzelfogható választ.
Hello
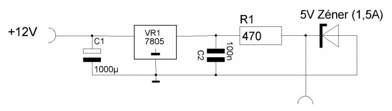
Így néz ki kb 4,7V jön majd le róla de az már elég a pda-nak
Sziasztok!
Lenne egy problémám, amit nem tudok egyedül megoldani, remélem tudtok segíteni. Van két világítás áramköröm ledekből. Az egyiknek folyamatosan kell égnie, a másiknak csak akkor, ha a én akarom(ami max 2-3perc) Az lenne a probléma, hogy megcsináltam a két áramkört a "világítás 1"-et (lásd mellékelt ábra) simán rákötöttem az akkura, a "világítás 2"-t egy kapcsolóval szakítottam meg. Amikor bekapcsolom a kapcsolót a "világítás 1" elalszik és csak a 2-es ég, amikor kikapcsolom a kettest ismét ég az egyes. Nekem ez így nem jó. Mit csináljak, hogy úgy működjön, ahogy én akarom? A válaszokat előre is köszönöm!
Hello!
Építettem két klasszikus BC337 tranzisztoros monostabil áramkört. kb 20mp időzítéssel. Egy 12V-os motort vezérelnék vele relén keresztül irányváltással. Egyik kör kapcsolja a tápot, a másik kör az irányváltást. Viszont, ha rákapcsolom a motort, mindkét kimenet rögtön 1-ről 0-ra vált, ha csak az egyik kap vezérlést. De, ha csak simán a tápra kötöm a motort, csak monostabil vibrátorokkal párhuzamosan, relé és minden egyéb nélkül, akkor is vált a kimenet, pedig vezérlő jelet nem is kap egyik sem. 12V-os Pc táppal és 55Ah-s akkuval is ugyanez a gond. Létezik-e olyan monostabil kapcsolás, aminek a stabil kimenete a 0, és a vezérlő jeltől vált a kimenet 1-re? Elektromos antenna motorjáról van szó, indításkor 3-4A-es áramcsúcs, üzemi .8-1A. Köszi!
Csak egy tipp, próbálj meg berakni egy kondit párhuzamosan, hogy simítsa a tápot, mert ha jól értem a motor bekapcsolásakor váltanak a kimenetek a "rúgástól".
Én monostabilt 555 ic-vel szoktam csinálni, tök egyszerű.
Üdv!
A TO220-as tranzisztorokat hanyas csavarral szokták a bordához fogatni? hármas vagy négyes?
3-as csavar jár hozzá, ha a szigetelőgyűrűt is használsz hozzá.
Bocsi de én nem értem.
Akkor elég ha a világítás 1 elé teszek egy 120 Ohm-os, a világítás 2 elé pedig egy 39 Ohm-os ellenálást? Akkor úgy fog működni ahogy én akarom?
Sziasztok köszönöm a múltkori bekötéshez a segítséget megépítettem és minden oké.Most megint egy ilyen segítséget szeretnék kérni volt időm és a hétvégén és megépítettem egy másik erősítőt és szintén a bekőtéssel van problémám.Bővebben: Link
Hi Mesterek.
Vettem egy távirányítós "kis" autót, csak a távirányítója nincsen meg, ezért volt 1e Ft. A vevő része 27Mhz azaz a kocsi Szóval van nekem egy másik kis távirányítású autóm de annak a távirányítója 47Mhz megy. A kérdésem az lenne hogy a képen lévő vevő részt át lehet hangolni? Mondjuk ha nem menne a dolog, akkor a kis kocsi panelja átkerül a nagyéba ![]() Segítséget előre is köszönöm.
Hello!
A rajzod alapján nem lehet követni mi a problémád. De tisztesen bekötni a mellékelt rajz alapján lehet. Az ellenállások értékének kiszámításához használd a GG által megadott segédletet. Ha a LED-ek így vannak bekötve, akkor lehet az is a gond, hogy az 5x3+1 ledes kapcsolásnak több tápfeszültség kell, mint a 8x2-nek. Így ha azt bekapcsolod, esetleg leesik a tápfeszültség, és így a hármas csoportok már nem képesek égni. (Mert a minimális tápfeszültség nem lehet kisebb, mint a LED-ek nyitófeszültségének összege.) üdv! proli007
Helló. Van egy akkus mini kézi fúróm. Benne 3 700mA-os NI-CD Aksi. Ki szeretném cserélni kb 2500mA-os NI-MH aksira. A eredeti aksit egy hozzá való 6V-os 300mA-os adapterral töltöttem. Meg-e oldható, ugyanezzel az adapterral tölteni a NI-MH aksikat. Ha igen, tudnátok-e egy olyan kapcsolást küldeni, amibe LED jelzi, amikor fel van töltve az aksi?
Próbáltam kondit, 330mikróst, diódát is, de semmi eredmény, ugyanaz, nincs valami lágyindítás egyenáramú motorhoz? Vagy valahogy szűrni/leválasztani a monostabilokat? optocsatolóm van kéznél.
Szia!
Én is ugyanezt tettem mint te, kicseréltem az aksikat a kézifúrómban és a töltő maradt, annyi hogy több idő kell míg feltölti de kifogástalanúl működik. És a feltöltési állapotát szerintem egy egyszerű komparátor kapcsolással meg lehet figyelni. Javítsatok ki ha tévedek.
Egy rajzot nem csinálnál hozzá, hogy lássuk miről van pontosan szó?
Sziasztok!
Van egy 8 lábú IC-m. Sajnos már nincs forgalomban és nem lehet kapni. A tetején ez áll: RCA558P. Ha valaki tudja, hogy mivel lehet helyettesíteni az adott IC-t legyen szives mondja meg. Üdv.: Jocó!
Üdv!
Most kezdtem el foglalkozni a témával, egy torzítót szeretnék építeni gitárhoz, ehhez találtam egy ilyen oldalt, Bővebben: Link de 2n2222 tranzisztort az itthoni webárúházakban nemigazán találtam, de ha jól értem nyugodtan használhatok 2n3904-et helyette. Ez így van? Meg amit még nem egészen értek, az az hogy a földelést az elem negatív pólusához kell kötni? Meg ezen a rajzon az outputhoz csak egy vonal megy, az ott akkor hogy?
csak ugyanúgy beletetted az aksikat, ahogy az előzőek voltak benne?... Nekem azért kellene valami visszajelző, hogy ne töltsem túl, az aksit.
Szerintem dual opamp, dupla műveleti erősítő. Legalábbis az egyik angol fórum szerint, valami pedálos gitárcuccban találták... Ha igaz, helyettesíthető bármilyen LM kezdetű dual opamp-al, pl. LM358.
Hello üdv a fórumon!
Jól gondolod, használhatod a 3904-et. Természetesen az Outputhoz a GND-t is oda kell vezetni. Viszont az elem az jól van berajzolva. Mert itt sztereó Jack aljzatot használnak, mono dugóval. Ha ezt bedugod, akkor az elem negatív pontját összezárja a dugó a GND-vel és a torzító, már be is van kapcsolva. üdv! proli007
Hát mi ezt egy hegesztőgépben találtuk, és valamilyen módon a huzal előtolásának sebességéért felelős. Azért lenne jó tudni, hogy pontosan mivel lehet helyettesíteni, mert valószínüleg ez elromlott.
Egy az egyben beletettem úgy mint a gyáriak ahogy voltak. És tudom nem a legszebb dolog de sacc/kb tudom az aksik mekkorák és mennyi árammal töltöm és kb mennyi idő kell nekik míg feltöltődnek. Nem aggódom nagyon a túltöltés miatt mert nekem van drága univerzális töltőm is és akármilyen röhelyes az sem áll le ha feltöltötte az aksikat, pedig 6000 Ft volt, és ennyi pénzért már elvárná az ember, de eddig nem észleltem károsodást egyik akkumlátoromon se még ha ott is felejtettem fél napra. Biztos nem tesz jót ha mindig otthagyod de pár alkalommal úgy sem lesz semmi nagy dolog, és ha már úgyis feltöltődött akkor automatán lennebb kéne essen az áramfelvétele. Hanem meg mint mondtam egy egyszerű komparátor kapcsolással megtudod oldani, teli van komparátor kapcsolással az oldal és pl van egy cikk is egy autóakkumlátor őrről, az is erre alapoz, csak a feszültségosztó ellenállásokon kell módosíts neked megfelelőre, hanem beteszel egy primmert s az a legegyszerűbb, és aztán ahoz hasonlítja. Persze az akkumlátor őrnél azthiszem 4 műveleti erősítővel van megcsinálva me több akkumlátor állapotot jelez vissza, de neked elég csak 1-et megcsinálni bátmilyen műveleti vagy spéci koparátor ic-vel. S hanem biztos van fórumtéma hol erre van egy halom kapcsolás, de hanem itt van amiről beszéltem Bővebben: Link
A műveleti erősítő nem csak hangokat tud erősíteni. Komparátornak is hívják, feszültségszintekről tudja eldönteni, melyik a nagyobb. Gondolom egy kép az áramköri környezetről sokat segítene a hozzászólóknak.
Sziasztok!
A kérdés igaz nem elektronikai, de szeretném ha valaki tudna segíteni. A feladat a következő: Mekkora annak a gömbnek a sugara(méterben kifejezve), melynek térfogata pontosan 500 köbméter? Köszönöm mindenki segítségét. |
Bejelentkezés
Hirdetés |




) akkor pl 50%-os kitöltéssel az azt jelenti hogy 5 masodperc logikai 0 mig 5 másodperc logika 1 (mivel négyszögjellel vezérlem), viszont a trafó úgy is mivel egyenáramot kap 5 másodpercig ezért "csak egyszer indukálódik benne áram" és nem 5 másodpercig. Ezért gondoltam úgy hogy pl 9 másodperc logikai 0 s akkor 1 másodperc logikai 1 mert 1 másodperc alatt is ugyanannyi áram indukálódik a trafóban, s mégse 5 másodpercig fogyasztott a tekercs hanem csak 1 másodpercig. Vagyis magyarul egyenáramnál csak "egy löket keletkezik" s az 1 másodperc alatt is be tud s nem kell neki 5, viszont fogyasztásnál nem mind egy (egyszer sül el a puska, utána újra kell tölteni alapon). Na most lehet egy jót szórakoztál a hibás elképzelésemen, és mégegyszer bocsánat az esetleg nem ideillő megfogalmazásokért néhol. Az a lényeg megértettem a dolgot. Köszi.









