Fórum témák
» Több friss téma |
Fórum » Crystal radio - detektoros rádió
Sracok, olyan magass sziten folyik it a targyalas, hogy nem tudom kovetni.
Húúúú, de örülök!
![]() Innen aztán nincs megállás! Ha az első detektoros megszólal, akkor szólni fog a többi is! ![]()
Hat en most ellensulyozom magam!
A foldelest bevettem kemenyen Jut eszembe a foldelesrol:
HÁ persze hogy szólni fog....ezt egyelöre fejlesztem egy kicsit még
![]() ![]() ![]()
Heny-ke, amiota nekifogtal azota drukkolunk neked, hogy sikeresen elkeszisd a radiod!
Milyen adot fogsz? Hosszu antennaval, ejszaka esetleg meg mas adot is foghatsz. Egy kepet is beszurhatnal a keszulekrol.
Szia!
Gratulálok a rádiódhoz! ![]() Ügyes vagy! ![]() Majd egy-két fényképet is dobj már fel róla légyszíves! Előre is Köszönjük! ![]()
Köszii....egyelőre nincs nekem digit. fényképezö gépem.....azert ha tudok teszek fel !
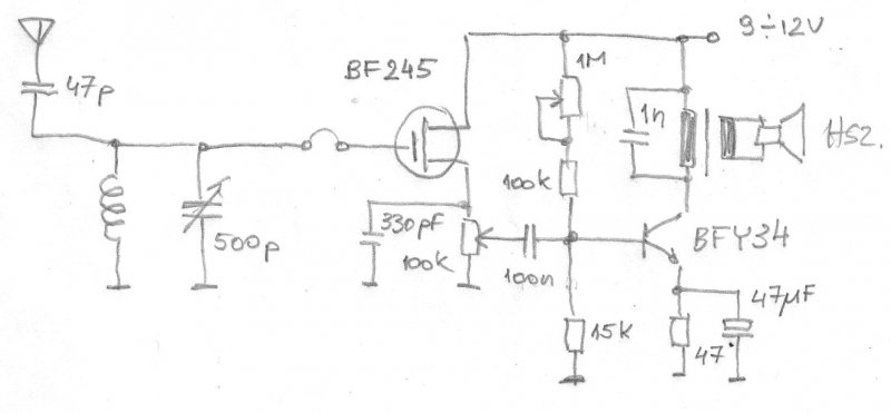
Szevasztok. Csináltam egy újabb detektorost. Célom a középhullámú sáv vétele úgy, hogy ne kelljen sok leágazásos tekercs, ne kelljenek hullámcsapdák, és minél több állomást halljak, ráadásul lehetőleg hangszóróval, még akkor is, ha kell neki 9-18V közötti tápfesz. A BF245 FET ideális detektor, sokkal kisebb jeleket is detektál mint egy germánium dióda, ráadásul nem terheli a rezgőkört. A hangfrekis erősítő egy BF34, de kipróbáltam egy P13 !!! ősrégi germánium pnp tranzisztorral is, természetesen polaritáshelyesen bekötve. Sok rádiót építettem már, de ennek a működése meglepett. Este 10-15 állomást tudtam vele megkülönböztetni egy 20 m-es drót antennával. Az erősebb adók túlvezérelték a BFY-t, ezért kellett a poti a source körbe. Mellékelek képet, rajzot.
Hali. Az említett rádióban kicseréltem a tekercset a fotón láthatóra, és az antenna csatoló kondit 2.2 pF-re. Újabb döbbenet. Szobahangerővel jönnek az RH műsorszóró állomások. És szelektív a cucc. Igaz néha fédinges.
Sziasztok ! Én is készitettem úgy 2éve egy Detektoros Rádiót !
![]() Az alkatrészek az alábbiak voltak : -Egy WC-papir tekercs+15menet rézdrót+hangolóvasmag ( Trafó-vasmag) -Tranzisztor ( Valami jóféle(?) orosz ![]() Telep ( opcionális , megy anélkül is , de egyértelmüen hangosabb Vele a vétel , de az antennáról is lehet az erősitéshez egy kicsi energiát összeszedni) -Egy 32ohm-os fejhallgató ( ! ) -Kihagyhatatlan földelés ( Radiátorcső )+Antenna ( AblakPárkány xD) Vett állomások : -Kossuth Rádió ( Ha a tekercseket sorba kötöm és beledugom a kistekercset a nagyba ![]() Katolikus Rádió ( "Alap- csomag" ![]() ![]() Délelőtt valamiféle német adó is bejön ![]() Tapasztalatok : + Olcsó , könnyű összeszerelés , kevés anyag szükséges hozzá , egyszerű, szinte bárki összerakhatja Magának , Könnyű kezelhetőség , megfelelő hangminőséget és hangerőt nyújt viszonylag sok állomás vétele mellett , nem szükséges hozzá tápforrás ( Táborban jól jöhet , ha nincs villany ![]() - Viszonylag nagy antenna szükséges hozzá , nem túl szelektiv . ![]() [OFF] Majd mellékelek képeket is róla , ne nevessetek ki , tudom , hogy nem esztétikus és túl primitiv , de müködik ! ![]() ![]() ![]() ![]()
Egy kis történelem:
![]() Az apai dédszüleimnek Törökszentmiklóson már a 20-as évek végén volt detektoros rádiója. Nagyapám mesélte Apámnak, hogy egy nyári éjjelen, nagy zivatar alkalmával belevágott a villám az antennába. Az antenna a háztető és a nagy diófa között kifeszített kb. 20m bronzhuzal volt. Reggelre a háztető a szivárvány minden színében ragyogott, mivel a villám megolvasztotta az antennát, ami kicsapódott a tetőcserépen. A rádiónak semmi baja nem lett, és a ház sem gyulladt ki, mivel a dédszülők betartották a műsorzáráskor elhangzó figyelmeztetést: "Antennáját ne felejtse el földelni!" ![]()
Voltak, aki ezért építettek minden nap új antennát, mert az előző napit elföldelték.
![]()
A detektorosok hőskorában antennaföldelő késes kapcsolókat gyártottak, amivel le lehetett földelni az antennát a vételi szünetekben. Vétel közben a kapcsoló meg volt szakítva de az antenna és föld kapcsok között volt egy szikraköz. Két egymástól pár tized mm-re elhelyezett fűrészfogakkal ellátott rézlemez. A szembenálló csúcsok között megnövekedett térerő miatt a levegő ionizálódott, és lassan de folyamatosan kiegyenlítődtek a töltések. Emiatt az ilyen antennába ritkábban csapott a villám. Ezt az elvet alkalmazzák a gázpalack csere telepek védelmére is. A raktárat hegyes függőleges rudakkal veszik körül. A rudak csúcsain keresztül folyamatosan tudnak kiegyenlítődni a töltések, és nem tud kialakulni olyan nagy feszültség, ami a villám lavinaszerű töltéskiegyenlítődéséhez vezethet. Kísérleteknél néha gömb alakú elektródákat alkalmaznak, hogy az említett csúcshatás miatt ne tudjanak csöndben kiegyenlítődni a töltések és így tudnak nagy szikrákat előállítani.
Attól, hogy az antenna le van földelve, még nyugodtan belecsaphat a villám, hisz az akár a földbe is belevághat. Szóval a villám kialakulásának esélyeit kívánatosabb csökkenteni, mert ha bevágott, akkor már kérdéses, hogy mit tud megolvasztani. ![]() ![]() Köszi a tippet ! Amúgy annyira örülök , hogy van egy rendes fórum ![]() ![]()
Amit itt látok az nem detektoros rádió!!
Ezt a kapcsolást audion nak hívják, egykor még elektroncsővel készült, bár ez is egyenesvevő de a detektorostól már távol áll!! Pozitív visszacsatolással kiegészítve visszacsatolt audion sokkal érzékenyebb, de ha begerjed jelentős vételi zavart okoz a szomszédok nagy "örömére" ![]() Az egyenesvevők családfájában még említést érdemel a reflex, visszacsatolt reflex és a szuperregeneratív (röviden szupreg) kapcsolási elv. Ez utóbbit ma is elterjedten alkalmazzák olcsó távirányítókban, vezeték nélküli csengőkben stb. Nézz körül a "Nosztalgia-..." témában!Bővebben: Link
Kedves Oldman, a detektor mindenféle rádióvevőnek funkcionális egysége. Például egy szuper vevőben a KF erősítőt detektor követi. Lehet demodulátornak is nevezni, végül is ez a funkciója.
Abban igazad van, hogy a kapcsolás hasonlít az audionra, pontosabban annak az anódkönyök egyenirányítós változatához. A FET itt is majdnem le van zárva, mivel igen nagy ellenállás van a Source körében. A Drain áram csak akkor kezd növekedni, ha a Gate elektródán valamilyen nagyfreki pozitív félperiódusai vannak jelen. Ez a jel sokkal kisebb is lehet mint a diódás detektoroknál, emiatt olyan adók is detektálhatók vele, amiket egy germánium diódás detektor nem tud feldolgozni a dióda potenciális gátja miatt. A kapcsolás abban is eltér az audionoktól, hogy a csövek esetében az anód oldalon vették le a detektált jeleket, mivel így erősítésre is lehetett számítani. Én szándékosan nem akartam erősíteni a detektálandó jelet, mert pont arra voltam kíváncsi, hogy vajjon ha nem terhelem a rezgőkört egy diódás egyenirányítóval, hogyan alakul a gyengébb állomások vételi lehetősége, és a rezgőkör sávszélessége, valamint megspórolhatók-e a leágazás készítéssel járó macerák. A kapcsolást azért éppen a detektoros topikba raktam, mert a FET nem erősít feszültséget ebben a kapcsolásban, csak egy ideális diódát próbál szimulálni, és így lehetőséget kínál egy detektoros rádió rezgőkörének mélyebb megismerésére.
Üdv!
Én sem tudom hogy mit szeretnél a kapcsolásoddal. Az a FET igen is erősít, csak nem feszültséget. Ráadásul elkövetted azt a hibát, hogy szigeteltkapus FET -t (MOS) rajzoltál, abban pedig a gate, és a source között nincs dióda. Különben is a BF 245 réteg FET, amiben már van dióda, (PN átmenet) de ebben a kapcsolásban a demoduláláson kívül még "emitterkövető" is. De nem ez a lényeg, hanem az, hogy a topik címéhez híven a lehető legegyszerűbb még működő kapcsolást mutassa be kifejezetten a rádiótechnikával ismerkedőknek. Felesleges elvenni a kedvüket bonyolultabb kapcsolásokkal, majd a kezdeti sikerélmények után jöhet a többi is. Láthattad, hogy többen drukkoltak Heninek, sokan segítettek neki (én is)
Csatlakozom az előttem levöhöz , majd Bemutatok egy nagyon primitiv , telepes detektoros vevöt ,amit bárki , az otthoni alapanyagokból könnyen , gond nélkül elkészithet szinte ingyen ! ermészetesen telep nélkül is működőképes az ezköz és elég jó hangerővel hozza az állomásokat anélkül is !
Jó éjt , szép álmokat minden kedves Detektoros Rádió - rajongónak ! Sziasztok !
Ha a "válasz" gombot használnád, akkor más is tudná, hogy melyik "előtted lévőhöz" csatlakozol. (Ebben a topikban 1025 bejegyzés van előtted!)
Szeretném felhívni a figyelmet, hogy van a HE-n olyan topik, ahol egyszerű, régi, esetleg kezdetleges technikákkal megépített rádiókról van szó. Ez NEM AZ A topik! A topik címe a kristálydetektoros rádióról szól, és nem másról! Bele lehet mélyedni abba, hogy ezt hogy lehet kiforgatni, de a kristálydetektoros rádiók versenyén nem fogadnak el olyan készüléket, mely az antennán kívül más külső energiával táplált. Ebben a topikban (remélem, ezután is!) erről van szó.
Ilyen esetben tartozom egy elnézést - kéréssel a fórumozóktól , hogy kicsit OFF-oltam! Az az igazság , hogy most kezdtem el először fórumozgatni és nem azon járt a fejem , hogy "hova is irok" ! Szoktam olvasgatni őket , próbáltam azért a témához illően irni , de kicsit eltértem a témáról ! Még 1x elnézést ! De viszont köszönöm , hogy szóltál , hogy van másik fórum is , ennek ellenére , ha nem gond , részt veszek ebben a fórumban is ( mert érdekel , a környezetemben nem igen van(nak) olyan ember(ek) , akiket ez érdekel(ne) ! ( Kicsit lekezelőnek éreztem a figyelmeztetésed , de nincs harag !
![]() További jó fórumozást ! Szia !
Üdv!
Tényleg ne haragudj hogy szóltunk. Hidd el hogy egy kissé zavaró, hogy ha minen topikban van minden. Igen kívánatosnak tartom én is, hogy ne térjünk el ha lehet, a címben megjelölt tárgytól.
Nem akartam bántani senkit. Bár a Te bejegyzésedre válaszoltam, de ha figyelmesen elolvasod a szöveget, akkor beláthatod, hogy csak az első mondat szólt neked. A második mondat:
Idézet: , és nem figyelmed.„Szeretném felhívni a figyelmet” Azonban tényleg nem tudtam, hogy kihez "csatlakozol", mert a közvetlen előtted lévő bejegyzés éppen arra hívja fel a figyelmet, amire én tettem, Te azonban egy telepes rádiót emlegettél. Örülök, hogy megértetted a lényeget, és üdvözlünk itt IS!
Most mé mondod? Épp most is haraptam egyet...
Gratula az RH vevohoz!
Szeretnem ha megosztanad velunk a tekercs adatait es a tobbi adatot. Nem mindha nem tudnank csak igy illik egy mukodo kepes kapcsolas eseteben. Kozben megeloztel egy kicsi mert egy ketsavu vevo kapcsolasi rajzan dolgozom. Objektiv okok miatt egyelore abba hagytam. Lasd a beszurt kepet.
Nem detektoros de hatternek elmegy:
Bővebben: Link |
Bejelentkezés
Hirdetés |