Fórum témák
» Több friss téma |
- Ez a felület kizárólag, az elektronikában kezdők kérdéseinek van fenntartva és nem elfelejtve, hogy hobbielektronika a fórumunk!
- Ami tehát azt jelenti, hogy a nagymama bevásárlását nem itt beszéljük meg, ill. ez nem üzenőfal! - Kerülendő az olyan kérdés, amit egy másik meglévő (több mint 17000 van), témában kellene kitárgyalni! - És végül büntetés terhe mellett kerülendő az MSN és egyéb szleng, a magyar helyesírás mellőzése, beleértve a mondateleji nagybetűket is!
Nem rossz kis IC. A 0,5-1A nem kritérium Talán elég a 100-200mA-is. A 250V-os max hatát sem baj kezdetnek. Viszont a pontos 1V-os léptékek fontosak. R-2R típusú D/A elv szerint lenne jó az állíthatóság. Lineáris szabályozhatósággal.
1V/1A vagy talán 0,1 A sem kell. Ekkor ugyebár 24.9W-ot kell elfűteni. De azért írtam a feszültségeltolást, mert már 100 volt körülitől is elég. Ha itt nézünk pl 200mA-t akkor a maradék 150V*0,2A, azaz szintén 30W körüli a mellékes elfűtendő. Szerintem ez nem nagy.
Mivel ez egy számítógépes mérőpad lenne, itt az a lényeg, hogy különböző feszültségeken lehessen egy adott dolgot bemérni. Egyszerre több feszültséget kell majd állítani, s ezért kell a PC. A végeredményekből diagrammok rajzolódnak majd ki.
No egy ilyen megvalósítása már beadható diplomamunkának is.
Szóval csőkarakterisztikákat akarsz felvenni? Ravasz!
Bezony ám!
Egy manuális csőmérővel is lehet, csak beleőszül az ember töbtíz, többszáz csőnél.
Sziasztok!
Ezt (2. rajz) az áramkört szeretném megépíteni subwoofer-hez, előbb összeraktam szimulátorban, de valahogy nem akar megfelelően működni. Az egyik bemenetre egy 500mV -os szinuszt raktam egy kapcsolón keresztül, első bekapcsolásra behúz a relé, de a jel lekapcsolására nem enged el, c4 kondit be se raktam direkt. Mi lehet a baj? A FET-et esetleg lehetne valami tranzisztorral helyettesíteni?
Hello!
Valamit félreértettél. Ez a kapcsolás, mindössze arra való, hogy a hangfrekis jel megjelenésére bekapcsolja a szubláda tápfeszültségét. Ha a jel megszűnik, azonnal nem kapcsolhatja ki az erősítőt. Ennek időzítésére szolgál a C4 kondiban lévő töltés, ami 10Mohm-on keresztül sül csak ki. (kb. 1000sec) Ha a Fet helyett tranyót alkalmaznál, megszűnne a késleltetés, mert a tranyó bázisárama kisütné a kondit. Ellentétben a Fet-el, mert az térvezérelt, azaz csak a Gate feszültség szükséges a működéséhez. Tranyót akkor lehetne alkalmazni, ha ezt az egyszerű késleltetést, valami korrektebb késleltetővel váltanád ki. A szimulátorban hiába hagytad el a C4-et, mert a Fet GS kapacitása ugyan úgy feltöltődik, és a 10Mohm-al az is elég hosszú időt adhat. üdv! proli007
Valóban, igazad van. Tisztában voltam vele, hogy nem azonnal kapcsol le, de a GS kapacitást nem vettem figyelembe, ezért is csodálkoztam, hogy nem akar oldani a relé c4 nélkül (rövid időn belül) se. Kipróbáltam 1M -al azzal hamar oldott, tehát tényleg jól működik.
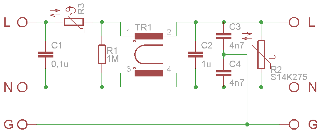
Lenne még egy más jellegű kérdésem is. A mellékelt képen lévő emi filter-be kéne választani varisztort meg NTC-t. Varisztorból 250V-osból van 400A, 1200A, 2500A, 4500A ebből gondolom elég a legkisebb is (vagy nem baj ha nagyobbat rakok?). NTC-ből fogalmam sincs milyen kéne. Köszi Üdv
Sziasztok!
olan problemam van, hogy vettem egy 7912-es stabkockat. Elvileg TO-220-as tokozasu. Annak elvileg ugy van a labkiosztasa hogy: GND, IN, OUT. Csak hogyha megmerem sipoloval(szakadasmero) es a sipolo egyik felet a stabkocka hatuljara teszem a masikat pedig a kozepso labra akkor sipol. Szerintetek az in van kivezetve hatra vagy miez?
A középső lába a hűtőzászló is.
De mindennek : tranyónak, triaknak, mindennek! Szigetelővel kell bordára rakni, ha ez a gondod. (csillám lap meg szigetelő alátét)
Hello!
Mind két eszköz megválasztásánál ismerni kellene a teljesítményt, azaz a mögöttes áramkör fogyasztását és a hálózat és a készülék által okozott induktív lökés nagyságát. (De gondolom az embernek a tranziens lökések nagyságáról és idejéről nem sok információja van.) A katalógus, az NTC-nél a bekapcsolási áramcsúcs szerint ajánlja az eszközt. (pld.: 11,5A esetén 1ohm, míg 4A esetén 22ohm-osat) A Varisztornál, a 275V-os lenne megfelelő, mert a 250V-os csúcsfeszültsége, már éppen a váltó csúcsfeszültség határán van (230V). Ha a nagyobb terhelhetőségűt választod, rosszat nem tehetsz, legfeljebb a mérete nagyobb. üdv! proli007
nem ez a gondom, hanem az, hogy elvileg ottt a hutofeluleten a GND-nek kellene lennie nem?
Nem
Miért kéne? mert a 7805-nek az van? Attól még a többi ezernek más van ott. mondom tranyó, triak, fet, tirisztor, dióda, stabIC minden így van gyártva. Létezik egyébként sokmindenből müanyag hűtőzászlós, azon semmi sincs kivezetve.
ok akkor mar csak 1 kerdes. a 7912 mer -15 voltot ad ki magabol?
Akkor ott valamit vagy elkötöttél, vagy kinyírtad.
Elég érzékenyek a fordított fesz-re, és a visszatáplálásra (amikor nagyobb kondit raksz a stabIC után és leveszed a bemenő feszt, a kondiból visszafelé folyik áram)
Varisztor oké. A emi-filter után egy lágyindító van amit egy 200VA-s toroid követ. Egy 100W végfok és kiegészítő áramkörök tápja lesz. A lágyindító miatt kisebb lesz a bekapcsolási csúcsáram, mint nélküle, akkor egy ilyen lehet elég lenne.
üdv
Hello!
Jó lesz, de ha lágyindító van benne, akkor lehet ez is szükségtelen, mert pont azt szimulálja. üdv! proli007
Csakhogy ő 7912-ről beszél, a negatív verzióról.
Az adatlapot megtalaltam. azert csodalkoztam, mert en eddig azt hittem hogy minden stamkockanal a test van hutozaszlon. azt is tudom hogy a 79 utan a 12, 24 05 stb. miotjelent, nem ez volt a problemam. Az adatlapot azert kosz
![]() qvasz2: koszonom a segitseget a problema megoldodott
A bekötés jó (GND, IN, OUT, szemből nézve balról jobbra), a hűtőfelületen az IN van, az is normális.
Akkor köszi a megerősítést. Pedig már ki is töröltem, mert mondom mi van ha nagy marhaságot írok
Tehát akkor jól tudtam, hogy "a 79xx sorozat terhelve adja a helyes negatív feszt". Viszont elég neki minimális terhelés is, ezt nem tudtam pontosan.
Hello!
Lenne egy olyan kérdésem hogy egy 24V 3A-s trafóból 3.5A-t még ki leheté hozni úgy hogy ne essen a feszültség kb 22V alá? Persze egyenirányítva és bufferelve legalább egy 4700µF kondival. A hűtést leszámítva kérdem, azt megoldanám a trafónak, ettől eltérően valyon működne? Az a baj egy nagyobb trafó már túl nagy lenne méretileg és súlyilag is. EI vasmagos trafó. Toroidos megoldásokkal kíméljetek. Köszönöm elére is válaszotok.
Köszi a gyors és lényegretörő választ
Sziasztok azt szeretném kérdezni, hogy van egy fetem IRF1405 pwm-hez kell majd és az adatlapja szerint 10V-on 116A-t tud.
Hogyan kell értelmezni ezeket az adatokat? Sima kis normál tokozású FET vékony lábakkal, azt hiszem ha 116 A-t kapna elfröccsenne az egész vagy porrá égne egy ezred másodperc alatt úgy, hogy még nyoma sem maradna! Ha megnézek egy autóba való biztosítékot a 25A-esnek vastagabb a szála mint a fetnek a bármelyik lába, akkor hogyan tudna 116A-t? ez akkora áram amit legtöbbünk még nem is látott. És ha 10V-on tudja az 1160Wattot jelent -ez hihetetlen vagy inkább nevetséges. Hogyan kell ezeket az adatlapokat értelmezni? -mert ahogy az IRF Feteket néztem mindegyik tudott legalább 40A-t. ez képtelenség a felépítéséből adódóan nem? Mit szóltok ehhez?
Sziasztok!
Ha egy kocsi távirányítójába beépítek egy apró mágnest okozhat-e bármilyen rendellenességet? Előre is köszi a választ!
A kocsiban LED világítás van. Négyesével sorbakötve összesen 36 darab. Nem tudok semmit a ledekről, 3600 ft volt 100 darab. Szóval az a bajom, hogy folyamatosan égnek ki, először nekiállnak vibrálni, aztán kiégnek. Ez betudható az olcsó ledeknek? Én olyanokat olvasok itt a fórumokon, hogy 3 led + 80ohm ellenállás. De én 4 ledet kötök sorba, vagy ez így mégsem elég?
álló motornál 12V, járó motornál 14V. Most pedig megyek autó világítást javítani Üdv! xakk
Egy benzinpompa működtetéséhez elég egy 8A relé, vagy az túl gyenge ahhoz?
Benzinpumpa függő. Mérdd meg mekkora áramot vesz fel és kiderül.
Szerintem nem a LED-ek a hibásak.
Ha erősfényű 3V-os nyitófeszültségű LED-ek akkor 12 V-nál még csak jó lenne de 14V-nál már mindenképpen ellenállás kellene. Viszont ha van ellenállás akkor 12V-nál meg nem biztos, hogy rendesen világít ha 4db van összekötve. Én egy 9V-os stabilizátor IC-vel oldanám fel a problémát és 9V-ra méretezném a LED-ek elosztását. |
Bejelentkezés
Hirdetés |




Egy manuális csőmérővel is lehet, csak beleőszül az ember töbtíz, többszáz csőnél. 





