Fórum témák
» Több friss téma |
- Ez a felület kizárólag, az elektronikában kezdők kérdéseinek van fenntartva és nem elfelejtve, hogy hobbielektronika a fórumunk!
- Ami tehát azt jelenti, hogy a nagymama bevásárlását nem itt beszéljük meg, ill. ez nem üzenőfal! - Kerülendő az olyan kérdés, amit egy másik meglévő (több mint 17000 van), témában kellene kitárgyalni! - És végül büntetés terhe mellett kerülendő az MSN és egyéb szleng, a magyar helyesírás mellőzése, beleértve a mondateleji nagybetűket is!
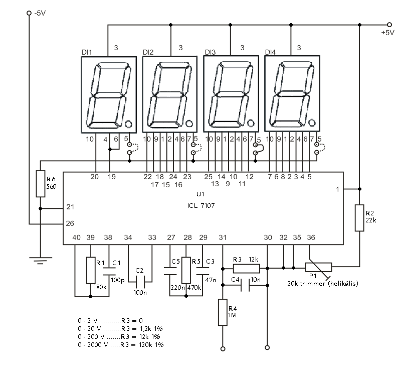
Nekem is lenne egy elég kezdő kérdésem, nyilván fáradt vagyok, vagy a bánat tudja, de van két műszerem (hétszegmenses, LEDes), 7107-tel, indul bekapcsoláskor, ahogy kell, kiírja az 1666-ot, és aztán beáll, mint ha nem férne a méréshatárba, az első 1-es világít csak...
0 Voltnál is, meg többnél is Nem találok hibát se a NYÁKon, de az alkatrészekben... Valaki valami hasznosat tudna mondani?
Helo
1666 hibaüzenetet akkor írja ki ha nem megy az oszcillátora. Ellenőrizd az oszcillátor alkatrészeit a 38 39 40 lábakon.
A 7107 az nem 2V-os hanem 200mV-os nem ez a gond??
Sziasztok!
Abban segíthetnétek nekem, hogy a mellékelt képen lévő s2 kapcsolát hogy nevezik/milyen néven kérjem a boltban? Előre is köszi!
1666 csak a bekapcsolás pillanatában van, ez normális (én elég sokat láttam már ilyet)...
Ami aggaszt, hogy ha 0 Voltot kap is 1-et ír a legelső digitbe az "ezresek" helyére, és ha rámérek is 0 V van rajta, akkor 0-t kéne neki mutatni, nem? Mert ha elkezdeném neki tekerni a feszt, és kicsúszna a méréshatárból, azt észrevenném!
Erre gondolsz?
De itt egy HElyi is ![]() A másik... Mindenhol máshogy hívják, de a forgó kapcsoló nekem szimpatikusabb lenne.
4állású 2áramkörös forgatókapcsoló
Elolvastad a hozzászólásomat?
Az oszcillátor nem megy aminek az eredményeként kiírja hogy 1666 hogy tudja a felhasználó hogy nem megy majd átáll normál üzemmódba. De mivel nincs órajel ezért nem mintavételez, ezért írja ki azt amit.
Azt hittem úgy értetted, hogy folyamatosan azt írja ki...
Mindjárt rájanézek!
Például Yaxley
Hello!
A töltő, mindig fogja tölteni az aksit addig, míg a szinusz pillanatnyi feszültsége magasabb, mint az aksi feszültsége (plusz a dióda nyitófeszültsége). Természetesen, ahogy az aksi töltődik és nő a feszültsége, így az áramfolyási idő, a periódusidőhöz viszonyítva egyre kisebb lesz, így ennek integrálja is csökkenni fog. Azaz csökken az átlag töltőáram (mert a műszerrel azt méred), de ha ez feltöltött aksi mellett is nagyobb, mint az önkisütési áram, akkor túl fogja tölteni az aksit. üdv! proli007
És mégis mit nézzek rajta?
A megfelelő alkatrészek a megfelelő helyen, jól forrasztva, hibátlan vezetékeléssel... 100pikós kerámia kondi, és 100 illetve 180k-s ellenállat, mert az egyik rajzon 100as van, a másikon 180as, és egyikkel se megy.
Azt nézd meg hogy oszcillál-e, szkóppal vagy frekvenciamérővel ha lehetséges.
Az adatlap szerint az ic úgy megy, hogy minden 16000. órajelre frissíti a kijelzőt, mintavételez stb. F=0.45/R*C képlettel kiszámolhatod hogy milyen gyorsan ketyegjen az oszcillátor. 48kHz-t javasolnak ami egy 100pF kondi és egy 100k ellenállatal jön ki. Tehetsz egy 200k potit is az ellenállás helyére hogy be tudd lőni azt az értéket ahol jó.
Sziasztok.Lenne egy kis problémám remélem ti tudtok választ adni.Minap építettem egy erősítőt és most este hogy csend van lehet hallani mindenféle rádió hangokat
meg emberi beszédet...horvátul persze.Gondolom összeszed mindenféle zajokat és azt lehet hallani. még akkor is ha kihúzom a bemenetet és semmi nincs rajta.Ez így este elég rémisztő hogy csak magától megszólal. Szóval nem tudom hogy nektek milyen ötletetek lenne hogy szűntessem meg...Válaszokat előre is köszönöm.
Nagyon fontos, és Attila86 többször is leírta: A forrasztás után a panelt NAGYON ALAPOSAN le kell mosni, tisztítani, mert megkavarja az áramkört!
Nem maradhat rajta gyanta, egyéb szennyeződés, stb.
Árnyékolt kábellel nem lenne egyszerűbb?Mert amit írtál annak a második felét akárhogy is próbálom de nem tudom megérteni
Az oszcillátornak szerintem normális a képe, az INT lábon viszont elvileg egymás után kéne a signal integrate/deintegrate szakasznak jönni, itt meg csak úgy szabadján jön egyszer-egyszer egy...
Megaláma kérdés egy kezdőtől.
itt Bővebben: Link az áramkörben van egy föld. Az a valóságban micsoda? Mit kell oda forrasztani?
Szerintem, nincs olyan, hogy "megaláma" kérdés. Ez a kezdő kérdések topic ide nem is olyan kérdéseket vár a közösség, aminek már új topicot lehetne nyitni.
Egyébként pedig a GND-vel a test ágat jelölik. Minden kötés ami az áramkörben a negativ ágra van kötve az evvel a pontal közös.
Köszi a választ!
Azt látom, hogy oda van kötve minden, de az áramkörben ha megcsinálom, akkor oda mit forrasszak? Kell az egyáltalán? Nem a dc forrás - ága a föld itt?
Köszönöm szépen és Neked is köbzoli!
Most akkor kell oda valami vagy hagyjam le?
Tudom. Az zavarja nem?
Akkor elmagyarázom egy kicsit másképpen. Kövesd végig a szemeddel mi van a kapcsolásban a "-" pontra kötve. Most képzeld el, hogy azok a vonalak eltünnek, és minden egyes lábat ami a testre van kötve egy ilyen jelöléssel látnak el. Ezt nagyobb kapcsolásoknál szokás használni, ahol ha mindent összekötnének a testel, átláthatatlanná válna. Ezért ezzel ( és még több fajta ) jelöléssel jelzik, hogy az a közös test pontra van kötve. Remélem érthető voltam.
Jah, bocs
![]() Nem neked szántam, csak közelebb volt a Válasz gombod ! Bocsi!
Hát igen ebben kéne hogy legyen egy lapos szakasz is.
Először próbáld meg amit Frankye mondott, nehogy hiába erőlködjünk
Hahó!
Az lenne a kérdésem, hogy a leydeni palack ha üvegből készül, előfordulhat az, hogy ha túl sok töltés kerül bele, az ívfény átcsap az üvegen, és felrobbantja azt? Tehát van kritikus pont? És ha igen az mennyi C lehet, akkor, ha az üveg egy normál befőttesüveg? Segítsetek
Az zavart meg egy kicsit, hogy ha szimulátorban megcsinálom ezt az áramkört akkor ha ott van a gnd akkor működik, ha aderka szerint leveszem akkor nem működik?
Vagy csak a programnak kell a jel? Valóságban fizikailag csak össze vannak kötve azok a vezetékek egy csomóba? |
Bejelentkezés
Hirdetés |







még akkor is ha kihúzom a bemenetet és semmi nincs rajta.Ez így este elég rémisztő hogy csak magától megszólal.
Szóval nem tudom hogy nektek milyen ötletetek lenne hogy szűntessem meg...

